基本資料
田葛縷子種中文名:田葛縷子
種拉丁名:CarumburiaticumTurcz.
科中文名:傘形科
科拉丁名:Umbelliferae
屬中文名:葛縷子屬
屬拉丁名:Carum
藥名:田葛縷子
來源:為葛縷子屬科植物田葛縷子的根。
功效:行氣散寒、消食健胃、鎮靜祛風。
主治:治脾虛胃寒所致腹痛。治停食納呆、脘腹脹滿、噯酸反胃等症。治癲證、癇證。
性味歸經:辛,溫。入脾、胃二經。
用法用量:內服:煎湯,12-18克。
別名:作尕兒(西藏)
動植物資源分布:分布於中國東北、華北、西北、四川、西藏等地。
考證:始載於《中國植物志》。
形態特徵
多年生草本,高50—80厘米。根圓柱形,長達18厘米,直徑0.5—2厘米。莖通常單生,稀2—5,基部有葉鞘纖維殘留物,自莖中、下部以上分枝。
細胞結構基生葉及莖下部葉有柄,長6—10厘米,葉片輪廓長圓狀卵形或披針形,長8—15厘米,寬5—10厘米,3—4回羽狀分裂,末回裂片線形,長2—5毫米,寬0.5—1毫米;莖上部葉通常2回羽狀分裂,末回裂片細線形,長5—10毫米,寬約0.5毫米。
總苞片2—4,線形或線狀披針形;傘輻10—15,長2—5厘米;小總苞片5—8,披針形;小傘形花序有花10—30,無萼齒,花瓣白色。果實長卵形,長3—4毫米,寬1.5—2毫米,每棱槽內油管1,合生面油管2。花果期5—10月。
產地分布:產東北、華北,西北、西藏和四川西部。生於田邊、路旁、河岸、林下及山地草叢中。分布於蒙古、蘇聯。本種提示
田葛縷子H.Wolff將山西趙城H.Smith7103號標本定名為Carumpseudoburi—aticumWolff其主要特徵是:植株纖細,莖下部葉3回羽狀分裂,總苞片線形,小總苞片4—5,線形,傘輻8,長4厘米,小傘形花序有花約20。上述特徵與中國廣大地區的田葛縷子標本作比較,二者不易區別,應是同一種植物
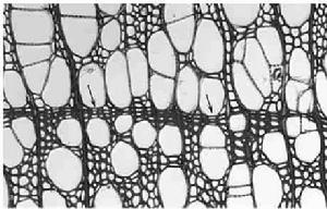
細胞形態
田葛縷子細胞1:油細胞和油管 2:葉基纖維 3:導管 4:木栓細胞 5:草酸鈣簇晶
田葛縷子粉末特徵:粉末灰棕色。油管稀少,直徑15-30μm,有的含黃色分泌物;可見油細胞,類圓形或橢圓形。葉基纖維成束,細長,壁較薄。導管網紋和螺紋,直徑14-56μm。木栓細胞表面觀呈多角形,斷面觀呈長橢圓形。草酸鈣簇晶散在,直徑16μm-56μm。
與防風的區別
理化鑑別
薄層色譜:取防風對照藥材(由中國藥品生物製品檢定所提供)和田葛縷子粗粉各1g,分別加95%乙醇20ml,超音波提取25min,過濾,濾液濃縮至2ml。分別吸取上述兩種溶液各4μl,點於同一矽膠G薄層板上,以氯仿-甲醇-乙酸乙酯(4∶2∶1)為展開劑,展距16cm,取出,晾乾,置紫外光燈(365nm)下觀察,
薄層色譜圖1:防風 2:田葛縷子
a淺藍色 b亮藍紫色 c淺藍色 d亮藍色 e淺藍色 f淺藍色
紫外吸收光譜
分別取防風對照藥材(由中國藥品生物製品檢定所提供)和田葛縷子粗粉各0.1g,加95%乙醇25ml,超音波提取25min,過濾,濾液置100ml容量瓶中,加95%乙醇至刻度,以95%乙醇為空白,用島津-UV-2100紫外分光光度計在200~400nm波長範圍測定上述兩種溶液的紫外吸收光譜。防風在207nm和286nm波長處有兩個最大吸收峰;在250nm波長處有一肩峰。田葛縷子在212nm、270nm和284nm波長處有三個最大吸收峰。
紫外吸收光譜圖小結
田葛縷子為傘形科葛縷子屬植物,與正品防風同科不同屬,在性狀特徵、顯微特徵、薄層色譜、紫外吸收光譜及功效等方面與防風有明顯的差別,故不可作防風用。
科屬類別
本類概述
特徵與阿米芹族異型類Ammineaeheteroclitae相同(見中國植物志五十五卷第一分冊213頁),但分生果棱槽中油管較明顯,或除棱內維管束韌皮部兩油管細小外,在成熟果內油管大部分都較顯著,外果皮細胞內無草酸鈣結晶簇。基部葉分裂,有葉鞘。
二年生或多年生草本,高30—80厘米,直根肉質。莖直立,具縱條紋,枝互生或上部呈叉狀分枝,乳綠色,或微帶紫色。葉具鞘,基生葉及下部的莖生葉有柄,莖中、上部葉有短柄或無柄,葉片2—4回羽狀分裂,末回裂片線形或披針形。復傘形花序頂生或側生,無總苞片或1—6,線形或披針形,全緣或有細齒;傘輻光滑或粗糙;無小總苞片或1—10,線形,披針形或卵狀披針形;小傘形花序肩花4—30,兩性花或雜性花,通常無萼齒,或細小;花瓣闊倒卵形,基部楔形,頂端凹陷,有內折的小舌片,白色或紅色;花柱基圓錐形,花柱長於花柱基。果實長卵形或卵形,兩側扁壓,果棱明顯;棱槽內油管通常單生,稀為3,合生面油管2—4;分生果橫剖面五角形;胚乳腹面平直或略凸起;心皮柄2裂至基部。本屬植物有25—30種,分布於歐洲、亞洲、北非及北美。中國有4種、2變型,廣布於東北、華北及西北,向南至西藏東南部、四川西部和雲南西北部。一般生長在蔭蔽濕潤的草叢中,在乾燥瘠薄的石礫土上也能生長。本屬模式種:葛縷子CarumcarviL.
亞族概述
果實的主棱纖細,分生果的合生面狹小。阿米芹族異型類Ammincac-hctcroclitacDrudeDrudeinEngl.Uprantl,Pflanzenfam.3.8:178.1898.葉全緣,有葉鞘或有葉柄。油管在每棱槽內1至多數,棱內油管通常1,大或小,有時無。外果皮光滑或很少被有各類突出物,在顯微鏡下棱間組織內可見有草酸鈣結晶體,在合生面通常很少結成小簇。全世界約8屬,中國僅有1屬:柴胡屬BupleurumL.
本族概述
花兩性,通常組成復傘形花序。果實通常卵形至長圓狀圓筒形,很少近圓形,頂端鈍或尖銳,但絕不成喙,分生果的橫剖面近圓形至近五角狀圓形,主棱通常明顯,線形至有翅,彼此幾乎相等;極少背棱3條相等,側棱2條有翅;油管每棱槽內1至多數,在果實成熟後通常不顯,很少缺乏;棱內油管通常無,有時有1,大或小;外果皮光滑或較少被有各種形式的突起物;胚乳腹面平直以至稍凹。
亞科概述
果實的內果皮由柔軟的薄膜細胞所組成,不含結晶體,有時表皮下層組織有厚壁纖維細胞;花柱位於花柱基之上;油管在幼嫩果實中處於棱槽內,然後以各種形式分散出現。中國約有90屬,分屬於6族。
本科概述
田葛縷子一年生至多年生草本,很少是矮小的灌木(在熱帶與亞熱帶地區)。根通常直生,肉質而粗,有時為圓錐形或有分枝自根頸斜出,很少根成束、圓柱形或棒形。莖直立或匍匐上升,通常圓形,稍有棱和槽,或有鈍棱,空心或有髓。葉互生,葉片通常分裂或多裂,1回掌狀分裂或1—4回羽狀分裂的複葉,或1—2回三出式羽狀分裂的複葉,很少為單葉,葉柄的基部有葉鞘,通常無托葉,稀為膜質。花小,兩性或雜性,成頂生或腋生的復傘形花序或單傘形花序,很少為頭狀花序,傘形花序的基部有總苞片,全緣;齒裂、很少羽狀分裂,小傘形花序的基部有小總苞片,全緣或很少羽狀分裂,花萼與子房貼生,萼齒5或無,花瓣5,在花蕾時呈覆瓦狀或鑷合狀排列,基部窄狹,有時成爪或內捲成小囊,頂端鈍圓或有內折的小舌片或頂端延長如細線;雄蕊5,與花瓣互生。
子房下位,2室,每室有一個倒懸的胚珠,頂部有盤狀或短圓錐狀的花柱基;花柱2,直立或外曲,柱頭頭狀。果實在大多數情況下是乾果,通常裂成兩個分生果,很少不裂,呈卵形、圓心形、長圓形至橢圓形,果實由2個背面或側面扁壓的心皮合成,成熟時2心皮從合生面分離,每個心皮有1纖細的心皮柄和果柄相連而倒懸其上,因此2個分生果又稱雙懸果,心皮柄頂端分裂或裂至基部,心皮的外面有5條主棱(1條背棱,2條中棱,2條側棱),外果皮表面平滑或有毛、皮刺、瘤狀突起,棱和棱之間有溝槽,有時槽處發展為次棱,而主棱不發育,很少全部主棱和次棱(共9條)都同樣發育,中果皮層內的棱槽內和合生面通常有縱走的油管1至多數。
胚乳軟骨質,胚乳的腹面有平直、凸出或凹入的,胚小。全世界約200餘屬,2500種,廣布於全球溫熱帶。中國約90餘屬。本科植物在國民經濟中有著一定的作用,其中不少種類,可做藥材、蔬菜、香料、農藥等用。在藥用方面如著名中藥材當歸、川芎、白芷、前胡、防風、柴胡、獨活、藁本、明黨參、羌活、北沙參等,這些種類在國內外市場上享有較高的聲譽。近年來,中國外對傘形科植物的研究極為重視,並發現有些化學成分,具有多種生理活性,如對治療冠心病、腫瘤、白斑病等,獲得初步的療效和成果;各地民間將多種傘形科植物用於防治疾病,也相當廣泛。在蔬菜食用方面,常見栽培的有芫荽、芹菜、水芹、胡蘿蔔等,此外供做香料調料用的有茴香、蒔蘿等,供農藥用的有毒芹、刺果芹、毒參等。
中醫中藥
【藥名】:田葛縷子
藥用【來源】:為葛縷子屬科植物田葛縷子的根。
【功效】:行氣散寒、消食健胃、鎮靜祛風。
【主治】:治脾虛胃寒所致腹痛。治停食納呆、脘腹脹滿、噯酸反胃等症。治癲證、癇證。
【性味歸經】:辛,溫。入脾、胃二經。
【用法用量】:內服:煎湯,12-18克。
【別名】:作尕兒(西藏)
【動植物資源分布】:分布於中國東北、華北、西北、四川、西藏等地。
【考證】:始載於《中國植物志》。
種子植物百科(二)
| 種子植物是植物界最進化的種類,世界上已分化出20餘萬種,是現今地球表面綠色的主體。 |
| 愷木屬 柳葉菜 羅漢松 蘆竹 輪藻科 露珠草 綠芎1號 墨西哥落羽杉 毛葉紫樹 毛白楊 毛草 龍農粳306 寧單9號 農院238 雀麥草 皺籽栝樓 紫球藻屬 紫花前胡 | 青莢葉 人禾698 三尖杉 絲綿木 四照花 宿苞豆 山芹 杉木 松柏 水燭 水網藻屬 水芹 水麥冬 珊瑚藻 石南藤 穗花杉 蘇鐵 蒔蘿 錐囊藻屬 | 蛇床 酸藻 山藥苗 三泰九檀木 田葛縷子 鐵杉 台灣新一號 五加 偽枝藻屬 無莖麻花頭 無隔藻屬 網地藻目 網管藻目 豌豆花 仙菜目 響葉楊 孝順竹 中原單32 中單5485 | 小二仙草 小葉楊 新疆楊 橡皮樹 矽藻門 香芹 西星糯玉1號 圓柏 眼子菜 莜麥 野慈姑 野燕麥 銀杏 銀毛灰葉 銀線草 隱滴蟲 鴨兒芹 永2638 掌狀紅皮藻 珠蘭 |

