基本資料
小葉楊別名:南京白楊
拉丁文名:PopulussimoniiCarr.
科屬:為楊柳科、楊屬。
藥材基源:為楊柳科植物小葉楊的樹皮。
拉丁植物動物礦物名:PopulussimoniiCarr.
採收和儲藏:全年均可采剝,曬乾。
原形態
小葉楊,喬木,高達20m。樹皮溝裂;樹冠近圓形。幼權小枝及萌枝有明顯棱脊,老樹小枝圓形。芽細長,有粘質。葉菱狀卵形、菱狀橢圓形或菱裝倒卵形,長3-12cm,寬2-8cm,先端驟尖或涸尖,基部楔形或寬楔形,邊緣具細鋸齒,下面綠白色;葉柄圓筒形,長0.5-4cm。雄花序長2-7cm,序軸無毛,苞片細條裂,雄蕊8-9(-25);雌花序長2.5-6cm苞片淡綠色,裂片褐色,柱頭2裂。果序長達15cm;蒴果小,2(-3)瓣裂,無毛。花期3-5月,果期4-6月。
生態環境
一般多生於2000m以下,最高可達2500m,沿溪溝可見。
資源分布
性味
味苦;性宣
功能主治
祛風活血;清熱利濕。風濕痹疹;跌打捉痛;肺熱咳嗽;小便淋瀝;口瘡;牙痛;痢疾;腳氣;蛔蟲病
小葉楊用法用量
內服:煎湯,10-30g。外用:煎水洗;或研末調敷。摘錄
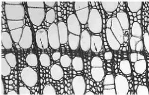
性狀
性狀鑑別,樹皮呈筒狀,厚1-3mm。嫩皮灰綠色,表面有圓形皮孔及縱紋,偶見枝痕;老皮色較暗,表面粗糙,有粗大的溝狀裂隙。內表面黃白色,有縱向細密紋。質硬不易折斷,斷面纖維性。氣微,味微苦。顯微鑑別,樹皮橫切面:木栓層為10餘列木栓細胞。皮層散有石細胞群,石細胞壁厚,溝孔不顯著。韌皮部纖維束與篩管群及韌皮薄壁細胞互動排死成不連續的環狀;纖維束周圍細胞含草酸鈣方晶,形成昌鞘纖維,並有少數石細胞,呈方形、三角形、圓形、長形,直徑29-59μm,有的長達176μm,壁較薄,層紋及溝孔明顯。
產地分布
為中國原產樹種。華北各地常見分布,以黃河中下游地區分布最為集中。多生長於溪河兩側的河灘沙地。
園林用途
樹形美觀,葉片秀麗,生長快速,適應性強,是水濕地帶四旁綠化的良好。但壽命較短,一般30年即轉入衰老階段。
其他價值
木材輕軟,紋理直,結構細,易加工,可供建築、家具、造紙、火柴等用途使用。
繁殖與栽培
扦插繁育為主,也可播種育苗,扦插易成活,枝插、乾插均可。栽培無特殊要求。常有葉鏽病、褐斑病及楊天社蛾、大透翅蛾、黃斑星天牛等病蟲危害,應注意及早防治。
形態特徵
小葉楊生物學特性
為暖溫帶樹種。喜光,喜濕,耐瘠薄,耐乾旱,也較耐寒,適應性強,山溝、河灘、平原、階地以及短期積水地帶均可生長。生長迅速,萌芽力強,但壽命較短。喜光樹種,不耐庇蔭。適應性強,能耐乾旱、瘠薄土壤和嚴寒氣候,但性喜濕潤肥沃土壤,常在河岸、河灘和山溝生長最好。根系發達,固土抗風能力強。木質輕軟細緻,紋理通直,易加工,為優良的建築材料和造紙原料,也可作家具、火柴桿。樹皮含鞣質5.20%,可提制栲膠。小葉楊對土壤要求不嚴,沙壤土、黃土、沖積土、灰鈣土上均能生長。山溝、河邊、階地、梁峁上都有分布。在長期積水的低洼地上不能生長。在乾旱瘠薄、沙荒茅草地上常形成“小老樹”。小葉楊根系發達,側根水平伸展,鬚根密集。
地理分布
小葉楊北部暖溫帶落葉闊葉林區(主要城市:瀋陽、葫蘆島、大連、丹東、鞍山、遼陽、錦州、營口、盤錦、北京、天津、太原、臨汾、長治、石家莊、秦皇島、保定、唐山、邯鄲、邢台、承德、濟南、德州、延安、寶雞、天水)
南部暖帶落葉闊葉林區(主要城市:青島、煙臺、日照、威海、濟寧、泰安、淄博、濰坊、棗莊、臨沂、萊蕪、東營、新泰、滕州、鄭州、洛陽、開封、新鄉、焦作、安陽、西安、鹹陽、徐州、連雲港、鹽城、淮北、蚌埠、韓城、銅川)
溫帶草原區(主要城市:蘭州、平涼、阿勒泰、海拉爾、滿洲里、齊齊哈爾、阜新、丹東、大慶、西寧、銀川、通遼、榆林、呼和浩特、包頭、張家口、集寧、赤峰、大同、錫蘭浩特)
本科概述
加拿大揚落葉喬木或灌木。單葉,互生,稀對生。有托葉,常早落。氣孔器平列型。花單性,雌雄異株,排成下垂或直立的葇荑花序。花常先葉開放。無花被。花粉二細胞型,柳屬(Salix)一些種為三細胞型。楊屬(Populus)中無萌發孔,柳屬中常具3孔或3孔溝。雌花子房上位。胚珠多數,倒生。胚乳核型。蒴果。種子基部圍有白色絲狀長毛。染色體x=11,12,19。
楊屬與柳屬適應性強,生長迅速,為各地營造速生用材林、防護林、行道樹和綠化的重要樹種,木材輕軟,纖維長,供建築、板料、火柴桿和造紙。柳屬一些種,枝細長柔韌,可編制筐、籃、箱和帽等用具。楊屬一些種常為森林天然更新的先鋒樹種,胡楊(P.enphratica)為中國西北部重要抗旱樹種。柳屬多喜生於潮濕生境中。在中國廣泛栽培的有毛白楊,響葉楊、旱柳、垂柳以及引種的加拿大楊等。東北產的鑽天柳為建築、橋樑、家具和農具的用材樹種。
繁育技術
小葉楊2.插條育苗:種條應選擇生長健壯、發育良好的1~2a生的枝條,尤以1~2a生苗木平茬條為好。春、秋兩季均可採集。扦插在春季進行,扦插前,將種條截成20cm左右的插穗,粗度以0.8~2.0cm為宜,放入清水中浸3d左右,以促進生根發芽。扦插株距為20cm,行距30cm。插後要及時灌水,插穗生根前澆水1~2次,以後每10~15d澆水一次,6~7月間施追肥2~3次。
栽培技術
小葉楊2.插乾造林:矮乾造林選用1~2a生,粗2cm左右,截成長40~50cm的穗條,插入穴中30cm左右;高幹造林的乾長2m左右,大頭直徑約4.5cm,栽植深度50~80cm。造林密度以110~220株/667m2為宜。
病害防治
一、小葉楊樹苗灰斑病
(別名灰霉病、黑脖子、整頭苗、黑莖苗、枯斑病)1、發生與危害
該病分布在黑龍江、吉林、遼寧、內蒙古等地,危害多種楊樹、以幼苗、幼樹受害最重,病葉早落、嫩梢枯頂、造成多頂苗,不符合造林要求,是育楊苗的大敵。
2、識別
主要發生在葉上及嫩梢上,有三種類型。
灰斑型:多發生在葉片上,病斑多為圓形或橢圓形,灰色,病斑邊緣呈褐色。發病後期病斑上有霉綠色小點,即病菌的分生孢子堆。
黑斑病:多發生在葉緣,病斑為黑色,不規則,病斑處捲曲變形,發病後期病斑上長霉綠色小點。
黑莖型:(俗稱黑脖子)發生在幼苗頂梢和幼枝梢,病後死亡變黑、變細,失去支撐力而下垂,變黑部分的葉子全部死亡,病部被風折斷,由下邊葉柄休眠芽處再生出小梢,形成多頂苗,這種類型對苗木危害最嚴重。
3、防治措施
該病是由楊棒盤孢引起,此病菌隨落地病葉及感病枝梢越冬,所以秋季落後到第二年新葉發生前,一定要徹底清除落病葉及感病枝梢。新疆楊、銀白楊不感病,加楊較抗病,而小葉楊、小青楊、青楊等易感病,在易感地區應選擇抗病品種。
合理密植、加強管理,實行大壟撒播、條播或插條,密度過大時適當音苗或打去底葉3~5片,密切注意觀察,發現病株及時除掉可減少病害發生。藥劑防治一般於6月下旬向幼苗噴藥,可用65%代森鋅500倍液或1:125-170的波爾多液,每半個月噴1次,共噴3~4次。
二、小葉楊樹苗黑斑病
(別名褐斑病、黑點病、黑葉病、黑苗病、禿尖等)
1、發生與危害
該病是東北地區楊樹苗的大害,它不僅引起楊樹苗早期落葉,還能造成育苗失敗。在內蒙古主要危害小葉楊(實生苗)、小青楊、青楊、苦楊(插條苗)。
2、識別
主要危害葉片。在北方,一般出土期發病,首先是被害植株的葉背面出現小黑點,逐漸形成黑斑,雨季時黑斑相互連片,迅速變黑並乾枯脫落,受害嚴重的植株,全株形成光桿,梢部乾枯。小葉及苗莖變黑全死,苗莖扭曲不直。
小葉楊該病是由楊棒盤孢引起,此病菌隨落地病葉及感病枝梢越冬,所以秋季落後到第二年新葉發生前,一定要徹底清除落病葉及感病枝梢。新疆楊、銀白楊不感病,加楊較抗病,而小葉楊、小青楊、青楊等易感病,在易感地區應選擇抗病品種。
合理密植、加強管理,實行大壟撒播、條播或插條,密度過大時適當音苗或打去底葉3~5片,密切注意觀察,發現病株及時除掉可減少病害發生。藥劑防治一般於6月下旬向幼苗噴藥,可用65%代森鋅500倍液或1:125-170的波爾多液,每半個月噴1次,共噴3~4次。
三、新疆楊樹鏽病
(別名黃粉病、葉鏽病、落葉松-楊鏽病)
1、發生與危害
該病發生普遍,主要危害楊樹苗及幼樹,引起卷葉、早期落葉,是苗圃和幼林的常見病害之一。
2、識別
該病是轉主寄生性病害,首先發生在落葉松上,然後發生在楊樹葉片上。發病初期,落葉松葉正面(近軸面)出現短段退綠,以後病斑逐漸變成淡黃綠色,並有腫起的小皰,即病菌的性孢子器,針葉背面(遠軸面)長出黃色粉堆――銹孢子堆,嚴重時針葉枯死;在楊葉背面初生淡綠色的小斑點,很快出現桔黃色小皰,皰破後散出黃粉――真孢子堆,在秋初楊樹葉正面可見到多角形鐵鏽色斑――冬孢子堆,葉片捲曲、早落。
3、治理措施
該病是由松楊柵鏽菌引起,該菌具有較強的寄生專化性,發病嚴重地區可考慮選擇毛白楊、銀白楊、新疆場等高度抗病樹種。同一圃地避免既育落葉松又育楊苗,圃地周圍不應有轉主寄蟲,兩者相距500米以上。
該病原以落地楊病病葉越冬,有條件的苗圃在落葉後松苗上噴1%波爾多液預防,若落葉松已發病,可用65%可濕性代森鋅500倍液或敵銹鈉200倍液噴霧,每半個月1次;6月份向楊苗上噴保護劑,發病後噴治療劑,藥劑同上。
藥理作用
小葉楊2.抗炎鎮痛作用,抗炎實驗表明:楊芽脂濕懸液灌胃給藥,對巴豆油所致小鼠耳熟炎症有明顯的抑制作用,並能顯著抑制大鼠實驗性腹膜炎的炎症滲出,亦可使大鼠瓊脂性破膚炎症和足趾腫脹程度明顯減輕,且對大鼠棉球肉芽腫的增長也有抑制作用。熱板法和扭體法證明:楊芽脂混懸液小鼠灌胃給藥具有較為顯著的鎮痛作用,而且維持時間較長。
3。毒性,楊芽脂濕懸液24小時內給小鼠灌辦給藥3次,每次25g/kg。小鼠在給藥後自學成才動減少臥伏不動不食,24-48小時後恢復正常,給藥後7天未見死亡,表明楊芽脂毒性較低。
基因保護
小葉楊基因研究小葉楊是中國北方地區重要的鄉土樹種資源,具有耐乾旱、耐瘠薄、適應性廣、生長優良、壽命長等特性,成為我國最早開展人工栽培和雜交育種的首選樹種,在北方林業生態建設和經濟發展中發揮了重要作用。
1988年,由比利時政府投資、聯合國糧農組織負責執行的中國“三北”009項目啟動,鄉土樹種的保護和開發利用成為其研究的重要內容之一。1992年,在國內外專家的倡導下,對分布在東北、華北、西北10個省(區)的27個縣(市、旗)的小葉楊基因資源進行調查和收集,共收集小葉楊基因資源498種批,其中實生資源195種批、種條資源303種批,還有一些國外楊樹品種,其中包括美洲黑楊、毛果楊和歐洲黑楊。1994年,小葉楊基因資源異地保存林在通遼市國有興隆沼林場建立,這是目前世界上面積最大的小葉楊基因庫。
現在小葉楊基因林林齡已達12年,調查發現,由於個體的生長競爭,一些優良植株的性狀表現受到影響,原有的優樹林分和古樹資源正在消亡,小葉楊資源面臨絕種危機。
變種及變型
1.菱葉小葉楊(var.rhomifoliaKitag.):葉形較小,葉片窄菱形,先端漸尖,葉片清秀。
2.塔形小葉楊(f.fastigiataSchneid.):樹冠塔形,側枝及小枝直上生長,冠形美麗。
種子植物百科(二)
| 種子植物是植物界最進化的種類,世界上已分化出20餘萬種,是現今地球表面綠色的主體。 |
| 愷木屬 柳葉菜 羅漢松 蘆竹 輪藻科 露珠草 綠芎1號 墨西哥落羽杉 毛葉紫樹 毛白楊 毛草 龍農粳306 寧單9號 農院238 雀麥草 皺籽栝樓 紫球藻屬 紫花前胡 | 青莢葉 人禾698 三尖杉 絲綿木 四照花 宿苞豆 山芹 杉木 松柏 水燭 水網藻屬 水芹 水麥冬 珊瑚藻 石南藤 穗花杉 蘇鐵 蒔蘿 錐囊藻屬 | 蛇床 酸藻 山藥苗 三泰九檀木 田葛縷子 鐵杉 台灣新一號 五加 偽枝藻屬 無莖麻花頭 無隔藻屬 網地藻目 網管藻目 豌豆花 仙菜目 響葉楊 孝順竹 中原單32 中單5485 | 小二仙草 小葉楊 新疆楊 橡皮樹 矽藻門 香芹 西星糯玉1號 圓柏 眼子菜 莜麥 野慈姑 野燕麥 銀杏 銀毛灰葉 銀線草 隱滴蟲 鴨兒芹 永2638 掌狀紅皮藻 珠蘭 |

