戴維寧定理
含獨立電源的線性電阻單口網路,可以等效為一個電壓源和電阻串聯單口網路,或一個電流源和電阻並聯單口網路。本章介紹的戴維寧定理和諾頓定理提供了求含源單口網路兩種等效電路的一般方法,對簡化電路的分析和計算十分有用。這兩個定理是本章學習的重點。
戴維寧定理:含獨立電源的線性電阻單口網路N,就連線埠特性而言,可以等效為一個電壓源和電阻串聯的單口網路[圖(a)]。電壓源的電壓等於單口網路在負載開路時的電壓uOC;電阻Ro是單口網路內全部獨立電源為零值時所得單口網路No的等效電阻[圖(b)]。
戴維寧定理
戴維寧定理[圖(a)] [圖(b)]。
uOC稱為開路電壓。Ro稱為戴維寧等效電阻。在電子電路中,當單口網路視為電源時,常稱此電阻為輸出電阻,常用Ro表示;當單口網路視為負載時,則稱之為輸入電阻,並常用Ri表示。電壓源uOC和電阻Ro的串聯單口網路,稱為戴維寧等效電路。
當單口網路的連線埠電壓和電流採用關聯參考方向時,其連線埠電壓電流關係方程可表為
戴維寧定理戴維寧定理可以在單口外加電流源i,用疊加定理計算連線埠電壓表達式的方法證明如下。
戴維寧定理
戴維寧定理[圖(b)] [圖(c)]
在單口網路連線埠上外加電流源i,根據疊加定理,連線埠電壓可以分為兩部分組成。一部分由電流源單獨作用(單口內全部獨立電源置零)產生的電壓u’=Roi[圖(b)],另一部分是外加電流源置零(i=0),即單口網路開路時,由單口網路內部全部獨立電源共同作用產生的電壓u”=uOC[圖(c)]。由此得到
戴維寧定理此式與式完全相同,這就證明了含源線性電阻單口網路,在連線埠外加電流源存在惟一解的條件下,可以等效為一個電壓源uOC和電阻Ro串聯的單口網路。
只要分別計算出單口網路N的開路電壓uOC和單口網路內全部獨立電源置零(獨立電壓源用短路代替及獨立電流源用開路代替)時單口網路No的等效電阻Ro,就可得到單口網路的戴維寧等效電路。
下面舉例說明。
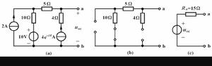
例:求圖(a)所示單口網路的戴維寧等效電路。
戴維寧定理(a)
解:在單口網路的連線埠上標明開路電壓uOC的參考方向, 注意到i=0,可求得
戴維寧定理
戴維寧定理(b)
將單口網路內1V電壓源用短路代替,2A電流源用開路代替,得到圖(b)電路,由此求得:
戴維寧定理(c)
根據uOC的參考方向,即可畫出戴維寧等效電路,如圖(c)所示。
例:求圖(a)所示單口網路的戴維寧等效電路。
戴維寧定理(a)
解;標出單口網路開路電壓uOC的參考方向,用疊加定理求 得uOC為:
戴維寧定理
戴維寧定理(b)
將單口網路內的2A電流源和
戴維寧定理例:求圖(a)單口網路的戴維寧等效電路。
戴維寧定理解:uOC的參考方向如圖(b)所示。由於i=0,使得受控電流源的電流3i=0,相當於開路,用分壓公式可求得uOC為:
戴維寧定理
戴維寧定理為求Ro,將18V獨立電壓源用短路代替,保留受控源,在a、b連線埠外加電流源i,得到圖(c)電路。通過計算連線埠電壓u的表達式可求得電阻Ro
戴維寧定理例:已知r=2,試求該單口的戴維寧等效電路:
戴維寧定理解:在圖上標出uOC的參考方向。先求受控源控制變數i1
戴維寧定理求得開路電壓
戴維寧定理
戴維寧定理將10V電壓源用短路代替,保留受控源,得到圖(b)電路。由於5電阻被短路,其電流i1=0,致使連線埠電壓u=(2)i1=0,與i為何值無關。由此求得:
戴維寧定理這表明該單口等效為一個4V電壓源,如圖(c)所示。
戴維寧定理在電路分析中得到廣泛套用。當只對電路中某一條支路或幾條支路(記為NL)的電壓電流感興趣時,可以將電路分解為兩個單口網路NL與N1的連線,如圖(a)所示。用戴維寧等效電路代替更複雜的含源單口N1,不會影響單口NL(不必是線性的或電阻性的)中的電壓和電流。代替後的電路[圖(b)]規模減小,使電路的分析和計算變得更加簡單。
戴維寧定理註:網路內含有受控源等雙口耦合元件時,應將兩條支路放在同一單口網路內。
例:求圖(a)所示電橋電路中電阻RL的電流i。
戴維寧定理(a)
解:斷開負載電阻RL,得到圖(b)電路,用分壓公式求得
戴維寧定理
戴維寧定理將獨立電壓源用短路代替,得到圖(c)電路,由此求得
戴維寧定理用戴維寧等效電路代替單口網路,得到圖(d)電路,由此求得
戴維寧定理從用戴維寧定理方法求解得到的圖(d)電路和式中,還可以得出一些用其它網路分析方法難以得出的有用結論。例如要分析電橋電路的幾個電阻參數在滿足什麼條件下,可使電阻RL中電流i為零的問題,只需令式分子為零,即
戴維寧定理由此求得:
戴維寧定理這就是常用的電橋平衡(i=0)的公式。根據此式可從已知三個電阻值的條件下求得第四個未知電阻之值。
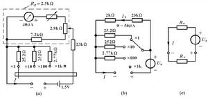
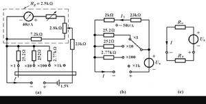
例:(a)是MF—30型萬用電錶測量電阻的電原理圖。試用戴維寧定理求電錶測量電阻時的電流I。
戴維寧定理解:萬用電錶可用來測量二端器件的直流電阻值。將被測電阻接於電錶兩端,其電阻值可根據電錶指針偏轉的角度,從電錶的電阻刻度上直接讀出。為了便於測量不同的電阻,其量程常分為R1,R10,R100,R1k等檔,用開關進行轉換。
圖(a)是一個含源線性電阻單口網路,可用戴維寧定理來簡化電路分析。
戴維寧定理先將圖中虛線部分用一個2k電阻來模擬(當2.8k電位器的滑動端位於最上端時,它是10k和2.5k電阻的並聯)。圖(b)是該電錶的電路模型,可進一步簡化為圖(c)所示的電路。由此求得電錶外接電阻Rx時的電流:
戴維寧定理式中Imax=US/Ro是電錶短路(Rx=0)時指針滿偏轉的電流。
上式表明,當被測電阻Rx由變化到0時,相應的電流I則從0變化到Imax;當被測電阻與電錶內阻相等(Rx=Ro)時,I=0.5Imax,即指針偏轉一半,停留在電錶刻度的中間位置,當開關處於R1,R10,R100,R1k的不同位置時,可以求得電阻Ro分別為25,250,2500,25k左右,相應的滿偏轉電流Imax分別為50mA,5mA,0.5mA和50A(設US=1.25V)。若電池的實際電壓US大於1.25V,則可調整2.8k電位器的滑動端來改變Imax,使指針停留在0處(稱為電阻調零)。
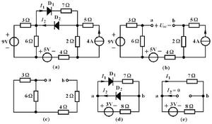
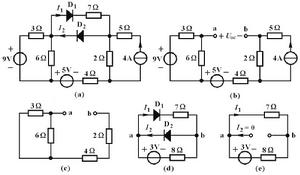
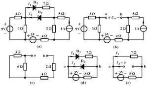
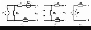
例:求圖(a)電路中電流I1和I2。
戴維寧定理
戴維寧定理(a)
解:圖(a)是一個非線性電阻電路,但去掉兩個理想二極體支路後的圖(b)電路是一個含源線性電阻單口網路,可用戴維寧等效電路代替。由圖(b)求得開路電壓
戴維寧定理
戴維寧定理由圖(c)求得等效電阻
戴維寧定理
戴維寧定理(e)
用3V電壓源與8電阻的串聯代替圖(b)所示單口網路,得到圖(d)所示等效電路。由於理想二極體D2是反向偏置,相當於開路,即I2=0,理想二極體D1是正向偏置,相當於短路,得到圖(e)所示等效電路。由圖(e)求得:
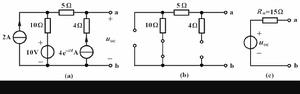
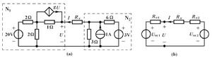
戴維寧定理例:電路如圖(a)所示,其中g=3S。試求Rx為何值時電流I=2A,此時電壓U為何值?
戴維寧定理
戴維寧定理(a)
解:為分析方便,可將虛線所示的兩個單口網路N1和N2分別用戴維寧等效電路代替,到圖(b)電路。單口N1的開路電壓uOC1可從圖(c)電路中求得,列出KVL方程
戴維寧定理解得
戴維寧定理
戴維寧定理為求Ro1,將20V電壓源用短路代替,得到圖(d)電路,再用外加電流源I計算電壓U的方法求得Ro1。列出KVL方程
戴維寧定理解得:
戴維寧定理
戴維寧定理再由圖(e)電路求出單口N2的開路電壓Uoc2和輸出電阻Ro2
戴維寧定理
戴維寧定理
戴維寧定理最後從圖(b)電路求得電流I的表達式為
戴維寧定理
戴維寧定理令I=2A,求得Rx=3。此時電壓U為
戴維寧定理或
戴維寧定理電工學知識
| 伴隨新技術革命和教學改革的不斷深入,當前套用電工學迅速發展,由於電工學的套用領域不斷擴大,電工學的知識也必不可少。 |

