一、根據構造分類
半導體二極體主要是依靠PN結而工作的。與PN結不可分割的點接觸型和肖特基型,也被列入一般的二極體的範圍內。包括這兩種型號在內,根據PN結構造面的特點,把晶體二極體分類如下:
半導體二極體主要是依靠PN結而工作的。與PN結不可分割的點接觸型和肖特基型,也被列入一般的二極體的範圍內。包括這兩種型號在內,根據PN結構造面的特點,把晶體二極體分類如下:

晶體二極體的套用
1、點接觸型二極體
點接觸型二極體是在鍺或矽材料的單晶片上壓觸一根金屬針後,再通過電流法而形成的。因此,其PN結的靜電容量小,適用於高頻電路。但是,與面結型相比較,點接觸型二極體正向特性和反向特性都差,因此,不能使用於大電流和整流。因為構造簡單,所以價格便宜。對於小信號的檢波、整流、調製、混頻和限幅等一般用途而言,它是套用範圍較廣的類型。
2、鍵型二極體
穩壓二極體3、合金型二極體
在N型鍺或矽的單晶片上,通過合金銦、鋁等金屬的方法製作PN結而形成的。正向電壓降小,適於大電流整流。因其PN結反向時靜電容量大,所以不適於高頻檢波和高頻整流。
4、擴散型二極體
在高溫的P型雜質氣體中,加熱N型鍺或矽的單晶片,使單晶片表面的一部變成P型,以此法PN結。因PN結正向電壓降小,適用於大電流整流。最近,使用大電流整流器的主流已由矽合金型轉移到矽擴散型。
5、台面型二極體
PN結的製作方法雖然與擴散型相同,但是,只保留PN結及其必要的部分,把不必要的部分用藥品腐蝕掉。其剩餘的部分便呈現出台面形,因而得名。初期生產的台面型,是對半導體材料使用擴散法而製成的。因此,又把這種台面型稱為擴散台面型。對於這一類型來說,似乎大電流整流用的產品型號很少,而小電流開關用的產品型號卻很多。
6、平面型二極體
晶體二極體7、合金擴散型二極體
它是合金型的一種。合金材料是容易被擴散的材料。把難以製作的材料通過巧妙地摻配雜質,就能與合金一起過擴散,以便在已經形成的PN結中獲得雜質的恰當的濃度分布。此法適用於製造高靈敏度的變容二極體。
8、外延型二極體
用外延面長的過程製造PN結而形成的二極體。製造時需要非常高超的技術。因能隨意地控制雜質的不同濃度的分布,故適宜於製造高靈敏度的變容二極體。
二、根據用途分類
1、檢波用二極體
發光二極體2、整流用二極體
整流二極體的內部結構為一個PN結,外形封裝有金屬殼封、塑膠封裝和玻璃封裝等多種形式。其管性大小隨整流管的參數而異。整流二極體主要用於整流電路,利用二極體的單項導電性,將交流電變為直流電。由於整流管的正向電流較大,所以整流二極體多為面接觸型的二極體,結面積大、結電容大,但工作頻率低。2CP系列管殼用於小電流整流。
⑴最大整流電流
是指整流二極體長時間工作所允許通過的最大電流值。
⑵最高反向工作電壓
它是指整流二極體兩端的反向電壓不能超過規定的電壓所允許的值。如超過這個允許值,整流管就可能擊穿。
⑶
它是指整流二極體在最高反向工作電壓下工作時,允許通過整流管的反向電流。反向電流越小,說明整流二極體的單嚮導電性能越好。
⑷最高工作頻率
它是指整流二極體能正常工作的最高頻率,選用時,必須使二極體的工作頻率低於此值;如高於此值,整流二極體的單嚮導電性受影響。
3、限幅用二極體
一般二極體4、調製用二極體
通常指的是環形調製專用的二極體。就是正向特性一致性好的四個二極體的組合件。即使其它變容二極體也有調製用途,但它們通常是直接作為調頻用。
5、混頻用二極體
使用二極體混頻方式時,在500~10,000Hz的頻率範圍內,多採用肖特基型和點接觸型二極體。
6、放大用二極體
用二極體放大,大致有依靠隧道二極體和體效應二極體那樣的負阻性器件的放大,以及用變容二極體的參量放大。因此,放大用二極體通常是指隧道二極體、體效應二極體和變容二極體。
7、開關用二極體
開關二極體是利用二極體的單嚮導電性,在半導體PN結加上正向偏壓後,在導通狀態下,電阻很小(幾十到幾百歐);加上反向偏壓後截止,其電阻很大(矽管在100M歐以上)。利用開關二極體的這一特性,在電路中起到控制電流通過或關斷的作用,成為一個理想的電子開關。開關二極體的正向電阻很小,反向電阻很大,開關速度很快。
常用開關二極體可分為小功率和大功率管形。小功率開關二極體主要使用於電視機、收錄機及其他電子設備的開關電路、檢波電路高頻高速脈衝整流電路等。主要型號有2AK系列(用於中速開關電路)、2CK系列(矽平面開關,適用於高速開關電路)等。合資生產的小功率開關管有1n4148、1N4152、1N4151等型號。打功率開關二極體主要用於各類大功率電源作續流、高頻整流、橋式整流及其它開關電路。主要型號有2CK27系列、2CK29系列及FR系列開關二極體(採用國外標準生產的、型號相同)等。
主要參數:
⑴反向恢復時間
反映開關管特性好壞的一個參數。開關二極體的開關時間為開通時間和反向恢復時間的總和。開通時間是指開關二極體從截止至導通所需時間,開通時間很短,一般可以忽略;反向恢復時間是指導通至截止所用時間,反向恢復時間遠大於開通時間。因此反向恢復時間為開關二極體主要參數。一般矽開關二極體的反向恢復時間小於3ns~10ns;鍺開關二極體的反向恢復時間要長一些。
⑵反向擊穿電壓
是指在開關二極體兩端的反向電壓超過規定的值,使二極體可能擊穿的電壓。
⑶最高反向工作電壓
是指加在開關管兩端的反向電壓不能超過規定的允許值。
⑷正向電流
是指開關二極體在正向工作電壓下工作時,允許通過開關管的正向電流。
8、變容二極體
二極體變容二極體使利用PN結空間電荷具有電容特性的原理製成的特殊二極體。變容二極體為反偏二極體,其結電容就是耗盡層的電容,一次可以近似把耗盡層看作為平行板電容,且導電板之間有介質。一般的二極體多數情況下,其結電容很小,不能有效利用。變容二極體的結構特殊,它具有相當大的內部電容量,並可像電容器一樣地運用於電子電路中。
主要參數:
⑴最高反向電壓:指在變容二極體兩端的反向電壓不能超過的允許值
⑵反向擊穿電壓
在施加反向電壓的情況下使變容二極體擊穿的電壓。擊穿電壓決定了器件的最高反向工作電壓和最小電容容量值。
⑶結電容
指在一特定反向偏壓下,變容二極體內部PN結的電容。
⑷結電容變化範圍
指反向電壓從零伏變化到某一值時,結電容變化的範圍。
⑸品質因數(Q值)
電容儲存的能量與損耗的能量之比值為該電容器的品質因數Q。變容而後跟具有內部電容,同樣具有一定的Q值。並且大多數變容二極體具有很高的Q值。由於變容管的電容量與反偏壓成反向變化,Q值就隨著反向偏置電壓的增加二增加。
9、頻率倍增用二極體
對二極體的頻率倍增作用而言,有依靠變容二極體的頻率倍增和依靠階躍(即急變)二極體的頻率倍增。頻率倍增用的變容二極體稱為可變電抗器,可變電抗器雖然和自動頻率控制用的變容二極體的工作原理相同,但電抗器的構造卻能承受大功率。階躍二極體又被稱為階躍恢復二極體,從導通切換到關閉時的反向恢復時間trr短,因此,其特長是急速地變成關閉的轉移時間顯著地短。如果對階躍二極體施加正弦波,那么,因tt(轉移時間)短,所以輸出波形急驟地被夾斷,故能產生很多高頻諧波。
10、穩壓二極體
穩壓二極體在電子設備電路中,起穩定電壓的作用。穩壓二極體有金屬外殼、塑膠外殼等封裝形式。
二極體的穩壓作用是通過二極體的PN結反向擊穿後使其兩端電壓變化很小,基本維持一個恆定值來實現的。當反向電壓小於擊穿電壓時,反向電流很小;當反向擊穿電壓接近擊穿電壓時反向電流劇增。穩壓二極體在反向擊穿前的導電特性於普通整流、檢波二極體像是;在擊穿電壓下,只有限制其通過的電流(不超過額定值),它是可以安全工作在反向擊穿狀態下的。其管子兩端電壓基本保持不變,起到了穩壓的作用。
主要參數:
⑴最大工作電流
是指穩壓二極體長時間工作時,允許通過的最大反向電流值。在使用穩壓二極體時,其工作電流不能超過這個數值,否則,可能會把穩壓管燒壞。為了確保全全,在電流中必須採取限流措施,使通過穩壓管的電流不超過允許值。
⑵穩定電壓
穩壓二極體在起穩定作用的範圍內,其兩端的反向電壓值,稱為穩定電壓。不同型號的穩壓二極體,穩定電壓是不同的。
⑶動態電阻
穩壓二極體在直流電壓的基礎上,再加上一個增量電壓,穩壓二極體就會有一個增量電流。增量電壓於增量電流的比值,就是穩壓管的動態電阻。動態電阻反映了穩壓二極體的穩壓特性,其值越小,穩壓管性能越好。
11、發光二極體
發光二極體的內部結構為一個PN結,而且具有電晶體的通性,即單嚮導電性。當發光二極體的PN結上加上正向電壓時,由於外加電壓產生電場的方向與PN結內電場方向相反,使pn結勢壘(內總電場)減弱,則載流子的擴散作用占了優勢。於是P區的空穴很容易擴散到N區,N區的電子也很容易擴散到P區,相互注入的電子和空穴相遇後會產生複合。複合時產生的能量大部分以光的形式出現,會使二極體發光。
發光二極體採用砷化鎵、磷化鎵、鎵鋁砷等材料製成。不同材料製成的發光二極體,能發出不同顏色的光。有發綠色光的磷化鎵發光二極體;有發紅色光的磷砷化鎵發光二極體;有發紅外光的砷化鎵二極體;有雙向變色發光二極體(加正向電壓時發紅光,加反向電壓時發綠色光);還有三顏色變色發光二極體,等等。
發光二極體的外形有圓形的、方形的、三角形的、組合型等,封裝形式有透明和散射的;有無色和著色的等。著色散射型用D表示;白色散射性用W表示;無色透明型用C表示;著色透明型用T表示。封裝形式有:金屬陶瓷和全塑膠3種形式,並以陶瓷和全塑膠為主。
主要參數:
⑴最大工作電流
是指發光二極體長期正常工作時,所允許通過的最大電流。
⑵正向電壓
是指通過規定的正向電流時,發光二極體兩端產生的正向電壓。
⑶反向電流
是指發光二極體兩端加上規定的反向電壓時,管內的反向電流。
⑷發光強度
它表示發光二極體亮度大小的參數,其值為通過規定的電流時,在管芯垂直方向上單位面積所通過的光通量,單位是mcd。
⑸發光波長
是指發光二極體在一定工作條件下,所發出光的峰值(為發光強度最大一點)對應的波長,也稱峰值波長。
三、根據特性分類
二極體板堆1、一般用點接觸型二極體
這種二極體正如標題所說的那樣,通常被使用於檢波和整流電路中,是正向和反向特性既不特別好,也不特別壞的中間產品。如:SD34、SD46、1N34A等等屬於這一類。
2、高反向耐壓點接觸型二極體
是最大峰值反向電壓和最大直流反向電壓很高的產品。使用於高壓電路的檢波和整流。這種型號的二極體一般正向特性不太好或一般。在點接觸型鍺二極體中,有SD38、1N38A、OA81等等。這種鍺材料二極體,其耐壓受到限制。要求更高時有矽合金和擴散型。
3、高反向電阻點接觸型二極體
正向電壓特性和一般用二極體相同。雖然其反方向耐壓也是特別地高,但反向電流小,因此其特長是反向電阻高。使用於高輸入電阻的電路和高阻負荷電阻的電路中,就鍺材料高反向電阻型二極體而言,SD54、1N54A等等屬於這類二極體。
4、高傳導點接觸型二極體
它與高反向電阻型相反。其反向特性儘管很差,但使正向電阻變得足夠小。對高傳導點接觸型二極體而言,有SD56、1N56A等等。對高傳導鍵型二極體而言,能夠得到更優良的特性。這類二極體,在負荷電阻特別低的情況下,整流效率較高。
產品展示
| 肖特基二極體 | ![]() | 肖特基二極體是以其發明人肖特基博士(Schottky)命名的,SBD是肖特基勢壘二極體(SchottkyBarrierDiode,縮寫成SBD)的簡稱。SBD不是利用P型半導體與N型半導體接觸形成PN結原理製作的,而是利用金屬與半導體接觸形成的金屬-半導體結原理製作的。因此,SBD也稱為金屬-半導體(接觸)二極體或表面勢壘二極體,它是一種熱載流子二極體。 是近年來間世的低功耗、大電流、超高速半導體器件。其反向恢復時間極短(可以小到幾納秒),正嚮導通壓降僅0.4V左右,而整流電流卻可達到幾千安培。這些優良特性是快恢復二極體所無法比擬的。中、小功率肖特基整流二極體大多採用封裝形式。 |
| 發光二極體 | ![]() | 發光二極體簡稱為LED。由鎵(Ga)與砷(AS)、磷(P)的化合物製成的二極體,當電子與空穴複合時能輻射出可見光,因而可以用來製成發光二極體,在電路及儀器中作為指示燈,或者組成文字或數字顯示。磷砷化鎵二極體發紅光,磷化鎵二極體發綠光,碳化矽二極體發黃光。 它是半導體二極體的一種,可以把電能轉化成光能;常簡寫為LED。發光二極體與普通二極體一樣是由一個PN結組成,也具有單嚮導電性。當給發光二極體加上正向電壓後,從P區注入到N區的空穴和由N區注入到P區的電子,在PN結附近數微米內分別與N區的電子和P區的空穴複合,產生自發輻射的螢光。不同的半導體材料中電子和空穴所處的能量狀態不同。當電子和空穴複合時釋放出的能量多少不同,釋放出的能量越多,則發出的光的波長越短。常用的是發紅光、綠光或黃光的二極體。 |
| 穩壓二極體 | ![]() | 穩壓二極體是一個特殊的面接觸型的半導體矽二極體,其V-A特性曲線與普通二極體相似,但反向擊穿曲線比較陡~穩壓二極體工作於反向擊穿區,由於它在電路中與適當電陰配合後能起到穩定電壓的作用,故稱為穩壓管。穩壓管反向電壓在一定範圍內變化時,反向電流很小,當反向電壓增高到擊穿電壓時,反向電流突然猛增,穩壓管從而反向擊穿,此後,電流雖然在很大範圍內變化,但穩壓管兩端的電壓的變化卻相當小,利於這一特性,穩壓管訪問就在電路到起到穩壓的作用了。而且,穩壓管與其它普能二極體不同之反向擊穿是可逆性的,當去掉反向電壓穩壓管又恢復正常,但如果反向電流超過允許範圍,二極體將會發熱擊穿,所以,與其配合的電阻往往起到限流的作用。 |
| 光電二極體 | ![]() | 光電二極體和普通二極體一樣,也是由一個PN結組成的半導體器件,也具有單方嚮導電特性。但是,在電路中不是用它作整流元件,而是通過它把光信號轉換成電信號。那么,它是怎樣把光信號轉換成電信號的呢?大家知道,普通二極體在反向電壓作用在處於截止狀態,只能流過微弱的反向電流,光電二極體在設計和製作時儘量使PN結的面積相對較大,以便接收入射光。光電二極體是在反向電壓作用在工作的,沒有光照時,反向電流極其微弱,叫暗電流;有光照時,反向電流迅速增大到幾十微安,稱為光電流。光的強度越大,反向電流也越大。光的變化引起光電二極體電流變化,這就可以把光信號轉換成電信號,成為光電感測器件。 |
| 整流二極體 | ![]() | 一種將交流電能轉變為直流電能的半導體器件。通常它包含一個PN結,有陽極和陰極兩個端子。其結構如圖1所示。P區的載流子是空穴,N區的載流子是電子,在P區和N區間形成一定的位壘。外加使P區相對N區為正的電壓時,位壘降低,位壘兩側附近產生儲存載流子,能通過大電流,具有低的電壓降(典型值為0.7V),稱為正嚮導通狀態。若加相反的電壓,使位壘增加,可承受高的反向電壓,流過很小的反向電流(稱反向漏電流),稱為反向阻斷狀態。整流二極體具有明顯的單嚮導電性,其伏安特性和電路符號如圖2所示。整流二極體可用半導體鍺或矽等材料製造。矽整流二極體的擊穿電壓高,反向漏電流小,高溫性能良好。通常高壓大功率整流二極體都用高純單晶矽製造(摻雜較多時容易反向擊穿)。這種器件的結面積較大,能通過較大電流(可達上千安),但工作頻率不高,一般在幾十千赫以下。整流二極體主要用於各種低頻半波整流電路,如需達到全波整流需連成整流橋使用。 選用整流二極體時,主要應考慮其最大整流電流、最大反向工作電流、截止頻率及反向恢復時間等參數。 |
產品特性
晶體二極體示意圖1、正向特性
當加在二極體兩端的正向電壓(P為正、N為負)很小時(鍺管小於0.1伏,矽管小於0.5伏),管子不導通,處於“截止”狀態,當正向電壓超過一定數值後,管子才導通,電壓再稍微增大,電流急劇暗加(見曲線I段)。不同材料的二極體,起始電壓不同,矽管為0.5-.7伏左右,鍺管為0.1-0.3左右。
2、反向特性
二極體兩端加上反向電壓時,反向電流很小,當反向電壓逐漸增加時,反向電流基本保持不變,這時的電流稱為反向飽和電流(見曲線II段)。不同材料的二極體,反向電流大小不同,矽管約為1微安到幾十微安,鍺管則可高達數百微安,另外,反向電流受溫度變化的影響很大,鍺管的穩定性比矽管差。
3、擊穿特性
當反向電壓增加到某一數值時,反向電流急劇增大,這種現象稱為反向擊穿。這時的反向電壓稱為反向擊穿電壓,不同結構、工藝和材料製成的管子,其反向擊穿電壓值差異很大,可由1伏到幾百伏,甚至高達數千伏。
4、頻率特性
由於結電容的存在,當頻率高到某一程度時,容抗小到使PN結短路。導致二極體失去單嚮導電性,不能工作,PN結面積越大,結電容也越大,越不能在高頻情況下工作。
產品作用
晶體二極體的原理示意圖極管在電路中的套用是必不可少的,無論是做整流電路還是鉗位作用還是其他的一些作用,都會用到它。
二極體可分為發光二極體(LED),整流二極體,穩壓二極體,開關二極體等等,這裡只介紹前面說的幾種。
發光二極體,一般作為指示燈用,例如電腦的硬碟燈一閃一閃的表示你的硬碟正在工作(如果不閃,則很可能是你的機器忙不過來或者是處在待機狀態),還有就是一些隨身聽上的指示燈,以及充電器的指示燈。發光二極體相對其他二極體正嚮導通電壓較大,一般在1.6V到1.8V間。二其他二極體一般在0.2-0.3V(鍺管),0.6-0.8V(矽管)。
整流二極體,也是很常見的,利用的是二極體的單嚮導通特性,從而可以將負極性電信號濾掉---半波整流,也可以進行其它的整流----例如全波整流。
二極體還具有穩壓作用,這是因為二極體反向接通時,在二極體被擊穿的情況下,其電流將瞬間增大,這樣在外電壓增大時,由於二極體被擊穿後增加的電流會通過二極體而不會經過與二極體並聯的負載上,從而可以保護與其並聯的器件。常見的有保護場效應管,即在場效應管柵極反向並接一個二極體。二極體擊穿電壓一般在4V-7V.
鉗位作用:鉗位作用就是利用二極體的正嚮導通電壓在導通後維持在0.2-0.4V(鍺管),0.6-0.8V(矽管),從而使與其連線的器件兩端電壓維持在一個範圍內,最簡單就是三極體的BE結電壓在導通時可保持在鉗位電壓,這點常用於三極體的靜態分析。一般無特別說明矽管取0.7V,鍺管取0.3V。
開關二極體常見型號有1N4148,1N4150,1N4448,利用的是二極體的高速轉換特性。
其它二極體還有肖特基二極體,隧道二極體,雙向出發二極體,微功耗基準電壓二極體等,由於其製作工藝不同而具有不同的功能。
主要參數
晶體二極體晶體二極體一般可用到十萬小時以上。但是如果使用不合理,他就不能充分發揮作用,甚至很快地被損壞。要合理地使用二極體,必須掌握他的主要參數,因為參數是反應質量和特性的。
最高工作頻率fM(MC)----二極體能承受的最高頻率。通過PN結交流電頻率高於此值,二極體接不能正常工作。
最高反向工作電壓VRM(V)----二極體長期正常工作時,所允許的最高反壓。若越過此值,PN結就有被擊穿的可能,對於交流電來說,最高反向工作電壓也就是二極體的最高工作電壓。
最大整流電流IOM(mA)----二極體能長期正常工作時的最大正向電流。因為電流通過二極體時就要發熱,如果正向電流越過此值,二極體就會有燒壞的危險。所以用二極體整流時,流過二極體的正向電流(既輸出直流)不允許超過最大整流電流。
1、普通二極體的主要參數:
(1)最大整流電流ICM,二極體長時間使用時,允許通過PN結的最大正向電流。
(2)最高反向工作電壓URM,二極體正常工作時所能承受的最高反向電壓值。
(3)最大反向電流IRM,是指在最高反向工作電壓下所允許流過的反向電流。
(4)最高工作頻率,是指保證二極體正常工作的最高頻率。
二極體(1)穩定電壓UZ,是指穩壓管在正常駐機構作條件下,管子兩端的電壓。
(2)穩定電流IZ和最大穩定電流IZ(max),穩壓管工作在穩定電壓UZ時的工作電流稱穩定電流IZ,管子穩定工作時,不得超過的電流稱最大穩定電流IZ(max)。
(3)電壓溫度係數,是指穩壓管受溫度變化影響的係數。穩壓值高於6伏的穩壓管具有正溫度係數,即穩壓值隨溫度升高略有上升;穩壓值低於6伏的穩壓管具有負溫度係數,即穩壓值隨溫度升高略有下降;而穩壓值為6伏左右的穩壓管的溫度係數基本為零。
3、晶體二極體的主要參數:
1:電阻
⑴直流電阻
在晶體二極體上加上一定的直流電壓V,就有一對那個的直流電流I,直流電壓V與直流電流I的比值,就是晶體二極體的等效直流電流。
⑵動態電流
在晶體二極體上加一定的直流電壓V的基礎上,再加上一個增量電壓,則晶體二極體也有一個增量電流△I。增量電壓△V與增量電流△I的比值,就是晶體二極體的動態電阻,即動態電阻為晶體二極體兩端電壓變化與電流變化的比值。
二極體的正向直流電阻和動態電阻都是隨工作點的不同而發生變化的。普通晶體二極體反響運動時,其直流電阻和動態電阻都很大,通常可以儘是為無窮大。
2:額定電流
晶體二極體的額定電流是指晶體二極體長時間連續工作時,允許通過的最大正向平均電流。在二極體連續工作時,為使PN結的溫度不超過某一極限值,整流電流不應超過標準規定的允許值。
例如:2AP1的額定電流為12mA;2AP5為16mA;2AP9為5mA。對於大功率晶體二極體,為了降低它的溫度,增大電流,必須加裝散熱片。
3:反向擊穿電壓
反向擊穿電壓是指二極體在工作中能承受的最大反向電壓,它也是使二極體不致反響擊穿的電壓極限值。在一般情況下,最大反向工作電壓應小於反向擊穿電壓。選用晶體二極體時,還要以最大反向工作電壓為準,並留有適當餘地,以保證二極體不致損壞。
例如:2AP21型二極體的反向擊穿電壓為15V最大反向工作電壓小於10V;2AP26的反向擊穿電壓為150V,最大反向工作電流小於100V。
4:最高工作頻率
最高工作頻率是指晶體二極體能正常工作的最高頻率。選用二極體時,必須使它的工作頻率低於最高工作頻率。
例如:2AP8BD最高工作頻率為150MHz;2CZ12的最高工作頻率為3kHz;2AP16的最高工作頻率為40MHz。
識別方法
晶體二極體1:晶體二極體的識別方法及其作用
晶體二極體在電路中常用“D”加數字表示,如:D5表示編號為5的二極體。
1、作用:二極體的主要特性是單嚮導電性,也就是在正向電壓的作用下,導通電阻很小;而在反向電壓作用下導通電阻極大或無窮大。正因為二極體具有上述特性,無繩電話機中常把它用在整流、隔離、穩壓、極性保護、編碼控制、調頻調製和靜噪等電路中。
電話機里使用的晶體二極體按作用可分為:整流二極體(如1N4004)、隔離二極體(如1N4148)、肖特基二極體(如BAT85)、發光二極體、穩壓二極體等。
2、識別方法:二極體的識別很簡單,小功率二極體的N極(負極),在二極體外表大多採用一種色圈標出來,有些二極體也用二極體專用符號來表示P極(正極)或N極(負極),也有採用符號標誌為“P”、“N”來確定二極體極性的。發光二極體的正負極可從引腳長短來識別,長腳為正,短腳為負。
3、測試注意事項:用數字式萬用表去測二極體時,紅表筆接二極體的正極,黑表筆接二極體的負極,此時測得的阻值才是二極體的正嚮導通阻值,這與指針式萬用表的表筆接法剛好相反。
4、常用的1N4000系列二極體耐壓比較如下:
| 號 | 1N4001 | 1N4002 | 1N4003 | 1N4004 | 1N4005 | 1N4006 | 1N4007 |
| 耐壓(V) | 50 | 100 | 200 | 400 | 600 | 800 | 1000 |
檢測
伏安特性曲線1、二極體的檢查項目:
二極體的檢查項目主要有:包裝、標示、數量、尺寸、絲印、部件本體等外觀檢查項,功能檢查有:二極體的極性(即二極體的單嚮導通性)、正嚮導通電壓、反向擊穿電壓(穩壓管穩壓值)、特性曲線等(後三項在條件允許或要求的時候才檢測)。
2、二極體檢查中的常見不良項:
二極體來料檢查中的常見不良項主要有:包裝變形、破損;標示不清或無標示、錯漏;多數、少數;尺寸與規格不符;二極體本體破損;引腳松、斷、氧化;極性標示不明確、極性反;擊穿短路、內部開路;發光管不發光、暗;穩壓管穩壓值偏高、偏低;
測試注意事項:用數字式萬用表去測二極體時,紅表筆接二極體的正極,黑表筆接二極體的負極,此時測得的阻值才是二極體的正嚮導通阻值,這與指針式萬用表的表筆接法剛好相反。
二極體電路圖兩次測量中可能發現如下幾種情況:
①一次電阻接近於無窮大,而另一次電阻較小,則斷定二極體良好;
②兩次測量,電阻都為無窮大,則斷定二極體內斷路;
③兩次測量電阻都很小,則斷定二極體短路即被擊穿;
④兩次測量電阻都一樣,則斷定二極體失去單嚮導電作用;
⑤兩次測量電阻相差不太大,則斷定二極體的單嚮導電性差。
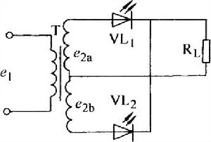
電路示意圖
![]() | ![]() |
![]() | ![]() |
主要套用
整流二極體利用二極體單嚮導電性,可以把方向交替變化的交流電變換成單一方向的脈動直流電。
2、開關元件
二極體在正向電壓作用下電阻很小,處於導通狀態,相當於一隻接通的開關;在反向電壓作用下,電阻很大,處於截止狀態,如同一隻斷開的開關。利用二極體的開關特性,可以組成各種邏輯電路。
3、限幅元件
二極體組裝整流電路圖4、繼流二極體
5、檢波二極體
在收音機中起檢波作用。
6、變容二極體
使用於電視機的高頻頭中。
選用思路
晶體二極體二極體的種類繁多,同一種類的二極體又有不同型號或不同系列。在電子電路中作檢波用,就要選用檢波二極體,並且要注意不同型號的管子的參數和特性差異。在電路中作整流用,就要選用整流二極體,並且要注意功率的大小,電路的工作頻率和工作電壓。在電路中作電子調諧用,可選用變容二極體和開關二極體。選用變容二極體要特別注意零偏壓結電容和電容變化範圍等參數,並且根據不同的頻率覆蓋範圍,選用不同特性的變容二極體出在電子調諧電路中選用開關管時,只要最高反向工作電壓高於電子調諧器的開關電壓,最大平均整流電流大於工作電流就可以;而對反向恢復時間要求並不嚴格。電源穩壓等穩壓電路就要選用穩壓管,並注意穩壓值的選用。另外,在一些特殊電路中,還要選用發光二極體。光電二極體、磁敏二極體等等。
發光二極體整流電路圖在選用穩壓管時,除了要注意穩定電壓、最大工作電流等參數外,還要注意選用動態電阻較小的穩壓管,因動態電阻越小,穩壓管性能越好。例如,2CW53型穩壓管的動態電阻Rz≤50mΩ;2CW55型管的Rz≤10mΩ。在選用開關二極體時,開關時間很重要,這主要由反向恢復時間這個參數決定。選用時,要注意此參數的對比,選用更符合要求的開關二極體。比如2CK19型開關二極體的反向恢復時間小於5nS;CAK6型管的反向恢復時間為150nS。
在選用二極體的各項主要參數時,除了從有關的資料和《電晶體手冊》查出相應的參數值滿足電路要求後,還最好用萬用表及其他儀器複測一次,使選用的二極體參數符合要求,並留有一定的餘量。
第三,根據電路的要求和電子設備的尺寸,選好二極體的外形、尺寸大小和封裝形式。
二極體的外形、大小及封裝形式多種多樣,外形有圓形的、方形的、片狀的、小型的。超小型的、有大中型的;封裝形式有全塑封裝、金屬外殼封裝等。在選擇時,可根據性能要求和使用條件(包括整機的尺寸)選用符合條件的二極體。
選用方法
晶體二極體檢波二極體在電子電路中用來把調製在高頻電磁波上的低頻信號(如音頻信號)檢出來。一般高頻檢波電路選用鍺點接觸型檢波二極體。它的結電容小,反向電流小,工作頻率高。選用檢波二極體時,要選擇工作頻率滿足要求,結電容小,反向電流小的二極體均可,但主要考慮的是工作頻率。按頻率的要求選用,2AP1型~2AP8型(包括2AP8A、2AP8B型)適用於150MHz以下;2AP9、2AP10型適用於100MHz以下;2AP31A型適用於400MHz以下;2AP32型適用於2000MHz以下等。電晶體收音機的檢波電路可選用2AP9、2AP10型管,它的工作頻率可達100MHz、結電容小於1pF,適合作小信號檢波。
檢波二極體有正負極性區分,一般在二極體的殼體上印有二極體符號,表示檢波二極體引線的正極和負極。標誌不清的可以看二極體外形,端頭較小且有一圈凹痕的一端,裝有晶片、一是負極。也可以用指針式萬用表的R×1k檔測量檢波二極體的直流電阻。當歐姆表指示為數百歐時,是二極體的正向電阻,這時萬用表的黑表筆接觸的一端就是二極體的正極;如果測量的檢波二極體的電阻很大(在數百千歐以上),則是二極體的反向電阻,萬用表的黑表筆接觸的一端是二極體的負極。檢波二極體的正向電阻在200Ω~900Ω較好;而它的反向電阻則是越大越好。
在收音機、錄音機的檢波電路中,可選用2AP9、2AP1O等型號的二極體。自動音量控制電路中也可選用上述檢波二極體。當然在急需的條件下,損壞了一個PN結的高頻晶體三極體也可用作檢波二極體。
(2)穩壓二極體的選用
穩壓二極體是工作在反向擊穿狀態下的,使管子兩端電壓基本不變的一種特殊二極體。選用穩壓管時,要根據具體電子電路來考慮,簡單的並聯穩壓電源,輸出電壓就是穩壓管的穩定電壓。電晶體收音機的穩壓電源可選用2CW54型的穩壓管,其穩定電壓達6.5V即可。
穩壓管的穩壓值離散性很大,即使同一廠家同一型號產品其穩定電壓值也不完全一樣,這一點在選用時應加注意。對要求較高的電路選用前對穩壓值應進行檢測。
使用穩壓管時應注意,二極體的反向電流不能無限增大,否則會導致二極體的過熱損壞。因此,穩壓管在電路中一般需串聯限流電阻。在選用穩壓管時,如需要穩壓值較大的管子,維修現場又沒有,可用幾隻穩壓值低的管子串聯使用;當需要穩壓值較低的管子時而又買不到,可以用普通矽二極體正嚮導通代替穩壓管用。比如用兩隻2CZ82A矽二極體串聯,可當作一個1.4V的穩壓管使用;但穩壓管一般不得並聯使用。
晶體二極體在收錄機、彩色電視機的穩壓電路中,可以選用1N4370型、1N746-1N986型系列穩壓二極體。比如1N966型管(2CW8)的穩定電壓為16V,動態電阻為17Ω,電壓溫度係數為0.09。1N975型(2CW71)穩定電壓力39V,動態電阻為80Ω,反向測試電流為3.0mA,反向漏電流為5uA,功耗為500mw。
在電氣設備和其他無線電電子設備的穩壓電路中可選用矽穩壓二極體,如2CW100-2CW121系列型穩壓管。
(3)整流二極體的選用
在整流電路中,要選用整流二極體。選用前要先了解整流電路的輸入電壓、輸出電流。整流電路的形式及各項參數值等。然後根據電路的具體要求選用合適的整流二極體。在串聯型電源電路中可選用一般的整流二極體。只要有足夠大的整流電流和反向工作電壓就可以選用。在低壓整流電路中,所選用的整流二極體的正向電壓應儘量小。在選用彩色電視機行掃描電路中整流二極體時,除了考慮最高反向電壓、最大整流電流、最大功耗等參數外,還要重點考慮二極體的開關時間,不能用普通整流二極體。一般可選用FR-200、FR-206以及FR300-307系列整流管,它們的開關時間小於0.85uS。在電視機的穩壓電源中,一般為開關型穩壓電源,應選用反向恢復時間短的快速恢復整流二極體。可選用PFR150-157系列,其反向恢復時間為0.85uS。在收音機、收錄機的電源部分用於整流的二極體,可選用矽塑封的普通整流二極體,比如2CE系列,1N4000系列,1N5200系列。1N4001型(2CZ85B)整流二極體的額定正向整流電流為1A。
(4)變容二極體的選用
變容二極體選用變容二極體時,要注意結電容和電容變化範圍。使用變容二極體時,要避免變容二極體的直流控制電壓與振盪電路直流供電系統之間的相互影響;通常採用電感或大電阻來作兩者的隔離。另外,變容二極體的工作點要選擇合適,即直流反偏壓要選適當。一般要選用相對容量變化大的反向偏壓小的變容二極體。
下面為幾種變容二極體的選用參考參數:
1S2268型管:反向電壓:25V
電容變化範圍:3.5pF-6.0pF
品質因素Q值:200(50MHz)
2CC1型管:反向電壓:25V
電容變化範圍:3.6pF-6.5pF
Q值:250(50MHz)
MV201型管:反向電壓:23V
電容變化範圍:9.0pF-14pF
Q值:160(50MHz)。
(5)開關二極體的選用
開關二極體在收錄機、電視機及其他電子設備的開關電路中(包括檢波電路),常選用2CK、2AK系列小功率開關二極體。2CK系列為矽平面開關二極體,(如2CK70-2CK71型)常用於高速開關電路;2AK系列為點接觸鍺開關二極體,常用於中速開關電路。新生產的整機配套用開關二極體也有用同外標準(同外型號)的開關二極體,比如1N4148、1N4151、1N4152等。在彩色電視機的高速開關電路中,可選用這類開關二極體。在錄像機、彩色電視機的電子調諧器等開關電路中,可選用MA165、MA166、MA167型高速開關二極體。
(6)發光二極體的選用
發光二極體符號選用發光二極體時,可先用萬用表的R×1k檔(最好用通斷器串一個100Ω電阻來測)測其正反向電阻和發光管發光情況。發光二極體的正向電阻一般應小於50Ω-80Ω;反向電阻應大於400kΩ。在測正向電阻時,發光二極體本身應發光,如果測正、反向電阻時(兩次測試)發光二極體都不亮,說明該二極體已損壞,不能選用;如果測得正、反向電阻均為零,說明發光管內部擊穿短路;如果正、反向電阻均為無窮大,說明發光二極體內部開路、另外,還可用兩隻同型號的萬用表,把兩表的一隻紅表筆和一隻黑表筆串聯起來使用(以提供較高的正向電壓),將萬用表均撥到R×10檔,測量發光管能否正常發光。
使用發光二極體時,第一,要注意判別正負極性。對全塑封的發光管電極引線較長的是正極,較短的是負極;對有金屬管座的發光管(上面罩一光學透鏡)。管側有一突起,靠近突起的是正極。第二,使用調整發光二極體工作點時,不要只注意其電壓值,主要使它的工作電流不能超過規定值。第三,大功率的砷化鎵發光二極體因工作電流較大。管子易發熱,使用時注意加散熱片。第四,發光二極體的管帽大多用透明樹脂封裝,使用時不要沾上污物,不要磨損劃傷。
紅外發光二極體可選用作光電控制電路的光源;另外還可把小功率的紅外發光管和矽光電二極體組裝在一起,製成光電開關器件,在自動控制電路中做隔離式開關用。
使用變色和三色發光二極體時,第一要注意管腳排列,並要串接限流電阻,確保發光管通過規定電流。第二,焊接時,要注意散熱,焊接時間不要過長。第三,注意保護管殼、管帽光潔,確保透光性好。第四,變色發光二極體的使用環境溫度在 85℃以下,溫度越低管子的發光亮度越高,在低溫時,發光性能非常好。第五,使用時,注意管腳的正、負極,如將管子接反了,發光管就不能發光。
注意事項
二極體用於整流電路的二極體,最重要的參數是最高反向工作電壓和最大工作電流容量。例如,在電壓為50V的電路中,使用最高反向工作電壓為30V的二極體,或在電流為500mA左右的電路中使用最大工作電流為100mA的二極體,通電後二極體會立即燒毀。一般根據電路要求,選電壓\電流容量為二倍以上容量的二極體即可。對於小功率整流二極體,通常宜選用面接觸型二極體,如2CP1~2CP6,2CP10~2CP20,2CP1A~2CP1H等型號。
(二)用於檢波電路的二極體
雖然檢波和整流的原理基本是一樣的,但檢波二極體的作用是從被調製波中取出信號成分(包絡線),工作在高頻狀態下。因此,選用管子時主要考慮工作頻率要高,反向電流要小,這樣的管子檢波效率高。
(三)正確安裝二極體,防止虛焊
一般小功率二極體的安裝方式有兩種。一種是立式安裝,另一種是臥式安裝,可視電路板空間大小來選擇。在彎折管腳時要格外注意正確操作。一定不要採用直角彎折,而要彎成一定的弧度,且用力要均勻,防止將管子的玻璃封裝殼體撬碎,造成管子報廢。
(四)正確焊接二極體,防止虛焊
小功率二極體的管腳並不是純銅材料製成的,焊接時一定要注意防止虛焊。特別是經過長時間存放的二極體,其管腳氧化發黑,必須先用刀子刮乾淨,並預先吃錫,爾後再往電路板上焊,以確保焊接質量。










