基本介紹
光電開關多數光電開關選用的是波長接近可見光的紅外線光波型。光電開關的重要功能是能夠處理光的強度變化:利用光學元件,在傳播媒介中間使光束髮生變化;利用光束來反射物體;使光束髮射經過長距離後瞬間返回。
基本特點
光電開關工作示意圖(1)具有自診斷穩定工作區指示功能,可及時告知工作狀態是否可靠;
(2)對射式、反射式、鏡面反射式光電開關都有防止相互干擾功能,安裝方便;
(3)對ES外同步(外診斷)控制端的進行設定可在運行前預檢光電開關是否正常工作。並可隨時接受計算機或可程式控制器的中斷或檢測指令,外診斷與自診斷的適當組合可使光電開關智慧型化;
(4)回響速度快,高速光電開關的回響速度可達到0.1ms,每分鐘可進行30萬次檢測操作,能檢出高速移動的微小物體;
(5)採用專用積體電路和先進的SMT表面安裝工藝,具有很高的可靠性;
(6)體積小(最小僅20×31×12mm)、重量輕,安裝調試簡單,並具有短路保護功能。
套用領域
光電開關套用舉例:從圖6可以看出光電開關的各種套用。其中,圖6(a)為光電開關用於對材料的定位剪下控制;圖6(b)為用光電開關來控制液面位的上下限值,當液面位高於或低於上下極限液面位時,光電開關控制電路可使閾門打開或關閉,使液面位的高度保持在上下限之間;圖6(c)為利用物體對光的遮擋作用,檢測物體的通過個數,或物體是否存在;圖6(d)為利用光的直線傳播性,檢驗產品是否等高排列;圖6(e)為將光電開關用在流水生產線上,來檢測產品的個數;圖6(f)為用光電開關檢測液面位的高低。
品牌主要有:法國施耐德、日本歐姆龍、德國西門子、台灣明緯、以及國內正泰、德力西、梅蘭日蘭、人民、華通、天正、環宇等品牌產品。
工作原理
光電開關光電開關是由發射器、接收器和檢測電路三部分組成。發射器對準目標發射光束,發射的光束一般來源於半導體光源,發光二極體(LED)、雷射二極體及紅外發射二極體。光束不間斷地發射,或者改變脈衝寬度。受脈衝調製的光束輻射強度在發射中經過多次選擇,朝著目標不間接地運行。接收器有光電二極體或光電三極體、光電池組成。在接收器的前面,裝有光學元件如透鏡和光圈等。在其後面的是檢測電路,它能濾出有效信號和套用該信號。此外,光電開關的結構元件中還有發射板和光導纖維。三角反射板是結構牢固的發射裝置。它由很小的三角錐體反射材料組成,能夠使光束準確地從反射板中返回,具有實用意義。它可以在與光軸0到25的範圍改變發射角,使光束幾乎是從一根發射線,經過反射後,還是從這根反射線返回。
光電開關一般都具有良好的回差特性,因而即使被檢測物在小範圍內晃動也不會影響驅動器的輸出狀態,從而可使其保持在穩定工作區。同時,自診斷系統還可以顯示受光狀態和穩定工作區,以隨時監視光電開關的工作。
基本工作特性(以光敏三極體為例)1、共模抑制比很高在光電耦合器內部,由於發光管和受光器之間的耦合電容很小(2pF以內)所以共模輸入電壓通過極間耦
合電容對輸出電流的影響很小,因而共模抑制比很高。2、輸出特性光電耦合器的輸出特性是指在一定的發光電流IF下,光敏管所加偏置電壓VCE與輸出電
流IC之間的關係,當IF=0時,發光二極體不發光,此時的光敏電晶體集電極輸出電流稱為暗電流,一般很小。當IF>0時,在一定的IF作用下,所
對應的IC基本上與VCE無關。IC與IF之間的變化成線性關係,用半導體管特性圖示儀測出的光電耦合器的輸出特性與普通晶體三極體輸出特性相似。3、
光電耦合器可作為線性耦合器使用。在發光二極體上提供一個偏置電流,再把信號電壓通過電阻耦合到發光二極體上,這樣光電電晶體接收到的是在偏置電流上增、
減變化的光信號,其輸出電流將隨輸入的信號電壓作線性變化。光電耦合器也可工作於開關狀態,傳輸脈沖信號。在傳輸脈衝信號時,輸入信號和輸出信號之間存在
一定的延遲時間,不同結構的光電耦合器輸入、輸出延遲時間相差很大。光電耦合器是以光為媒介傳輸電信號的一種電一光一電轉換器件。它由發光源和受光器兩部分組成。把發光源和受光器組裝在同一密閉的殼體內,彼此間用透明絕緣體隔離。發光源的引腳為輸入端,受光器的引腳為輸出端,常見的發光源為發光二極體,受光器為光敏二極體、光敏三極體等等。光電耦合器的種類較多,常見有光電二極體型、光電三極體型、光敏電阻型、光控晶閘管型、光電達林頓型、積體電路型等。如下圖1(外形有金屬圓殼封裝,塑封雙列直插等)。工作原理在光電耦合器輸入端加電信號使發光源發光,光的強度取決於激勵電流的大小,此光照射到封裝在一起的受光器上後,因光電效應而產生了光電流,由受光器輸出端引出,這樣就實現了電一光一電的轉換。
常用材料的反射率表
| 材料 | 反射率 | 材料 | 反射率 |
| 白畫紙 | 90% | 潔淨松木 | 70% |
| 不透明黑色塑膠 | 14% | 光澤淺色金屬表面 | 150% |
| 報紙 | 55% | 乾淨粗木板 | 20% |
| 黑色橡膠 | 4% | 不鏽鋼 | 200% |
| 餐巾紙 | 47% | 透明塑膠杯 | 40% |
| 黑色布料 | 3% | 木塞 | 35% |
| 包裝箱硬紙板 | 68% | 半透明塑膠瓶 | 62% |
| 未拋光白色金屬表面 | 130% | 啤酒泡沫 | 70% |
| 不透明白色塑膠 | 87% | 人的手掌心 | 75% |
原理示意圖
![]() | ![]() |
![]() | ![]() |
具體分類
按檢測方式分
常用光電開關的分類方法:按檢測方式可分為反射式、對射式和鏡面反射式三種類型。對射式檢測距離遠,可檢測半透明物體的密度(透光度)。反射式的工作距離被限定在光束的交點附近,以避免背景影響。鏡面反射式的反射距離較遠,適宜作遠距離檢測,也可檢測透明或半透明物體。
按結構分類
光電開關按結構可分為放大器分離型、放大器內藏型和電源內藏型三類。
放大器分離型是將放大器與感測器分離,並採用專用積體電路和混合安裝工藝製成,由於感測器具有超小型和多品種的特點,而放大器的功能較多。因此,該類型採用端子台連線方式,並可交、直流電源通用。具有接通和斷開延時功能,可設定亮、音動切換開關,能控制6種輸出狀態,兼有接點和電平兩種輸出方式。
放大器內藏型是將放大器與感測一體化,採用專用積體電路和表面安裝工藝製成,使用直流電源工作。其回響速度局面(有0.1ms和1ms兩種),能檢測狹小和高速運動的物體。改變電源極性可轉換亮、暗動,並可設定自診斷穩定工作區指示燈。兼有電壓和電流兩種輸出方式,能防止相互干擾,在系統安裝中十分方便。
電源內藏型是將放大器、感測器與電源裝置一體化,採用專用積體電路和表面安裝工藝製成。它一般使用交流電源,適用於在生產現場取代接觸式行程開關,可直接用於強電控制電路。也可自行設定自診斷穩定工作區指示燈,輸出備有SSR固態繼電器或繼電器常開、常閉接點,可防止相互干擾,並可緊密安裝在系統中。
主要類型
光電感測器的工作方式分類:光電開關可分為對射型;漫反射型;鏡面反射型;槽式光電開關;光纖式光電開關。
一.對射型光電開關:由發射器和接收器組成,結構上是兩者相互分離的,在光束被中斷的情況下會產生一個開關信號變化,典型的方式是位於同一軸線上的光電開關可以相互分開達50米。
特徵:辨別不透明的反光物體;有效距離大,因為光束跨越感應距離的時間僅一次;不易受干擾,可以可靠合適的使用在野外或者有灰塵的環境中;裝置的消耗高,兩個單元都必須敷設電纜。
二.漫反射型光電開關:是當開關發射光束時,目標產生漫反射,發射器和接收器構成單個的標準部件,當有足夠的組合光返回接收器時,開關狀態發生變化,作用距離的典型值一直到3米。
特徵:有效作用距離是由目標的反射能力決定,由目標表面性質和和顏色決定;較小的裝配開支,當開關由單個元件組成時,通常是可以達到粗定位;採用背景抑制功能調節測量距離;對目標上的灰塵敏感和對目標變化了的反射性能敏感。
光電開關四.槽式光電開關:槽式光電開關通常是標準的U字型結構,其發射器和接收器分別位於U型槽的兩邊,並形成一光軸,當被檢測物體經過U型槽且阻斷光軸時,光電開關就產生了檢測到的開關量信號。槽式光電開關比較安全可靠的適合檢測高速變化,分辨透明與半透明物體。
五.光纖式光電開關:光纖式光電開關採用塑膠或玻璃光纖感測器來引導光線,以實現被檢測物體不在相近區域的檢測。通常光纖感測器分為對射式和漫反射式。
術語解釋
直射式光電轉速感測器的結構圖1.檢測距離:是指檢測體按一定方式移動,當開關動作時測得的基準位置(光電開關的感應表面)到檢測面的空間距離。額定動作距離指接近開關動作距離的標稱值。對射式和鏡面反射式光電開關的檢出距離是指光軸上無有效遮擋物野戰,可穩定檢出的最大距離。反射式光電開關的檢出距離則是可穩定檢出標準檢測物的最大距離。
2.回差距離:動作距離與復位距離之間的絕對值。 回差距離指動作距離與復位距離之差。它用檢出距離的比率來表示,一般在檢出距離的20%以下。
3. 回響時間:把從受光器初始有效受光到輸出動作所需的時間稱作回響時間。把從受光器初始有效遮光到輸出復位所需的時間稱為復位套用時間。
4.暗動(DARK ON):即遮光動作。它表示在進入受光器的光速減少到一定程式時或被全遮時,輸出電晶體將導通輸出。
5.亮動(LIGHT ON):也稱受光動作。它是指進入受光器的光束增加到一定量時,輸出電晶體導通且有輸出。
6.外同步輸入功能:在一般情況下,凡具有外部診斷輸入功能的光電開關,一般均具有外同步功能。也就是說,用接點或電晶體導通等方法使圖2中的藍線與黑線短接(ON)可隨時停止投光。可以據此在工作前預檢感測器檢測是否正常。在工作中,利用此性質也可隨時接受控制系統發出的運行或中斷指令。如果將前一個輸出與後一個外同步輸入進行串接,則可實現與門等功能。
7.回響頻率:在規定的1s的時間間隔內,允許光電開關動作循環的次數。
8.輸出狀態:分常開和常閉。當無檢測物體時,常開型的光電開關所接通的負載由於光電開關內部的輸出電晶體的截止而不工作,當檢測到物體時,電晶體導通,負載得電工作。
9.檢測方式:根據光電開關在檢測物體時發射器所發出的光線被折回到接收器的途徑的不同,可分為漫反射式、鏡反射式、對射式等。
10.輸出形式:分NPN二線、NPN三線、NPN四線、PNP二線、PNP三線、PNP四線、AC二線、AC五線(自帶繼電器),及直流NPN/PNP/常開/常閉多功能等幾種常用的輸出形式。
11.表面反射率:漫反射式光電開關發出的光線需要經檢測物表面才能反射回漫反射開關的接受器,所以檢測距離和被檢測物體的表面反射率將決定接受器接收到光線的強度。粗糙的表面反射回的光線強度必將小於光滑表面反射回的強度,而且,被檢測物體的表面必須垂直於光電開關的發射光線。
12.環境特性:光電開關套用的環境亦會影響其長期工作可用性。當光電開關工作於最大檢測距離狀態時,由於光學透鏡會被環境中的污物粘住,甚至會被一些強酸性物質腐蝕,以至其使用參數和可用性降低。較簡便的解決方法就是根據光電開關的最大檢測距離(Sn)降額使用來確定最佳工作距離。
PNP與NPN輸出的區別
PNP的導通壓降小但反向耐壓低NPN相反;
1.如果輸入一個高電平,而輸出需要一個低電平時,首選擇npn。
2.如果輸入一個低電平,而輸出需要一個低電平時,首選擇pnp。
3.如果輸入一個低電平,而輸出需要一個高電平時,首選擇npn。
4.如果輸入一個高電平,而輸出需要一個高電平時,首選擇pnp。
npn基極高電壓,極電極與發射極短路.低電壓,極電極與發射極開路.也就是不工作。
pnp基極高電壓.極電極與發射極開路,也就是不工作。如果基極加低電位,集電極與發射極短路。
輸出形式:分npn二線,npn三線,npn四線,pnp二線,pnp三線,pnp四線,AC二線,AC五線(自帶繼電器),及直流NPN/PNP/常開/常閉多功能等幾種常用的形式輸出
用萬用表的電阻擋測.他們的原理就是放大器的原理.
把萬用表打到電阻擋,用萬用表的2個表筆分別測,會發現電阻無窮大的2跟線,是電源線.那么剩下的一跟就是信號線了.
第2步.測量信號線和電源線的+級電阻小的是PNP型
和電源線負極,電阻小的是NPN型
這裡還有一個小技巧,就是在萬用表里的電源並不是在紅表筆上,而是在黑表筆上.建議最好使用數字萬用表.
怎樣才能用萬用表判斷直流電源的正負級?
太簡單了,採用數字萬用表,根據顯示正值時紅表筆接的是正極,負值時紅表筆接的是負極。
NPN和PNP型感測器的區別就是在與輸出的電平不同,NPN輸出低電平,PNP反之。
為什麼三菱PLC要選擇NPN型感測器?而西門子PLC要選擇PNP型感測器?
NPN型輸出管是NPN型,內部電路是發射極接電源負極,集電極為輸出端,所以負載一端要接電源正極,另一端接光電開關的輸出端。
PNP型輸出管是PNP型,內部電路是發射極接電源正極,集電極為輸出端,所以負載一端要接電源負極,另一端接光電開關的輸出端。
技術指標
光電開關相關比較
光電開關光控開關與光電開關的區別
1、首先可以確定光控開關不屬於光電開關。
2、光電開關是通過把光強度的變化轉換成電信號的變化來實現控制的。
它是利用被檢測物體對紅外光束(區分點)的遮光或反射,由同步迴路選通而檢測物體的有無,其物體不限於金屬,對所有能反射光線的物體均可檢測。光電開關在一般情況下,有三部分構成,它們分為:傳送器、接收器和檢測電路。
根據檢測方式的不同,紅外線光電開關可分為:
(1).漫反射式光電開關
(2).鏡反射式光電開關
(3).對射式光電開關
(4).槽式光電開關
(5).光纖式光電開關
3、光控開關,它的“開”和“關”是靠可控矽的導通和阻斷來實現的,而可控矽的導通和阻斷又是受自然光(區分點)的亮度(或人為亮度)的大小所控制的。該裝置適合作為街道、宿舍走廊或其它公共場所照明燈,起到日熄夜亮的控制作用,以節約用電。
4、光電開關套用的環境是影響其長期工作可靠性的重要條件。當光電開關工作於最大檢測距離狀態時,由於光學透鏡會被環境中的污物粘住,甚至會被一些強酸性物質腐蝕,以至降低使用參數特性。但光控開關不受“檢測距離”這一指標的影響。
光電開關和光電繼電器的區別
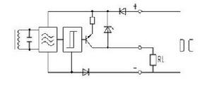
光電開關光電開關是由振盪迴路產生的調製脈衝經反射電路後,由發光管GL輻射出光脈衝。當被測物體進入受光器作用範圍時,被反射回來的光脈衝進入光敏三極體DU。並在接收電路中將光脈衝解調為電脈衝信號,再經放大器放大和同步選通整形,然後用數字積分或RC積分方式排除干擾,最後經延時(或不延時)觸發驅動器輸出光電開關控制信號。
光電開關一般都具有良好的回差特性,因而即使被檢測物在小範圍內晃動也不會影響驅動器的輸出狀態,從而可使其保持在穩定工作區。同時,自診斷系統還可以顯示受光狀態和穩定工作區,以隨時監視光電開關的工作。
光電繼電器的工作原理和特性。繼電器是一種電子控制器件,它具有控制系統(又稱輸入迴路)和被控制系統(又稱輸出迴路),通常套用於自動控制電路中,它實際上是用較小的電流去控制較大電流的一種“自動開關”。故在電路中起著自動調節、安全保護、轉換電路等作用。
光電耦合器與光電開關的區別
光電耦合器就是我們所說的光耦,它的原理是通過發光二極體照射三極體從而使得三極體導通和關短,通過調節二極體電壓大小調節發光強度,從而使流過三極體的電流變化,常常用光藕是來反饋用。
而光電開關原理類似,不過它只是用來當作開關用的,也就是發光就三極體開通就是,z這需要一個擋光的東西,但並不需要調節電流大小,一般用在一般控制上,不能精確錶針。
使用說明
塑膠或金屬外殼,有圓柱形、方形、叉型、玻璃或塑膠光纖等直射系統檢測距離長,最大100m,檢測不透明物體準確、可靠,抗惡劣條件好(灰塵、散射光導)反射系統檢測距離中等,最大15m,易於安裝,檢測不透明物體或非反射性透明物體;極性反射系統可以檢測反射物體漫射系統檢測距離短,最大2m,取決於物體的反射係數,安裝及設定簡單,可檢測透明、反射或半透明的物體,需要潔淨的環境帶背景抑制功能的漫射系統對背景物體不敏感,檢測距離與物體的顏色無關繼電器或固態輸出兩種方式,還有模擬量(4-20mA)輸出的專用系列產品可選擇的功能:時間延遲、分離放大器、靈敏度調節等三種接線方式:螺絲端子、插接件、電纜引線,最高防護等級為IP67Design18市場上最廣泛使用的標準,第一代Ø18且具備背景抑制功能。
步驟/方法
1、自身調節。繞線機光電開關在使用之初請先檢查開關本身是否完好,外觀是否完好等。
2、避開遮擋物時EL130光電開關使用時,對於一些貨物如帶色貨物、反射性較弱的貨物、小件間間隙較大的貨物、透明貨物或在陽光或鹵光照射環境下,光電開關就會有不起作用的現象,那是因為光線被乾憂了。
3、高度調節時碼盤上面另外一個ITR8402-A槽寬6mm的槽型光電開關感測不到貨物時,可適當修正光電開關方向,使其直射貨物中心;如不見效,可打開光電開關外殼調整感測距離,順時針方向調節靈敏度鏇鈕,順時針方向鏇轉,直至達到可靠感測到為止。
4、方向調節,光電開關感測到貨物或電機轉盤以外時,可逆時針調節靈敏度鏇鈕,逆時針方向向鏇轉,直至達到感測不到外物為止,再後是值得注意的地方是嚴禁帶電操作!注意安全!
注意事項
光電開關避免強光源:光電開關在環境照度較高時,一般都能穩定工作。但應迴避將感測器光軸正對太陽光、白熾燈等強光源。在不能改變感測器(受光器)光軸與強光源的角度時,可在感測器上方四周加裝遮光板或套上遮光長筒。
防止相互干擾:MGK系列新型光電開關通常都具有自動防止相互干擾的功能,因而不必擔心相互干擾。然而,hgk系列對射式紅外光電開關在幾組並列靠近安裝時,則應防止鄰組和相互干擾。防止這種干擾最有效的辦法是投光器和受光器交叉設定,超過2組時還拉開組距。當然,使用不同頻率的機種也是一種好辦法。HGK系列反射式光電開關防止相互干擾的有效辦法是拉開間隔。而且檢測距離越遠,間隔也應越大,具體間隔應根據調試情況來確定。當然,也可使用不同工作頻率的機種。
鏡面角度影響:當被測物體有光澤或遇到光滑金屬面時,一般反射率都很高,有近似鏡面的作用,這時應將投光器與檢測物體安裝成10~20°的夾角,以使其光軸不垂直於被檢測物體,從而防止誤動作。
排除背景物影響:使用反射式擴散型投、受光器時,有時由於檢出物離背景物較近,光電開關或者背景是光滑等反射率較高的物體而可能會使光電開關不能穩定檢測。因此可以改用距離限定型投、受光器,或者採用遠離背景物、拆除背景物、將背景物塗成無光黑色、或設法使背景物粗糙、灰暗等方法加以排除。
自診斷功能使用:在安裝或使用時,有時可能會由於台面或背景影響以及使用振動等原因而造成光軸的微小偏移、透鏡沾污、積塵、外部噪聲、環境溫度超出範圍等問題。這些問題有可能會使光電開關偏離穩定工作區,這時可以利用光電開關的自診斷功能而使其通過STABLITY綠色穩定指示燈發出通知,以提醒使用者及時對其進行調整。
消除台面影響:投光器與受光器在貼近台面安裝時,可能會出現台面反射的部分光束照到受光器而造成工作不穩定。需要使受光器與投光器離開台面一定距離並加裝遮光板。嚴禁用稀釋劑等化學物品,以免損壞塑膠鏡。
高壓線、動力線和光電感測器的配線不應放在同一配線管或用線槽內,否則會由於感應而造成(有時)光電開關的誤動作或損壞,所以原則上要分別單獨配線。
應儘量避開一般有可能造成光電開關的誤動作,下列場所:
(1)灰塵較多的場所;
(2)腐蝕性氣體較多的場所;
(3)水、油、化學品有可能直接飛濺的場所;
(4)戶外或太陽光等有強光直射而無遮光措施的場所。
(5)環境溫度變化超出產品規定範圍的場所;
(6)振動、衝擊大,而未採取避震措施的場所。
技術介紹






