基本釋義
什麼是三極體 (也稱電晶體)在中文含義裡面只是對三個引腳的放大器件的統稱,我們常說的三極體,可能是 如圖所示的幾種器件。
可以看到,雖然都叫三極體,其實在英文裡面的說法是千差萬別的,三極體這個辭彙其實也是中文特有的一個象形意義上的的辭彙。
電子三極體 Triode 這個是英漢字典裡面“三極體”這個辭彙的唯一英文翻譯,這是和電子三極體最早出現有關係的,所以先入為主,也是真正意義上的三極體這個詞最初所指的物品。其餘的那些被中文裡叫做三極體的東西,實際翻譯的時候是絕對不可以翻譯成Triode的,否則就麻煩大咯,嚴謹地說,在英文裡面根本就沒有三個腳的管子這樣一個辭彙!
電子三極體 Triode (俗稱電子管的一種)
雙極型電晶體 BJT (Bipolar Junction Transistor)
J型場效應管 Junction gate FET(Field Effect Transistor)
金屬氧化物半導體場效應電晶體 MOS FET ( Metal Oxide Semi-Conductor Field Effect Transistor)英文全稱
V型槽場效應管 VMOS (Vertical Metal Oxide Semiconductor )
註:這三者看上去都是場效應管,其實金屬氧化物半導體場效應電晶體 、V型槽溝道場效應管 是 單極(Unipolar)結構的,是和 雙極(Bipolar)是對應的,所以也可以統稱為單極電晶體(Unipolar Junction Transistor)
其中J型場效應管是非絕緣型場效應管,MOS FET 和VMOS都是絕緣型的場效應管
VMOS是在 MOS的基礎上改進的一種大電流,高放大倍數(跨道)新型功率電晶體,區別就是使用了V型槽,使MOS管的放大係數和工作電流大幅提升,但是同時也大幅增加了MOS的輸入電容,是MOS管的一種大功率改進型產品,但是結構上已經與傳統的MOS發生了巨大的差異。VMOS只有增強型的而沒有MOS所特有的耗盡型的MOS管
發展歷史
1947年12月23日,美國新澤西州墨累山的貝爾實驗室里,3位科學家——巴丁博士、布萊頓博士和肖克萊博士在緊張而又有條不紊地做著實驗。他們在導體電路中正在進行用半導體晶體把聲音信號放大的實驗。3位科學家驚奇地發現,在他們發明的器件中通過的一部分微量電流,竟然可以控制另一部分流過的大得多的電流,因而產生了放大效應。這個器件,就是在科技史上具有劃時代意義的成果——電晶體。因它是在聖誕節前夕發明的,而且對人們未來的生活發生如此巨大的影響,所以被稱為“獻給世界的聖誕節禮物”。這3位科學家因此共同榮獲了1956年諾貝爾物理學獎。
電晶體促進並帶來了“固態革命”,進而推動了全球範圍內的半導體電子工業。作為主要部件,它及時、普遍地首先在通訊工具方面得到套用,並產生了巨大的經濟效益。由於電晶體徹底改變了電子線路的結構,積體電路以及大規模積體電路應運而生,這樣製造像高速電子計算機之類的高精密裝置就變成了現實。
工作原理
理論原理
晶體三極體 晶體三極體(以下簡稱三極體)按材料分有兩種:鍺管和矽管。而每一種又有NPN和PNP兩種結構形式,但使用最多的是矽NPN和鍺PNP兩種三極體,(其中,N是負極的意思(代表英文中Negative),N型半導體在高純度矽中加入磷取代一些矽原子,在電壓刺激下產生自由電子導電,而P是正極的意思(Positive)是加入硼取代矽,產生大量空穴利於導電)。兩者除了電源極性不同外,其工作原理都是相同的,下面僅介紹NPN矽管的電流放大原理。
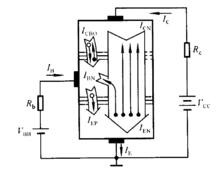
晶體三極體 對於NPN管,它是由2塊N型半導體中間夾著一塊P型半導體所組成,發射區與基區之間形成的PN結稱為發射結,而集電區與基區形成的PN結稱為集電結,三條引線分別稱為發射極e (Emitter)、基極b (Base)和集電極c (Collector)。如右圖所示
當b點電位高於e點電位零點幾伏時,發射結處於正偏狀態,而C點電位高於b點電位幾伏時,集電結處於反偏狀態,集電極電源Ec要高於基極電源Eb。
在製造三極體時,有意識地使發射區的多數載流子濃度大於基區的,同時基區做得很薄,而且,要嚴格控制雜質含量,這樣,一旦接通電源後,由於發射結正偏,發射區的多數載流子(電子)及基區的多數載流子(空穴)很容易地越過發射結互相向對方擴散,但因前者的濃度基大於後者,所以通過發射結的電流基本上是電子流,這股電子流稱為發射極電流子。
由於基區很薄,加上集電結的反偏,注入基區的電子大部分越過集電結進入集電區而形成集電極電流Ic,只剩下很少(1-10%)的電子在基區的空穴進行複合,被複合掉的基區空穴由基極電源Eb重新補給,從而形成了基極電流Ibo.根據電流連續性原理得:
Ie=Ib+Ic
這就是說,在基極補充一個很小的Ib,就可以在集電極上得到一個較大的Ic,這就是所謂電流放大作用,Ic與Ib是維持一定的比例關係,即:
β1=Ic/Ib
式中:β1--稱為直流放大倍數,
集電極電流的變化量△Ic與基極電流的變化量△Ib之比為:
β= △Ic/△Ib
式中β--稱為交流電流放大倍數,由於低頻時β1和β的數值相差不大,所以有時為了方便起見,對兩者不作嚴格區分,β值約為幾十至一百多。
α1=Ic/Ie(Ic與Ie是直流通路中的電流大小)
式中:α1也稱為直流放大倍數,一般在共基極組態放大電路中使用,描述了射極電流與集電極電流的關係。
α =△Ic/△Ie
表達式中的α為交流共基極電流放大倍數。同理α與α1在小信號輸入時相差也不大。
對於兩個描述電流關係的放大倍數有以下關係
晶體三極體 三極體的電流放大作用實際上是利用基極電流的微小變化去控制集電極電流的巨大變化。
三極體是一種電流放大器件,但在實際使用中常常通過電阻將三極體的電流放大作用轉變為電壓放大作用。
放大原理
1、發射區向基區發射電子
電源Ub經過電阻Rb加在發射結上,發射結正偏,發射區的多數載流子(自由電子)不斷地越過發射結進入基區,形成發射極電流Ie。同時基區多數載流子也向發射區擴散,但由於多數載流子濃度遠低於發射區載流子濃度,可以不考慮這個電流,因此可以認為發射結主要是電子流。
2、基區中電子的擴散與複合
電子進入基區後,先在靠近發射結的附近密集,漸漸形成電子濃度差,在濃度差的作用下,促使電子流在基區中向集電結擴散,被集電結電場拉入集電區形成集電極電流Ic。也有很小一部分電子(因為基區很薄)與基區的空穴複合,擴散的電子流與複合電子流之比例決定了三極體的放大能力。
3、集電區收集電子
由於集電結外加反向電壓很大,這個反向電壓產生的電場力將阻止集電區電子向基區擴散,同時將擴散到集電結附近的電子拉入集電區從而形成集電極主電流Icn。另外集電區的少數載流子(空穴)也會產生漂移運動,流向基區形成反向飽和電流,用Icbo來表示,其數值很小,但對溫度卻異常敏感。
產品分類
晶體三極體 a.按材質分: 矽管、鍺管
b.按結構分: NPN 、 PNP。如圖所示。
c.按功能分: 開關管、功率管、達林頓管、光敏管等.
d. 按功率分:小功率管、中功率管、大功率管
e.按工作頻率分:低頻管、高頻管、超頻管
f.按結構工藝分:合金管、平面管
g.按安裝方式:外掛程式三極體、貼片三極體
產品參數
特徵頻率fT
:當f= fT時,三極體完全失去電流放大功能.如果工作頻率大於fT,電路將不正常工作.
fT稱作增益頻寬積,即fT=βfo。若已知當前三極體的工作頻率fo以及高頻電流放大倍數,便可得出特徵頻率fT。隨著工作頻率的升高,放大倍數會下降.fT也可以定義為β=1時的頻率.
電壓/電流
用這個參數可以指定該管的電壓電流使用範圍.
hFE
電流放大倍數.
VCEO
集電極發射極反向擊穿電壓,表示臨界飽和時的飽和電壓.
PCM
最大允許耗散功率.
封裝形式
指定該管的外觀形狀,如果其它參數都正確,封裝不同將導致組件無法在電路板上實現.
判斷類型
晶體三極體
晶體三極體 三極體的腳位判斷,三極體的腳位有兩種封裝排列形式,如右圖:三極體是一種結型電阻器件,它的三個引腳都有明顯的電阻數據,測試時(以數字萬用表為例,紅筆+,黒筆-)我們將測試檔位切換至 二極體檔 (蜂鳴檔)標誌符號如右圖:正常的NPN結構三極體的基極(B)對集電極(C)、發射極(E)的正向電阻是430Ω-680Ω( 根據型號的不同,放大倍數的差異,這個值有所不同)反向電阻無窮大;正常的PNP 結構的三極體的基極(B)對集電極(C)、發射極(E)的反向電阻是430Ω-680Ω,正向電阻無窮大。集電極C對發射極E在不加偏流的情況下,電阻為無窮大。基極對集電極的測試電阻約等於基極對發射極的測試電阻,通常情況下,基極對集電極的測試電阻要比基極對發射極的測試電阻小5-100Ω左右(大功率管比較明顯),如果超出這個值,這個元件的性能已經變壞,請不要再使用。如果誤使用於電路中可能會導致整個或部分電路的工作點變壞,這個元件也可能不久就會損壞,大功率電路和高頻電路對這種劣質元件反應比較明顯。
儘管封裝結構不同,但與同參數的其它型號的管子功能和性能是一樣的,不同的封裝結構只是套用於電路設計中特定的使用場合的需要。
要注意有些廠家生產一些不規範元件,例如C945正常的腳位是BCE,但有的廠家出的此元件腳位排列卻是EBC,這會造成那些粗心的工作人員將新元件在未檢測的情況下裝入電路,導致電路不能工作,嚴重時燒毀相關聯的元器件,比如電視機上用的開關電源。
晶體三極體 在我們常用的萬用表中,測試三極體的腳位排列圖:
先假設三極體的某極為“基極”,將黑表筆接在假設基極上,再將紅表筆依次接到其餘兩個電極上,若兩次測得的電阻都大(約幾K到幾十K),或者都小(幾百至幾K),對換表筆重複上述測量,若測得兩個阻值相反(都很小或都很大),則可確定假設的基極是正確的,否則另假設一極為“基極”,重複上述測試,以確定基極.
當基極確定後,將黑表筆接基極,紅表筆筆接其它兩極若測得電阻值都很少,則該三極體為PNP,反之為NPN
判斷集電極C和發射極E,以NPN為例:
把黑表筆接至假設的集電極C,紅表筆接到假設的發射極E,並用手捏住B和C極,讀出表頭所示C,E電阻值,然後將紅,黑表筆反接重測.若第一次電阻比第二次小,說明原假設成立.
結構類型
晶體三極體,是半導體基本元器件之一,具有電流放大作用,是電子電路的核心元件。三極體是在一塊半導體基片上製作兩個相距很近的PN結,兩個PN結把正塊半導體分成三部分,中間部分是基區,兩側部分是發射區和集電區,排列方式有PNP和NPN兩種,
從三個區引出相應的電極,分別為基極b發射極e和集電極c。
發射區和基區之間的PN結叫發射結,集電區和基區之間的PN結叫集電結。基區很薄,而發射區較厚,雜質濃度大,PNP型三極體發射區"發射"的是空穴,其移動方向與電流方向一致,故發射極箭頭向里;NPN型三極體發射區"發射"的是自由電子,其移動方向與電流方向相反,故發射極箭頭向外。發射極箭頭向外。發射極箭頭指向也是PN結在正向電壓下的導通方向。矽晶體三極體和鍺晶體三極體都有PNP型和NPN型兩種類型。
三極體的封裝形式和管腳識別
常用三極體的封裝形式有金屬封裝和塑膠封裝兩大類,引腳的排列方式具有一定的規律,
底視圖位置放置,使三個引腳構成等腰三角形的頂點上,從左向右依次為e b c;對於中小功率塑膠三極體按圖使其平面朝向自己,三個引腳朝下放置,則從左到右依次為e b c。
國內各種類型的晶體三極體有許多種,管腳的排列不盡相同,在使用中不確定管腳排列的三極體,必須進行測量確定各管腳正確的位置,或查找電晶體使用手冊,明確三極體的特性及相應的技術參數和資料。
產品作用
晶體三極體具有電流放大作用,其實質是三極體能以基極電流微小的變化量來控制集電極電流較大的變化量。這是三極體最基本的和最重要的特性。我們將ΔIc/ΔIb的比值稱為晶體三極體的電流放大倍數,用符號“β”表示。電流放大倍數對於某一隻三極體來說是一個定值,但隨著三極體工作時基極電流的變化也會有一定的改變。
工作狀態
截止狀態
當加在三極體發射結的電壓小於PN結的導通電壓,基極電流為零,集電極電流和發射極電流都為零,三極體這時失去了電流放大作用,集電極和發射極之間相當於開關的斷開狀態,我們稱三極體處於截止狀態。
放大狀態
當加在三極體發射結的電壓大於PN結的導通電壓,並處於某一恰當的值時,三極體的發射結正向偏置,集電結反向偏置,這時基極電流對集電極電流起著控制作用,使三極體具有電流放大作用,其電流放大倍數β=ΔIc/ΔIb,這時三極體處放大狀態。
飽和導通
當加在三極體發射結的電壓大於PN結的導通電壓,並當基極電流增大到一定程度時,集電極電流不再隨著基極電流的增大而增大,而是處於某一定值附近不怎么變化,這時三極體失去電流放大作用,集電極與發射極之間的電壓很小,集電極和發射極之間相當於開關的導通狀態。三極體的這種狀態我們稱之為飽和導通狀態。
根據三極體工作時各個電極的電位高低,就能判別三極體的工作狀態,因此,電子維修人員在維修過程中,經常要拿多用電錶測量三極體各腳的電壓,從而判別三極體的工作情況和工作狀態。
產品判別
三極體基極的判別:根據三極體的結構示意圖,我們知道三極體的基極是三極體中兩個PN結的公共極,因此,在判別三極體的基極時,只要找出兩個PN結的公共極,即為三極體的基極。具體方法是將多用電錶調至電阻擋的R×1k擋,先用紅表筆放在三極體的一隻腳上,用黑表筆去碰三極體的另兩隻腳,如果兩次全通,則紅表筆所放的腳就是三極體的基極。如果一次沒找到,則紅表筆換到三極體的另一個腳,再測兩次;如還沒找到,則紅表筆再換一下,再測兩次。如果還沒找到,則改用黑表筆放在三極體的一個腳上,用紅表筆去測兩次看是否全通,若一次沒成功再換。這樣最多量12次,總可以找到基極。
三極體類型的判別: 三極體只有兩種類型,即PNP型和NPN型。判別時只要知道基極是P型材料還N型材料即可。當用多用電錶R×1k擋時,黑表筆代表電源正極,如果黑表筆接基極時導通,則說明三極體的基極為P型材料,三極體即為NPN型。如果紅表筆接基極導通,則說明三極體基極為N型材料,三極體即為PNP型。
放大電路
基本結構
基本放大電路是放大電路中最基本的結構,是構成複雜放大電路的基本單元。它利用雙極型半導體三極體輸入電流控制輸出電流的特性,或場效應半導體三極體輸入電壓控制輸出電流的特性,實現信號的放大。本章基本放大電路的知識是進一步學習電子技術的重要基礎。
晶體三極體 基本放大電路一般是指由一個三極體或場效應管組成的放大電路。從電路的角度來看,可以將基本放大電路看成一個雙連線埠網路。放大的作用體現在如下方面:
1.放大電路主要利用三極體或場效應管的控制作用放大微弱信號,輸出信號在電壓或電流的幅度上得到了放大,輸出信號的能量得到了加強。
2.輸出信號的能量實際上是由直流電源提供的,只是經過三極體的控制,使之轉換成信號能量,提供給負載。
電路組成
共射組態基本放大電路是輸入信號加在基極和發射極之間,耦合電容器C1和Ce視為對交流信號短路。輸出信號從集電極對地取出,經耦合電容器C2隔除直流量,僅將交流信號加到負載電阻RL之上。放大電路的共射組態實際上是指放大電路中的三極體是共射組態。
在輸入信號為零時,直流電源通過各偏置電阻為三極體提供直流的基極電流和直流集電極電流,並在三極體的三個極間形成一定的直流電壓。由於耦合電容的隔直流作用,直流電壓無法到達放大電路的輸入端和輸出端。
當輸入交流信號通過耦合電容C1和Ce加在三極體的發射結上時,發射結上的電壓變成交、直流的疊加。放大電路中信號的情況比較複雜,各信號的符號規定如下:由於三極體的電流放大作用,ic要比ib大幾十倍,一般來說,只要電路參數設定合適,輸出電壓可以比輸入電壓高許多倍。uCE中的交流量 有一部分經過耦合電容到達負載電阻,形成輸出電壓。完成電路的放大作用。
由此可見,放大電路中三極體集電極的直流信號不隨輸入信號而改變,而交流信號隨輸入信號發生變化。在放大過程中,集電極交流信號是疊加在直流信號上的,經過耦合電容,從輸出端提取的只是交流信號。因此,在分析放大電路時,可以採用將交、直流信號分開的辦法,可以分成直流通路和交流通路來分析。
組成原則
1.保證放大電路的核心器件三極體工作在放大狀態,即有合適的偏置。也就是說發射結正偏,集電結反偏。
2.輸入迴路的設定應當使輸入信號耦合到三極體的輸入電極,形成變化的基極電流,從而產生三極體的電流控制關係,變成集電極電流的變化。
3.輸出迴路的設定應該保證將三極體放大以後的電流信號轉變成負載需要的電量形式(輸出電壓或輸出電流)。
產品符號
中間橫線是基極B,另一斜線是集電極C,帶箭頭的是發射極E。
晶體三極體 產品命名
國產半導體器型號的命名方法(摘自國家標準GB249_74)
| 型號組成 | 第一部分 | 第二部分 | 第三部分 | 第四部分 | 第五部分 | |
| 用阿拉伯數字表示器件電極數 | 用字母表示器件的材料和極性 | 用漢語拼音字母表示器件類型 | 用數字表示器件序號 | 用漢語拼音字母表示規格 | ||
| 符號及意義 | 2 | 二極體 | A | N型鍺材料 | P | 普通管 |
| B | P型鍺材料 | V | 微波管 | |||
| C | N型矽材料 | W | 穩壓管 | |||
| D | P型矽材料 | C | 參量管 | |||
| 3 | 三極體 | A | PNP鍺材料 | Z | 整流管 | |
| B | NPN鍺材料 | L | 整流管 | |||
| C | PNP型矽材料 | S | 隧道管 | |||
| D | NPN型矽材料 | N | 阻尼管 | |||
| E | 化合物材料 | U | 光電器件 | |||
| K | 開關器 | |||||
| X | 低頻小功率管 | |||||
| G | 高頻小功率管 | |||||
| D | 低頻大功率管 | |||||
| A | 高頻大功率管 | |||||
| T | 半導體閘流管 | |||||
| Y | 體效應器件 | |||||
| B | 雪崩管 | |||||
| J | 階躍恢復管 | |||||
| CS | 場效應器 | |||||
| BY | 半導體特殊器件 | |||||
| FH | 複合管 | |||||
| PIN | PIN型管 | |||||
| JG | 雷射器件 |
選型替換
1.首先要進行參數對比,如果不知道參數可以先在網路搜尋他的規格書。
2.知道參數,尤其是BVCBO,BVCEO,BVEBO,HFE,ft,VCEsat參數。通過各個參數的 比較,找相似的產品。即使知道了參數以後也不好找,一些書籍都過時了,沒有收集新的產品進去。
直插封裝的型號 貼片的型號 極性 Ft VCEO Ic hfe 配對型號
9011 1T NPN 150MHz 18V 100mA 28~132
9012 2T PNP 150MHz 25V 500mA 64~144 9013
9013 J3 NPN
9014 J6 NPN 150MHz 18V 100mA 60~400 9015
9015 M6 PNP
9016 Y6 NPN 500MHz 20V 25mA 28~97
9018 J8 NPN 700MHZ 12V 100mA 28~72
S8050 J3Y NPN 100MHz 25V 1.5A 45~300 S8550
S8550 2TY PNP
8050 Y1 NPN 100MHz 25V 1A 85~300 8550
8550 Y2 PNP
2SA1015 BA PNP
2SC1815 HF NPN 80MHz 50V 150mA 70~700 1015
2SC945 CR NPN 250MHz 50V 100mA 200~600
2SA733 CS
MMBT3904 1AM NPN 300MHz 60V 100mA 300@10mA 3906
MMBT3906 2A PNP
MMBT2222 1P NPN 250MHz 60V 600mA 100@150mA
MMBT5401 2L PNP 100MHz 150V 500mA 40~200 5551
MMBT5551 G1 NPN
MMBTA42 1D NPN 50MHz 300V 100mA 40@10mA
MMBTA92 2D PNP
BC807-16 5A PNP
BC807-25 5B PNP 80MHz 45V 500mA 250@100mA BC817-25
BC807-40 5C PNP 80MHz 45V 500mA 250@100mA BC817-40
BC817-16 6A NPN
BC817-25 6B NPN
BC817-40 6C NPN
BC846A 1A NPN 250MHz 65V 100mA 140 BC856
BC846B 1B NPN 250
BC847A 1E NPN 45V BC857
BC847B 1F
BC847C 1G NPN 420~800
BC848A 1J NPN 30V
BC848B 1K
BC848C 1L
BC856A 3A PNP
BC856B 3B
BC857A 3E
BC857B 3F
BC858A 3J
BC858B 3K
BC858C 3L
2SC3356 R23 NPN 7GHz 20V 100mA 50~300
2SC3838 AD
帶反向二極體的N溝道FET
2N7002 702 40V 400mA
BSS138 50V 200mA
下面是帶電阻的三極體
UN2111 V1 NNP 150MHz 50V 100mA
UN2112 V2
UN2113 V3
UN2211 V4
UN2212 V5
UN2213 V6
測判口訣
三極體的管型及管腳的判別是電子技術初學者的一項基本功,為了幫助讀者迅速掌握測判方法,筆者總結出四句口訣:“三顛倒,找基極;PN結,定管型;順箭頭,偏轉大;測不準,動嘴巴。”下面讓我們逐句進行解釋吧。
1: 三顛倒,找基極
大家知道,三極體是含有兩個PN結的半導體器件。根據兩個PN結連線方式不同,可以分為NPN型和PNP型兩種不同導電類型的三極體。
測試三極體要使用萬用電錶的歐姆擋,並選擇R×100或R×1k擋位。圖2繪出了萬用電錶歐姆擋的等效電路。紅表筆所連線的是表內電池的負極,黑表筆則連線著表內電池的正極。
假定我們並不知道被測三極體是NPN型還是PNP型,也分不清各管腳是什麼電極。測試的第一步是判斷哪個管腳是基極。這時,我們任取兩個電極(如這兩個電極為1、2),用萬用電錶兩支表筆顛倒測量它的正、反向電阻,觀察錶針的偏轉角度;接著,再取1、3兩個電極和2、3兩個電極,分別顛倒測量它們的正、反向電阻,觀察錶針的偏轉角度。在這三次顛倒測量中,必然有兩次測量結果相近:即顛倒測量中錶針一次偏轉大,一次偏轉小;剩下一次必然是顛倒測量前後指針偏轉角度都很小,這一次未測的那隻管腳就是我們要尋找的基極。
2:PN結,定管型
找出三極體的基極後,我們就可以根據基極與另外兩個電極之間PN結的方向來確定管子的導電類型。將萬用表的黑表筆接觸基極,紅表筆接觸另外兩個電極中的任一電極,若表頭指針偏轉角度很大,則說明被測三極體為NPN型管;若表頭指針偏轉角度很小,則被測管即為PNP型。
3:順箭頭,偏轉大
找出了基極b,另外兩個電極哪個是集電極c,哪個是發射極e呢?這時我們可以用測穿透電流ICEO的方法確定集電極c和發射極e。
(1) 對於NPN型三極體,穿透電流的測量電路。根據這個原理,用萬用電錶的黑、紅表筆顛倒測量兩極間的正、反向電阻Rce和Rec,雖然兩次測量中萬用表指針偏轉角度都很小,但仔細觀察,總會有一次偏轉角度稍大,此時電流的流向一定是:黑表筆→c極→b極→e極→紅表筆,電流流向正好與三極體符號中的箭頭方向一致順箭頭,所以此時黑表筆所接的一定是集電極c,紅表筆所接的一定是發射極e。
(2) 對於PNP型的三極體,道理也類似於NPN型,其電流流向一定是:黑表筆→e極→b極→c極→紅表筆,其電流流向也與三極體符號中的箭頭方向一致,所以此時黑表筆所接的一定是發射極e,紅表筆所接的一定是集電極c。
4:測不出,動嘴巴
若在“順箭頭,偏轉大”的測量過程中,若由於顛倒前後的兩次測量指針偏轉均太小難以區分時,就要“動嘴巴”了。具體方法是:在“順箭頭,偏轉大”的兩次測量中,用兩隻手分別捏住兩表筆與管腳的結合部,用嘴巴含住(或用舌頭抵住)基電極b,仍用“順箭頭,偏轉大”的判別方法即可區分開集電極c與發射極e。其中人體起到直流偏置電阻的作用,目的是使效果更加明顯。

