變壓器歷史
法拉第感應線圈法拉第在1831年8月29日發明了一個“電感環”,稱為“法拉第感應線圈”,實際上是世界上第一隻變壓器雛形。但法拉第只是用它來示範電磁感應原理,並沒有考慮過它可以有實際的用途。
1881年,路森·戈拉爾(LucienGaulard)和約翰·狄克遜·吉布斯(JohnDixonGibbs)在倫敦展示一種稱為“二次手發電機”的設備,然後把這項技術賣給了美國西屋公司,這可能是第一個實用的電力變壓器,但並不是最早的變壓器。
1884年,路森·戈拉爾和約翰·狄克遜·吉布斯在採用電力照明的義大利都靈市展示了他們的設備。早期變壓器採用直線型鐵心,後來被更有效的環形鐵心取代。
變壓器變壓器變壓原理首先由法拉第發現,但是直到十九世紀80年代才開始實際套用。在發電場應該輸出直流電和交流電的競爭中,交流電能夠使用變壓器是其優勢之一。變壓器可以將電能轉換成高電壓低電流形式,然後再轉換回去,因此大大減小了電能在輸送過程中的損失,使得電能的經濟輸送距離達到更遠。如此一來,發電廠就可以建在遠離用電的地方。世界大多數電力經過一系列的變壓最終才到達用戶那裡的。
變壓器工作原理
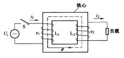
變壓器原理變壓器由鐵芯(或磁芯)和線圈組成,線圈有兩個或兩個以上的繞組,其中接電源的繞組叫初級線圈,其餘的繞組叫次級線圈。它可以變換交流電壓、電流和阻抗。最簡單的鐵心變壓器由一個軟磁材料做成的鐵心及套在鐵心上的兩個匝數不等的線圈構成,如圖所示。
鐵心的作用是加強兩個線圈間的磁耦合。為了減少鐵內渦流和磁滯損耗,鐵心由塗漆的矽鋼片疊壓而成;兩個線圈之間沒有電的聯繫,線圈由絕緣銅線(或鋁線)繞成。一個線圈接交流電源稱為初級線圈(或原線圈),另一個線圈接用電器稱為次級線圈(或副線圈)。實際的變壓器是很複雜的,不可避免地存在銅損(線圈電阻發熱)、鐵損(鐵心發熱)和漏磁(經空氣閉合的磁感應線)等,為了簡化討論
變壓器這裡只介紹理想變壓器。理想變壓器成立的條件是:忽略漏磁通,忽略原、副線圈的電阻,忽略鐵心的損耗,忽略空載電流(副線圈開路原線圈線圈中的電流)。例如電力變壓器在滿載運行時(副線圈輸出額定功率)即接近理想變壓器情況。
變壓器是利用電磁感應原理製成的靜止用電器。當變壓器的原線圈接在交流電源上時,鐵心中便產生交變磁通,交變磁通用φ表示。原、副線圈中的φ是相同的,φ也是簡諧函式,表為φ=φmsinωt。由法拉第電磁感應定律可知,原、副線圈中的感應電動勢為e=-Ndφ/dt、e2=-Ndφ/dt。式中N1、N為原、副線圈的匝數。由圖可知U=-e,U=e(原線圈物理量用下角標1表示,副線圈物理量用下角標2表示),其復有效值為U=-E=jNωΦ、U=E=-NωΦ,令k=N/N,稱變壓器的變比。由上式可得U/ U=-N/N=-k,即變壓器原、副線圈電壓有效值之比,等於其匝數比而且原、副線圈電壓的位相差為π。
進而得出:
U/U=N/N
在空載電流可以忽略的情況下,有I/I=-N/N,即原、副線圈電流有效值大小與其匝數成反比,且相位差π。
進而可得
I/I=N/N
理想變壓器原、副線圈的功率相等P=P。說明理想變壓器本身無功率損耗。實際變壓器總存在損耗,其效率為η=P/P。電力變壓器的效率很高,可達90%以上。
主要分類
變壓器一般常用變壓器的分類可歸納如下:
1、按相數分:
1)單相變壓器:用於單相負荷和三相變壓器組。
2)三相變壓器:用於三相系統的升、降電壓。
2、按冷卻方式分:
1)乾式變壓器:依靠空氣對流進行自然冷卻或增加風機冷卻,多用於高層建築、高速收費站點用電及局部照明、電子線路等小容量變壓器。[2]
2)油浸式變壓器:依靠油作冷卻介質、如油浸自冷、油浸風冷、油浸水冷、強迫油循環等。
3、按用途分:
1)電力變壓器:用於輸配電系統的升、降電壓。
2)儀用變壓器:如電壓互感器、電流互感器、用於測量儀表和繼電保護裝置。
3)試驗變壓器:能產生高壓,對電氣設備進行高壓試驗。
4)特種變壓器:如電爐變壓器、整流變壓器、調整變壓器、電容式變壓器、移相變壓器等。
變壓器4、按繞組形式分:
1)雙繞組變壓器:用於連線電力系統中的兩個電壓等級。
2)三繞組變壓器:一般用於電力系統區域變電站中,連線三個電壓等級。
3)自耦變電器:用於連線不同電壓的電力系統。也可做為普通的升壓或降後變壓器用。
5、按鐵芯形式分:
1)芯式變壓器:用於高壓的電力變壓器。
2)非晶合金變壓器:非晶合金鐵芯變壓器是用新型導磁材料,空載電流下降約80%,是節能效果較理想的配電變壓器,特別適用於農村電網和發展中地區等負載率較低地方。
3)殼式變壓器:用於大電流的特殊變壓器,如電爐變壓器、電焊變壓器;或用於電子儀器及電視、收音機等的電源變壓器。
特徵參數
工作頻率
變壓器鐵芯損耗與頻率關係很大,故應根據使用頻率來設計和使用,這種頻率稱工作頻率。
額定功率
在規定的頻率和電壓下,變壓器能長期工作而不超過規定溫升的輸出功率。
額定電壓
指在變壓器的線圈上所允許施加的電壓,工作時不得大於規定值。
電壓比
指變壓器初級電壓和次級電壓的比值,有空載電壓比和負載電壓比的區別。
空載電流
變壓器次級開路時,初級仍有一定的電流,這部分電流稱為空載電流。空載電流由磁化電流(產生磁通)和鐵損電流(由鐵芯損耗引起)組成。對於50Hz電源變壓器而言,空載電流基本上等於磁化電流。
空載損耗
指變壓器次級開路時,在初級測得功率損耗。主要損耗是鐵芯損耗,其次是空載電流在初級線圈銅阻上產生的損耗(銅損),這部分損耗很小。
效率
指次級功率P2與初級功率P1比值的百分比。通常變壓器的額定功率愈大,效率就愈高。
絕緣電阻
表示變壓器各線圈之間、各線圈與鐵芯之間的絕緣性能。絕緣電阻的高低與所使用的絕緣材料的性能、溫度高低和潮濕程度有關。
關於電資源的相關知識
| 節約用電對發展國民經濟有重要意義。電能是由一次能源(煤、石油、天然氣、水利資源等)轉換而成的二次能源。耗電量的減少可以使發電、輸變電所需要的設備容量減少,節約能源方面的投資。 |
核電站相關知識
| 核電是一種新型的清潔型能源,但由於種種原因,人們對核電心存顧慮,讓我們共同揭開核電站神秘的面紗,消除核電的顧慮。 |

