定義
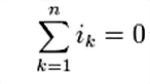
霍夫第一定律基爾霍夫電流定律指的是任一時刻,流入電路中任一節點的電流代數和恆為零。
詳細描述為假設進入某節點的電流為正值,離開這節點的電流為負值,則所有涉及這節點的電流的代數和等於零。
以方程表達如圖示一,
圖示一對於電路的任意節點,其中,ik 是第 k 個進入或離開這節點的電流,是流過與這節點相連線的第 k 個支路的電流,可以是實數或複數。
解釋
基爾霍夫電流定律即基爾霍夫電流定律(KCL),又稱之為稱節點電流定律。任一集總參數電路中的任一節點,在任一瞬間流出該節點的所有電流的代數和恆為零,就參考方向而言,流出節點的電流在式中取正號,流入節點的電流取負號。基爾霍夫電流定律是電荷守恆定律在電路中的體現。
推導
電路的某節點,跟這節點相連線有 n 個支路。假設進入這節點的電流為正值,離開這節點的電流為負值
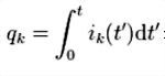
,則經過這節點的總電流 i 等於流過支路 k 的電流 ik 的代數和如圖示二。
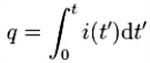
圖示二將這方程積分於時間,可以得到累積於這節點的電荷的方程如圖示三。
圖示三其中,如圖示四是累積於這節點的總電荷,
圖示四如圖示五是流過支路 k的電荷,t是檢驗時間,t'是積分時間變數。
圖示五假設 q > 0 ,則正電荷會累積於節點;否則,負電荷會累積於節點。根據電荷守恆定律, q 是個常數,不能夠隨著時間演進而改變。由於這節點是個導體,不能儲存任何電荷。所以,q = 0 、i = 0 ,基爾霍夫電流定律成立如圖示六。
圖示六成立條件
從上述推導可以看到,只有當電荷量為常數時,基爾霍夫電流定律才會成立。通常,這不是個問題,因為靜電力相斥作用,會阻止任何正電荷或負電荷隨時間演進而累積於節點,大多時候,節點的淨電荷是零。
不過,電容器的兩塊導板可能會允許正電荷或負電荷的累積。這是因為電容器的兩塊導板之間的空隙,會阻止分別累積於兩塊導板的異性電荷相遇,從而互相抵消。對於這狀況,流向其中任何一塊導板的電流總和等於電荷累積的速率,而不是零。但是,若將位移電流如圖示七
圖示七納入考慮,則基爾霍夫電流定律依然有效。只有當套用基爾霍夫電流定律於電容器內部的導板時,才需要這樣思考。若套用於電路分析(circuit analysis)時,電容器可以視為一個整體元件,淨電荷是零,所以原先的電流定律仍適用。
由更技術性的層面來說,取散度於麥克斯韋修正的安培定律,然後與高斯定律相結合,即可得到基爾霍夫電流定律如圖示八。
圖示八其中, 是電流密度,ε0 是電常數, 是電場,ρ 是電荷密度。
這是電荷守恆的微分方程。以積分的形式表述,從封閉表面流出的電流等於在這封閉表面內部的電荷 Q 的流失率如圖示九。
圖示九基爾霍夫定律
基爾霍夫電路定律(Kirchhoff Circuit Laws)簡稱為基爾霍夫定律,指的是兩條電路學定律,基爾霍夫電流定律與基爾霍夫電壓定律。它們涉及了電荷的守恆及電勢的保守性。1845年,古斯塔夫·基爾霍夫首先提出基爾霍夫電路定律。現在,這定律被廣泛地套用於電機工程學。
從麥克斯韋方程組可以推導出基爾霍夫電路定律。但是,基爾霍夫並不是依循這條思路發展,而是從格奧爾格·歐姆的工作成果加以推廣得之。
方程組
常用名詞
1.支路:任意一個二端元件構成一條支路。
2.節點:兩條或兩條以上支路的聯接點。
3.迴路:電路中的任一閉合路徑。
4.網孔:當迴路中不包括其他支路時稱為網孔。
5.網路:指複雜電路。
推導
基爾霍夫(G.R.Kirchhoff, 1824-1887)第一定律是這樣表述的:匯集於同一節點的各支路電流的代數和必定為零如圖示十。
圖示十根據基爾霍夫第一定律,對電路中各個節點都可以列出形如式(12-1)的方程式,這些方程式統稱為基爾霍夫第一方程組,或節點電流方程組。基爾霍夫第一定律的正確性是由恆定電流條件得到保證的。如果任作一包圍節點P的閉合曲面S,如圖12-1所示,並運用恆定電流條件如圖示十一。
圖示十一上式的積分只有在導體與S的截面上才不為零,而在導體與S的截面上對電流密度的積分正是該支路上的電流, 於是立即可以得到式(12-1)。
那么如何列出基爾霍夫第一方程組呢?列基爾霍夫第一方程組應遵循以下幾點約定:
1. 對各支路的電流及其方向作出假設,假設的電流方向作為該支路電流的標定方向;
2. 根據電流的標定方向,從節點流出的電流前寫加號,流向節點的電流前寫減號;
3. 若解出的電流為正值,表示該支路電流的實際方向與所設標定方向一致,若解出的電流為負值,表示該支路電流的實際方向與所設標定方向相反。
圖示十二對於圖示十所表示的節點P,我們可以列出下面的基爾霍夫第一方程式如圖示十二。
套用
理論基礎
以矩陣表達的基爾霍夫電流定律是眾多電路模擬軟體(electronic circuit simulation)的理論基礎,例如,SPICE或NI Multisim。
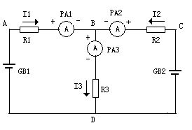
例題
已知如圖示十六
圖示十六解如圖示十七
圖示十七示例
題目
題目解答
解答約定
約定
