生化反應
熱電效應選用具有明顯的熱電效應的稀有礦物石為原料,加入到牆體材料中,在與空氣接觸中,可發生極化,並向外放電,起到淨化室內空氣的作用。
美國科學家發現,鯊魚鼻子裡的一種膠體能把海水溫度的變化轉換成電信號,傳送給神經細胞,使鯊魚能夠感知細微的溫度變化,從而準確地找到食物。科學家猜測,其他動物體內也可能存在類似的膠體.這種因溫差而產生電流的性質
熱電效應與半導體材料的熱電效應類似,人工合成這種膠體,有望在微電子工業領域獲得套用。美國舊金山大學的一位科學家在1月30日出版的英國《自然》雜誌上報告說,他從鯊魚鼻子的皮膚小孔里提取了一種與普通明膠相似的膠體,發現它對溫度非常敏感,0.1攝氏度的溫度變化都會使它產生明顯的電壓變化。
鯊魚鼻子的皮膚小孔布滿了對電流非常敏感的神經細胞.海水的溫度變化使膠體內產生電流,刺激神經,使鯊魚感知到溫度差異.科學家認為,藉助這種膠體,鯊魚能感知到0.001攝氏度的溫度變化,這有利於它們在海水中覓食。哺乳動物靠細胞表面的離子通道感知溫度:外界溫度變化導致帶電的離子進出通道,產生電流,刺激神經,從而使動物感知冷暖.與哺乳動物的這種方式不同,鯊魚利用膠體,不需要離子通道也能感知溫度變化。
熱電製冷又稱作溫差電製冷,或半導體製冷,它是利用熱電效應(即帕米爾效應)的一種製冷方法。1834年法國物理學家帕爾帖在銅絲的兩頭各接一根鉍絲,在將兩根鉍絲分別接到直流電源的正負極上,通電後,發現一個接頭變熱,另一個接頭變冷。這說明兩種不同材料組成的電迴路在有直流電通過時,兩個接頭處分別發生了吸放熱現象。這就是熱電製冷的依據。
熱電製冷
熱電效應公式熱電製冷器的產冷量一般很小,所以不宜大規模和大製冷量使用。但由於它的靈活性強,簡單方便冷熱切換容易,非常適宜於微型製冷領域或有特殊要求的用冷場所。熱電製冷的理論基礎是固體的熱電效應,在無外磁場存在時,它包括五個效應,導熱、焦耳熱損失、西伯克(Seebeck)效應、帕爾帖(Peltire)效應和湯姆遜(Thomson)效應。
一般的冷氣與冰櫃運用氟氯化物當冷媒,造成臭氧層的被破壞.無冷媒冰櫃(冷氣)因而是環境保護的重要因素.利用半導體之熱電效應,可製造一個無冷媒的冰櫃。這種發電方法是將熱能直接轉變成電能,其轉變效率受熱力學第二定律即柯諾特效率(Carnotefficiency)的限制。早在1822年西伯即已發現,因而熱電效應又叫西伯效應(Seebeckeffect).熱電的現象如圖所示.
它不但與兩結溫度有關,且與所用導體的性質有關.這種發電法的優點是沒有轉動的機械部分,不會有磨損現象,故可長久使用,但欲達高效率需要溫度很高的熱源,有時利用數層熱電物質之層疊(cascade或staging)以達高效率的效果.
湯姆遜效應
湯姆遜效應湯姆遜在格拉斯哥大學創建了第一所現代物理實驗室;24歲時發表一部熱力學專著,建立溫度的“絕對熱力學溫標”;27歲時發表《熱力學理論》一書,建立熱力學第二定律,使其成為物理學基本定律;與焦耳共同發現氣體擴散時的焦耳-湯姆遜效應;歷經9年建立歐美之間永久大西洋海底電纜,由此獲得“開爾文勳爵”的貴族稱號。
湯姆遜一生研究範圍相當廣泛,他在數學物理、熱力學、電磁學、彈性力學、以太理論和地球科學等方面都有重大的貢獻。撇開這些不談,回到“湯姆遜效應”這個主題上來。在介紹湯姆遜效應之前,還是先介紹一下前人所做的工作。
1821年,德國物理學家塞貝克發現,在兩種不同的金屬所組成的閉合迴路中,當兩接觸處的溫度不同時,迴路中會產生一個電勢,此所謂“塞貝克效應”。1834年,法國實驗科學家帕爾帖發現了它的反效應:兩種不同的金屬構成閉合迴路,當迴路中存在直流電流時,兩個接頭之間將產生溫差,此所謂珀爾帖效應。1837年,俄國物理學家愣次又發現,電流的方向決定了吸收還是產生熱量,發熱(製冷)量的多少與電流的大小成正比。
1856年,湯姆遜利用他所創立的熱力學原理對塞貝克效應和帕爾帖效應進行了全面分析,並將本來互不相干的塞貝克係數和帕爾帖係數之間建立了聯繫。湯姆遜認為,在絕對零度時,帕爾帖係數與塞貝克係數之間存在簡單的倍數關係。在此基礎上,他又從理論上預言了一種新的溫差電效應,即當電流在溫度不均勻的導體中流過時,導體除產生不可逆的焦耳熱之外,還要吸收或放出一定的熱量(稱為湯姆孫熱)。或者反過來,當一根金屬棒的兩端溫度不同時,金屬棒兩端會形成電勢差。這一現象後叫湯姆孫效應(Thomson effect),成為繼塞貝克效應和帕爾帖效應之後的第三個熱電效應(thermoelectric effect)。
湯姆遜效應是導體兩端有溫差時產生電勢的現象,帕爾帖效應是帶電導體的兩端產生溫差(其中的一端產生熱量,另一端吸收熱量)的現象,兩者結合起來就構成了塞貝克效應。湯姆遜效應的物理學解釋是:金屬中溫度不均勻時,溫度高處的自由電子比溫度低處的自由電子動能大。像氣體一樣,當溫度不均勻時會產生熱擴散,因此自由電子從溫度高端向溫度低端擴散,在低溫端堆積起來,從而在導體內形成電場,在金屬棒兩端便引成一個電勢差。這種自由電子的擴散作用一直進行到電場力對電子的作用與電子的熱擴散平衡為止。
湯姆遜效應因為產生的電壓極其微弱,至今尚未發現實際套用。查找資料時發現,除了威廉·湯姆遜外,另有一個同名的英國物理學家約瑟夫·湯姆遜(Joseph John Thomson,1856-1940),他證明了陰極射線實際上是電子束。
珀爾帖效應
熱電效應帕爾帖效應是法國科學家珀爾帖於1834年發現的,所以,一提到帕爾帖的名字,人們很容易將他與帕爾帖效應聯繫起來,並誤以為他是一個物理學家,實際上他至多算個業餘的物理學家。
帕爾帖生於法國索姆,他本來是一個鐘錶匠,30歲那年放棄了這個職業,轉而投身到實驗與科學觀測領域之中。在他撰寫的大量論文中,絕大部分都是關於自然現象的觀測,譬如天電、龍捲風、天空藍度測量與光偏振、球體水溫、極地沸點等,也有少量博物學方面的論文。1837年,俄國物理學家愣次(Lenz,1804~1865)發現,電流的方向決定了吸收還是產生熱量,發熱(製冷)量的多少與電流的大小成正比,比例係數稱為“帕爾帖係數”。
Q=л·I=a·Tc·I,其中л=a·Tc
式中:Q——放熱或吸熱功率
π——比例係數,稱為珀爾帖係數
I——工作電流
a——溫差電動勢率
Tc——冷接點溫度
帕爾帖效應發現100多年來並未獲得實際套用,因為金屬半導體的珀爾帖效應很弱。直到上世紀90年代,原蘇聯科學家約飛的研究表明,以碲化鉍為基的化合物是最好的熱電半導體材料,從而出現了實用的半導體電子致冷元件——熱電致冷器(ThermoElectriccooling,簡稱TEC)。
熱電致冷器
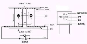
熱電致冷器TEC基本工作過程:當一塊N型半導體和一塊P型半導體結成電偶時,只要在這個電偶迴路中接入一個直流電源,電偶上就會流過電流,發生能量轉移,在一個接點上放熱(或吸熱),在另一個接點上相反地吸熱(或放熱)。對帕爾帖效應的物理解釋是:電荷載體在導體中運動形成電流。由於電荷載體在不同的材料中處於不同的能級,當它從高能級向低能級運動時,便釋放出多餘的能量;相反,從低能級向高能級運動時,從外界吸收能量。能量在兩材料的交界面處以熱的形式吸收或放出。
在TEC製冷片中,半導體通過金屬導流片連線構成迴路,當電流由N通過P時,電場使N中的電子和P中的空穴反向流動,他們產生的能量來自晶格的熱能,於是在導流片上吸熱,而在另一端放熱,產生溫差。帕爾帖模組也稱作熱泵(heatpumps),它既可以用於致熱,也可以致冷。半導體致冷片就是一個熱傳遞工具,只要熱端(被冷卻物體)的溫度高於某溫度,半導體製冷器便開始發揮作用,使得冷熱兩端的溫度逐漸均衡,從而起到致冷作用。
熱電製冷又稱作溫差電製冷,或半導體製冷,它是利用熱電效應(即帕米爾效應)的一種製冷方法。
1834年法國物理學家帕爾帖在銅絲的兩頭各接一根鉍絲,在將兩根鉍絲分別接到直流電源的正負極上,通電後,發現一個接頭變熱,另一個接頭變冷。這說明兩種不同材料組成的電迴路在有直流電通過時,兩個接頭處分別發生了吸放熱現象。這就是熱電製冷的依據。
半導體材料具有較高的熱電勢可以成功地用來做成小型熱電製冷器。型半導體和P型半導體構成的熱電偶製冷元件。用銅板和銅導線將N型半導體和P型半導體連線成一個迴路,銅板和銅導線只起導電的作用。此時,一個接點變熱,一個接點變冷。如果電流方向反向,那么結點處的冷熱作用互易。
熱電製冷器的產冷量一般很小,所以不宜大規模和大製冷量使用。但由於它的靈活性強,簡單方便冷熱切換容易,非常適宜於微型製冷領域或有特殊要求的用冷場所。
發現歷史
熱電效應畢業後,塞貝克進入耶拿大學,在那裡結識了歌德。德國浪漫主義運動以及歌德反對牛頓關與光與色的理論的思想,使塞貝克深受影響,此後長期與歌德一起從事光色效應方面的理論研究。塞貝克的研究重點是太陽光譜,他在1806年揭示了熱量和化學對太陽光譜中不同顏色的影響,1808年首次獲得了氨與氧化汞的化合物。1812年,正當塞貝克從事應力玻璃中的光偏振現象時,他卻不曉得另外兩個科學家布魯斯特和比奧已經搶先在這一領域裡有了發現。
1818年前後,塞貝克返回柏林大學,獨立開展研究活動,主要內容是電流通過導體時對鋼鐵的磁化。當時,阿雷格(Arago)和大衛(Davy)才發現電流對鋼鐵的磁化效應,貝塞克對不同金屬進行了大量的實驗,發現了磁化的熾熱的鐵的不規則反應,也就是現在所說的磁滯現象。在此期間,塞貝克還曾研究過光致發光、太陽光譜不同波段的熱效應、化學效應、偏振,以及電流的磁特性等等。
1820年代初期,塞貝克通過實驗方法研究了電流與熱的關係。1821年,塞貝克將兩種不同的金屬導線連線在一起,構成一個電流迴路。他將兩條導線首尾相連形成一個結點,他突然發現,如果把其中的一個結加熱到很高的溫度而另一個結保持低溫的話,電路周圍存在磁場。他實在不敢相信,熱量施加於兩種金屬構成的一個結時會有電流產生,這只能用熱磁電流或熱磁現象來解釋他的發現。在接下來的兩年里時間(18222~1823),塞貝克將他的持續觀察報告給普魯士科學學會,把這一發現描述為“溫差導致的金屬磁化”。
賽貝殼的實驗儀器,加熱其中一端時,指針轉動,說明導線產生了磁場塞貝克確實已經發現了熱電效應,但他卻做出了錯誤的解釋:導線周圍產生磁場的原因,是溫度梯度導致金屬在一定方向上被磁化,而非形成了電流。科學學會認為,這種現象是因為溫度梯度導致了電流,繼而在導線周圍產生了磁場。對於這樣的解釋,塞貝克十分惱火,他反駁說,科學家們的眼睛讓奧斯特(電磁學的先驅)的經驗給蒙住了,所以他們只會用“磁場由電流產生”的理論去解釋,而想不到還有別的解釋。但是,塞貝克自己卻難以解釋這樣一個事實:如果將電路切斷,溫度梯度並未在導線周圍產生磁場。所以,多數人都認可熱電效應的觀點,後來也就這樣被確定下來了。
原理
由於不同的金屬材料所具有的自由電子密度不同,當兩種不同的金屬導體接觸時,在接觸面上就會發生電子擴散。電子的擴散速率與兩導體的電子密度有關並和接觸區的溫度成正比。
設導體A和B的自由電子密度為NA和NB,且有NA>NB,電子擴散的結果使導體A失去電子而帶正電,導體B則因獲得電子而帶負電,在接觸面形成電場。這個電場阻礙了電子繼續擴散,達到動態平衡時,在接觸區形成一個穩定的電位差,即接觸電勢,其大小可表示為式中eAB(T):為導體A和B的結點在溫度T時形成的接觸電勢;
e:為電子電荷,e=1.6x10-19C;
k:玻爾茲曼常數,k=1.38x10-23J/K;
NA,NB:分別為導體A、B的自由電子密度。
作用
塞貝克效應發現之後,人們就為它找到了套用場所。利用塞貝克效應,可製成溫差電偶(thermocouple,即熱電偶)來測量溫度。只要選用適當的金屬作熱電偶材料,就可輕易測量到從-180℃到+2000℃的溫度,如此寬泛的測量範圍,令酒精或水銀溫度計望塵莫及。現在,通過採用鉑和鉑合金製作的熱電偶溫度計,甚至可以測量高達+2800℃的溫度。
熱電偶的兩種不同金屬線焊接在一起後形成兩個結點,環路電壓VOUT為熱結點結電壓與冷結點(參考結點)結電壓之差。因為VH和VC是由兩個結的溫度差產生的,也就是說VOUT是溫差的函式。比例因數α對應於電壓差與溫差之比,稱為Seebeck係數。
相關詞條
化學醫理術語
| 關於一些化學,醫學方面的知識,我們的里了解都不是很全面,在日常生活里又起著很大的作用,我們有必要對此有一定的認知。 |

