概述
![]() |
| 放大電路 |
增加電信號幅度或功率的電子電路。套用放大電路實現放大的裝置稱為放大器。它的核心是電子有源器件,如電子管、電晶體等。為了實現放大,必須給放大器提供能量。常用的能源是直流電源,但有的放大器也利用高頻電源作為泵浦源。放大作用的實質是把電源的能量轉移給輸出信號。輸入信號的作用是控制這種轉移,使放大器輸出信號的變化重複或反映輸入信號的變化。現代電子系統中,電信號的產生、傳送、接收、變換和處理,幾乎都以放大電路為基礎。20世紀初,真空三極體的發明和電信號放大的實現,標誌著電子學發展到一個新的階段。20世紀40年代末電晶體的問世,特別是60年代積體電路的問世,加速了電子放大器以至電子系統小型化和微型化的進程。
工作原理
![]() |
| 放大電路 |
放大電路里通常是晶體三極體、場效應管、集成運算放大器等,這些器件也稱為有源器件。
共射放大電路如圖所示。Vcc是集電極迴路的直流電源,也是給放大電路提供能量的,一般在幾伏到幾十伏範圍,以保證晶體三極體的發射結正向偏置、集電結反向偏置,使晶體三極體工作在放大區。Rc是集電極電阻,一般在幾K至幾十K範圍,它的作用是把集電極電流iC的變化變成集電極電壓uCE的變化。VBB是基極迴路的直流電源,使發射結處於正向偏置,同時通過基極電阻Rb提供給基極一個合適的基極電流IBQ,使三極體工作在放大區中適當的區域,這個電流IBQ常稱為基極偏置電流,它決定著三極體的工作點,基極偏置電流IBQ是由VBB和基極電阻Rb共同作用決定的,基極電阻Rb一般在幾十KΩ至幾百KΩ範圍。
如在輸入端加上一個較小的正弦信號ui,通過電容C1加到三極體的基極,從而引起基極電流iB在原來直流IBQ的基礎上作相應的變化,由於ui是正弦信號,使iB隨ui也相應地按正弦規律變化,這時的iB實際上是直流分流IBQ和交流分量ib迭加後的量。同時iB的變化使集電極電流iC隨之變化,因此iC也是直流分量IC和交流分量ic的迭加,但iC要比iB大得多(即β倍)。電流iC在電阻RC上產生一個壓降,集電極電壓uCE=VCC-iCRL,這個集電極電壓uCE也是由直流分量IC和交流分量iC兩部分迭加的。這裡的uCE和iC相位相反,即當iC增大時,uCE減少。由於C2的隔直作用,使只有uCE的交流分量通過電容C2作為放大電路的輸出電壓uO。如電路參數選擇適當,uO要比uI的幅值要大得多,同時uI與uO的相位正好相反。電路中各點的電流、電壓波形如圖所示。
![]() |
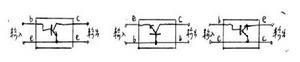
一個晶體三極體可以看作為一個雙口有源網路,由於晶體三極體只有三個極端,因此其中必須有一個極端作輸入和輸出的公共端。如果以其中發射極e作為輸入和輸出的公共端,基極b作為輸入,集電極c作為輸出,則該放大電路稱為共射放大電路。相應地以基極b作為輸入和輸出公共端,發射極e作為輸入,集電極c作為輸出的稱為共基放大電路。以集電極c作為輸入和輸出公共端,基極b作為輸入,發射極e作為輸出的稱為共集放大電路。這稱為晶體三極體放大電路的三種基本放大組態。
基本組態
(a)共射放大電路(b)共基放大電路(c)共集放大電路![]() |
基本形式
![]() |
| 放大電路 |
放大電路的基本形式有3種:共發射極放大電路,共基極放大電路和共集電極放大電路。在構成多級放大器時,這幾種電路常常需要相互組合使用。
現代使用最廣的是以電晶體(雙極型電晶體或場效應電晶體)放大電路為基礎的集成放大器。大功率放大以及高頻、微波的低噪聲放大,常用分立電晶體放大器。高頻和微波的大功率放大主要靠特殊類型的真空管,如功率三極體或四極管、磁控管、速調管、行波管以及正交場放大管等。
增加電信號幅度或功率的電子電路。套用放大電路實現放大的裝置稱為放大器。它的核心是電子有源器件,如電子管、電晶體等。為了實現放大,必須給放大器提供能量。常用的能源是直流電源,但有的放大器也利用高頻電源作為泵浦源。放大作用的實質是把電源的能量轉移給輸出信號。輸入信號的作用是控制這種轉移,使放大器輸出信號的變化重複或反映輸入信號的變化。現代電子系統中,電信號的產生、傳送、接收、變換和處理,幾乎都以放大電路為基礎。20世紀初,真空三極體的發明和電信號放大的實現,標誌著電子學發展到一個新的階段。20世紀40年代末電晶體的問世,特別是60年代積體電路的問世,加速了電子放大器以至電子系統小型化和微型化的進程。放大電路的基本形式有3種:共發射極放大電路,共基極放大電路和共集電極放大電路。在構成多級放大器時,這幾種電路常常需要相互組合使用。
特點
放大電路本身的特點:
一、有靜態和動態兩種工作狀態,所以有時往往要畫出它的直流通路和交流通路才能進行分析;
二、電路往往加有負反饋,這種反饋有時在本級內,有時是從後級反饋到前級,所以在分析這一級時還要能“瞻前顧後”。在弄通每一級的原理之後就可以把整個電路串通起來進行全面綜合。
性能指標
電壓放大倍數、輸入電阻和輸出電阻是放大電路的三個主要性能指標,分析這三個指標最常用的方法是微變等效電路法,這是一種在小信號放大條件下,將非線性的三極體放大電路等效為線性放大電路。[1]
放大倍數
放大倍數又稱增益,它是衡量放大電路放大能力的指標。根據需要處理的輸入和輸出量的不同,放大倍數有電壓、電流、互阻、互導和功率放大倍數等,其中電壓放大倍數套用最多。
輸入電阻
放大電路的輸入電阻是從輸入端向放大電路內看進去的等效電阻,它等於放大電路輸出端接實際負載電阻後,輸入電壓與輸入電流之比,即Ri=Ui/Ii。對於信號源來說,輸入電阻就是它的等效負載。
輸入電阻的大小反映了放大電路對信號源的影響程度。輸入電阻越大,放大電路從信號源汲取的電流(即輸入電流)就越小,信號源內阻上的壓降就越小,其實際輸入電壓就越接近於信號源電壓,常稱為恆壓輸入。反之,當要求恆流輸入時,則必須使Ri<<Rs;若要求獲得最大功率輸入,則要求Ri=Rs,常稱為阻抗匹配。
輸出電阻
對負載而言,放大電路的輸出端可等效為一個信號源。輸出電阻越小,輸出電壓受負載的影響就越小,若Ro=0,則輸出電壓的大小將不受RL的大小影響,稱為恆壓輸出。當RL<<Ro時即可得到恆流輸出。因此,輸出電阻的大小反映了放大電路帶負載能力的大小。
分類
根據放大電路的作用可以將其分為:電壓放大電路、電流放大電路和功率放大電路。根據放大電路的組成元件可以分為電晶體放大電路和場效應管放大電路。
電晶體放大電路的基本形式有三種:共射放大電路,共基放大電路和共集放大電路;場效應管放大電路基本形式有兩種:共源放大電路,共漏放大電路。在構成多級放大器時,這幾種電路常常需要相互組合使用。[1]
一、共發射極放大電路
共發射極放大電路簡稱共射電路,輸入端AA′外接需要放大的信號源;輸出端BB′外接負載。發射極為輸入信號ui和輸出信號uo的公共端。公共端通常稱為“地”(實際上並非真正接到大地),其電位為零,是電路中其他各點電位的參考點,用“⊥”表示。
1.電路的組成及各元件的作用
(1)三極體VNPN管,具有放大功能,是放大電路的核心。
(2)直流電源VCC使三極體工作在放大狀態,VCC一般為幾伏到幾十伏。
(3)基極偏置電阻Rb它使發射結正向偏置,並向基極提供合適的基極電流(。Rb一般為幾十千歐至幾百千歐。
(4)集電極負載電阻Rc它將集電極電流的變化轉換成集-射極之間電壓的變化,以實現電壓放大。Rc的值一般為幾千歐至幾十千歐。
(5)耦合電容C1、C2又稱隔直電容,起通交流隔直流的作用。C1、C2一般為幾微法至幾十微法的電解電容器,在聯結電路時,應注意電容器的極性,不能接錯。
2.放大電路的靜態分析:靜態是指放大電路沒有交流輸入信號(ui=0)時的直流工作狀態。靜態時,電路中只有直流電源VCC作用,三極體各極電流和極間電壓都是直流值,電容C1、C2相當於開路,其等效電路如圖6-22所示,該電路稱為直流通路。
對放大電路進行靜態分析的目的是為了合理設定電路的靜態工作點(用Q表示),即靜態時電路中的基極電流IBQ、集電極電流ICQ和集-射間電壓UCEQ的值,防止放大電路在放大交流輸入信號時產生的非線性失真。
三極體工作於放大狀態時,發射結正偏,這時UBEQ基本不變,對於矽管約為0.7V,鍺管約為0.3V。
三、功率放大電路
1.功率放大電路的基本概念功率放大電路的任務是輸出足夠的功率,推動負載工作。例如揚聲器發聲、繼電器動作、電動機鏇轉等。功率放大電路和電壓放大電路都是利用三極體的放大作用將信號放大,不同的是功率放大電路以輸出足夠的功率為目的,工作在大信號狀態;而電壓放大電路的目的是輸出足夠大的電壓,工作在小信號狀態。
功率放大電路應滿足以下要求:
(1)輸出功率足夠大為了獲得較大的輸出信號電壓和電流,往往要求三極體工作在極限狀態。實際套用時,應考慮到三極體的極限參數PCM、ICM和U(BR)CEO。
2)動態工作分析設輸入信號為正弦電壓ui,如圖6-30a所示。在正半周時,V1管發射結正偏導通,V2管發射結反偏截止,由+VCC提供的電流ic1經V1管流向負載,在負載RL上獲得正半周輸出電壓uo。同理,在負半周時,V1管發射結反偏截止,V2管發射結正偏導通,由-VCC提供的電流ic2從-VCC端經負載流向V2管,在RL上獲得負半周輸出電壓uo。可見,在ui的整個周期內,V1管和V2管輪流導通,相互補充,從而在RL上得到完整的輸出電壓uo,故稱為補對稱功率放大電路。
3.集成功率放大電路簡介
集成功率放大電路是將功率放大電路中的各個元件及其聯線製作在一塊半導體晶片上的整體。它具有體積小、重量輕、可靠性高、使用方便等優點,因此在收錄機、電視機及伺服放大電路中獲得廣泛套用。
四、多級放大電路簡介
實際套用中,放大電路的輸入信號都是很微弱的,一般為毫伏級或微伏級。為獲得推動負載工作的足夠大的電壓和功率,需將輸入信號放大成千上萬倍。由於前述單級放大電路的電壓放大倍數通常只有幾十倍,所以需要將多個單級放大電路聯結起來,組成多級放大電路對輸入信號進行連續放大。
多級放大電路中,輸入級用於接受輸入信號。為使輸入信號儘量不受信號源內阻的影響,輸入級應具有較高的輸入電阻,因而常採用高輸入電阻的放大電路,例如射極輸出器等。中間電壓放大級用於小信號電壓放大,要求有較高的電壓放大倍數。輸出級是大信號功率放大級,用以輸出負載需要的功率。
2.多級放大電路的級間耦合方式及特點在多級放大電路中,級與級之間的聯結方式稱為耦合。級間耦合時應滿足以下要求:各級要有合適的靜態工作點;信號能從前級順利傳送到後級;各級技術指標能滿足要求。
功率類型
A類
當對效率要求不高的時候,大多數小信號線性放大器會設計成甲類(A類),即輸出級元件總是處於導通區。甲類(A類)放大器一般比其它類型線性度更好,也較為簡單,但效率非常低。這類放大器最常用於小信號級或低功率(例如驅動耳機)套用中。
D類
丁類(D類)放大器使用開關來達到很高的功耗效率(在現代設計中大於90%)。通過允許每個輸出器件完全導通或關斷,能量損失達到最小化。像脈衝寬度調製這類簡單方法有時還在使用;然而,高性能的開關放大器使用數位技術,比如∑-Δ調製,來達到更高的性能。早先由於有限的頻寬和相當大的失真,它們僅用於亞低音用擴音器。半導體器件的進展已經使開發高保真、全聲音頻帶丁類(D類)放大器的開展成為可能,使得它們的信噪比(S/N)和失真度與其它線性器件相近。
歷史及演化
放大器電路在不同時期在電子領域中有扮演著不同的角色:
(1)放大器電路被首次用於中繼傳播設施。例如在舊式電話線路中:用弱電流控制外呼線路的電源電壓。
(2)用於音頻廣播。范信達(ReginaldFessenden)在1906年12月24日,首次把碳粒式麥克風(Carbon
microphone)作為放大器,套用於調頻廣播傳送裝置中,把聲音調製成射頻源。
(3)在20世紀60年代,電晶體開始淘汰。當時,一些大功率放大器或專業級的音頻套用(例如吉他放大器和高保真放大器)仍然會採用電晶體放大器電路。許多廣播發射站仍然使用真空管。
(4)20世紀70年代開始,越來越多的電晶體被連線到一塊晶片上來製作積體電路。如今大量商業上通行的放大器都是基於積體電路的。
電路基礎
| 電的發明是人類工業發展的開始;有了電世界才有今天的科技發達;社會繁榮! |





