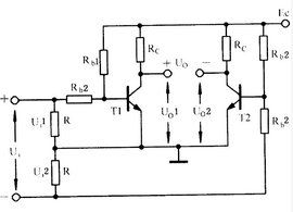
電路圖
差動放大電路的基本電路圖上圖為差動放大電路的基本電路圖
工作原理
1、差動放大電路的基本形式對電路的要求是:兩個電路的參數完全對稱兩個管子的溫度特性也完全對稱。它的工作原理是:當輸入信號Ui=0時,則兩管的電流相等,兩管的集點極電位也相等,所以輸出電壓Uo=UC1-UC2=0。溫度上升時,兩管電流均增加,則集電極電位均下降,由於它們處於同一溫度環境,因此兩管的電流和電壓變化量均相等,其輸出電壓仍然為零。它的放大作用(輸入信號有兩種類型)
(1)共模信號及共模電壓的放大倍數Auc
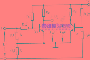
共模信號---在差動放大管T1和T2的基極接入幅度相等、極性相同的信號。如圖(2)所示共模信號的作用,對兩管的作用是同向的,將引起兩管電流同量的增加,集電極電位也同量減小,因此兩管集電極輸出共模電壓Uoc為零。因此:。於是差動電路對稱時,對共模信號的抑制能力強字串3
(2)差模信號及差模電壓放大倍數Aud
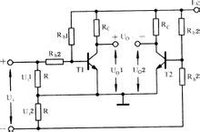
差模信號---在差動放大管T1和T2的基極分別加入幅度相等而極性相反的信號。如圖(3)所示差模信號的作用,由於信號的極性相反,因此T1管集電極電壓下降,T2管的集電極電壓上升,且二者的變化量的絕對值相等,因此: 此時的兩管基極的信號為:所以:,由此我們可以看出差動電路的差模電壓放大倍數等於單管電壓的放大倍數。由圖可知,當對差動電路的兩個輸入端加上一對大小相等、相位相反的差膜信號,這事第一個管的射級電流增大,第二個管的射級電流減小,且增大量和減小量時時相等。另外,由於輸入差膜信號,兩管輸出端電位變化時,一端升高。另一端則降低,且升高量等於降低量。基本差動電路存在如下問題: 電路難於絕對對稱,因此輸出仍然存在零漂;管子沒有採取消除零漂的措施,有時會使電路失去放大能力;它要對地輸出,此時的零漂與單管放大電路一樣。 為此我們要學習另一種差動放大電路------長尾式差動放大電路
差動放大電路零點漂移
零點漂移可描述為:輸入電壓為零,輸出電壓偏離零值的變化。它又被簡稱為:零漂
零點漂移是怎樣形成的:運算放大器均是採用直接耦合的方式,我們知道直接耦合式放大電路的各級的Q點是相互影響的,由於各級的放大作用,第一級的微弱變化,會使輸出級產生很大的變化。當輸入短路時(由於一些原因使輸入級的Q點發生微弱變化 像:溫度),輸出將隨時間緩慢變化,這樣就形成了零點漂移。
產生零漂的原因是:晶體三極體的參數受溫度的影響。解決零漂最有效的措施是:採用差分放大電路。

