單極型管
單級型管的單級放大電路,用場效應管作為放大器件組成的放大電路,稱為場效應管放大電路。場效應管和雙極型電晶體一樣是電路的核心器件,在電路中起以小控大的作用。在場效應管的放大電路中,為實現電路對信號的放大作用,必須要建立偏置電路以提供合適的偏置電壓,使場效應管工作在特性的恆流區。
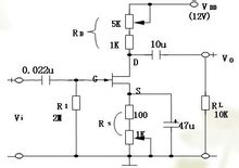
自給偏壓電路
自給偏壓電路N溝道耗盡型MOS管組成的共源極放大電路
場效應管的柵極通過電阻Rg接地,源極通過電阻Rs接地。這種偏置方法靠漏極電流Id在源極電阻Rs上產生的電壓為柵源極提供一個偏置電壓Ugs,故稱為自偏壓電路。
場效應管
場效應管也是非線性器件,在輸入信號電壓很小的條件下,也可將其用小信號模型等效。與建立雙極型三極體小信號模型相似,將場效應管也看成一個兩連線埠網路,以結型場效應管為例,柵極與源極之間為輸入連線埠,漏極與源極之間為輸出連線埠。無論是哪種類型的場效應管,均可以認為柵極電流為零,輸入連線埠視為開路,柵源極間只有電壓存在。
共源極
共源極放大電路共源極場效應管放大電路與雙極型管共射放大電路相比較,
共源極放大電路具有以下特點:輸入電阻極高,相當於開路;輸出電阻由於並聯一個電阻Rds,因此輸出電阻較小。共源極場效應管放大電路的微變等效電路相當於一個電壓控制的電流源。
放大電路
共漏極放大電路又稱為源極輸出器或源極跟隨器,同樣具有與共集電極放大電路相同的特性:輸入電阻高、輸出電阻低和電壓放大倍數小於1並接近於1。
雙極型管
雙極型的單級放大電路,單級放大電路一般是指由一個三極體或一個場效應管組成的放大電路。
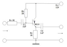
共發射極
共源極放大電路1. 放大電路的核心元件電晶體工作在放大狀態,即要求其發射結正偏、集電
結反偏。
2. 輸入迴路的設定應當使輸入信號耦合到電晶體的輸入電極,並形成變化的基極電流Ib,進而產生電晶體的電流控制關係,變成集電極電流Ic的變化。
3. 輸出迴路的設定應當保證電晶體放大後的電流信號能夠轉換成負載需要的電壓形式。
4. 信號通過放大電路時不允許出現失真。共發射極放大電路各器件作用
1. 電晶體(VT)
電晶體是放大電路的核心元件。利用其基極小電流控制集電極較大電流的作用,使輸入的微弱電信號通過直流電源Ucc提供能量,獲得一個能量較強的輸出電信號。
2. 集電極電源(Ucc)
共發射極放大電路實用中通常採用單電源供電方式,在這個電路中,直流電源常用Ucc表示。Ucc的作用有兩個:一是為放大電路提供能量,二是保證電晶體
的發射結正偏,集電結反偏。交流信號下的Ucc呈交流接地狀態,Ucc的數值一般為幾伏至幾十伏。
3. 集電極電阻(Rc)
Rc的阻值一般為幾千歐至幾十千歐。其作用是將集電極的電流變化轉換成電晶體集、射極間的電壓變化,以實現由放大電路負載上獲得電壓放大的目的。
4. 固定偏置電阻(Rb)
Rb的阻值一般為幾十千歐至幾百千歐。主要作用是保證發射結正向偏置,並提供一定的基極電流Ib,使放大電路獲得一個合適的靜態工作點。
5. 耦合電容(C1和C2)
C1和C2在電路中的作用是“隔離直流通過交流”。電容器的容抗Xc與頻率f為反比關係,因此在直流情況下,電容相當於開路,使放大電路與信號源之間可靠隔離;在電容量足夠大的情況下,耦合電容對規定頻率範圍內的交流輸入信號呈現的容抗極小,可近似視為短路,從而讓交流信號無衰減地通過。
共集電極
共集電極放大電路把輸入信號由電晶體的基極輸入,而把負載電阻接在發射極上。特點:電壓增益(放大倍數)
小於1但近似等於1,輸出電壓與輸入電壓同相位,輸入電阻高、輸出電阻低。雖然共集電極放大電路的電壓增益小於1,但是它的輸入電阻高,當信號源(或前極)提供給放大電路同樣大小的信號電壓時,由於具有較高的輸入電阻,使所需提供的電流減小,從而減輕了信號源的負載。
共基極
共基極放大電路特點:共基極放大電路的輸入電阻很低,一般只有幾歐到幾十歐,但其輸出電阻卻很高。另外,共基放大電路允許的工作頻率較高,高頻特性比較好,所以它多用於高頻和寬頻帶電路或恆流源電路中。
性能比較
| 電路形式 | 共發射極放大電路 | 共集電極放大電路 | 共基極放大電路 |
| 電流放大係數 | 較大,例如200 | 較大,例如200 | =<1 |
| 電壓放大係數 | 較大,例如200 | =<1 | 較大,例如100 |
| 功率放大倍數 | 很大,例如20000 | 較大,例如300 | 較大,例如200 |
| 輸入電阻 | 中等,例如5K | 較大例如50K | 較小,例如50 |
| 輸出電阻 | 較大,例如10K | 較小,例如100 | 較大,例如5K |
| 輸出與輸入電壓相位 | 相反 | 相同 | 相同 |
功效放大
三種類別放大電路實物圖實際電子技術套用中,當線路中負載為揚聲器、記錄儀表、繼電器或伺服電動機等設備時 ,就要求它能為負載提供足夠大的交流功率,使之能夠帶動負載。通常把這種電子線路的輸出級稱為功率放大電路,簡稱"功放"。功放電路中的電晶體稱為功率放大管,簡稱"功放管"。功放廣泛用於各種電子設備、音響設備、通信及自控系統中。
工作狀態
甲類放大器
甲類放大電路這種功放的工作原理是輸出器件電晶體始終工作在傳輸特性曲線的線性部分,在輸入信號的整個周期內輸出器件始終有電流連續流動,這種功放失真小,但效率低,約為50%,功率損耗大,一般套用在家庭的高檔機中。
乙類放大器
兩隻電晶體交替工作,每隻電晶體在信號的半個周期內導通,另外半個周期內截止。該機效率高,約為78%,但缺點是容易產生交越失真(兩隻電晶體分別導通時發生的失真)。
甲乙類放大器
乙類放大電路
甲乙類放大電路甲乙類放大器兼有甲類放大器音質好和乙類放大器效率高的優點,被廣泛套用於家庭、專業、汽車音響系統中。
功能分類
前級功放
其主要作用是對信號源傳輸過來的節目信號進行必要的處理和電壓放大後,再輸出到後級放大器。
後級功放
其對前級放大器送出的信號進行不失真放大,以強勁的功率驅動揚聲器系統。除放大電路外,還設計有各種保護電路,如短路保護、過壓保護、過熱保護、過流保護等。前級功放和後級功放一般只在高檔機或專業的場合採用。
合併式放大器
將前級放大器和後級放大器合併為一台功放,兼有前二者的功能,通常所說的放大器都是合併式的,套用範圍較廣。
特點
功率放大器電路實物圖功放電路和前面介紹的基本放大電路都是能量轉換電路,從能量控制的角度來看, 功率放大器和電壓放大器並沒有本質上的區別。但是,從完成任務的角度和對電路的要求來看,它們之間有著很大的差別。低頻電壓是在小信號狀態下工作,動態工作點擺動範圍小,非線性失真小,因此可用微變等效電路法分析、計算電壓放大倍數、輸入電阻和輸出電阻等性能指標,一般不考慮輸出功率。而功率放大電路是在大信號情況下工作,具有動態工作範圍大的特點,通常只能採用圖解法分析,而分析的主要性能指標是輸出功率和效率。
技術要求
功率放大器主要考慮獲得最大的交流輸出功率,而功率是電壓與電流的乘積,因此功放電路不但要有足夠大的輸出電壓,而且還應有足夠大的輸出電流。因此,對功放電路具有以下幾點要求。
效率儘可能高
功放是以輸出功率為主要任務的放大電路。由於輸出功率較大,造成直流電源消耗的功率也大,效率的問題突顯。在允許的失真範圍內,期望功放管除了能夠滿足所要求的輸出功率外,應儘量減小其損耗,首先應考慮儘量提高管子的工作效率。
具有足夠大的輸出功率
為了獲得儘可能大的功率輸出,要求功放管工作在接近"極限運用"的狀態。選管子時應考慮管子的三個極限參數Icm、Pcm和Ubr CEO。
非線性失真儘可能小
功放工作在大信號狀態下,不可避免地會產生非線性失真,而且同一功放管的失真情況會隨著輸出功率的增大而越發嚴重。技術上常常對電聲設備要求其非線性失真儘量小,最好不發生失真。而在控制電動機和繼電器等方面,則要求以輸出較大功率為主,對非線性失真的要求不是太高。由於功率管處於大信號工況,所以輸出電壓、電流的非線性失真不可避免。但應考慮將失真限制在允許範圍內,亦即失真也要儘可能地小。
另外,由於功率管工作在"極限運用"狀態,因此有相當大的功率消耗在功放管的集電結上,從而造成功放管結溫和管殼的溫度升高。所以管子的散熱問題及過載保護問題也應充分予以重視,並採取適當措施,使功放管能有效地散熱。
失真形式
飽和失真
靜態工作點過大,在信號正半周進入了輸出特性曲線的飽和區。方法是提高工作電壓、適當調小靜態工作點,輸入信號幅度。
截止失真
靜態工作點過低,信號負半周進入了輸出特性曲線的截止區。方法是提高靜態工作點、適當減小輸入信號幅度。
交越失真
又稱小信號失真,在輸入信號幅度很小時,進入了輸入特性的彎曲段,是乙類推挽功放電路中靜態電流過小所致。方法是適當提高靜態電流。小功率放大器靜態電流在2-4mA(如收音機功放),大功率功放可選十多mA。乙類互補對稱功率
乙類互補對稱電路的交越失真理想情況下,乙類互補對稱電路的輸出沒有失真。
實際的乙類互補對稱電路(圖),由於沒有直流偏置,只有噹噹輸入信號vi大於管子的門坎電壓(NPN矽管約為0.6V,PNP鍺管約為0.2V)時,管子才能導通。當輸入信號vi低於這個數值時,T1和T2都截止,ic1和ic2基本為零,負載RL上無電流通過,出現一段死區,如圖1所示。這種現象稱為交越失真。
多級放大
組成
組成多級放大電路的每一個基本放大電路稱為一級;一級和一級之間的連線稱為級間耦合。多級放大電路的耦合方式通常有直接耦合、阻容耦合和變壓器耦合等。
耦合方式
直接耦合直接耦合
如圖所示,兩個放大器之間不採用任何其它的器件連線,這種耦合方式稱為“直接耦合”。
直接耦合的多級放大電路,各級間的靜態工作點將互不影響。如圖中VT1管的Uce1受到Ube2的限制,僅有0.7V左右。因此,第一級輸出電壓的幅值將很小。為了保證第一級有合適的靜態工作點,必須提高VT2管的發射極電位,為此,常在VT2的發射極接入電阻、二極體或穩壓管等。
優點:直接耦合放大電路既可以放大交流信號,也可放大直流信號和變化非常緩慢的信號,且信號傳輸效率高,具有結構簡單、便於集成化等優點,積體電路中多採用這種耦合方式。
缺點:存在著各級靜態工作點相互牽制和零點漂移問題。
阻容耦合
將放大電路的前級輸出端通過電容接到後級輸入端,稱為阻容耦合方式。
直流分析:由於電容對直流量的電抗為無窮大,因而阻容耦合放大電路各級之間的直流通路不相通,各級的靜態工作點相互獨立。
交流分析:只要輸入信號頻率較高,耦合電容容量較大,前級的輸出信號可幾乎沒有衰減地傳遞到後級的輸入端。因此,在分立元件電路中阻容耦合方式得到非常廣泛的套用。
優點:耦合電容的隔直通交作用,使兩級Q相互獨立,給設計和調試帶來了方便
缺點:低頻特性差,不能放大變化緩慢的信號;在積體電路中製造大容量的電容很困難,因此阻容耦合方式不便於集成化。
變壓器耦
放大電路的前級輸出端通過變壓器接到後級輸入端,稱為變壓器耦合方式。這種耦合方式主要用於早期的功率耦合輸出,在當今集成化的趨勢下,已經逐步被淘汰,使用量已經很少。
優點:級間無直流通路,各級獨立;變壓器具有阻抗變換作用,可獲最佳負載;
缺點:變壓器造價高、體積大、不能集成,其套用受到限制

