元件作用
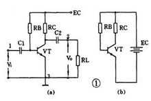
圖為單管共發射極放大電路的組成,電路中有一個雙極型三極體作為放大器件,因此是單管放大電路。輸入迴路和輸出迴路的公共端是三極體的發射極,所以稱為單管共射放大電路。
三極體V:實現電流放大。
集電極直流電源UCC :確保三極體工作在放大狀態。
集電極負載電阻RC :將三極體集電極電流的變化轉變為電壓變化,以實現電壓放大。
基極偏置電阻RB :為放大電路提供靜態工作點。
耦合電容C1和C2 :隔直流通交流。
工作原理
ui直接加在三極體V的基極和發射極之間,引起基極電流iB作相應的變化 。
通過三極體VT的電流放大作用,VT的集電極電流iC也將變化 。
iC的變化引起V的集電極和發射極之間的電壓uCE變化。
uCE中的交流分量uce經過電容C2暢通地傳送給負載RL,成為輸出交流電壓uo,,實現了電壓放大作用。
以上只是定性地闡述了單管共射放大電路的基本工作原理。
原理圖
詳細原理圖
共發射極放大電路
