基本內容
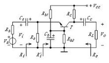
共基極放大電路中,輸入信號是由三極體的發射極與基極兩端輸入的,再由三極體的集電極與基極兩端獲得輸出信號,因為基極是共同接地端,所以稱為共基極放大電路。
相關特性
1、輸入信號與輸出信號同相;
2、電壓增益高;
3、電流增益低(≤1);
4、功率增益高;
5、適用於高頻電路。
共基極放大電路共基極放大電路的輸入阻抗很小,會使輸入信號嚴重衰減,不適合作為電壓放大器。但它的頻寬很大,因此通常用來做寬頻或高頻放大器。在某些場合,共基極放大電路也可以作為“電流緩衝器”(Current Buffer)使用。
共基極電路,是基極作為輸入、輸出的公共點(交流信號接地點),輸入的是發射極電流,輸出的是集電極電流。即輸出電流小於輸入電流,沒有電流放大作用。輸入信號是加在正偏的發射結上,電流大,故輸入阻抗很低;輸出信號是反偏的集電結,阻抗很高。有較大的電壓放大倍數。
共集電極電路,輸入信號是加在基極-集電極之間。由於集電結是加的反偏電壓,阻抗很高;也可理解是100%、很深的串聯電壓負反饋,使得輸入阻抗極高。輸出電流是發射極電流,故輸出阻抗是低阻抗。但共基極放大電路不能放大電流,由於頻率特性好,常用於寬頻帶放大器和高頻放大器
電路原理圖
共基極放大電路
