形態特徵
根莖葉的分化
維管束植物為多細胞植物體,細胞分化明顯,組成各種不同功能的組織。有根、莖、葉的分化。
維管束作用
植物體有由特化的細胞所組成的維管束。承擔支持和運輸的功能。
生殖器官特徵
生殖器官構造複雜,特別是被子植物有完善的花。胚由
維管束世代交替明顯而有規律,不受外界條件的影響而變化。無性世代占優勢。越高等越有性生殖越退化。
結構組成
維管束維管束由初生韌皮部、束中形成層和初生木質部所組成。
初生木質部
其中初生木質部包括管狀分子(導管分子或管胞),薄壁組織細胞和纖維。
初生韌皮部
變褐色的維管束初生韌皮部包括篩分子(篩管分子或篩胞),伴胞(被子植物特有),薄壁組織細胞和厚壁組織細胞。
原生木質部和原生韌皮部
在維管束的發育過程中,初生木質部和初生韌皮部還可分為發育較早的原生木質部和原生韌皮部,以及發育較遲的後生木質部和後生韌皮部。由於早先發育的原生木質部和原生韌皮部分子,在初生植物體伸長生長時就已成熟,它們不再與周圍的細胞一起繼續伸長,因而常被擠毀,或留下原生木質部的腔隙,如玉米的莖中的維管束。在維管束的周圍,通常由一層或數層具支持作用的厚壁組織細胞組成的維管束鞘所包圍。它們有時僅在木質部或韌皮部的一端,或同時出現在兩端。多年生木本植物維管束排列成桶狀。
初生木質部結構
其中初生木質部包括管狀分子(導管分子或管胞)、薄壁組織細胞和纖維。
初生韌皮部結構
維管束初生韌皮部包括篩分子(篩管分子或篩胞)、伴胞(被子植物特有)、薄壁組織細胞和厚壁組織細胞。
維管系統
維管束彼此交織連線,構成初生植物體輸導水分、無機鹽及有機物質的一種輸導系統——維管系統,併兼有支持植物體的作用。
維管束來源與發育
來源的過程
維管束維管束由頂端分生組織分化的原形成層產生,屬初生維管組織。在外韌維管束中,原形成層首先向內產生原生木質部,向外分化原生韌皮部,隨後分化後生木質部和後生韌皮部。如果原形成層已全部分化成木質部與韌皮部,這種維管束不再繼續生長,稱有限維管束,見於蕨類植物、單子葉植物和不具次生生長的雙子
葉植物中。位於後生木質部與後生韌皮部之間的原形成層,如能繼續發育為維管形成層(即束中形成層),並與維管束之間薄壁組織產生的形成層(束間形成層)相接,向外產生次生韌皮部,向內分化次生木質部,這種能繼續生長的維管束,稱為無限維管束,常見於裸子植物和木本雙子葉植物中。
在初生植物體內,維管束相互連線、錯綜複雜。莖中的維管束進入葉子裡,是通過莖皮層到葉柄基部的一段維管束,即葉跡。同樣,側芽發生後,由枝跡將莖的維管束與側枝維管束相互連線。根中的維管組織的排列與莖不同,它們之間的聯繫是通過一個過渡區,即由根的木質部束與韌皮部束交替排列的方式,逐漸轉變成莖中木質部與韌皮部內外排列成維管束的形式。總之,根通過過渡區與莖維管束相連,莖再通過枝跡與葉跡同側枝與葉子的維管束連線,這樣,在初生植物體中構成一個完整的維管組織系統,主要起輸導和支持作用。
發育的例子
維管束以玉米為例,果穗內維管束聯絡系統的分化發育與穗分化相一致; 穗柄 ) 穗軸 ) 籽粒的維管 聯絡在雙小穗期 初步建成, 至穗分化結束時完善成熟; 不同穗位、粒位的果穗維管束數目、面積上存在顯著差異, 下位退化穗和果穗頂部的維管束髮育差;穗柄與穗軸內的大維管束數、單個大維管束的平均面積、大維管束面積、維管束總面積與穗粒數、 籽粒乾重、 籽粒體積間存在顯著正相關關係; 籽粒發育期間, 穗柄傷流量及輸送效率的變化趨勢與籽粒乾重的增長趨勢一致。
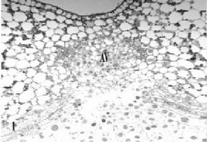
對維管束髮育的舉例以小麥為例,小麥穎果腹部維管束 韌皮部中的篩管較多, 而處在中部的木質部中的導管較少。如花後 5 d 的穎果腹部維管束中部是 9~ 12 條導管, 其外側是呈 半圓形分布的 4 0 條 左右的篩分子, 腹部維管束與胚囊中的胚乳細胞間有合點, 合點上方為珠心突起( 圖v1) , 該部位細胞和細胞核較大, 細胞間隙大, 有利於養分質外體輸送。小麥穎果花後 5 d 腹部維管束還沒有完全分化成型, 只有大量的果皮薄壁細胞包圍在原維管束的周圍 。花後 12 d , 較完善的
輸導組織已發育形成, 篩管分子分布於維管束外側, 左右兩部分對稱, 呈半圓形。在韌皮部薄壁細胞上方為木質部, 有 1 0 多個導管( 圖v2) 。花後16 d, 腹部維管束髮育成熟( 圖v3 ) , 具有較強的輸送養分的能力。花後 19 d 觀察穎果腹部維管束的超微結構( 圖v4) , 發現, 在穎果維管束中篩管周圍有伴胞, 形成典型的篩分子 - 伴胞複合結構, 伴胞細胞基質濃厚, 篩分子壁向內加厚, 中間細胞的液泡化更加明顯, 中央大液泡幾乎占據細胞大部分體積, 原生質被擠到細胞的周緣。但穎果的伴胞或薄壁細胞的體積比篩管分子大, 這與莖中相反, 而且這些伴胞或薄壁細胞的細胞質濃, 線粒體密度大, 呼吸旺盛, 代謝活躍, 在功能上與莖中的伴胞不同。在其周圍的薄壁細胞原生質染色較伴胞淺, 其中有球狀的線粒體, 少量球形的質體。花後 2 8 d 穎果腹部維管束薄壁細胞外形不規則, 許多細胞壁向旁邊的細胞內突出或細胞壁內陷( 圖v5 箭頭處) , 大部分韌皮薄壁細胞胞核解體, 並逐漸消失, 線粒體數目變少說明薄壁細胞物質轉運能力開始下降。花後36 d , 輸導組織被四周的胚乳細胞擠壓, 嚴重變形和破碎, 輸導功能已基本喪失。( 圖v6) 。

