定義
數據分配器能夠將1個輸入數據,根據需要傳送到m個輸出端的任何一個輸出端的電路,叫做數據分配器,又稱為多路分配器,其邏輯功能正好與數據選擇器相反。
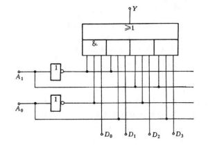
電路結構:由與門組成的陣列。
數據分配是將一個數據源來的數據根據需要送到多個不同的通道上去,實現數據分配功能的邏輯電路稱為數據分配器。它的作用相當於多個輸出的單刀多擲開關,其示意圖如上圖所示。
數據分配器可以用唯一地址解碼器實現。
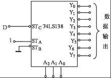
如用3線-8線解碼器可以把一個數據信號分配到8個不同的通道上去。用74138作為數據分配器的邏輯原理圖如下:
數據分配器將G2B接低電平,G1作為使能端,C,B和A作為選擇通道地址輸入,G2A作為數據輸入。例如,當G1=1,CBA=010時,由74138的功能表可得:
數據分配器而其餘輸出端均為高電平。因此,當地址CBA=010時,只有輸出端Y2得到與輸入相同的數據波形。74138解碼器作為數據分配器的功能表如下所示。
數據分配器數據分配器的用途比較多,比如用它將一台PC機與多台外部設備連線,將計算機的數據分送到外部設備中。它還可以與計數器結合組成脈衝分配器,用它與數據選擇器連線組成分時數據傳送系統。
一種數據分配器,包括有主輸入端和若干個輸出端,其中主輸入端與匹配器相連,匹配器再與分配器相連,分配器再連線至多個輸出端,其特徵在於在主輸入連線埠和每個輸出連線埠並接有自複式過壓保護器。本實用新型抗干擾性能好、插入損耗小、分支損耗帶內平坦、工作頻頻寬、耐高壓、適應各種複雜環境。是雙向電視及通信系統的理想信號分配器。
分類
1路-4路數據分配器(如74LS139)、1路-8路數據分配器(74LS138)等。
由於解碼器和數據分配器的功能非常接近,所以解碼器一個很
重要的套用就是構成數據分配器。
也正因為如此,市場上沒有集成數據分配器產品,只有集成譯
碼器產品。當需要數據分配器時,可以用解碼器改接。
功能表如右圖
數據分配器邏輯電路圖
數據分配器由74LS138構成的1—8路數據分配器:
數據分配器
