名詞解釋
關於對數反對數方法是:由b的尾數查反對數表確定N的前幾個有效數字;而由b的首數來確定N的位數:即當b的首數不小於0時,N的位數等於b的首數加一;當b的首數小於0時,N的第一個有效數字左邊0的個數等於b的首數的絕對值(包括小數點前的一個0)

反對數,數字名詞。是指如果正數n的對數為b,則稱n為b的反對數。
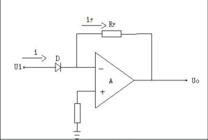
關於對數反對數用二極體或電晶體替換反相輸入比例運算電路的反饋電阻,可構成對數運算電路。互換對數運算電路中電阻和二極體或電晶體,可構成反對數運算電路。這種電路輸入信號只...
簡介 基本對數運算電路及原理1.反餘切反餘切函式介紹 餘切函式y=cotx x∈(0,,π)的反函式叫做反餘切函式,記做:y=arccotx. 定義域:R 值域:(0,π) 單調性:減函式 圖像大致為 反餘切函式性質1、反餘切函式y...
反餘切函式性質反求工程(Reverse Engineering,RE),也稱逆向工程、反向工程,是指用一定的測量手段對實物或模型進行測量,根據測量數據通過三維幾何建模...
基本介紹 含義 研究內容 套用領域 關鍵技術標準對數視力表燈 產品標準 YZB/京0407-2004《SLD-3型標準對數視力表燈》
基本概念在其最基本的形式中,算尺用兩個對數標度來作乘法除法,這些在紙上...,指數,對數,和三角函式。通常,數學計算通過把滑動桿上的記號和其他固定桿上...下圖顯示了一把有兩個對數刻度的簡化算尺。也就是說,一個數字x印在每把尺...
基本概念 運算 物理設計 材料 歷史反問題,抽象術語,和“正問題”相對,是指通過由果索因來探究問題的研究過程。比如讓“時光倒流”的方法,就是“反問題”的研究領域。“反問題”是套用數學成長最...
概念 套用案例 套用領域 未來發展 國際會議:人類的聽覺反應是基於聲音的相對變化而非絕對的變化。對數標度正好能模仿人類...域中,分貝的定義是聲源功率與基準聲功率比值的對數乘以10的數值。用於形容...的物理量如功率,取對數後乘以10就行了;不管是振幅類還是平方項,變成分貝後...
簡介 基本信息 名字由來 換算表 計算方法(或減少),這樣的動點所形成的軌跡。典型的平面螺線有阿基米德螺線、對數螺線...螺線。對數螺線 螺線 螺線 對數螺線是一種特殊曲線。指在極坐標系中,極半徑ρ的對數與極角θ的比為常數的點M(ρ,θ)的軌跡。它的極坐標方程為...
簡介 平面螺線 螺鏇線