電子顯微學
正文
用電子顯微鏡研究物質的顯微組織、成分和晶體結構的一門科學技術。電子顯微鏡是用一束電子照射到樣品上並將其組織結構細節放大成像的顯微鏡。根據成像特點,目前廣泛使用的電子顯微鏡有:①透射電子顯微鏡;②掃描電子顯微鏡;③掃描透射電子顯微鏡。透射電子顯微鏡 (transmission electron micro-scopy,簡寫為TEM)。#160;
構造原理 電子顯微鏡的構造原理與光學顯微鏡相似,主要由照明系統和成像系統構成(圖1)。照明系統包括電子槍和聚光鏡。鎢絲在真空中加熱並在電場的作用下發射出電子流,經聚光鏡會聚,照射到樣品上。成像系統主要是物鏡和投影鏡,後者相當於光學顯微鏡中的目鏡。從樣品上物點發射出的散射電子波,經過物鏡的聚焦成像作用在其像面上產生一次放大像,再經過投影鏡在螢光屏上產生二次放大像,可供直接觀察或拍攝相片。在電子顯微鏡中所有透鏡都是磁透鏡,利用強磁場使電子束聚焦。
電子顯微學加速電壓(kV) 100 200 500 1000
波長(10-2┱) 3.70 2.51 1.42 0.87顯然,根據電子波長得出的電子顯微鏡的理論分辨極限遠小於0.1┱,但是由於磁透鏡的球面象差和象散,電壓與電流的波動,儀器的震動,樣品的漂移等等,透射電子顯微鏡的實際分辨本領遠遜於此值。1939年第一台商品電子顯微鏡問世(1932年在實驗室中就已研製成功),使用單聚光鏡和兩個成像透鏡,分辨本領優於100┱。現在的一級電子顯微鏡普遍採用雙聚光鏡和3~4個成像透鏡(在物鏡與投影鏡之間安裝1~2箇中間鏡,見圖3),可以直接得到放大一百萬倍的像,分辨本領為2~3┱,不但可以分辨點陣平面像(圖9),而且可以分辨原子,直接觀察到晶體與分子中的原子(圖10)。由此可見,放大倍數高,分辨極限可以小到原子尺度,這是透射電子顯微鏡的最顯著的特點。
電子顯微學
電子顯微學
電子顯微學
電子顯微學圖4a 是一個NiCl2·2H2O單晶的電子顯微像,圖4d是減弱中間鏡電流使其物面與物鏡的後焦面相重而得到的電子衍射圖。在連續減弱中間鏡電流的過程中,圖3中的中間鏡物面不斷上移到 BB┡及 CC┡位置。圖4b及圖4c就是在這種情況下得到的照片,既有象的特徵,又有衍射圖的特徵。圖4c,是屬於中間鏡物面與物鏡後焦面相距不遠的情況(圖3中 CC截面),可以看作是不聚焦的衍射圖,每個強衍射斑已有和圖4a所示的晶體外形相似的雛型。,圖4b屬於中間鏡物面與物鏡後焦面相距較遠的情況,可以看作是不聚焦的多重像,但它們的配置已顯示衍射圖的六次對稱特徵。實際上每個小像就是一個衍射斑點變成的暗場像,中心的透射斑點變成明場像。圖4中的一系列從成像變換到衍射圖的照片清楚地說明了阿貝的衍射成像理論,並為透射電子顯微鏡進行各種電子衍射和成像實驗開闢了途徑。
電子顯微學選擇衍射成像 晶體在透射電子顯微鏡中的成像作用與衍射密切相關,像的襯度也是由衍射的振幅大小決定的,稱衍襯(diffraction contrast)。為得到清晰的襯度,可調整晶體樣品的取向,使得除透射電子束外,只出現一個很強的衍射束,一般稱為雙光束情況。可用物鏡光闌擋住衍射束,只讓透射束成明場像(圖5a);也可用物鏡光闌擋住透射束,讓一個衍射束成暗場像(圖5b)。從圖4b可以看出,與明場像正好相反,衍射束成的暗場像的背景是暗的,像是亮的。在圖5b的情況下,由於衍射束偏離光軸,暗場像朝一個方向拉長,解析度不高。圖5c,是用偏轉線圈使入射電子束傾斜一個角度照射到樣品上,從而使衍射束與光軸相重,這樣得到的暗場像解析度高。上述成像方法都稱為選擇衍射成像。
電子顯微學
電子顯微學萃取復型是指在金屬樣品表面上製成復型後再用蝕刻劑溶掉金屬基體而讓第二相脫離基體並附著在復型上。這種復型的優點是除了觀察表面形貌外,還可以用電子衍射方法確定第二相的晶體結構類型,以及用X射線能譜分析確定第二相的成分。過去曾用這種方法證明 AlN在晶界析出(片狀)會使鋼變脆,片狀Ti(C,N)在高溫合金中沿晶界析出會產生脆性等等。
復型與萃取復型的解析度較低,目前主要用於斷口分析的觀察。圖6是鋁合金鍛件斷口的復型觀察結果,這是一個發育完整未經變形的枝晶露頭點,可以清晰地看到圍繞〔111〕呈三次對稱分布的結晶台階,說明這是未鍛合的顯微疏鬆的殘留部分。合金中氫含量過多往往會產生這種缺陷,降低了鍛件質量。圖7是鋼的塑性斷口的顯微組織,黑粒子是萃取在復型上的MnS顆粒,可用選區電子衍射鑑定。顯然,每一個硫化物粒子是一個顯微斷裂源,產生一個顯微變形區及最後生成的顯微空洞與塑坑。從這兩個例子可以看出,復型技術在金屬與合金的失效分析(failure analysis)和相分析中仍有獨特的套用。
電子顯微學
電子顯微學
電子顯微學
電子顯微學
電子顯微學透射電子顯微鏡的解析度隨加速電壓增高而提高,目前的高壓高分辨電子顯微鏡使用的電壓是500~1000kV,分辨極限可達1.6~2.0┱。電壓增高使穿透率增大,從而能使用厚為 1~2μm 的樣品。其優點在於一則可以較接近大塊金屬的情況,二則樣品也較容易製備。此外,還可以研究高能電子對金屬的輻照效應,以及在環境樣品室中研究在一些氣氛或介質中金屬的組織結構變化;使用高壓電子顯微鏡還可以較方便地進行金屬的範性形變、疲勞、蠕變等過程中組織結構變化的動態觀察。
掃描電子顯微鏡(scanning electron microscopy,簡寫為SEM) 掃描電子顯微鏡(圖11),的結構特點是聚焦電子束在樣品表面上作面掃描,利用由此所產生的二次電子或其他訊號調製一個作同步掃描的顯象管的發射電流,就會在屏上顯示出樣品表面上掃描區域的象。象的放大倍數決定於聚焦電子束掃描的線性長度,如為0.1mm,顯象管上象的線性長度為100mm,則象的放大倍數為1000。因由樣品表面發出的二次電子等信號不再經過任何透鏡而直接用來成像,所以像的解析度決定於照射到樣品上的聚焦電子束的焦斑大小。電子光學和磁透鏡的發展使得縮小電子束焦斑到幾十埃甚至幾埃都是可能的,問題是電子束的束流和樣品發出的信號都隨電子束直徑的變小而顯著減弱(接近於3次方的正比關係);因此,提高電子槍的亮度和改進信號接收系統便成為發展和改進掃描電子顯微鏡的關鍵。
電子顯微學掃描電子顯微鏡中最常用的成像信息是二次電子,它是由能量較高的電子與樣品中原子的互動作用而使後者中的外層電子逸出,能量大都在50eV以下。在二次電子探頭前加一幾百伏的正電壓,就可以將樣品表面發出的二次電子捕集起來,並與能量較高的背射電子分離開來。由於二次電子能量低,僅在樣品表面50~100┱層內產生的二次電子才有可能從表面逸出,因此對樣品表面狀態非常敏感,顯示表面的微觀結構非常有效。另外,在這么淺的表面層內,入射電子還沒有經過多次散射,產生二次電子的區域與入射電子束的照射面積無多大區別,因此用二次電子成像可以得到較高的解析度。
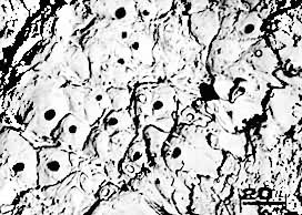
掃描電子顯微鏡的焦深長,解析度高,放大倍數可由20倍直接連續變化到10萬倍,在特製的樣品台上可以直接觀察大到100×100mm的凹凸不平樣品,並且可以利用多種信息成像,如二次電子、背反射電子、吸收電子、陰極發光、電子束電導、電子生伏特、特徵 X射線等。圖12是一種鋼的沿晶界斷裂的斷口像,儘管斷口表面不平,奧氏體晶粒還是很清晰的。
電子顯微學
電子顯微學
電子顯微學掃描透射電子顯微鏡方面比較突出的進展還是在透射電子顯微鏡中添加電子及X射線探測器,變成一個微區成分和微區晶體結構分析的有力工具。將電子束聚焦到樣品上,不但能觀察20~30┱的組織形貌細節,並可以從X射線能譜分析及電子能量損失譜中得出這么微小區域的化學成分,從微區電子衍射得到它的晶體結構資料,這是近幾年來電子顯微學中發展較快的領域,稱為分析電子顯微學(analytical electron microscopy,簡寫為AEM)。
參考書目
郭可信:“電子光學微觀分析儀器概述”,《顯微分析技術資料彙編》,1~90頁,科學出版社,北京,1978。
P.B.Hirsch,A.Howie,R.B.Nicholson,D.W.Pashley,M.J.Whelan,Electron Microscopy of Thin Crystals,2nd ed.,Butterworths,London,1977.
S.Amelinckx,R.Gevers,J.Van Landuyt,Diffraction and Imaging Techniques in Material Science,2nd ed.,North-Holland Publishing Co.,Amsterdam,1978.
L. Kihlborg ed.,Nobel Symposium 47,Direct Imaging of Atoms in Crystals and Molecules,The Royal Swedish Academy of Sciences,Stockholm,1979.
P.M.Williams,Imaging and Microanalysis in STEM,in Chemical Physics of Solids and their Surfaces,Vo1.8,p.84,The Royal Society of Chemistry,London,1980.
J.J.Hren,J.I.Goldstein,D.C.Joy,Introduction to Anal ytical Electron Microscopy,Plenum Press,New York & London,1979.

