基礎知識
定義
閥門清洗步驟
閥門的零部件在組裝前必須經過以下過程處理:1、根據加工要求,部分零部件需要做拋光處理,表面不能有加工毛刺等;
2、所有零部件進行脫脂處理;
3、脫脂完成後進行酸洗鈍化,清洗劑不含磷;
4、酸洗純化後用純淨水沖洗乾淨,不能有藥劑殘留,碳鋼部件省去此步驟;
5、逐個零部件用無紡布進行擦乾,不能有線毛等留存部件表面,或者用潔淨的氮氣進行吹乾;
6、用無紡布或者精密濾紙沾分析純酒精對逐個零部件進行擦拭,直至沒有髒色。
裝配要求
閥門1、安裝車間必須保證潔淨,或者搭建臨時的潔淨區域,例如用新購的彩條布或者塑膠薄膜等,防止在安裝過程中有灰塵進入。
2、裝配工人必須身著潔淨的純棉工作服,頭戴純棉帽,頭髮不能外漏,腳穿乾淨鞋子,手戴塑膠手套,脫脂。
3、裝配用工具必須在裝配前進行脫脂清洗,保證潔淨。
配套電動執行器
電動執行器多與閥門配套,套用於自動化控制系統。電動執行器的種類很多,在動作方式上各有不同,如角行程電動執行器是輸出轉角力矩,而直行程電動執行器是輸出位移推力。電動執行器在系統套用時的種類,應根據閥門的工作需要進行挑選。閥門的歷史
閥門是隨著流體管路的產生而產生的。人類使用閥門已經有近4000年的歷史了。我國古代從鹽井中吸滷水製鹽時,就曾在竹製管路中使用過木塞閥。公元前1800年,古埃及人為了防止尼羅河泛濫而修建大規模水利時,也曾採用過類似的木製鏇塞來控制水流的分配。這些都是閥門的雛形。工業用閥門的大量套用,是從瓦特發明蒸汽機以後才開始的。二十世紀初出現了鑄鋼、鑄鐵、鍛鋼和鍛焊結構閥門。經過多年的發展,中國的閥門企業數量居全世界第一,各種大小閥門企業約6000餘家。閥門作為一個流體輸送的組件,近年來,隨著國民經濟成長,閥門行業的發展非常迅速。2007年1-11月,中國閥門和鏇塞的製造行業實現累計工業總產值84,288,398千元,比上年同期增長了31.47%;實現累計產品銷售收入80,571,055千元,比上年同期增長了29.36%;實現累計利潤總額5,772,097千元,比上年同期增長了44.16%。
2008年1-8月,中國閥門和鏇塞的製造行業實現累計工業總產值73,321,603,000元,比上年同期增長了27.02%;實現累計產品銷售收入70,451,147,000元,比上年同期增長了27.27%;實現累計利潤總額4,470,009,000元,比上年同期增長了15.37%。
“十一五”及未來若干年,中國石油化工、天然氣、冶金行業,電力、城市建設等各行業對閥門有大量的需求,預計在“十一五”期間,中國對閥門的需求總量將達到345億元,因此,閥門行業有著巨大的市場發展空間。
技術水平現狀
閥門閥門是工業上一種重要的流體控制設備,涉及到國民經濟諸多部門,是國民經濟的發展重要基礎設備。經過幾十年的發展,我國閥門產品已經形成十幾大類,尤其在企業數量和產銷量兩方面穩居世界前列,但大多是小規模、低層次閥門的企業,產品也以中低端為主。
改革開放以來,閥門市場急速膨脹,國營企業受體制影響遭遇關停並轉的危機,鄉鎮、民營企業因技術力量有限,只能進行模仿生產,這是造成國產閥門質量較低的主要原因。國家已經出台了振興裝備製造業的政策,尤其重點支持通用基礎製造業的發展。我國正面臨著從農業時代向工業化時代的轉變,將大幅增加工業對閥門產品的需求。國家政策的支持和產品市場的巨大需求將是閥門產業飛速發展的強大動力。
市場分析者認為,閥門的發展趨勢,將是相當一段時間市場的主要話題。未來型式將趨向於以下幾個方面的開發套用發展。
首先,開發性能優良的水力控制閥,如排放量大、靈敏度高、耐腐蝕、耐摩擦、零泄漏的水力控制閥,開發一體化技術、電子計算機技術、監測技術水平高的水力控制閥,開發作業可行性好、安全性高、舒適性好的產品。
其次,開發高性能的大型調節閥以適應我國重大工程項目之需,開發微型調節閥,以滿足開溝挖渠、埋線纜等窄小作業的需要,發展適應電站、石油、煤炭、水利、農田、城建各方面需要的新品種調節閥;開發對調節閥各種工況可監測、控制並改善操作人員勞動條件的智慧型電動調節閥。有前途的產品是:大中型智慧型電動調節閥、微型智慧型電動調節閥、遙控型智慧型電動調節閥。
另外,開發高安全性、高可行性和使用性能好的高水平產品,開發裝備先進電子技術的閥門一體化的大型閥門,開發變形產品向通用化、標準化、系列化方向發展。
專家指出,農業生產中各種農用棚膜、地膜、農用節水閥門器材等閥門管道的套用在現代農業中套用廣泛,農村閥門管道的套用也日益增多,僅是解決人畜欽水工程用閥門管材需求就相當可觀。城市建築中各種閥門管道的需求也大幅度增長。汽車製造業採用閥門製造汽車部件的日益增多,已開發國家電站用閥門平均已超過100億,我國電站閥門的平均使用量為70億。這些都刺激了閥門產業的市場需求。
中國閥門製造行業已經能為用戶部門提供大約十二大類,3000多個型號、4000多個規格的產品,其性能參數範圍從真空閥門到1000Mpa的超高壓閥門,溫度從深冷-196攝氏度到高溫570攝氏度。中國閥門的主要產品已基本上能滿足國內市場的需要,閥門市場的成套率、成套水平和成套能力都有較大提高,國內閥門已經具備了一定的振興基礎。
但是,我國閥門行業中仍以中小企業為主,中國閥門製造行業在龐大的需求環境下,必將呈現出更好的發展前景。
根據《中國閥門行業套用市場需求狀況與需求前景分析報告前瞻》數據顯示,2007年1-11月,中國閥門和鏇塞的製造行業實現累計工業總產值84,288,398千元,比上年同期增長了31.47%;實現累計產品銷售收入80,571,055千元,比上年同期增長了29.36%;實現累計利潤總額5,772,097千元,比上年同期增長了44.16%。2008年1-8月,中國閥門和鏇塞的製造行業實現累計工業總產值73,321,603,000元,比上年同期增長了27.02%;實現累計產品銷售收入70,451,147,000元,比上年同期增長了27.27%;實現累計利潤總額4,470,009,000元,比上年同期增長了15.37%。“十一五”及未來若干年,中國石油化工、天然氣、冶金行業,電力、城市建設等各行業對閥門有大量的需求,前瞻網預計在“十一五”期間,中國對閥門的需求總量將達到345億元,因此,閥門行業有著巨大的市場發展空間。
簡史
各部結構基本參數和性能
保特律閘閥系列閥門的基本性能根據其種類和用途有不同的要求主要有密封、強度、調節、流通、啟閉等性能。
①密封性能:閥門的任何部位應不向外泄漏流體並在全關後能完全斷流(或其泄漏量不大於標準規定值)。
②強度性能:閥門的閥體、閥桿和閥蓋等零件不僅要承受流體的壓力和溫度的作用,而且還要承受驅動機構和管道施加的各種附加力的作用,因此要有足夠的強度,並按標準規定的試驗壓力進行強度試驗,以保證使用安全。
③調節性能:指閥門的調節特性,如調節閥的閥瓣行程變化值與相應的流量變化值具有一定的函式關係;減壓閥具有一定的減壓範圍等。
④流通性能:指閥門在全開時通過流體的能力,常用流通能力或流體阻力係數來表示,閥門的流道通暢,則流體阻力係數小而流通能力大,反之則流體阻力係數大而流通能力小。
⑤啟閉性能:指閥門的啟閉力(轉矩)、啟閉動作速度和可靠性等性能。
在設計和選用閥門時,除了要考慮基本參數和性能外,還要考慮流體的性能,包括流體的相態(氣體、液體或含固體顆粒)、腐蝕性、粘度、毒性、易燃易爆性、貴重稀有程度和放射性等。
密封和材料
工良蝶閥密封性能和強度性能是一切閥門最基本、最重要的性能。閥門的密封分為內密封和外密封兩部分。內密封是閥瓣與閥座之間的密封;外密封是閥桿運動部位與閥蓋之間、閥體與閥蓋之間和閥體與管道聯接部位之間的密封。閥門在使用時不僅要求密封性能好,而且必須保證安全。如果因密封不好而發生泄漏或因強度不夠而使零件破壞,將會造成不同程度的經濟損失,如輸送有毒、易燃易爆或有強腐蝕性流體,還可能導致嚴重的安全事故。為了保證閥門的密封和強度,除了必須遵守有關標準規定合理地進行結構設計、確保工藝質量外,還必須正確地選用材料。
閥體(蓋)材料 通常,低壓非腐蝕性流體用的閥門使用鑄鐵或鑄銅,高、中壓閥用鑄鋼或鍛鋼,高溫或高壓閥使用合金鋼,用於腐蝕性流體的閥門用不鏽鋼、塑膠、耐蝕合金(如銅鎳鉬合金、鈦合金和鉛合金等)或用鑄鐵、鑄鋼內襯耐蝕材料製造。
密封面材料
閥瓣和閥座或與其相接觸的密封表面所使用的材料。通常,低壓閥的密封面大多使用黃銅或青銅,高、中壓閥大多使用不鏽鋼,要求較高的高、中壓閥或高溫閥等使用鈷基硬質合金。聚合材料在閥門中已獲得廣泛套用,如球閥的閥座主要採用聚四氟乙烯塑膠,蝶閥的密封圈和隔膜閥的隔膜採用各種橡膠材料。這些材料在可以使用的溫度範圍內具有比金屬更好的密封性。
密封件材料
為了保證外密封部位的密封性,必須正確地選用填料、墊片等密封件材料,同時對閥桿的表面進行強化處理,以防止產生腐蝕(流體、填料和大氣的腐蝕)和擦傷。某些嚴格限制泄漏的閥門(如核工業用閥)常使用波紋管來密封閥桿,其聯接部位大多採用焊接方法。
分類
閥門(2)止回閥:止回閥又稱單向閥或逆止閥,其作用是防止管路中的介質倒流。水泵吸水關的底閥也屬於止回閥類。
(3)安全閥:安全閥類的作用是防止管路或裝置中的介質壓力超過規定數值,從而達到安全保護的目的。
(4)調節閥:調節閥類包括調節閥、節流閥和減
壓閥,其作用是調節介質的壓力、流量等叄數。
(5)分流閥:分流閥類包括各種分配閥和疏水閥等,其作用是分配、分離或混合管路中的介質。
2.按公稱壓力分類
(1)真空閥:指工作壓力低於標準大氣壓的閥門。
(2)低壓閥:指公稱壓力PN≤1.6Mpa的閥門。
(3)中壓閥:指公稱壓力PN為2.5、4.0、6.4Mpa的閥門。
(4)高壓閥:指工稱壓力PN為10~80Mpa的閥門。
(5)超高壓閥:指公稱壓力PN≥100Mpa的閥門。
3. 按工作溫度分類
閥門(1) 超低溫閥:用於介質工作溫度 t450℃的閥門。
(2) 低溫閥:用於介質工作溫度-100℃≤t≤-40℃的閥門。
(3) 常溫閥:用於介質工作溫度-40℃≤t≤120℃的閥門。
(4) 中溫閥:用於介質工作溫度120℃
(5) 高溫閥:用於介質工作溫度t>450℃的閥門。
4. 按驅動方式分類
(1) 自動閥是指不需要外力驅動,而是依靠介質自身的能量來使閥門動作的閥門。如安全閥、減壓閥、疏水閥、止回閥、自動調節閥等。
(2) 動力驅動閥:動力驅動閥可以利用各種動力源進行驅動。
電動閥:藉助電力驅動的閥門。
氣動閥:藉助壓縮空氣驅動的閥門。
液動閥:藉助油等液體壓力驅動的閥門。
此外還有以上幾種驅動方式的組合,如氣-電動閥等。
(3) 手動閥:手動閥藉助手輪、手柄
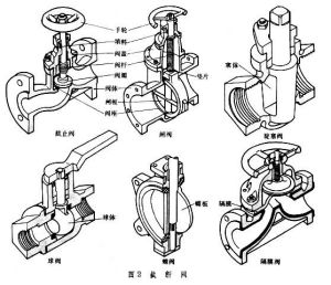
閥門綜上所述,閥門分類方法是很多的,但主要是按其在管路中所起的作用進行分類。工業和民用工程中的通用閥門可分成11類,即閘閥、截止閥、鏇塞閥、球閥、蝶閥、 隔膜閥、止回閥、節流閥、安全閥、減壓閥和疏水閥。其他特殊閥門,如儀表用閥、液壓控制管路系統用閥,各種化工機械設備本體用閥等,均不在本書介紹範圍以內。
5. 按公稱通徑分類
(1)小通徑閥門:公稱通徑DN≤40mm的閥門。
(2)中通徑閥門:公稱通徑DN為50~300mm的閥門。
(3)大通徑閥門:公稱閥門DN為350~1200mm的閥門。
(4)特大通徑閥門:公稱通徑DN≥1400mm的閥門。
6. 按結構特徵分類
(1)截門形:啟閉件(閥瓣)由閥桿帶動沿著閥座中心線作升降運動;
(2)鏇塞形:啟閉件(閘閥)由閥桿帶動沿著垂直於閥座中心線作升降運動;
(3)鏇塞閥:啟閉件(錐塞或球) 圍繞自身中心線鏇轉;
(4)鏇啟閥:啟閉件(閥瓣) 圍繞座外的軸鏇轉;
(5)蝶形:啟閉件(圓盤) 圍繞閥座內的固定軸鏇轉;
(6)滑閥形:啟閉件在垂直於通道的方向滑動。
7. 按連線方法分類
閥門(1)螺紋連線閥門:閥體帶有內螺紋或外螺紋,與管道螺紋連線。
(2)法蘭連線閥門:閥體帶有法蘭,與管道法蘭連線。
(3)焊接連線閥門:閥體帶有焊接坡口,與管道焊接連線。
(4)卡箍連線閥門:閥體帶有夾口,與管道夾箍連線。
(5)卡套連線閥門:與管道採用卡套連線。
(6)對夾連線閥門:用螺栓直接將閥門及兩頭管道穿夾在一起的連線形式。
8. 按閥體材料分類
(1)金屬材料閥門:其閥體等零件由金屬材料製成。如鑄鐵閥、碳鋼閥、合金鋼閥、銅合金閥、鋁合金閥、鉛合金閥、鈦合金閥、蒙乃爾合金閥等。
(2)非金屬材料閥門:其閥體等零件由非金屬材料製成。如塑膠閥、陶瓷閥、玻璃鋼閥等。
(3)金屬閥體襯裡閥門:閥體外形為金屬,內部凡與介質接觸的主要表面均為襯裡,如襯膠閥、 襯塑膠閥、襯陶閥等。
9. 閥門型號編排
閥門型號通常應表示出閥門類型、驅動方式、連線形式、結構特點、密封面材料、閥體材料和公稱壓力等要素。閥門型號的標準化對閥門的設計、選用
閥門<閥門型號編制方法》適用於工業管道用閘閥、節流閥、球閥、蝶閥、隔膜閥、柱塞閥、鏇塞閥、止回閥、安全閥、減壓閥、疏水閥。它包括閥門的型號編制和閥門的命名。
套用
閥門結構圖片發展特點
閥門觀研天下發布的《中國閥門行業發展態勢與投資前景預測報告2013-2017》指出,行業的技術發展和成果創新是閥門行業不斷發展的另一個必要條件。單純靠需求刺激的發展不足以讓閥門行業取得今天的成就,因此閥門行業發展體現出良好勢頭的一大特點是致力於此領域的工作人員的研發熱情和各企業負責人對行業技術革新的重視,因此我國閥門行業的技術及成果連年有創新,並因此在工業領域中保持著發展上的領先地位。台州玉環素有“中國閥門之都”的稱號,因其以較強的自主研發能力突破了國外技術壁壘,不少企業獲得了美國、歐盟、韓國的工業產品認證資格,因此在行業領域的發展中取得了迅速的進展,為國民生產總值的增長做出了巨大貢獻。
2我國閥門行業發展存在的問題
雖然我國閥門行業發展趨勢良好,但仍存在很多問題。據有效資料顯示,2008年我國在進口閥門上花費了20多億美元,其中不包括成套設備上的閥門。進口的閥門一般有技術含量高、參數大、材料新、製作工藝繁瑣等特點,套用範圍大多是國家重點建設的工業領域,如核電站用的核級閥門;同年我國閥門也出口交易額為40億美元,雖然出口交易額比進口交易額大,但出口閥門產品中大多是技術含量一般的產品,套用範圍也僅在民用基礎設施建設上,只有少量的高參數閥門出口。有研究者對閥門行業的生產製作進行調查,結果發現除了骨幹行業和國有機構之外,我國大多數閥門企業還處於技術落後和服務封閉的狀態,民營的中型閥門企業大多數不具備生產高端閥門產品和進行出口貿易的能力。
發展趨勢
閥門①擴大產品參數,如閥門的最大口徑已達10米,最低工作壓力已達1.33×10-8帕,球閥和蝶閥正向高溫、高壓領域發展。
②發展節能、省力和自控閥門。為了減小流體輸送能耗和蒸汽的熱能損失而發展球閥、蝶閥和疏水閥;為了適應工業自動化的發展要求而研製各種電力、氣壓、液壓驅動閥門和各種控制閥。
③改進結構、採用新材料和新工藝,提高閥門的使用壽命。如採用彈性結構、潤滑結構以減小閥門的密封力和轉矩,用塑膠、鈦合金等製造閥門,用膨脹石墨等新型材料製作填料,廣泛使用硬質合金和聚四氟乙烯等材料作為密封面,採用各種新的表面強化工藝以提高閥門壽命。
④發展專用閥門系列,如用於液氧、液氫和液化天然氣等的低溫閥、真空閥、核工業用閥、安全閥、調節閥、疏水閥和閥門驅動裝置等。
閥門行業市場需求結構
閥門是流體控制系統的關鍵設備之一,一般套用於液態或氣態流體控制環境。因此,閥門廣泛的套用於涉及流體控制的各個工業細分領域。目前,主要的閥門套用領域包括:石油天然氣、電力、化工、自來水和污水處理、造紙、冶金、製藥、食品、採掘、有色金屬、電子等行業。其中,石油天然氣、能源電力和化工領域是閥門最重要的套用領域。
全球工業閥門的市場需求中,包含鑽采、運輸和石化在內的石油天然氣領域占比最高,達到37.40%,其次是能源電力和化工領域的需求,分別占全球工業閥門市場需求的21.30%和11.50%,前三大領域的市場需求合計占全部市場需求的70.20%。而在國內工業閥門的套用領域中,化工、能源電力和石油天然氣行業也是最重要的三個閥門市場,其閥門的市場需求分別占國內工業閥門市場總需求的25.70%、20.10%和14.70%,合計占全部市場需求的60.50%。
閥門行業主要進入障礙
閥門產品廣泛套用於石油天然氣、電力、化工等行業,不同的行業、不同的套用領域對閥門的質量、性能要求存在較大的差異。其中,民用閥門和低端工業閥門領域,行業進入門檻很低;而一些套用於高溫、高壓、深冷、高真空、強腐蝕、放射性、劇毒、易燃易爆等高參數複雜工況的中高端閥門領域,則存在較高的行業進入壁壘。
(1)前置生產許可
由於閥門在特殊行業安全生產和運行中的重要作用,我國在壓力管道閥門和核電設備閥門領域制定了前置生產許可制度。對於沒有取得相應生產許可的企業,不允許進行相關產品的生產和銷售活動。
壓力管道閥門方面,由於壓力管道是在生產、生活中使用的可能引起燃爆或中毒等危險性較大的特種設備,國家質量監督檢驗檢疫總局按專業類別制定了特種設備行政許可規則和相關技術規範,規定屬於壓力管道元件的金屬閥門、安全閥製造企業必須取得製造許可證後,方能從事相應的生產銷售活動。核電設備閥門方面,根據《民用核承壓設備設計製造安裝許可證實施細則》的規定,從事執行核安全功能閥門的設計、製造,應取得民用核安全設備設計/製造許可證。據此,國務院核安全監管部門對申請單位規定了較高的申請條件,並進行嚴格的審查。
(2)國際質量認證
為保障閥門產品的通用性、閥門產品質量標準的一致性以及降低閥門市場的信息不對稱性,全球各主要市場的權威機構對閥門產品建立了質量認證體系。取得這些權威機構的質量認證是閥門產品在全球閥門市場進行銷售的重要條件。以API認證為例,美國石油學會(AmericanPetroleumInstitute)負責石油和天然氣工業用設備的標準化工作,其制定的API標準套用廣泛,不僅在美國國內被聯邦和州法律法規、政府機構以及企業使用,而且也在世界範圍內被國際標準組織(ISO)、國際法制計量組織和100多個國家標準所引用。中東、南美和亞洲許多國家的石油公司在招標採購石油設備時,一般都要求佩有API標誌的閥門產品供應商才能有資格參加投標。除API認證之外,通行的閥門行業國際質量認證還包括:ISO認證,美國ASME認證,歐盟CE-PED認證、ATEX認證、TALUFT認證,以及俄羅斯GOST認證等等。
以上質量認證主要是從質量管理體系、產品設計標準、生產和檢驗設備配套以及專業人員配備等方面對閥門生產企業進行全面考察和評估,對閥門生產企業設定了較高的認證標準,存在較高的進入門檻。
(3)合格供應商資格
閥門作為重要的系統控制設備,對安全生產具有非常重要的意義,幾乎所有的國際級最終用戶都將其作為關鍵設備來管理。因此,大多數的國際級最終用戶對閥門供應商有著嚴格的篩選程式,制定了合格供應商資格認定製度。這些用戶通常在企業規模、企業信譽、產品質量、生產能力、售後服務等諸多領域對閥門供應商進行數輪考核,只有通過最終考核的閥門供應商才能取得合格供應商資格。最終用戶進行採購時,只選擇取得資格的供應商的閥門產品。並且,合格供應商資格也存在不同層次,越高端的閥門產品,其合格供應商資格越難以取得。以皇家殼牌石油公司(RoyalDutchShellGroup)為例,其製造商審核包括:質保體系審核,技術圖樣和工藝檔案審核,以及產品原型實驗認證審核等三個主要步驟。並且批准有嚴格的產品範圍設定,通常的做法是根據製造商的產品製造能力,先批准其比較簡單的通用閥門,依據製造商的表現,逐步放寬批准範圍,每一步驟都有非常詳細的程式檔案要求,一個閥門製造商至少需要3至5年的審核過程才能正式成為其合格供應商。
(4)技術壁壘
中高端閥門通常在嚴苛的壓力、溫度、腐蝕、放射、有毒等環境中作業,此類閥門在生產工藝、材料技術以及檢驗技術方面均有非常高的要求。以核電閥為例,核級閥門在前期研發的基礎上,還需要在模擬核電站的環境中對安全性能和使用壽命進行充分驗證。核電站模擬實驗室需要通過普通設備模擬核電站級別的壓力、溫度等,需要的設備投入大,建設周期長,單次實驗費用高。為使閥門產品達到終端客戶的質量標準,生產企業需要在人員、技術和研發領域擁有深厚的積累。
(5)產品安全使用業績
最終用戶除對閥門供應商設定合格供應商資格以外,還會對供應商相關產品以往的安全使用業績進行考察。在某些特殊領域,例如核電設備、油氣管線等領域,最終用戶出於產品質量和耐用性方面的考慮,一般對相關產品以往的安全使用業績做明確要求,通常不會選用沒有使用紀錄的產品。因此,產品安全使用業績的要求為新企業、新產品進入市場形成了較高的難度。
(6)資金壁壘
中高端閥門生產屬於資本密集型產業,需要現代化的生產廠房和實驗室、先進的生產設備和精密的檢驗儀器。因此,進入中高端閥門生產行業,初始和後續投入巨大,對企業的資金實力要求很高。
發展思路
閥門觀研天下行業分析師指出:對於任何一個行業來說優勝劣汰都是最基本的發展規律,好的企業越做越大,差的就會被淘汰掉。目前泵閥市場的發展有些混亂,當然競爭也越來越激烈,在這種市場環境中,大企業的發展就會好很多,小企業可能就會難一些,進而慢慢的就會被淘汰掉。所以要想在閥門行業謀得一席之地,必須要懂得其中的生存之道,愈做愈強。
首先應該認識到,未來我國閥門行業市場前景非常廣闊。一方面是國家政策的支持。隨著國家加快振興裝備製造業政策逐步推進,通用基礎製造業發展將進一步得到重點支持。另一方面,閥門產品市場的強勁需求。國有經濟持續穩定發展。固定資產投資逐步擴大。此外,隨著wto的加入,國際貿易門坎降低以及已開發國家調整產品結構,中國正逐漸成為世界上最大的加工廠,閥門產品的加工製作面臨更大的發展空間。因此,只要企業能夠抓住機遇,加強研發能力,不斷提高產品科技含量和產品質量,將能在廣闊的市場競爭中占據主動地位。
其次應該認識到,閥門是利潤率低的產品,市場競爭非常激烈。就閥門市場的分布,主要是依據工程項目的建設,閥門的最大用戶是石化行業、電力部門、冶金部門、化工行業和城市建設部門。據了解,目前市場上具有一定規模的閥門企業有2000餘家,大多數分布在江浙及中原一帶。由於產品技術含量要求相對較低,因此,競爭更為激烈。
另外,還應該了解到,我國閥門產品面臨著良好的發展機遇。城建系統一般採用大量低壓閥門,並且向環保型和節能型發展,即由過去使用的低壓鐵制閘閥逐步轉向環保型的膠板閥、平衡閥、金屬密封蝶閥及中線密封蝶閥過渡。輸油、輸氣工程向管道化方向發展,這又需要大量的平板閘閥及球閥。能源發展的另一面就是節能,所以從節約能源方面看,要發展蒸汽疏水閥,並向亞臨界和超臨界的高參數發展。
觀研天下在《中國閥門行業發展態勢與投資前景預測報告2013-2017》中提到:我國閥門市場價格比較平穩,每年雖然略有升降,但幅度都很小。現在我國也迎來了閥門的發展機會,然而是不是能夠抓住這個機會,要看企業的本事了。企業要想發展壯大企業,應努力降低生產成本、著眼於提高產品性能和效率;開發上檔次的高新產品或生產單件小批的非標產品;通過閥門產品的國際品質認證;閥門產品應向環保、節能方向發展。
專有名詞
閥門的密封性能是指閥門各密封部位阻止介質泄漏的能力,它是閥門最重要的技術性能指標。閥門的密封部位有三處:啟閉件與閥座兩密封面間的接觸處;填料與閥桿和填料函的配和處;閥體與閥蓋的連線處。其中前一處的泄漏叫做內漏,也就是通常所說的關不嚴,它將影響閥門截斷介質的能力。對於截斷閥類來說,內漏是不允許的。後兩處的泄漏叫做外漏,即介質從閥內泄漏到閥外。外漏會造成物料損失,污染環境,嚴重時還會造成事故。對於易燃易爆、有毒或有放射的介質,外漏更是不能允許的,因而閥門必須具有可靠的密封性能。
流動介質
介質流過閥門後會產生壓力損失(既閥門前後的壓力差),也就是閥門對介質的流動有一定的阻力,介質為克服閥門的阻力就要消耗一定的能量。從節約能源上考慮,設計和製造閥門時,要儘可能降低閥門對流動介質的阻力。
法蘭
法蘭是Flange的譯音,意為帶凸緣的東西、零件,這種零件可以是單獨的,就是法蘭盤,也可以是組合型的,如閥門兩端的法蘭,以便安裝螺栓。
法蘭類型
法蘭類型按國家標準分:整體法蘭、螺紋法蘭、對焊法蘭、帶頸平焊法蘭、帶頸承插焊法蘭、對焊環帶頸松套法蘭、板式平焊法蘭、對焊環板式松套法蘭、平焊環板式松套法蘭、翻邊環板式松套法蘭、法蘭蓋。
啟閉力和啟閉力矩
啟閉力和啟閉力矩是指閥門開啟或關閉所必須施加的作用力或力矩。關閉閥門時,需要使啟閉件與發座兩密封面間形成一定的密封比壓,同時還要克服閥桿與填料之間、閥桿與螺母的螺紋之間、閥桿端部支承處及其他磨擦部位的摩擦力,因而必須施加一定的關閉力和關閉力矩,閥門在啟閉過程中,所需要的啟閉力和啟閉力矩是變化的,其最大值是在關閉的最終瞬時或開啟的最初瞬時。設計和製造閥門時應力求降低其關閉力和關閉力矩。
啟閉速度
啟閉速度是用閥門完成一次開啟或關閉動作所需的
閥門動作靈敏度和可靠性
這是指閥門對於介質參數變化,做出相應反應的敏感程度。對於節流閥、減壓閥、調節閥等用來調節介質參數的閥門以及安全閥、疏水閥等具有特定功能的閥門來說,其功能靈敏度與可靠性是十分重要的技術性能指標。
使用壽命
它表示閥門的耐用程度,是閥門的重要性能指標,並具有很大的經濟意義。通常以能保證密封要求的啟閉次數來表示,也可以用使用時間來表示。
閥門系統
閥門系統一般由推動鈕、閥門桿、橡膠封圈、彈簧、定
閥門閥門系統的基本功能是在密封條件下控制藥物噴射的劑量。氣霧劑的閥門系統除一般閥門系統外,還有供吸入用的定量閥門,供腔道或皮膚等外用的泡沫閥門系統。閥門系統堅固、耐同和結構穩定與否,直接影響到製劑的質量。閥門材料必須對內容物為惰性,加供應精密。
閥門管件
有閥門和管件,它們都是用在管道的連線或控制系統.閥門和管件都不能獨立存在,相輔相成的。閥門管件有碳鋼的和不鏽鋼的,還有PVC,或者其他材料的,常用的就是前兩種,近幾年來隨著人們生活水平的提高,對副食品要求也隨之而來的需求量大了起來.所以帶動了食品機械的快速民展,於是不鏽鋼衛生級閥門管件生產業便紅火起來,人們通常說閥門管件,多用的還是不鏽鋼衛生 級的。
閥門驅動方式代號
閥門1--電磁-液動
2--電-液動
3--蝸輪
4--正齒輪
5--傘齒輪
6--氣動
7--液動
8--氣.液聯動
9--電動
中外材質對照表
分類序號中國GB1220、GB1221、
GB12228、12229、
Gb12230日本JIS國際標準ISO683/13
ISO683/16美國ANSI
ASTM英國Bs970
Bs1449德國DIN17440
DIN17224
鑄
碳
素
鋼
合
金
鋼1WCAG5151SCPH1A216WCA161Cr-430FGS-C25
2ZG230-450WCBG5151SCPH2SC410A216WCB
3WCCA216WCC
4ZG20CrMoA217Wc53100B2
5G5151SCPH21A217Wc41504621E
6ZG15CrMoV3100B3
鑄
不
銹
鋼7ZG00Cr18Ni10G5121SCS19AA351CF31504304C12E
8ZGOCr18Ni9TiG5121SCS13AA351CF81504304C15EG-X6CrNiMo1810
9CF3MG5121SCS16AA351CF3M1504316C12E
10ZGOCr18Ni12Mo2TiG5121SCS14AA351CF8M1504316C16E
11CF8MG5121SCS14AA744CF-8M3100316C16
12CF8CG5121SCS21A351CF8C1504347C17EG-X7CrNiNb1189
13CF8G5121SCS13A
G5121SCS13A744CF-83100304C15G-X6CrNi189
14CF3G5121SCS19AA744CF-33100304C12
鍛
不
銹
鋼15ZGOCr17Ni4Cu4NbG5121SCS2417-4PH
161Cr18Ni9SUS30212302,S30200302S25X12CrNi188
170Cr18Ni9SUS30411304,S3400304S15X5CrNi189
1800Cr18Ni10SUS304L10304L,S30403304S12X2CrNi189
190Cr25Ni20SUS310S310S,S31008
200Cr17Ni12Mo2SUS31620,20316,S31600316S16X5CrNiMo1810
211Cr18Ni12Mo2Ti320S17X10CrNiMoTi1810
220Cr18Ni12Mo2Ti320S17X10CrNiMoTi1810
2300Cr17Ni14Mo2SUS316L19,19316L,S31603320S12X2CrNiMo1810
240Cr17Ni12Mo2NSUS316N316N,S31651
250Cr17Ni4Cu4Nb17-4PHX2CrNiMoN1812
260Cr17Ni13Mo2NSUS316LN
270Cr18Ni12Mo2Cu2SUS316J1X10CrNiTi189
281Cr18Ni9TiX10CrNiTi189
290Cr18Ni10TiSUS32115321,S32100321S21,321S20
301Cr13SUS4103410,S41000410S21X10Cr13
310Cr13SUS410S1410S403S17X7Cr13
322Cr13SUS420J14420S,S42000420S37X20Cr13
333Cr13SUS420J25420S45
344Cr13SUS420J25431,S43100431S29X22CrNi17
350Cr17Ni14Cu4NbSUS630B630,S17400X7CrNiA1177
3600Cr25Ni20Mn3Mo3NU3
370Cr17Mn14Mo2NA4
3800Cr20Ni25Mo4Cu2904LUB6
3900Cr15Ni60M16W4(哈氏C)
400Cr20Ni30Mo2Cu3(20號合)
410Ni70Cu30Mn(蒙耐爾)
閥門國家標準
| 序號 | 標準代號 | 標準名稱 | 代替標準 | 實施日期 |
| 1 | JB/T1701-2010 | 閥門零部件閥桿螺母 | JB/T1694-1991 JB/T1695-1991 JB/T1696-1991 JB/T1698-1991 JB/T1699-1991 JB/T1701-1991 | 2010-07-01 |
| 2 | JB/T1708-2010 | 閥門零部件填料壓蓋、填料壓套和填料壓板 | JB/T1708-1991 JB/T5206.1-1991 JB/T5206.2-1991 JB/T5206.3-1991 JB/T5207-1991 | 2010-07-01 |
| 3 | JB/T1759-2010 | 閥門零部件軸套 | JB/T1759-1991 | 2010-07-01 |
| 4 | JB/T2768-2010 | 閥門零部件高壓管子、管件和閥門端部尺寸 | JB/T2768-1992 | 2010-07-01 |
| 5 | JB/T2776-2010 | 閥門零部件高壓透鏡墊 | JB/T2776-1992JB/T2777-1992 | 2010-07-01 |
| 6 | JB/T5210-2010 | 閥門零部件上密封座 | JB/T5210-1991 | 2010-07-01 |
| 7 | JB/T8937-2010 | 對夾式止回閥 | JB/T8937-1999 | 2010-07-01 |
閥門交流電AlternatingCurrent
EXPVLV
膨脹閥ExpansionValve
PSIA
磅/平方英寸(絕對值)PoundsPerSquareInchAbsolute
ALLIRON
全鐵結構All-IronConstruction
F
華氏溫度DegreeFahrenheit
PSIG
磅/平方英寸(表值)PoundsPerSquareInchGage
AMERSTD
美國標準AmericanStandard
FF
平面FlatFace
RECIRC
再循環Recirculate(d)
AMS
自動化工程師協會的航空材料規範AeronauticalMaterialSpecificationsoftheSocietyofAutomotiveEngineers
FtoF
面對面FacetoFace
RF
凸面RaisedFace
APPROX
近似值Approximate
FLG
法蘭連線埠FlangedEnd
RPM
每分鐘轉數RevolutionsperMinute
ASME
美國機械工程師協會AmericanSocietyofMechanicalEngineers
FM
表示產品已經美國工廠相互保險研究所認證IndicatesproducthasbeenapprovedbyFactoryMutualLaboratories
RS
明桿RisingStem
ASTM
美國實驗材料協會AmericanSocietyofTestingMaterials
F/S
安全因素FactorofSafety
S.A.E.
美國自動化工程師協會SocietyofAutomotiveEngineers
ATM
大氣,空氣Atmosphere
FSPS
內螺紋標準管道口徑FemaleStandardPipeSize
SB
螺紋鏇進閥蓋Screw-inBonnet
BB
螺栓閥蓋BoltedBonnet
FTLB
英尺磅(功的單位)FootPound
SE
螺紋連線埠Screwed(Threaded)End
BLR
鍋爐Boiler
GPH
加侖/小時GallonsPerHour
SJ
焊接連線SolderJoint
B/M
材料清單BillofMaterial
GPM
加侖/分鐘GallonsPerMinute
SPEC
規格說明Specification
BTU
英國熱量單位BritishThermalUnit(s)
IBBM
鑄鐵閥體,青銅安裝IronBody,BronzeMounted
STD
標準Standard
C
攝氏度DegreeCentigrade
INLB
英寸-磅Inch-pound
SWP
蒸汽工作壓力SteamWorkingPressure
CxC
銅對銅CoppertoCopper
IPS
鐵管口徑IronPipeSize
TEMP
溫度Temperature
CDA
美國銅開發協會CopperDevelopmentAssociation
MSS
美國閥門及其部件行業的製造商標準化協會ManufacturersStandardizationSocietyoftheValveandFittingIndustry
TRIM
某些閥門部件的專用術語,如閥瓣,閥座環,閥桿,和重填填料閥座襯套Termdesignatingcertainvalvepartssuchasdiscs,seatrings,stems,andrepackingseatbushings
COND
冷凝器Condenser
NEC
美國國家電器法典NationalElectricalCode
UB
整體閥蓋UnionBonnet
COP
銅Copper
NPT
美國標準錐管螺紋AmericanStandardTaperPipeThread
UL
表示經過美國保險商實驗室有限公司認證的產品IndicatesproducthasbeenapprovedbyUnderwriter'sLaboratories,Inc.
CSA
加拿大標準協會CanadianStandardsAssociation
NRS
暗桿Non-RisingStem
VAC
真空Vacuum
CV
止回閥CheckValve
OD
外徑OutsideDiameter
VOL
提及,容量Volume
CWP
冷水工作壓力ColdWorkingPressure
OS&Y
外螺紋和軛架OutsideScrewandYoke
WOG
水,油,氣工作壓力Water,Oil,GasWorkingPressure
CYL
圓柱體氣缸Cylinder
PNEU
氣動Pneumatic
WWP
水工作壓力WaterWorkingPressure
DC
直流電DirectCurrent
PRESS
壓力Pressure
DD
雙閥瓣DoubleDisc
PRV
減壓閥PressureReducingValve
PSI
磅/平方英寸PoundsPerSquareInch
我國閥門行業存在問題
目前,我國閥門行業仍然還存在著一些問題,如我國閥門企業主要以低層次和小規模、家庭作坊式企業為主。在產品上,由於重複投資,技術引進不夠,我國閥門企業的主導產品仍然是低質量的大眾產品。在我國目前的閥門市場上,除低壓閥門達到國際市場能接受的水平外,高壓閥門仍然需要依靠進口。在巨觀經濟持續看好的形勢下,閥門行業的大部分企業生產和銷售指標都保持了較快增長,但受價格戰影響,行業銷售收入和利潤較去年同期大幅下降。
我國閥門行業在產業結構、工業閥門的產業鏈,以及行業的專業化程度上均與國外企業存在較大的差距造成國內閥門產品質量低下的原因在於:由於市場急速擴大,原有國營閥門企業紛紛關停並轉。
隨著世界經濟回暖,我國閥門產品的進出口也有所增長,但由於在高端技術上與國外的廠商相比仍存在較大差距,今後一段時期內,產品技術將成為制約我國閥門產品發展的一個瓶頸。據了解,目前我國企業生產的各種閥門普遍存在著外漏、內漏、外觀質量不高、壽命短、操作不靈活以及閥門電動裝置和氣動裝置不可靠等缺點,部分產品只相當於上世紀80年代初的國際水平,一些高溫高壓和關鍵裝置上需要的閥門仍然依賴進口。
我國未來閥門行業主要發展方向
閥門未來5年中國石化用泵的發展方向是大型化、高速化、機電一體化,以及產品成套化、標準化、系列化和通用化。特別是高溫泵、低溫泵和超低溫泵、精密計量泵、耐腐蝕泵、輸送黏稠介質和帶固體顆粒介質泵、禁止泵的生產技術將快速發展,需求量將大幅度增加。
在今年3月召開的十一屆全國人大五次會議上,國務院總理溫家寶作政府工作報告時明確指出我國節能減排沒有完成。統計數據顯示,我國能源使用效率僅為美國的26.9%,日本的11.5%。
泵閥行業的發展與房地產、建築、工業、工程項目的產業的發展息息相關。近年來,受到國內良好的投資環境以及基礎建設政策的不斷深化,我國泵閥行業將引來持續增長的發展新機遇。
我國閥門行業由最初至今已發展有幾十年的時間,在此期間,閥門標準也得到了長足的發展。閥門市場的價格比較平穩,雖然每年略有升降,但幅度都很小,市場前景還是值得看好的。
據國家統計局2009年統計數據資料顯示,中國閥門製造業規模以上企業共有1700多家,生產閥門326萬噸,工業總產值1147億元,利潤總額63.90億元。
近年來,節能成為產業發展原則和目標,從節能方面來看,發展蒸汽疏水閥為大勢所趨,並向亞臨界和超臨界的高參數發展,滿足製藥機械設備低能耗方向發展的需求。
連結:走節能環保之路也是我國企業打破對外貿易壁壘的絕佳途徑。截至2011年底,我國工程機械產品每年消耗油料的費用高於全年工程機械的總產值。而目前美國、日本等市場準入門檻正不斷提高,在貿易壁壘設定中,排放標準的限制首當其衝。不過祁俊認為,由於工程機械行業節能減排難度大,較多受制於技術瓶頸等問題,因此加大研發力度是解決這一現狀的有效途徑。
功能與作用
閥門是一種管路附屬檔案,它是用來改變通路斷面和介質流動方向,控制輸送介質運動的一種裝置,具有導流、截止、調節、節流、止回、分流或溢流卸壓等功能。具體講,閥門有以下幾種作用:
1、截斷:接通或截斷管路中各段中的介質。如閘閥、截止閥、球閥、鏇塞閥、隔膜閥、蝶閥等。
2、調節:調節管路中介質的流量和壓力。如節流閥、調節閥、減壓閥、安全閥等。
3、分流:改變管路中介質的流動方向,用於分配、分離或混合介質。如分配閥、三通鏇塞閥、三通或四通球閥、疏水閥等。
用於流體控制的閥門,從最簡單的截止閥到極為複雜的自控系統中所用的各種閥門,其品種和規格繁多,閥門的公稱通徑從極微小的儀表閥大至通徑達10m的工業管路用閥。閥門可用於控制水、蒸汽、油品、氣體、泥漿、各種腐蝕性介質、液態金屬和放射性流體等各種類型流體的流動,閥門的工作壓力可從負壓到正壓1000MPa的超高壓,工作溫度從-269℃的超低溫到1430℃的高溫。
