產品簡介
減壓閥
是一種自動降低管路工作壓力的專門裝置,它可將閥前管路較高的水壓減少至閥後管路所需的水平。減壓閥廣泛用於高層建築、城市給水管網水壓過高的區域、礦井及其他場合,以保證給水系統中各用水點獲得適當的服務水壓和流量。鑒於水的漏失率和浪費程度幾乎同給水系統的水壓大小成正比,因此減壓閥具有改善系統運行工況和潛在節水作用,據統計其節水效果約為30%。減壓閥的構造類型很多
以往常見的有薄膜式、內彈簧活塞式和組合式減壓閥等。減壓閥的基本作用原理是靠閥內流道對水流的局部阻力降低水壓,水壓降的範圍由連線閥瓣的薄膜或活塞兩側的進出口水壓差自動調節。2007年
精緻美觀的義大利OR減壓閥組合式減壓閥
水電站技術供水系統的減壓閥選用要求比較高,應綜合考慮水電站的水質和水位、技術供水系統的要求及廠房布置條件等。所採用的減壓閥公稱通徑的選取應在保證出口整定壓力條件下而能滿足技術供水最大流量,並有保證減壓閥損壞時破壞性高壓不進入機組的出口壓力鎖定裝置,與防止過流介質中的雜質堵塞閥門的反衝排污裝置。鑒於此,國內大部分水電站(三峽水電站,向家壩水電站,構皮灘水電站,天生橋水電站,寶珠寺水電站,緊水灘水電站,烏溪江水電站等)選用的是組合式減壓閥。
組合式減壓閥
由主閥和附屬反饋系統(包括控制閥、射流泵、球閥等)組成的、擁有水力PID控制機制的、綜合性能優越的減壓穩壓閥。
常規減壓閥通常有DN50~DN100等多種規格,閥前、後的工作壓力分別為<1MPa和0.1~0.5MPa,調壓範圍誤差為±5%~10%。
減壓比12:1的ZJY46H組合式減壓閥組合式減壓閥因為套用條件特殊,通常有DN50 ~ DN1200多種規格,閥前工作壓力<6.4MPa,閥後整定壓力區間在0.2MPa ~ 0.8MPa,在保證閥後用水量的前提下,減壓比可以達到12:1
工作原理
減壓閥是氣動調節閥的一個必備配件,主要作用是將氣源的壓力減壓並穩定到一個定值,以便於調節閥能夠獲得穩定的氣源動力用於調節控制。按結構形式可分為薄膜式、彈簧薄膜式、活塞式、槓桿式和波紋管式;按閥座數目可人為單座式和雙座式;按閥瓣的位置不同可分為正作用式和反作用式。
直動式減壓閥
直動式減壓閥所示為直動式帶溢流閥的減壓閥(簡稱溢流減壓閥)的結構圖。
壓力為P1的壓縮空氣,由左端輸入經閥口10節流後,壓力降為P2輸出。P2的大小可由調壓彈簧2、3進行調節。順時針鏇轉鏇鈕1,壓縮彈簧2、3及膜片5使閥芯8下移,增大閥口10的開度使P2增大。若反時針鏇轉鏇鈕1,閥口10的開度減小,P2隨之減小。
若P1瞬時升高,P2將隨之升高,使膜片氣室6內壓力升高,在膜片5上產生的推力相應增大,此推力破壞了原來力的平衡,使膜片5向上移動,有少部分氣流經溢流孔12、排氣孔11排出。在膜片上移
工作示意圖總之,溢流減壓閥是靠進氣口的節流作用減壓,靠膜片上力的平衡作用和溢流孔的溢流作用穩壓;調節彈簧即可使輸出壓力在一定範圍內改變。為防止以上溢流式減壓閥徘出少量氣體對周圍環境的污染,可採用不帶溢流閥的減壓閥(即普通減壓閥)。
組合式減壓閥的工作原理
1、組合式減壓閥自動調節原理
ZJY46H組合式減壓閥是一種在複雜多變的工況下亦可利用水壓進行自我調節的減壓閥穩壓閥,在進口壓力和流量產生變化的時候保持出口的壓力和流量穩定。其完全實現自力控制,調試簡單,
1、ZJY46H組合式減壓閥自動調節原理如圖所示:當進口壓力P1變化時減壓閥的出口首先表現為P2±△P2,通過反饋系統出口管傳到控制閥,使Pt=Pk±△P2;從而L發生相應變化,導致±△Pe的變化,經壓力導管導致Pk的相應變化,Pt與Pk達到新的平衡,主閥的過流面積H相應變化。
因此,進口壓力P1變化,而通過節流錐開度H的流量不變。出口壓力P2始終是原整定的低壓值。當流量變化時,減壓閥自我調節工作原理也如同上。
2、ZJY46H組合式減壓閥雙反饋系統切換工作原理2、組合式減壓閥的雙反饋切換原理:ZJY46H組合式減壓閥的反饋系統是根據減壓閥出口壓力的變化信號來控制過流面積(節流錐開度)的獨立系統。ZJY46H減壓閥裝備有互為備用的雙反饋系統,啟用A系統即停用B系統的運行模式可以達到減壓閥不停機檢修的目的。
如圖所示:
2.1、關閉球閥;
2.2、鏇轉兩個三通閥90°;
2.3、打開球閥;
2.4、雙反饋系統切換完成(總計切換時間約為20秒)。
3、ZJY46H組合式減壓閥反衝排污工作原理3、組合式減壓閥反衝排污工作原理:水電站的運行工況比較複雜,尤其水質的好壞直接關係到設備的安全運行。針對泥沙含量較大的水電站,除了在減壓閥的過流位置採用不鏽鋼材質並堆焊鎳基合金防磨蝕外,減壓閥的反衝排污裝置亦能有效地防止反饋控制系統的堵塞,使減壓閥在多泥沙雜物的水質中保持良好的工況。(反衝排污系統標配為手動控制,根據水質實際情況把握反衝排污頻率,或直接採用PLC自動反衝排污裝置。)
工作原理(ZJY46H組合式減壓閥/手動)
3.1、關閉球閥:由於水的不可壓縮性,出口壓力P2仍是低壓;
3.2、鏇轉三通排污閥90°,順向水流切斷,在出口壓力P2的作用下水流反向,同時衝出附著在濾網外的雜質;
3.3、關閉三通排污閥,打開球閥,反衝排污完成。
4、ZJY46H 組合式減壓閥出口壓力鎖定工作原理4、組合式減壓閥出口壓力鎖定工作原理:每一台合格的ZJY46H減壓閥閥體均經受了超過60分鐘的1.5倍強壓實驗,徹底杜絕閥體缺陷,即使歷經十餘年的連續運行也不會出現破裂漏水等故障。出口壓力內鎖定裝置是為防止反饋系統遭受意外損壞後,在主活塞下方失壓時,保持出口壓力P2值安全的剛性保護裝置。
如右圖所示:
4.1、當出口壓力P2調節完成,如右圖1所示保留適當的間隙h。
4.2、主活塞下方萬一失壓時,h消失,自動保護,如2所示。
此時主閥節流錐的開度最大為:H+h,如3所示。
因此,出口壓力P2值不會形成危害性的高壓。
先導式減壓閥
內部先導式減壓閥當減壓閥的輸出壓力較高或通徑較大時,用調壓彈簧直接調壓,則彈簧剛度必然過大,流量變化時,輸出壓力波動較大,閥的結構尺寸也將增大。為了克服這些缺點,可採用先導式減壓閥。先導式減壓閥的工作原理與直動式的基本相同。先導式減壓閥所用的調壓氣體,是由小型的直動式減壓閥供給的。若把小型直動式減壓閥裝在閥體內部,則稱為內部先導式減壓閥;若將小型直動式減壓閥裝在主閥體外部,則稱為外部先導式減壓閥。與直動式減壓閥相比,增加了由噴嘴4、擋板3、固定節流孔9及氣室B所組成的噴嘴擋板放大環節。當噴嘴與擋板之間的距離發生微小變化時,就會使B室中的壓力發生根明顯的變化,從而引起膜片10有較大的位移,去控制閥芯6的上下移動,使進氣閥口8開大或關小、提高了對閥芯控制的靈敏度,即提高了穩壓精度。
在主閥體外部還有一個小型直動式減壓閥由它來控制主閥。此類閥適於通徑在20mm以上,遠距離(30m以內)、高處、危險處、調壓困難的場合。
水電站減壓閥套用的技術要求和保證
組合式減壓閥在水電站套用的技術要求與保證:
1總則
1.1水電站技術供水系統組合式減壓閥設計時,應綜合考慮水電站的水質和水位、技術供水系統的要求及廠房布置條件等。組合式減壓閥公稱通徑的選取應在保證出口整定壓力條件下而能滿足技術供水最大流量。
1.2 水電站技術供水系統組合式減壓閥的設計、製造應符合本標準的規定,並按照規定程式批准的圖樣及技術檔案製造。
1.3機組正常停機或檢修時,組合式減壓閥應能在出口閘閥關閉時(進口閥開)可靠地關閉,或在進口閘閥關閉時(出口閥開)可靠地全開。
1.4機組在任何運行工況下,組合式減壓閥主閥和控制閥的閥桿節流組件都應能升降正常,無卡阻現象。
1.5組合式減壓閥一般只作出口減壓穩壓用,而不作切斷用。
1.6組合式減壓閥結構應能在不拆開閥體的情況下更換閥座、閥桿、節流錐及相應密封件等。
1.7組合式減壓閥應設定可靠的機械鎖定裝置。
1.8 組合式減壓閥過流部件的密封副表面應考慮抗氣蝕、抗泥沙磨損設計。
1.9 組合式減壓閥節流錐和內鎖定拉桿的裝配應考慮防松設計。
1.10 組合式減壓閥若配閥位指示、壓力表、自動排污等附屬檔案時,應在定貨契約中註明,未註明的按製造廠廠標執行。
1.11組合式減壓閥應有足夠的強度和剛度,進、出口法蘭應能傳遞最大軸向力。
1.12組合式減壓閥應設定指示介質流向的標識。
1.13組合式減壓閥過流部件的表面粗糙度可參照GB/T10969、JB/T56078的有關規定。
1.14組合式減壓閥的其他附屬檔案應符合相關的國家標準或行業標準的規定。
1.15製造廠應派遣技術人員到設備現場指導安裝並參加安裝階段產品的質量檢查、現場試驗、試運行及驗收。
2主閥裝配
2.1 閥體在裝配前應按GB/T13927-92《通用閥門壓力試驗》進行殼體試驗。試驗合格後,碳鋼閥體內腔刷塗防腐漆,不鏽鋼閥體內腔推薦刷塗銀粉漆。塗漆要求按本導則5.6條。
2.2 閥體、閥座、閥桿、節流錐的配合面應有合適的尺公差寸、形位公差及表面粗糙度,其公差等級不應低於八級,表面粗糙度Ra(輪廓算術平均偏差)不大於3.2μm。
2.3 閥體、閥座、閥桿、節流錐的密封面應有足夠的表面粗糙度,不允許有劃痕、凹坑等缺陷。
2.4 閥體、閥座、閥桿、節流錐裝配後,應進行密封試驗,試驗按GB/T13927-92《通用閥門壓力試驗》進行。
2.5 主閥裝配完畢,鏇動扳桿、調節螺桿,預壓彈簧,不應有異常阻力。
3主閥零部件結構與材料
3.1閥體
3.1.1閥體一般採用整體式鑄焊結構,應具有足夠的強度和剛度。閥體與管道連線的連線形式為法蘭式。
3.1.2閥體應有一個支撐底座,能把全部垂直載荷(包括閥門重量、水的重量等)安全地傳遞到地面基礎上。
3.2節流錐
3.2.1硬密封節流錐採用整體式結構,坯料為圓鋼、鍛件或鑄件;軟密封節流錐採用組合式結構。均應具有足夠的強度和剛度。
3.2.2節流錐主要過流面應設計成斜面。
3.3閥座
閥座較小時可採用整體式鑄造結構,較大時可採用分體式鑄造、粗車後組焊的鑄焊結構。
3.4閥桿
閥桿的活塞一般採用活塞芯與銅圈進行螺紋連線的組合式結構,閥桿較小時其活塞可採用整體式結構。
3.5 彈簧
彈簧為圓柱螺鏇壓縮彈簧。
3.5材料
3.5.1材料應具有化學成分和力學性能的試驗報告及符合相應材料最新標準的質量合格證明書。
3.5.2鑄鋼件的外觀質量應符合JB/T7927的規定,表面應無砂眼、夾渣、氣孔、縮松等缺陷。
3.5.3 主閥閥桿之活塞桿與活塞芯、閥座、節流錐、內鎖定拉桿等採用性能不低於2Cr13的材料,主閥調節螺桿的材料一般採用奧氏體不鏽鋼304(0Cr18Ni9),主閥彈簧材料推薦採用50CrVA。
3.5.4O形橡膠密封圈應符合相關標準。
3.5.5活塞環材料一般採用填充聚四氟乙烯。
4反饋系統
4.1反饋系統應有防堵塞設計:控制閥內應有過濾網,並能進行反衝洗;射流泵前在必要時也應考慮設計防堵塞裝置。
4.2反饋系統應有良好的水力信號轉換、放大與控制性能。
4.3 反饋系統的反衝洗排污一般設計成現場手動方式,也可套用戶要求設計成遠程控制方式。
4.4控制閥組裝時,應保證閥桿節流組件升降平順,調整帽順逆鏇動通暢,二者均無卡阻現象。
4.5控制閥應通過壓力試驗,無滲漏。
4.5射流泵應通過壓力試驗,無滲漏。
4.6射流泵應經過壓縮空氣吹洗,內腔無殘屑。
4.7反饋系統中的球閥和管件應符合相關標準要求。
5焊接和焊補
5.1減壓閥的焊接應由持有相應類別的“鍋爐壓力容器焊工合格證節”的焊工擔任。
5.2焊縫坡口的型式、尺寸及焊接質量和檢驗應符合GB150的規定。
5.3焊縫表面不應有裂紋、氣孔、弧坑和飛濺物。
5.4焊補應在缺陷清除乾淨後進行,同一部位的焊補次數不宜超過兩次。
5.5要求焊後熱處理的零件,一般應在熱處理前進行焊補。如在熱處理後進行焊補,焊補後應按有關規定重新進行必要的熱處理。
5.6凡屬下列類型的缺陷不允許焊補,應予以報廢。
a)涉及面廣,無法清除乾淨的砂眼、夾渣、氣孔、縮松、貫穿性裂紋等缺陷。
b)所有部位無法焊補或焊補後不能保證質量或不能採取有效的檢查手段的缺陷。
6塗漆
6.1塗漆前鋼材表面除銹等級應達到GB/T8923-1988中規定的Sal/2級。
6.2加工過的外表面應塗易除去的防鏽劑,閥門內腔應採取防鏽措施。
6.3減壓閥的顏色應在定貨契約中註明,未註明的按製造廠廠標執行。
6.4塗層外觀應光滑平整,色澤一致,無裂紋、鼓泡、桔皮、皺褶、流掛、剝落及漏塗等缺陷。
6.5對漆膜附著力、漆膜厚度及漆膜的其他性能有特殊要求時,其測定方法應符合相應標準的規定。
7殼體強度
水壓試驗後,減壓閥閥體不應有結構損傷、滲漏及有害的永久變形。
8密封性能
8.1 減壓閥主閥調壓腔在按規定進行密封試驗時,應無任何滲漏。
8.2 減壓閥主閥節流錐硬密封的允許滲漏量不大於最大流量的5%,軟密封的最大滲漏量不大於20滴(氣泡)/min。
8.3 減壓閥反饋系統在介質1.1倍額定壓力條件下,其外表面應無任何滲漏。
9調壓穩壓性能
9.1在給定的調壓範圍內,出口壓力應能在最大值與最小值之間能連續調整,不得有卡阻和異常振動。
9.2減壓閥應具備足夠穩定的靜態特性。當出口流量變化時,減壓閥不得有異常動作,其流量特性負偏差應不大於10%;當進口壓力變化時,減壓閥不得有異常振動,其壓力特性偏差應不大於5%。
9.3 減壓閥應有良好的動態特性。當進口壓力在2~3秒時間內突變40%時,其出口壓力應能在1秒內恢復至整定值。
9.4 反饋系統反衝排污時,或雙反饋系統切換時,出口壓力應保持穩定,不受其影響。
10可靠性保證
組合式減壓閥無故障連續運行時間應大於10000h。
11保證期
11.1產品保證期一般為自成套發貨之日起三年內或自通水之日起兩年內為有效(以先到期限為準)。在此期間,產品如因製造質量而損壞或不能正常運行,製造廠應無償地為用戶修理、更換或按契約規定承擔經濟責任。
11.2產品大修保證期應不低於8年。總運行歷時應不少於32000h(從減壓閥安裝運行之日起開始計算)。
水電站技術供水系統減壓閥的典型套用
ZJY46H組合式減壓閥在水電站技術供水系統上的典型套用這是一個典型的技術供水系統。如圖所示:經過ZJY46H組合式減壓閥減壓後的流體通過ZJLSQ濾水器過濾後,再通過ZJK46H水力控制閥進入各個用水點。如果管道超壓,ZJA46H泄壓閥會充分打開並及時泄壓。
1、ZJY46H組合式減壓閥的雙反饋系統均可排污,其特有的安全鎖定系統可以確保在系統遭受嚴重損壞時出口端壓力仍保持低壓。
2、ZJLSQ濾水器具有大流量小流阻的技術特點。如果安裝在ZJY46H減壓閥之後,用戶可以選擇較小壓力級別的濾水器,並可配合ZJY46H減壓閥設定自動反衝排污。
3、ZJK46H水力控制閥可以選擇自動或手動模式,通過快速開啟和緩慢關閉達到消除管道水錘壓力的目的。在開啟和關閉的同時進行反衝排污,確保工況時不卡阻。
4、ZJA46H活塞式泄壓閥能準確地保持安全的壓力,一旦超壓泄壓閥會充分打開並及時泄壓。ZJA46H活塞式泄壓閥除了具有反饋系統外,另帶有強制開啟手柄,在萬一的故障時可切換反饋系統或直接手動排放。
減壓閥分類
作用式減壓閥
最簡單的減壓閥,直接作用式減壓閥,帶有平膜片或波紋管。因為它是獨立結構,因此無需在下游安裝外部感測線。它是三種減壓閥中體積最小、使用最經濟的一種,專為中低流量設計。直接作用式減壓閥的精確度通常為下游設定點的+/-10%。
活塞式減壓閥
該類型的減壓閥集兩種閥―導閥和主閥―於一體。導閥的設計與直接作用式減壓閥類似。來自導閥的排氣壓力作用在活塞上,使活塞打開主閥。如果主閥較大,無法直接打開時,這種設計就會利用入口壓力打開主閥。因此,這種類型的減壓閥,與直接作用式減壓閥相比,在相同的管道尺寸下,容量和精確度(+/-5%)更高。與直接作用式減壓閥相同的是,減壓閥內部感知壓力,無須外部安裝感測線。
薄膜式減壓閥在這種類型的減壓閥中,雙膜片代替了內導式減壓閥中的活塞。這個增大的膜片面積能夠打開更大的主閥,並且在相同的管道尺寸下,其容量比內導式活塞減壓閥更大。另外,膜片對壓力變化更為敏感,精確度可達+/-1%。精確性更高是由於下游感測線的定位(閥的外部),其所在位置氣體或液體動盪更少。該減壓閥非常靈活,可以採用不同類型的導閥(例如壓力閥、溫度閥、空氣裝載閥、電磁閥或幾種閥同時配套適用)。組合式減壓閥
組合式減壓閥主要是為水電站技術供水系統等複雜工況條件下可長時間穩定運行而設計的產品,為水電站常見的如開停機,甩負荷工況;庫容水位變化大;過流介質泥沙含量大;機組進口水頭高等常見問題提供了優良的解決方案。 目前套用最大口徑DN500(向家壩水電站,構皮灘水電站等),最大套用單機80萬千瓦(目前世界上最大在建單機:向家壩水電站),最高進口壓力3.8MPa(閥後整定至0.4MPa),最大供水5000m³/h,均為一級減壓。
組合式減壓閥的工作原理:當進口壓力及流量變化時,通過控制閥調整主閥壓力調節腔的壓力,從而控制節流錐的開度,改變介質的過流面積,從而達到減壓穩壓的目的。
結構:組合式減壓閥由安全鎖定系統,壓力反饋系統,和主閥閥體組成。
定值器
義大利OR閥門
工作原理定值器的工作原理圖。它由三部分組成:1是直動式減壓閥的主閉部分;2是恆壓降裝置,相當於一定差減壓閥。主要作用是使噴嘴得到穩定氣源流量;3是噴嘴擋板裝置和調壓部分,起調壓和壓力放大作用,利用被它放大了的氣壓去控制主閥部分。
由於定值器具有調定、比較和放大的功能,因而穩壓精度高。
定值器處於非工作狀態時,由氣源輸入的壓縮空氣經過濾器1過濾後進入A室和正室。主閥芯19在彈簧20和氣源壓力作用下壓在閥座上,使A室與B室斷開。進入A室的氣流經由閥口(又稱為活門)12至F室,再通過恆節流孔13降壓後,分別進入G室和D室。由於這時尚未對膜片8加力,擋板5與噴嘴4之間的間距較大,氣體從噴嘴4流出時的氣流阻力較小,G室及D室的氣壓較低,膜片3及15保持原始位置。進入只室的微量氣體主要經B室通過閥口2從排氣口排出;另有一部分從輸出口排空。此時輸出口無氣流輸出,由噴嘴流出而排空微量氣體是維持噴嘴擋板裝置工作所必須的,因其為無功耗氣量,所以希望其耗量越小越好。
定值器處於工作狀態時,轉動手柄7,壓下彈簧6並推動膜片8連同擋板5一同下移、擋板5與噴嘴4的間距縮小,氣流阻力增加,使G室和D室的氣壓升高。膜片16在D室氣壓的作用下下移,將閥口2關閉,並向下推動主閥芯19,打開閥口,壓縮空氣經B室和H室由輸出口輸出。與此同時,H室壓力上升並反饋到膜片8上,當膜片8所受反饋作用力與彈簧力平衡時,定值器便輸出一定壓力的氣體。當輸入壓力波動時,如壓力上升,B室和H室氣壓瞬時增高、使膜片8上移,導致擋板5與噴嘴4之間的間距加大,G室和D室的氣壓下降。由於B室壓力增高,D室壓力下降,膜片15在壓差的作用下向上移動,使主閥口減小,輸出壓力下降,直到穩定到調定壓力上。此外,在輸入壓力上升時,E室壓力和F室瞬時壓力也上升,膜片3在上下差壓的作用下上移,關小穩壓閥口12。由於節流作用加強,F室氣壓下降,始終保持節流孔13的前後壓差恆定,故通過節流孔13的氣體流量不變,使噴嘴擋板的靈敏度得到提高。當輸入壓力降低時,B室和H室的壓力瞬時下降,膜片8連同擋板5由於受力平衡破壞而下移,噴嘴4與擋板5間間距減小,G室和D室壓力上升,膜片3和15下移。膜片15下移使主閥口開度加大,使B室及H室氣壓回升,直到與調定壓力平衡為止。而膜片3下移,使穩壓口12開大,F室氣壓上升,始終保持恆節流孔13前後壓差恆定。同理,當輸出壓力波動時,將與輸入壓力波動時得到同樣的調節。
由於定值器利用輸出壓力的反饋作用和噴嘴擋板的放大作用控制主閥,使其能對較小的壓力變化作出反應,從而使輸出壓力得到及時調節,保持出口壓力基本穩定,即定值穩壓精度較高。
基本性能
義大利OR支管減壓閥(2)壓力特性:它是指流量g為定值時,因輸入壓力波動而引起輸出壓力波動的特性。輸出壓力波動越小,減壓閥的特性越好。輸出壓力必須低於輸入壓力—定值才基本上不隨輸入壓力變化而變化。
(3)流量特性:它是指輸入壓力—定時,輸出壓力隨輸出流量g的變化而變化的持性。當流量g發生變化時,輸出壓力的變化越小越好。一般輸出壓力越低,它隨輸出流量的變化波動就越小。
選用標準
高貴的義大利OR閥門1、在給定的彈簧壓力級範圍內,使出口壓力在最大值與最小值之間能連續調整,不得有卡阻和異常振動;
2、對於軟密封的減壓閥,在規定的時間內不得有滲漏;對於金屬密封的減壓閥,其滲漏量應不大於最大流量的0.5%;
3、出口流量變化時,直接作用式的出口壓力偏差值不大於20%,先導式不大於10%;
4、進口壓力變化時,直接作用式的出口壓力偏差不大於10%,先導式的不大於5%;
5、通常,減壓閥的閥後壓力應小於閥前壓力的0.5倍;
6、減壓閥的套用範圍很廣,在蒸汽、壓縮空氣、工業用氣、水、油和許多其他液體介質的設備和管路上均可使用,介質流經減壓閥出口處的量,一般用質量流量或體積流量表示;
7、波紋管直接作用式減壓閥適用於低壓、中小口徑的蒸汽介質;
8、薄膜直接作用式減壓閥適用於中低壓、中小口徑的空氣、水介質;
9、先導活塞式減壓閥,適用於各種壓力、各種口徑、各種溫度的蒸汽、空氣和水介質,
若用不銹耐酸鋼製造,可適用於各種腐蝕性介質;
10、先導波紋管式減壓閥,適用於低壓、中小口徑的蒸汽、空氣等介質;
11、先導薄膜式減壓閥,適用於低壓、中壓、中小口徑的蒸汽或水等介質;
12、減壓閥進口壓力的波動應控制在進口壓力給定值的80%~105%,如超過該範圍,減壓前期的性能會受影響;
13、通常減壓閥的閥後壓力應小於閥前壓力的0.5倍;
14、減壓閥的每一檔彈簧只在一定的出口壓力範圍內適用,超出範圍應更換彈簧;
15、在介質工作溫度比較高的場合,一般選用先導活塞式減壓閥或先導波紋管式減壓閥;
16、介質為空氣或水(液體)的場合,一般宜選用直接作用薄膜式減壓閥或先導薄膜式減壓閥;
17、介質為蒸汽的場合,宜選用先導活塞式或先導波紋管式減壓閥;
18、為了操作、調整和維修的方便,減壓閥一般應安裝在水平管道上。
維護管理
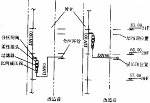
減壓閥設計安裝位置改進1:加強維護管理責任意識
從巨觀方面著眼,物業管理、維修操作人員應首先熟悉高層建築給水系統的概況和類型,掌握不同樓宇生活給水系統、消防系統乃至生產等複合給水系統性能特點,基本理解系統水力平衡運作機理,設定技術情況,特別要熟悉系統內多種減壓元件的套用原理,性能要求。要掌握系統的正常性能指標,當系統出現故障時,如某些用水設備壓力不穩定,急驟波動,甚至還伴有負壓抽吸,或者減壓系統關鍵管段出現斷續嘯叫噪音情況時,不僅能從理性方面去分析判斷原因,以正確的思路指導實踐;同時,要加強維護管理責任意識,提高專業技術水平,培養系統調試、操作運行、應急排故的動手能力。管理好每幢高層建築的供、用水設施,使業主(用戶)得到實惠。
2:運行操作、排故實踐知識
(1)要避免存留髒物、雜物進入減壓閥減壓保障系統。新建或者改造工程的減壓系統管網,很可能遺留沙粒、麻絲、雜物。投運前,一般都應進行水沖洗,滿足清潔要求後,最後裝上減壓閥和過濾器濾芯,這樣才能避免雜物流入減壓閥,杜絕減壓閥卡芯現象。在系統進入工作後,保障減壓系統的水流暢通與否,與設定在系統上的過濾器流通能力關係密切,如濾芯被雜物嚴重吸附,則會影響減壓閥的工作,為此必需對過濾器進行定期檢查,及時清除污穢。實踐表明這項工作2至3個月必須進行一次,有些可調式(彈簧式、薄膜式)減壓閥,其主閥或者導閥自身設定過濾器,同樣需要定期拆洗濾芯。
(2)1用1備的減壓閥組應定期輪換工作。大部分高層建築生活給水減壓閥減壓保障系統,是以給水豎向分區設定的,一般設在每一給水分區總管上。考慮到眾多用戶的用水可靠安全性(住宅每一分區有幾十戶至上百戶,公共建築如賓館、飯店,每一分區有幾十套客房……),設計時減壓閥應兩套並列安裝(1用1備)。減壓通路兩側都輔以閘閥或蝶閥,可啟閉任一減壓通道,為使並列的兩套減壓閥通道能正常工作,常規一個月輪流交換一次,擱置時間過長減壓通道死水結垢,減壓元件閥芯會卡住失效。
(3)應及時排除管道中的積氣。當空氣進入減壓管網或管網內隨壓力變化時氣體從水中析出,這時區域內用戶的水壓極不穩定;處在供水最不利點用水器更是壓力變化急驟,有時呈現虛假的峰值壓力,有時還會抽吸斷水,還有管網會伴隨撞擊聲。產生這種現象,會影響燃氣熱水器、電熱水器等穩定工作,嚴重時會被毀壞;對各種盥洗器具的進水連線管破壞力也很大,特別是目前常用的一些複合型連結軟管,其強度較差,因此爆管的事件屢有發生;有些水錶無法正確計量,出現用戶不用水,水錶也會不斷地轉動。為杜絕這類事故,應檢查屋頂水箱生活給水總管的蓄水高程是否滿足,如不滿足水箱出水口處會產生水鏇,吸入空氣。排除這一故障可調整水箱內液位控制器的最低水位高程,經驗表明一般最低水位距出水口應不小於0.3m。也可反覆開啟設定在分區、減壓系統兩側的壓力表放氣鏇塞,把已進入管網內的空氣徐徐排出。如採取上述措施後,在分區總管末梢以下的一些用水器還出現上述現象,可以在這些部位增設自動排氣裝置。
(4)注意減壓閥的減壓保障系統。無論選用比例式還是可調式減壓閥,其減壓比P1∶P2不宜選擇過大,一般應控制在5∶1之內。超過這個範圍易產生氣蝕現象,損壞閥件,產生嘯叫噪音。有些活塞式減壓閥,製造廠在其閥體上加工一個直徑1.5mm左右的小孔,其功能是讓閥芯運動時起到透吸氣作用,維護管理時應注意千萬不要將小孔塞住,否則影響減壓閥的正常運行。
減壓閥(6)注意檢查比例式減壓閥的安裝位置。高層內減壓閥設計安裝的位置不妥,會出現減壓閥閥後壓力忽高忽低,管網壓力嚴重偏離允許範圍,伴隨毀壞淋浴器,水管爆裂和損壞用戶水錶等事故發生;有時也會水流不暢,分區內出現無規律的斷水現象,影響用戶用水。出現類似事故,檢查整個減壓閥減壓分區給水系統,無疑點可找;拆卸減壓閥過濾器等元件並無異常;有些物業管理單位甚至懷疑減壓閥的技術性能,多次調換新的減壓閥,也不能解決問題。這時可從檢查比例減壓閥設計安裝位置是否合理著手,認真檢查管網系統是否存在等位倒虹管現象,即分區的輸出管路標高相近。此類情況在主、副樓同一屋頂水箱,下給水供水系統中很容易出現。發現這些問題,可以考慮把比例減壓閥安裝位置提高一個層面(不能提得太高,必須顧全分區內用水設備的承壓規範要求);也可在主、副樓內,分設兩組獨立的比例減壓閥給水系統。
安裝要求
減壓閥(1)減壓閥的安裝應在供水管網試壓、沖洗合格後進行。
檢查數量:全數檢查。
檢查方法:檢查管道試壓及沖洗記錄。
(2)減壓閥安裝前應檢查:其規格型號應與設計相符;閥外控制管路及導向閥各連線件不應有鬆動;外觀應無機械損傷,並應清除閥內異物。
檢查數量:全數檢查。
檢查方法:對照圖紙,觀察檢查和手扳檢查
(3)減壓閥水流方向應與供水管網水流一致。
檢查數量:全數檢查。
檢查方法:觀察檢查。
(4)應在進水側安裝過濾器,並宜在其前後安裝控制閥。
檢查數量:全數檢查。
檢查方法:觀察檢查。
(5)可調式減壓閥宜水平安裝,閥蓋應向上。
檢查數量:全數檢查。
檢查方法:觀察檢查。
(6)比例式減壓閥宜垂直安裝;當水平安裝時,單呼吸孔減壓閥其孔口應向下,雙呼吸孔減壓閥其孔口應呈水平位置。
檢查數量:全數檢查。
檢查方法:觀察檢查。
(7)安裝自身不帶壓力表的減壓閥時,應在其前後相鄰部位安裝壓力表。
檢查數量:全數檢查。
檢查方法:觀察檢查。
注意事項
減壓閥2.減壓閥安裝必須嚴格按照閥體上的箭頭方向保持和流體流動方向一致。如果水質不清潔含有一些雜質,必須在減壓閥的上游進水口安裝過濾器
3.為了防止閥後壓力超壓,應在離閥出口不少於4M處安裝一個減壓閥。
4.減壓閥在管道中起到一定的止回作用,為了防止水錘的危害,也可安裝小的膨脹水箱,防止損壞管道和閥門,過濾器必須安裝在減壓閥的進水管前,而膨脹水箱必須安裝在減壓閥出水管後!
5.如果需要將減壓閥安裝在熱水系統時,您必須在減壓閥和膨脹水箱之間安裝止回閥。這樣既可以讓膨脹水箱吸收由於熱膨脹而增加的水的體積,又可以防止熱水回流或壓力波動對減壓閥的影響,確保減壓閥長期正常工作。
使用技巧
冷庫減溫減壓閥在這種情況下,建議使用減壓閥或減壓閥站。減壓閥既可以允許將驅動壓力維持在能夠滿足泵排量的設定壓力,同時也可以保護進氣閥不受磨損。另外,在套用空間較狹窄時,建議使用帶集汽管的減壓閥站。在泵泵水過程中,集汽管為泵供汽從而為泵提供了緩衝區。這個緩衝區使整個裝置的動作柔和,減少對減壓閥的磨損。
主要種類
主要特點:1、DN65口徑以上活塞式。替了膜片提高壽命3倍以上;2、DN50口徑以下,用尼龍強化橡膠的平膜片代替了原來的膜片,也提高壽命3倍以上.適用介質:水、空氣.介質溫度:0~90°C。 | |
| 本閥用於溫度在180C以下的蒸汽、空氣及其它無腐蝕性氣體的管路上,經過調節,使通過閥內的介質壓力減至某一需要的出口壓力,並使介質的出口壓力保持相對穩定,但進口壓力與出口壓力之差必須大於或等於0.5bar. | |
一、用途 波紋管減壓閥採用直接作用隔膜式結構,內部結構非常簡單,無卡阻,性能可靠,經久耐用。 耐髒防水垢,不需過濾器,不需旁通管,配管極其簡單,能節省大量空間和配管成本。 出口壓力精密可調,在一般場合下,可以認為出口壓力不受進口壓力的影響(出口壓力的變化量是△P1的8%)。 極佳的水力特性,壓力損失小,減壓比可達成10:1以上。 可滿足多種減壓要求,特別適用於支管減壓系統。 三、工作原理 出口壓力作用在隔膜底面和閥瓣底面,當它超過彈簧設定值時,壓縮彈簧,使閥瓣關閉。只要下游無水流動,出口壓力將基本保持在設定值(其變化量僅為入口壓力變化量的8%);當下游用水時,出口壓力下降,彈簧推開隔膜,打開減壓閥。水流連續流通一陣後,減壓閥的開啟產生自阻尼效應,使啟閉動作趨於平穩。 四、可能的故障原因 1.霜凍損壞,在寒冷地區應注意保溫。 2.水流方向裝錯,減壓閥變成止回閥,出口壓力為0。 3.彈簧擰得太緊,無法關閉,減壓閥將直通P2=P1。 4.旁通管漏水,使P2偏離設定值,鑒於本減壓閥優越的可靠性和耐久性,建議不安裝亮度通管為宜。 | |
| 蒸汽減壓閥適用於蒸汽管路上。通過減壓閥的調節,可使進口壓力降至某一需要的出口壓力,當進口壓力或流量變動時,減壓閥依靠介質本身的能量可自動保持出口壓力在小範圍內波動。 | |
| 彈簧活塞式減壓閥適用於工作溫度0~90C的水、空氣和非腐蝕液體管路上。在高層建築的冷熱水供水和消防供水系統中,可取代常規分區水管,簡化和節省系統的設備,降低工程造價。 | |
| 比例式減壓閥,外形美觀,質量可靠,比例準確,工作平穩,既減動壓也減靜壓。 該閥利用閥體內部活塞兩端不同載面積產生的壓力差,改變閥後的壓力,達到減壓目的。 | |
| 本系列減壓閥屬於先導活塞式減壓閥。由主閥和導閥兩部分組成。主閥主要由閥座、主閥盤、活塞、彈簧等零件組成。導閥主要由閥座、閥瓣、膜片、彈簧、調節彈簧等零件組成。通過調節調節彈簧壓力設定出口壓力、利用膜片感測出口壓力變化,通過導閥啟閉驅動活塞調節主閥節流部位過流面積的大小,實現減壓穩壓功能。本產品主要用於氣體管路,如空氣、氮氣、氧氣、氫氣、液化氣、天然氣等氣體。 | |
YB410、YB416、YB425型減壓穩壓閥,是一種活塞型的壓力調節閥。口徑小於DN50的建議選用Y110和Y116(螺紋連線)的隔膜型減壓閥;口徑大於等於DN50的建議選用Y410和Y416(法蘭連線)的活 減壓穩壓閥 | |
| 活塞式可調式減壓穩壓閥是安裝於高層建築給排水系統管道上,將進口壓力減至某一需要的出口壓力的特種閥門。該閥門依靠本身能量使出口壓力保持穩定在設定植,即出口壓力不因進口壓力及流量的變化而變化,並且閥門控制系統的進口處裝有一個自清潔濾網,利用利用體特性,使比重較大、直徑較大的懸浮顆粒不會進入控制系統,確保系統循環暢通無阻,使閥門能安全可靠地運行。系統動作平穩、強度高、使用壽命長。活塞式使用於大於450口徑的閥門。 | |
| 隔膜可調式減壓穩壓閥是安裝於高層建築給排水系統管道上,將進口壓力減至某一需要的出口壓力的特種閥門。該閥門依靠本身能量使出口壓力保持穩定在設定植,即出口壓力不因進口壓力及流量的變化而變化,並且閥門控制系統的進口處裝有一個自清潔濾網,利用流體特性,使比重較大、直徑較大的懸浮顆粒不會進入控制系統,確保系統循環通暢無阻,使閥門能安全可靠地運行。系統動作敏捷、使用壽命長。 | |
| 200X減壓閥,是一種利用介質自身能量來調節與控制管路壓力的智慧型型閥門。200X減壓閥用於生活給水、消防給水及其他工業給水系統,通過調節閥減壓導閥,即可調節主閥的出口壓力。出口壓力不因進口壓力、進口流量的變化而變化,安全可靠地將出口壓力維持在設定植上,並可根據需要調節設定值達到減壓的目的。該閥減壓精確,性能穩定、安全可靠、安裝調節方便,使用壽命長。 | |
| 200P型減壓閥為一直接作用式可調減壓閥,採用隔膜型水力操作方式,可水平或垂直安裝於給水、消防系統或其他清水系統中。在一定流水範圍內可控制該閥門出口壓力為一相對固定值。200P型為內螺紋連線減壓閥,具有體型小巧,易於安裝等特點,具附有內置式濾網,可方便整體安裝作業,避免雜物堵塞,使其更加安全可靠。 | |
該閥主要配套在減溫裝置上,起到調節壓力的作用。減壓比一般用0.6較合適,選用DKJ-310 電動執行裝置,DN500閥選用DKJ-510電動執行裝置較合適。ZJY46H組合式減壓閥是為如電站技術供水系統等複雜工況專業設計的產品,為水電站常見的如開停機,甩負荷工況;庫容水位變化大;過流介質泥沙含量衝擊式機組進口水頭高等問題提供了優良的解決方案。在確保冷卻系統所需流量的前提下,ZJY46H減壓閥設計口徑從DN50~DN500;最高套用壓力可達到6.5MPa;最大減壓比可以達到12:1。並且配備有互為備用的雙反饋系統、適用惡劣水質的反衝排污系統、與一旦減壓閥遭受損壞、可以避免閥後產生破壞性高壓的出口壓力鎖定系統。 ZJY46H組合式減壓閥目前ZJY46H組合式減壓閥套用最大口徑DN500(向家壩水電站,構皮灘水電站等),最大套用單機80萬千瓦(目前世界上最大在建單機:向家壩水電站),最高進口壓力3.8MPa(閥後整定至0.4MPa),最大供水5000m³/h,均為一級減壓。 |
技術參數
DYJ型疊加式減壓閥2、殼體試驗壓力:P=1.5PN
3、密封試驗壓力:P=1.1PN
4、出口壓力:PN1.0MPa調節閥0.09~0.8MPa
PN1.6MPa調節閥0.10~1.2MPa
PN2.5MPa調節閥0.15~1.6MPa
5、適用介質:水
6、適用溫度:0℃~80℃
減壓閥主要控制主閥的固定出口壓力,主閥出口壓力不因進口壓力變化而改變,並不因主閥出口流量的變化而改變其出口壓力。適用於工業給水、消防供水及生活用水管網系統。
比較
減壓閥與溢流閥的區別(1)靜止狀態,減壓閥閥口常開,溢流閥閥口常閉;
(2)減壓閥控制出口壓力穩定,而溢流閥控制進口壓力穩定;
(3)減壓閥閥口隨出口壓力的升高而關小,溢流閥閥口隨進口壓力的升高而開大;
(4)減壓閥進出油口都是壓力油路,經先導閥的回油必須單獨引回油箱,而溢流閥則和出口合併一同流回油箱。

減壓穩壓閥