概述
葡萄球菌 由於在普通肉汁培養基中能很好地發育,所以培養比較簡單,但剛從動物體上分離的,對各種胺基酸和生長因子的要求較高,特別是對煙酸、硫胺素的要求更為明顯。在自然界已發現許多介於S.aureus與S.albus中間型的種類。葡萄球菌是柯赫(R.Koch.1878年)、巴斯德(L.Pasteur,1880年)和奧格斯頓(A.Og-ston,1881年)從濃液中發現的,但通過純培養並進行詳細研究的是F.J.Rosenbach(1884年)。在生理學上顯有許多與大腸桿菌——產氣桿菌群(coli-aerog-enesgroup)、乳酸菌共同的性質,但其毒性非常強,移植於動物血管中可引起動物體各處發生膿瘍,而表現出嚴重的症狀以至死亡。然而與人皮膚膿瘍類似的種類不易在動物體上發生,只有極少數的可在類人猿和兔發生類似的症狀。
因乳製品和肉類的腐敗而出現的中毒,認為多由此類細菌引起,原因是葡萄球菌在增殖過程中可產生腸毒素(enterotoxin)。這種毒素的生物活性在於能刺激嘔吐中樞產生催吐作用。該細菌是抗菌物質中毒和一般營養不良時成為次級的微生物區系的主要細菌。從黃色葡萄球菌的細胞壁分離出的蛋白質A可與免疫球蛋白(主要為IgG)進行特異的結合,這是由K.Jensen氏(1959年)發現的,現已被套用於各種免疫反應。
形態
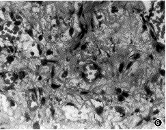
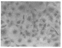
球形或稍呈橢圓形,直徑1.0um左右,排列成葡萄狀。葡萄球菌無鞭毛,不能運動。無芽胞,除少數菌株外一般不形成莢膜。易被常用的鹼性染料著色,革蘭氏染色為陽性。其衰老、死亡或被 白細胞吞噬後,以及耐藥的某些菌株可被染成革蘭氏陰性
特性
營養要求不高,在普通培養基上生長良好,在含有血液和葡萄糖的培養基中生長更佳,需氧或兼性厭氧,少數專性厭氧。28~38℃均能生長,致病菌最適溫度為37℃,PH為4.5~9.8,最適為7.4。在肉湯培養基中24小時後呈均勻混濁生長,在瓊脂平板上形成圓形凸起,邊緣整齊,表面光滑,濕潤,不透時的菌落。不同種的菌標產生不同的色素,如金黃色、白色、檸檬色。色素為脂溶性。葡萄球菌在血瓊脂平板上形成的菌落較大,有的菌株菌落周圍形成明顯的全透明溶血環(β溶血),也有不發生溶血者。凡溶血性菌株大多具有致病性。
生化反應
多數葡萄球菌能分解葡萄糖、麥芽糖和蔗糖,產酸不產生氣。致病性菌株能分解甘露醇。
分型
葡萄球菌 根據生化反應和產生色素不同,可分為金黃色葡萄球菌(Staph.aureus)、表皮葡萄球菌(Staph.epidermidis)和腐生葡萄球菌(Staph.saparophytics)三種。
其中:
金黃色葡萄球菌多為致病菌;
表皮葡萄球菌偶爾致病;
腐生葡萄球菌一般不致病。
60%~70%的金黃色葡萄球菌可被相應噬菌體裂解,表皮葡萄球菌不敏感。用噬菌體可將金葡萄菌分為4群23個型。腸毒素型食物中毒由Ⅲ和Ⅳ群金葡萄菌引起,Ⅱ群菌對抗生素產生耐藥性的速度比Ⅰ和Ⅳ群緩慢很多。造成醫院感染嚴重流行的是Ⅰ群中的52、52A、80和81型菌株。引起皰疹性和剝脫性皮炎的菌株經常是Ⅱ群71型。
抗原結構
葡萄球菌 葡萄球菌抗原構造複雜,已發現的在30種以上,其化學組成及生物學活性了解的僅少數幾種。
1.葡萄球菌A蛋白(StaphylococcalproteinA,SPA)存在於菌細胞壁的一種表面蛋白,位於菌體表面,與胞壁的粘肽相結合。它與人及多種哺乳動物血清中的lgG的Fc段結合,因而可用含SPA的葡萄球菌作為載體,結合特異性抗體,進行協同凝集試驗。A蛋白有抗吞噬作用,還有激活補體替代途等活性。SPA是一種單鏈多肽,與細胞壁肽聚糖呈共價結合,是完全抗原,具屬特異性。所有來自人類的菌株均有此抗原,動物源株則少見。
2.多糖抗原具有群特異性,存在於細胞壁,藉此可以分群,A群多糖抗原體化學組成為磷壁酸中的N-乙醯葡胺核糖醇殘基。B群化學組成是磷壁酸中的N-乙醯區糖胺甘油殘基。
3.莢膜抗原幾乎所有金黃色葡萄球菌菌株的表面有莢膜多糖抗原的存在。表皮葡萄球菌僅個別是菌株有此抗原 。
致病物質
葡萄球菌 1、血漿凝固酶(Coagulase)是能使含有枸椽酸鈉或肝素抗凝劑的人或兔血漿發生凝固的酶類物質,致病菌株多能產生,常作為鑑別葡萄球菌有無致病性的重要標誌。凝固酶有兩種:
一種是分泌至菌體外的,稱為游離凝固酶(Freecoagulase)為蛋白質。作用類似凝血酶原物質,可被人或兔血漿中的協同因子(Cofactor)激活變成凝血酶樣物質後,使液態的纖維蛋白原變成固態的纖維蛋白,從而使血漿凝固。
另一種凝固酶結合於菌體表面並不釋放,稱為結合凝固酶(Boundcoagulase)或凝聚因子(Chumpingfactor),在該菌株的表面起纖維蛋白原的特異受體作用,細菌混懸於人或兔血漿中時,纖維蛋白原與菌體受體交聯而使細菌凝聚。
游離凝固酶採用試管法檢測,結合凝固酶則以玻片法測試。凝固酶耐熱,粗製品100℃30分鐘或高壓滅菌後仍保持部分活性,但易被蛋白分解酶破壞。凝固酶和葡萄球菌的毒力關係密切。凝固酶陽性菌株進入機體後,使血液或血漿中的纖維蛋白沉積於菌體表面,阻礙體內吞噬細胞的吞噬,即使被吞噬後,也不易被殺死。同時,凝固酶集聚在菌體四周,亦能保護病菌不受血清中殺菌物質的作用。葡萄球菌引起的感染易於局限化和形成血栓,與凝固酶的生成有關。凝固酶具有免疫原性,刺激機體產生的抗體對凝固酶陽性的細菌感染有一定的保護作用。慢性感染患者血清可有凝固酶抗體的存在。
2、葡萄球菌溶血素(Staphyolysin)多數致病性葡萄球菌產生溶血等。按抗原性不同,至少有α、β、γ、δ、ε五種,對人類在致病作用的主要是α溶血素。它是一種“攻擊因子”,化學成分為蛋白質,分子量約為30,000,不耐熱,65℃30分鐘即可破壞。如將α-溶血素注入動物皮內,能引起皮膚壞死,如靜脈注射,則導致動物迅速死亡。α溶血素還能使小血管收縮,導致局部缺血和壞死,並能引起平滑肌痙攣。α溶血素是一種外毒素,具有良好的抗原性。經甲醛處理可製成類毒素。
3、殺白細胞素(Leukocidin)含F和S兩種蛋白質,能殺死人和兔的多形核粒細胞和巨噬細胞。此毒素有抗原性,不耐熱,產生的抗體能阻止葡萄球菌感染的復發。
4、腸毒素(Enterotoxin)從臨床分離的金黃色葡萄球菌,約1/3產生腸毒素,按抗原性和等電點等不同,葡萄球菌腸毒素分A、B、C1、C2、C3、D、E和F八個血清型(現在已經取消了F這個血清型,因為事實上,F型腸毒素就是TSST1),細菌能產生一型或兩型以上的腸毒素,腸毒素是單一的多肽鏈,含有較多的賴氨酸、酷氨酸、天門冬氨酸和谷氨酸。腸毒素可引起急性胃腸炎即食物中毒。與產毒菌株污染了牛奶、肉類、魚是蝦、蛋類等食品有關,在20℃以上經8~10小時即可產生大量的腸毒素
毒性休克綜合毒素Ⅰ 6、毒性休克綜合毒素Ⅰ (Toxicshocksyndrometoxin1,TSST1)系噬菌體Ⅰ群金黃色葡萄球菌產生。可引起發熱,增加對內毒素的敏感性。增強毛細血管通透性,引起必血管紊亂而導致休克。
7、其他葡萄球菌尚可產生葡激酶(Staphylokinase),亦稱葡萄球菌溶纖維蛋白酶(Staphylococcalfibrinolysin),產生耐熱核酸酶(Heat-stablenuclease),透明質酸酶(Hyaluronidase),脂酶(Lipase)等。
所致疾病
1、侵襲性疾病主要引起化膿性炎症。葡萄球菌可通過多種途徑侵入機體,導致皮膚或器官的多種感染,甚至敗血症。
(1)皮膚軟組織感染主要有癤、痛、毛囊炎、膿痤瘡、甲溝炎、麥粒腫、蜂窩組織炎、傷口化膿等。
(2)內臟器官感染如肺炎、膿胸、中耳炎、腦膜炎、心包炎、心內膜炎等,主要由金葡菌引起。
(3)全身感染如敗血症、膿毒血症等,多由金葡菌引起,新生兒或機體防禦可能嚴重受損時表皮葡萄球菌也可引起嚴重敗血症。
2、毒性疾病由金葡菌產生的有關外毒素引起
(1)食物中毒 進食含腸毒素食物後1~6小時即可出現症狀,如噁心、嘔吐、腹痛、腹瀉,大多數病人於數小時至1日內恢復。
(2)燙傷樣皮膚綜合徵多見於新生兒、幼兒和免疫功能低下的成人,開始有紅斑,1~2天有皮起皺,繼而形成水皰,至表皮脫落。由表皮溶解毒素引起。
(3)毒性休克綜合徵 由TSST1引起,主要表現為高熱、低血壓、紅斑皮疹伴脫屑和休克等,半數以上病人有嘔、腹瀉、肌痛、結膜及黏膜充血,肝腎功能損害等,偶爾有心臟受累的表現。
(4)假膜炎腸炎本質是一種菌群失調性腸炎,病理特點是腸黏膜被一層炎性假膜所覆蓋,該假膜由炎性滲出物、腸黏膜壞死塊和細菌組成。人群中約10~15%有少量金葡菌寄居於腸道,當優勢菌如脆弱類桿菌、大腸肝菌等因抗菌藥物的套用而被抑制或殺滅後,耐藥的金葡菌就乘機繁殖而產生毒素,引起以腹瀉為主的臨床症狀。
免疫性
人類對致病性葡萄球菌有一定的天然免疫力。只有當皮膚黏膜受創傷後,或機體免疫力降低時,才易引起感染。患病後所獲免疫力不強,難以防止再次感染。
診斷
葡萄球菌--塗片鏡檢 (一)直接塗片鏡檢
取標本塗片,革蘭氏染色後鏡檢,根據細菌形態,排列和染色性可作出初步診斷。
(二)分離培養與鑑定
將標本接種於血瓊脂平板,甘露醇和高鹽培養基中進行分離培養,孵育後挑選可凝菌落進行塗片、染色、鏡檢。致病性葡萄球菌的主要特點:凝固酶產生陽性,金黃色素,有溶血性,發酵甘露醇。食物中毒病人的嘔吐物,糞便或剩餘食物在作細菌分離鑑定的同時,接種於肉湯培養基中,孵育後取濾液注射於6~8周齡的幼貓腹腔,注射後4小時內發生嘔吐、腹瀉、體溫升高或死亡提示有腸毒素存在的可能。這年來,採用免疫學方法檢測葡萄球菌腸毒素繁多,如反向間接血凝、ELISA、放射免疫等方法較快速敏感。
原則
加強衛生宣傳教育,講究個人衛生,皮膚創傷應及時處理,注意中西醫結合,合理用藥,避免濫用抗生素。

