改進後的供油方式目前已在我國南方多台國產200MW機組上使用。正常運行時,優先使用Ⅲ射油器,密封油泵作為開停機時的備用,既減少了轉動設備的損耗,降低了檢修維護費用,又避免了密封油泵因長期運行以至損壞而造成的停機事故,用戶反映良好。建議擁有同型機組或擁有雙流環式密封瓦的電廠首選此種密封方式。
介紹
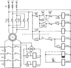
起動電動機
機組開機之前啟動密封油泵,機組運行正常後投入Ⅲ射油器,停止密封油泵。 機組準備停運,啟動密封油泵,退出射油器運行。 如果要將密封油泵切換至Ⅲ射油器,首先開啟空、氫側密封油聯絡門,其次開啟Ⅲ射油器進出油門,此時注意用油泵再循環門維持密封油壓,然後開啟密封油箱至Ⅲ射油器手動門、氫油分離器至Ⅲ射油器手動門,Ⅲ射油器投入後,停止空、氫側密封油泵,逐漸開大Ⅲ射油器進油門,維持到正常運行壓力,倒換過程中注意調整好密封油箱油位。
改進後的供油方式目前已在我國南方多台國產200MW機組上使用。正常運行時,優先使用Ⅲ射油器,密封油泵作為開停機時的備用,既減少了轉動設備的損耗,降低了檢修維護費用,又避免了密封油泵因長期運行以至損壞而造成的停機事故,用戶反映良好。建議擁有同型機組或擁有雙流環式密封瓦的電廠首選此種密封方式。
起動電動機電動機(Motor)是把電能轉換成機械能的一種設備。它是利用通電線圈(也就是定子繞組)產生旋轉磁場並作用於轉子(如鼠籠式閉合鋁框)形成磁電動力旋轉扭矩。...
基本參數 結構分類 電動機原理 用途套用 環保政策電動機的起動、制動和調速(電機實用技術叢書) 內容簡介本書對電動機起動...自學成材的選用讀物,還可供科研人員及大、中專院校師生參考。 電動機的起動... 直流電動機的調速 參考文獻 電動機的起動、制動和調速(電機實用技術叢書) 文章...
初二物理電動機,是把電能轉換成機械能的設備,工作原理是磁場對電流受力的作用,使電動機轉動。
編輯本段型號及參數 編輯本段發明過程 編輯本段結構簡介 編輯本段用途套用182怎樣提高電動機的效率? 239怎樣拆裝大型電動機的轉子? 273怎樣維護電動機的機殼?
內容介紹 作品目錄直接起動也稱為全壓起動,是最常用的起動方式,是將電動機的定子繞組直接接入電源,在額定電壓下起動,具有起動轉矩大、起動時間短的特點,也是最簡單、最經濟和最...
簡介 影響 電動機容量 直接起動設備《精選電動機控制電路200例》是2013年機械工業出版社出版的圖書,作者是黃海平。
內容介紹 作品目錄電動機的起動電流是指電動機接通額定電壓從零速開始起動時輸入的線電流。電動機起動電流一般為其額定電流的5~7倍。電動機起動電流過大,對電氣設備及電網影響較...
起動電流原理 不利影響 限制措施電動機(Motors)是把電能轉換成機械能的設備,它是利用通電線圈在磁場中受力轉動的現象製成,分布於各個用戶處,電動機按使用電源不同分為直流電動機和交流...
簡介 國內發展 發明 結構簡介 工作原理