簡介
直流斬波電路
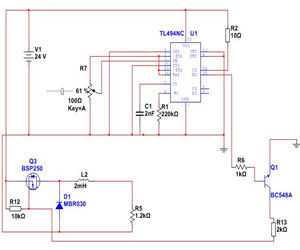
直流斬波電路(DC Chopper),意思是將直流電變為固定或可調的直流電。直流斬波電路的種類很多,包括6種基本斬波電路:降壓斬波電路,升壓斬波電路,升降壓斬波電路,Cuk斬波電路,Sepic斬波電路,Zeta斬波電路,前兩種是最基本電路。升壓直流斬波電路的方式通常有三種:時間比例控制方式、瞬時值和平均值控制方式、時間比與瞬時值混合控制方式。
直流斬波電路將直流電變為另一固定電壓或可調電壓的直流電。也稱為直流--直流變換器(DC/DC Converter)。一般指直接將直流電變為另一直流電,不包括直流—交流—直流。
種類 工作方式 分類 作用 現狀直流斬波是現代詞,是一個專有名詞,是一種用斬波器斬切直流的方式。
簡介 直流斬波電路斬波是指將直流電變為另一固定電壓或可調電壓的直流電。
斬波(Chopper) 相關條目四象限直流變換電路,輸出電壓和電流平均值的幅值和極性均可隨控制信號而變的直流變換電路。它可運行於伏安特性的四個象限,生產中用以構成具有摩擦負載的可逆直流...
四象限直流變換電路 正文 配圖 相關連線直流變換電路(D.C. converting circuit)將幅值固定的直流電壓變換成幅值和極性為可變的直流電壓的變換電路。在生產中用以構成直流脈衝調...
簡介 正文 參考書目 配圖 相關連線雙象限直流變換電路,輸出電平(電壓或電流)平均值的極性為可逆的直流變換電路。其特點是電路具有雙向傳輸功率的能力,即負載既可向直流電源吸取電能,也可向直流...
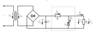
雙象限直流變換電路 正文 配圖 相關連線斬控整流電路採用斬波控制方式實現負載端直流電能控制的可控整流電路。
斬控整流電路《實用電源電路與充電電路圖集》是由何曉帆編著,中國電力出版社於2009年出版的書籍。
內容簡介 圖書目錄