簡介
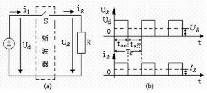
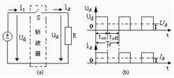
直流斬波用斬波器斬切直流的基本思想是:
如果改變開關的動作頻率,或改變直流電流接通和斷開的時間比例,就可以改變加到負載上的電壓、電流平均值。
直流斬波電路
將直流電變為另一固定電壓或可調電壓的直流電;
也稱為直接直流--直流變換器(DC/DC Converter)。
一般指直接將直流電變為另一直流電,不包括直流——交流——直流
直流斬波電路的種類
6種基本斬波電路:降壓斬波電路、升壓斬波電路、升降壓斬波電路、Cuk斬波電路、Sepic斬波電路和Zeta斬波電路,其中前兩種是最基本的電路
複合斬波電路——不同基本斬波電路組合
多相多重斬波電路——相同結構基本斬波電路組合

