基本概念
恆流源電路(電流反射鏡電路)
兩種基本恆流源電路恆流源是輸出電流保持恆定的電流源,而理想的恆流源應該具有以下特點:
a)不因負載(輸出電壓)變化而改變;
b)不因環境溫度變化而改變;
c)內阻為無限大(以使其電流可以全部流出到外面);
能夠提供恆定電流的電路即為恆流源電路,又稱為 電流反射鏡電路。
基本原則
基本的恆流源電路主要是由輸入級和輸出級構成,輸入級提供參考電流,輸出級輸出需要的恆定電流。
恆流源電路就是要能夠提供一個穩定的電流以保證其它電路穩定工作的基礎。即要求恆流源電路輸出恆定電流,因此作為輸出級的器件應該是具有飽和輸出電流的伏安特性。這可以採用工作於輸出電流飽和狀態的BJT或者MOSFET來實現。
為了保證輸出電晶體的電流穩定,就必須要滿足兩個條件:a)其輸入電壓要穩定——輸入級需要是恆壓源;b)輸出電晶體的輸出電阻儘量大(最好是無窮大)——輸出級需要是恆流源。
輸入要求
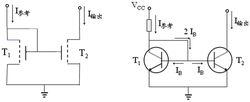
上左圖是用增強型n-MOSFET構成的一種基本恆流源電路。為了保證輸出電晶體T2的柵-源電壓穩定,其前面就應當設定一個恆壓源。實際上,T1 MOS管在此的作用也就是為了給T2提供一個穩定的柵-源電壓,即起著一個恆壓源的作用。因此T1應該具有很小的交流電導和較高的跨導,以保證其具有較好的恆壓性能。T2應該具有很大的輸出交流電阻,為此就需要採用長溝道MOSFET,並且要減小溝道長度調製效應等不良影響。
上右圖是用BJT構成的一種基本恆流源電路。其中T2是輸出恆定電流的電晶體,電晶體T1就是一個給T2提供穩定基極電壓的發射結二極體。當然,T1的電流放大係數越大、跨導越高,則其恆壓性能也就越好。同時,為了輸出電流恆定(即提高輸出交流電阻),自然還需要儘量減小T2的基區寬度調變效應(即Early效應)。另外,如果採用兩個基極相連線的p-n-p電晶體來構成恆流源的話,那么在IC晶片中這兩個電晶體可以放置在同一個隔離區內,這將有利於減小晶片面積,但是為了獲得較好的輸出電流恆定的性能,即需要特別注意增大橫向p-n-p電晶體的電流放大係數。
因為輸入級需要是恆壓源,所以可以採用具有電壓飽和伏安特性的器件來作為輸入級。一般的pn結二極體就具有這種特性——指數式上升的伏安特性;另外,把增強型MOSFET的源-漏極短接所構成的二極體,也具有類似的伏安特性——拋物線式上升的伏安特性。
在IC中採用二極體作為輸入級器件時,一般都是利用三極體進行適當連線而成的集成二極體,因為這種二極體既能夠適應IC工藝,又具有其特殊的優點。對於這些三極體,要求它具有一定的放大性能,這才能使得其對應的二極體具有較好的恆壓性能。
輸出要求
如果採用BJT,為了使其輸出電阻增大,就需要設法減小Early效應(基區寬度調製效應),即要儘量提高Early電壓。
如果採用MOSFET,為了使其輸出電阻增大,就需要設法減小其溝道長度調製效應和襯偏效應。因此,這裡一般是選用長溝道MOSFET ,而不用短溝道器件。
電路擴展
在以上基本電路的基礎上,還可以加以擴展其功能:
一方面,在二極體恆壓源(T1)的作用下,它的後面可以連線多個輸出支路(與T2並聯的多個電晶體),從而能夠獲得多個穩定的輸出電流。
另一方面,在T1和T2的源極(發射極)上還可以分別串聯一個電阻(設分別為R1和R2),這就能夠得到不同大小的恆定輸出電流。因為這時可有I(輸出)/I(參考)=R1/R2,則在這種恆流源電路中,輸出的恆定電流基本上是決定於電阻以及電晶體放大係數的比值,而與電阻和放大係數的絕對大小關係不大。這種性質正好適應了積體電路製造工藝的特點,所以這種恆流源電路是模擬IC中的一種基本電路。

