簡介
恆流源典型外觀圖集恆流源、交流恆流源、直流恆流源、電流發生器、大電流發生器又叫電流源、穩流源,是一種寬頻譜、高精度交流穩流電源,具有回響速度快、恆流精度高、能長期穩定工作,適合各種性質負載(阻性、感性、容性)等優點。
結構
恆流源是電路中廣泛使用的一個組件,這裡是比較常見的恆流源的結構和特點。 恆流源分為流出(Current Source)和流入(Current Sink)兩種形式。
最簡單的恆流源
最簡單的恆流源就是用一隻恆流二極體。實際上,恆流二極體的套用是比較少的,除了因為恆流二極體的恆流特性並不是非常好之外,電流規格比較少,價格比較貴也是重要原因。
最常用的簡易恆流源
用兩隻同型三極體,利用三極體相對穩定的be電壓作為基準,電流數值為:I = Vbe/R1。
這種恆流源優點是簡單易行,而且電流的數值可以自由控制,也沒有使用特殊的元件,有利於降低產品的成本。缺點是不同型號的管子,其be電壓不是一個固定值,即使是相同型號,也有一定的個體差異。同時不同的工作電流下,這個電壓也會有一定的波動。因此不適合精密的恆流需求。
為了能夠精確輸出電流,通常使用一個運放作為反饋,同時使用場效應管避免三極體的be電流導致的誤差。如果電流不需要特別精確,其中的場效應管也可以用三極體代替。
計算公式
恆流源有個定式,就是利用一個電壓基準,在電阻上形成固定電流。有了這個定式,恆流源的搭建就可以擴展到所有可以提供這個“電壓基準”的器件上。
最簡單的電壓基準
最簡單的電壓基準,就是穩壓二極體,利用穩壓二極體和一隻三極體,可以搭建一個更簡易的恆流源。
電流計算公式為:I = (Vd-Vbe)/R1。
TL431
TL431是另外一個常用的電壓基準,利用TL431搭建的恆流源,其中的三極體替換為場效應管可以得到更好的精度。
TL431的其他信息請參考《TL431的內部結構圖》和《TL431的幾種基本用法》
電流計算公式為:I = 2.5/R1。
三端穩壓
事實上,所有的三端穩壓,都是很不錯的電壓源,而且三端穩壓的精度已經很高,需要的維持電流也很小。利用三端穩壓構成恆流源,也有非常好的性價比。
這種結構的恆流源,不適合太小的電流,因為這個時候,三端穩壓自身的維持電流會導致較大的誤差。
電流計算公式為:I = V/R1,其中V是三端穩壓的穩壓數值。
實際的電路中,有一些特殊的結構,也可以提供很好的恆流特性,最典型的就是一個很高的電壓通過一個電阻在一個低壓設備上形成電流,這個恆流源的精度,取決於高壓的精確度和低壓設備本身導致的電壓波動。在一些開關電源電路中,這個結構用來給三極體提供偏置電流。
電流計算公式為: I = Vin/R1。
值得一提的是,以上這些恆流源並不都適合安培以上級別的恆流套用,因為電阻上面太大的電流會導致發熱嚴重。
可以通過使用更小的電阻來降低這個熱量,不過在單電源供電模式下,多數運放都不能有效檢測和輸出接近地或者Vcc的電壓,因此必須使用特殊的器件才能達到要求。有個簡單的辦法是通過一個穩壓器件(穩壓管,或者TL431等)偏置電阻上面的電壓,使得這個電壓進入運放的檢測範圍。
恆流源的實質
恆流源的實質是利用器件對電流進行反饋,動態調節設備的供電狀態,從而使得電流趨於恆定。只要能夠得到電流,就可以有效形成反饋,從而建立恆流源。
能夠進行電流反饋的器件,還有電流互感器,或者利用霍爾元件對電流迴路上某些器件的磁場進行反饋,也可以利用迴路上的發光器件(例如光電耦合器,發光管等)進行反饋。這些方式都能夠構成有效的恆流源,而且更適合大電流等特殊場合,不過因為這些實現形式的電路都比較複雜,這裡就不一一介紹了。
電路
基本概念
恆流源是輸出電流保持恆定的電流源,而理想的恆流源應該具有以下特點:
a)不因負載(輸出電壓)變化而改變;
b)不因環境溫度變化而改變;
c)內阻為無限大(以使其電流可以全部流出到外面)。
能夠提供恆定電流的電路即為恆流源電路,又稱為電流反射鏡電路。
基本原理
基本的恆流源電路主要是由輸入級和輸出級構成,輸入級提供參考電流,輸出級輸出需要的恆定電流。
①構成恆流源電路的基本原則:
恆流源電路就是要能夠提供一個穩定的電流以保證其它電路穩定工作的基礎。即要求恆流源電路輸出恆定電流,因此作為輸出級的器件應該是具有飽和輸出電流的伏安特性。這可以採用工作於輸出電流飽和狀態的BJT 或者MOSFET來實現。
為了保證輸出電晶體的電流穩定,就必須要滿足兩個條件:a)其輸入電壓要穩定——輸入級需要是恆壓源;b)輸出電晶體的輸出電阻儘量大(最好是無窮大)——輸出級需要是恆流源。
②對於輸入級器件的要求:
因為輸入級需要是恆壓源,所以可以採用具有電壓飽和伏安特性的器件來作為輸入級。一般的pn結二極體就具有這種特性——指數式上升的伏安特性;另外,把增強型MOSFET的源-漏極短接所構成的二極體,也具有類似的伏安特性——拋物線式上升的伏安特性。
在IC中採用二極體作為輸入級器件時,一般都是利用三極體進行適當連線而成的集成二極體,因為這種二極體既能夠適應IC工藝,又具有其特殊的優點。對於這些三極體,要求它具有一定的放大性能,這才能使得其對應的二極體具有較好的恆壓性能。
③對於輸出級器件的要求:
如果採用BJT,為了使其輸出電阻增大,就需要設法減小Evarly效應(基區寬度調製效應),即要儘量提高Early電壓。
如果採用MOSFET,為了使其輸出電阻增大,就需要設法減小其溝道長度調製效應和襯偏效應。因此,這裡一般是選用長溝道MOSFET ,而不用短溝道器件。
電路示例
恆流源電路(電流反射鏡電路)上左圖是用增強型n-MOSFET構成的一種基本恆流源電路。為了保證輸出電晶體T2的柵-源電壓穩定,其前面就應當設定一個恆壓源。實際上,T1二極體在此的作用也就是為了給T2提供一個穩定的柵-源電壓,即起著一個恆壓源的作用。因此T1應該具有很小的交流電導和較高的跨導,以保證其具有較好的恆壓性能。T2應該具有很大的輸出交流電阻,為此就需要採用長溝道MOSFET,並且要減小溝道長度調製效應等不良影響。
上右圖是用BJT構成的一種基本恆流源電路。其中T2是輸出恆定電流的電晶體,電晶體T1就是一個給T2提供穩定基極電壓的發射結二極體。當然,T1的電流放大係數越大、跨導越高,則其恆壓性能也就越好。同時,為了輸出電流恆定(即提高輸出交流電阻),自然還需要儘量減小T2的基區寬度調變效應(即Early效應)。另外,如果採用兩個基極相連線的p-n-p電晶體來構成恆流源的話,那么在IC晶片中這兩個電晶體可以放置在同一個隔離區內,這將有利於減小晶片面積,但是為了獲得較好的輸出電流恆定的性能,即需要特別注意增大橫向p-n-p電晶體的電流放大係數。
電路擴展
在以上基本電路的基礎上,還可以加以擴展其功能:
一方面,在二極體恆壓源(T1)的作用下,它的後面可以連線多個輸出支路(與T2並聯的多個電晶體),從而能夠獲得多個穩定的輸出電流。
另一方面,在T1和T2的源極(發射極)上還可以分別串聯一個電阻(設分別為R1和R2),這就能夠得到不同大小的恆定輸出電流。因為這時可有I(輸出)/I(參考)=R1/R2,則在這種恆流源電路中,輸出的恆定電流基本上是決定於電阻以及電晶體放大係數的比值,而與電阻和放大係數的絕對大小關係不大。這種性質正好適應了積體電路製造工藝的特點,所以這種恆流源電路是模擬IC中的一種基本電路。
相關研究
組成
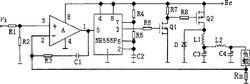
恆流源電路如圖1所示。圖中A是高精度運放,Q1、Q2是功率MOSFET,負載為感性。由NE555P構成脈位調製器,工作於無穩態方式,其振盪頻率受⑤腳輸入的信號調製。控制端⑤腳加入調製信號VΩ(該端允許外加0~EC的電壓),使定時器的閾值電平Vth1和觸發電平Vth2均隨VΩ而變。
恆流源電路定時器 電容C2的充電時間和放電時間均受調製信號VΩ的控制;③腳輸出正脈衝的位置及脈衝寬度將隨調製信號VΩ的變化而變化,實現脈衝的位置及寬度的雙重調製。
工作原理
控制電壓Vi經R1、R2分壓後加到運放A的輸入端,運放的輸出信號作為NE555P的調製信號。
NE555P③腳輸出的PWM信號控制Q1,驅動Q1、Q2交替工作在開關狀態;Q1的工作頻率和占空比等於NE555P③腳輸出電壓信號的頻率和占空比。Q2導通時,D處於截止狀態,直流電壓EC加在D的兩端,經LC濾波後對負載供電;Q2截止時,輸入電壓為0,D在迴路電感的作用下導通,構成續流迴路,D還可以削弱輸出信號電壓從高電平跳變到低電平時在感性負載兩端產生的反電動勢。RS為取樣電阻。所以,控制電壓經運放後,控制脈位調製器輸出脈衝信號的占空比,改變Q1、Q2的開關時間,從而控制輸出電流的大小。
試驗結果
MOSFET的參數為了測試恆流源的性能,筆者對其進行了實驗研究。電源選用直流12V2A的高精度穩壓電源,在元件選擇上,A選用高精度運放,電阻選用千分之一精度的精密電阻器,取樣電阻選用溫度穩定性好的無感線繞電阻,實驗採用的負載為感性,其電感量為180mH、靜態電阻為4Ω,MOSFET的參數見MOSFET的參數。
輸出電流與輸入電壓的關係
輸出電流與輸入電壓的關係當RS=1Ω,R1=24k,R2=16k,輸入電壓Vi從0~5V變化時,理論計算和實際測量的輸出電流I隨輸入電壓Vi的變化關係如圖2(吻合),輸出電流與輸入電壓成線性關係。
取樣電阻與輸出電流的關係
圖3取樣電阻與輸出電流的關係當R1=24k,R2=16k,輸入電壓Vi為5V時,測得取樣電阻與輸出電流的關係如圖3。取樣電阻越小,輸出電流越大,電阻的功耗也相應增大;反之亦然。與理論計算基本相吻合。
其他性能的測量
占空比與輸出電流的關係測得恆流源輸出電流與PWM信號占空比成線性關係,占空比越大,輸出電流越大;紋波電流<3mA;負載調整率<1%。
結論
選擇適當元件參數,當控制電壓從0~5V變化時,該恆流源電路的輸出電流I0將在0~+2A範圍內連續變化;電源的效率高,線性度好,具有結構簡單、安全(輸出電壓<12V)、穩定的優點。此恆流源可作為磁流變阻尼器的驅動電源,也可套用於其他領域。

