簡介
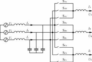
變換器(Matrix Converter)作為一種新型的交—交變頻電源,其電路拓撲形式被提出,但直到1979年義大利學者M.Venturini和A.Alesina提出了矩陣式變換器存在理論及控制策略後,其特點才為人們所關注和研究。普遍使用的是半控功率器件晶閘管。採用這種器件組成矩陣式變換器,控制難度是很高的。矩陣式變換器的硬體特點是要求
變換器結構 人們發現,採用全控器件,不僅可以對輸入相移進行控制,還能對輸入電流波形進行控制。80年代末,矩陣式變換器的實驗裝置問世了。早期的實驗裝置由於工作頻率不夠高及換流技術不完善,輸出頻率都很低,通常低於電網頻率,但突破以往交—交變換器的上限。隨著電力電子器件製造及套用技術的發展,矩陣式變換器的研製形成了一個熱點。構成雙向開關的單向開關間多步換流控制技術被推廣開來,裝置的性能得到了極大的提高,最高輸出頻率達到了電網頻率的2~3倍,輸入側電流波形畸變率小於2%,用於恆壓頻比、電流跟蹤及矢量控制等,取得了一定成果。與此同時,由於計算機軟、硬體的迅猛發展,在採用理論分析和實驗相結合的基礎上,更多地採用了仿真方法,以進一步提高的研究地深度和廣度,提高研究的效率。其中最引人注意的有南斯拉夫學者L.Huber 和美國教授D.Bdrojecvic提出的基於空間矢量調製的控制技術,並成功地研製出了2kW實驗樣機,台灣學者潘晴財基於電流滯環跟蹤和軟開關技術,提出了另一種實現方法。英國學者Watthanasarn 等基於DSP和IGBT硬體條件完成了2kW的實驗樣機。1997年英國學者P.Wheeler和D.Grant提出了一種對構成雙向開關的單向開關間切換實現四步換流的低開關損耗和最佳化輸入濾波器的矩陣式變換器仿真研究,並研製出了5kW的實驗裝置。
隨著電路電子技術的發展在不斷發展,世界範圍內已經形成實用化的產品。日本的安川電機(Yaskawa)推出了矩陣式變換器型高壓馬達用驅動裝置,其力率超過了0.95,而效率則達到了97%左右。它主要面向在大負荷下回饋電力較大的鋼鐵加工生產線。此外,還可套用於造紙、薄膜生產線的收卷機等存在長時間電力回饋的用途。鍋爐鼓風機等需要較高回響性能的用途也將存在相應的需求。
研究發展
1976年,矩陣式變換器的概念和電路拓撲形式由L.Gyugyi和 B.R.Pelly首先提出。1979年義大利學者M.Ventutini和A.Alesina證明這種頻率變換器的存在,促進了矩陣式變換器的迅速發展。他們首先在理論上證明了N相輸入、P相輸出的矩陣式逆變器的實現條件,同時給出了一種電壓控制策略,這種控制策略雖然解決了矩陣式變換器的諧波問題,但也有輸出輸入電壓比小於0.5的嚴重缺陷。進入20世紀80年代後期,隨著電力電子技術和計算機控
變換器1989年,日本學者J. Oyama等提出了一種最大最小輸入電壓調製技術,該技術認為輸出電壓最小的相總是與輸入電壓最小的相相連,其餘兩相則利用PWM 調製技術對輸入電壓進行調製,輸出線電壓的最大值總是等於最大輸入線電壓函式的最小值,即輸出線電壓總是在輸入線電壓的包絡線之內。同年,還有南斯拉夫學者L.Huber和美國學者D.Borojevic提出了基於電壓空間矢量調製技術的方法。該方法是根據矩陣變換器的功率開關狀態,定義出輸入電流和輸出電壓的六邊形開關狀態矢量,然後,按輸入矢量在任意時刻由其相鄰的兩開關矢量合成,得到每一採樣周期內的開關導通比,該技術已發展成為較成熟的技術。Huber和D. Borojivic進一步提出了一種基於空間向量調製技術的PWM技術,最大電壓傳輸比可達到0.866,並通過實驗樣機帶三相感應電機運行,證明採用空間向量調製法的矩陣變換器與理論分析相一致,即具有輸入功率因數逼近於1,輸出電壓可調頻調幅等特點;A. Ishiguro和T. Furuhashi提出輸入雙線電壓瞬時值法,其調製實質即任何時刻輸出電壓為兩個輸入線電壓合成,從理論分析知當輸入電流不對稱或含有高次諧波時,控制函式可以自動修正而不需要額外的計算量。這一點尤其適用於某些電網不夠穩定的場合。1992年C. L. Neft和C. D. Schauder 提出了一種套用於30馬力矩陣變換器的控制理論和實現方案,這種方案是一種去除直流中間環節的逆變器方法的改進,它將控制策略分為“整流”和“逆變”兩部分,三種開關分別看作一種假想的電壓源逆變器。“整流”部分對於每一開關組分別有“正”“負”兩套開關函式。
研究現狀
中國交交矩陣變換器的研究起步較晚,大致從90年代開始,南京航空航天大學、上海大學、哈爾濱工業大學、清華大學、湘潭大學等單位先後在不同的基金贊助下,開展了這方面的研究工作,並達到了一定的水平。
變換器還有上海大學朱賢龍博士以Saber軟體為實驗平台建立了基於空間矢量調製策略的三相/三相矩陣式變換器的仿真模型,提出了一種最佳化控制方法,簡化了調製過程,並降低了開關損耗。在此基礎上,提出了一種三相交交矩陣變換器的最佳化實現方案。在適當犧牲電流波形的基礎上,使功率因數可以達到或高於具有直流濾波電感的通用交直交變換器。隨後,陳希有等對雙電壓合成的交交矩陣變換器控制技術進行了兩點改進:一是實現無功功率的正負調節;二是改善了在非對稱輸入電壓情況下的輸入電流波形。2000年湘潭大學開始交交矩陣變換器的研究,取得了一定的成績,建立了交交矩陣變換器的仿真模型,製作了實驗樣機。2004年清華大學孫凱等對矩陣變換器在電源異常時的運行性能進行了分析,製作了實驗樣機。他們的研究成果對交交矩陣變換器的分析與設計具有較大的指導意義。
控制策略
變換器的調製策略可以主要分為以下三種:
(1) 直接變換法:直接變換法是通過對輸入電壓的連續斬波來合成“輸出電壓”的,它可以分為坐標變換法、諧波注入法、等效電導法及標量法,所有這些方法雖各有一定的優越性,但也存在一定的問題,限制了它們的套用範圍。如標量法的輸入相電流波形較好,但輸出諧波較大。
(2) 電流跟蹤法:這種方法將三相輸出電流信號與實測的輸出電流信號相比較,根據比較結果和當前的開關電源狀態決定開關動作,它具有容易理解、實現簡單、回響快、魯棒性好等特點,但也有滯環電流共有的缺點:開關頻率不夠穩定、諧波隨機分布,且輸入電流波形不夠理想、存在較大的諧波等。
(3) 空間矢量調製技術,又稱為間接變換法、交—直—交等效變換法,是基於空間矢量變換的一種方法,它將交—交變換虛擬為交直和直交變換,這樣便可採用流行的高頻整流和高頻PWM波形合成技術,變換器的性能可以得到較大的改善。當然具體實現時是將整流和逆變一步完成的,低次諧波得到了較好的抑制,但控制方案較為複雜,缺少有效的動態理論分析支持。它是在矩陣式變換器中研究較多也是較為成熟的一種控制策略,比較有發展前途。這種調製策略既能控制輸出波形,又能控制輸入電流波形,可改變輸入功率因數,是最具有前途的一種調製策略。
作用
保護裝置動作判據主要為母線電壓(線路電壓)、線路電流。因此需要將母線(線路)電壓互感器、電流互感器輸出的二次電壓、電流再經變換器進行線性變換後送入繼電保護裝置的測量電路。變換器的基本作用如下:
①電量變換:將互感器二次側電壓(額定100V)、電流(額定5A或1A),轉換成弱電壓(數伏),以適應弱電元件的要求。
②電氣隔離:電流、電壓互感器二次側的保全、工作接地,是用於保證人身和設備安全的,而弱電元件往往與直流電源連線,直流迴路不允許直接接地,故需要經變換器實現電氣隔離。
③調節定值:整流型、電晶體型繼電保護可以通過改變變換器一次或二次線圈抽頭來改變測量繼電器的動作值。
繼電保護中常用的變換器有電壓變換器(UV)、電流變換器(UA)和電抗變壓器(UX),UV作用是電壓變換,UA、UX作用是將電流變換成與之成正比的電壓。

