組成
幾種常用的電路元件及其符號電路圖主要由元件符號、連線、結點、注釋四大部分組成 。 元件符號表示實際電路中的元件,它的形狀與實際的元件不一定相似,甚至完全不一樣。但是它一般都表示出了元件的特點,而且引腳的數目都和實際元件保持一致。 連線表示的是實際電路中的導線,在原理圖中雖然是一根線,但在常用的印刷電路板中往往不是線而是各種形狀的銅箔塊,就像收音機原理圖中的許多連線在印刷電路板圖中並不一定都是線形的,也可以是一定形狀的銅膜。 結點表示幾個元件引腳或幾條導線之間相互的連線關係。所有和結點相連的元件引腳、導線,不論數目多少,都是導通的。 注釋在電路圖中是十分重要的,電路圖中所有的文字都可以歸入注釋—類。細看以上各圖就會發現,在電路圖的各個地方都有注釋存在,它們被用來說明元件的型號、名稱等等。
分類
電路圖有原理圖、方框圖、裝配圖和印板圖等 。
原理圖
又被叫做“電原理圖”。這種圖,由於它直接體現了電子電路的結構和工作原理,所以一般用在設計、分析電路中。分析電路時,通過識別圖紙上所畫的各種電路元件符號,以及它們之間的連線方式,就可以了解電路實際工作時的原理,原理圖就是用來體現電子電路的工作原理的一種工具。
方框圖
簡稱框圖,方框圖是一種用方框和連線來表示電路工作原理和構成概況的電路圖。從根本上說,這也是一種原理圖,不過在這種圖紙中,除了方框和連線,幾乎就沒有別的符號了。它和上面的原理圖主要的區別就在於原理圖上詳細地繪製了電路的全部的元器件和它們的連線方式,而方框圖只是簡單地將電路按照功能劃分為幾個部分,將每一個部分描繪成一個方框,在方框中加上簡單的文字說明,在方框間用連線(有時用帶箭頭的連線)說明各個方框之間的關係。所以方框圖只能用來體現電路的大致工作原理,而原理圖除了詳細地表明電路的工作原理之外,還可以用來作為採集元件、製作電路的依據。
裝配圖
它是為了進行電路裝配而採用的一種圖紙,圖上的符號往往是電路元件的實物的外形圖。我們只要照著圖上畫的樣子,依樣畫葫蘆地把一些電路元器件連線起來就能夠完成電路的裝配。這種電路圖一般是供初學者使用的。 裝配圖根據裝配模板的不同而各不一樣,大多數作為電子產品的場合,用的都是下面要介紹的印刷線路板,所以印板圖是裝配圖的主要形式。 在初學電子知識時,為了能早一點接觸電子技術,我們選用了螺孔板作為基本的安裝模板,因此安裝圖也就變成另一種模式。
印板圖
印板圖的全名是“印刷電路板圖”或“印刷線路板圖”,它和裝配圖其實屬於同一類的電路圖,都是供裝配實際電路使用的。 印刷電路板是在一塊絕緣板上先覆上一層金屬箔,再將電路不需要的金屬箔腐蝕掉,剩下的部分金屬箔作為電路元器件之間的連線線,然後將電路中的元器件安裝在這塊絕緣板上,利用板上剩餘的金屬箔作為元器件之間導電的連線,完成電路的連線。由於這種電路板的一面或兩面覆的金屬是銅皮,所以印刷電路板又叫“覆銅板”。印板圖的元件分布往往和原理圖中大不一樣。這主要是因為,在印刷電路板的設計中,主要考慮所有元件的分布和連線是否合理,要考慮元件體積、散熱、抗干擾、抗耦合等等諸多因素,綜合這些因素設計出來的印刷電路板,從外觀看很難和原理圖完全一致;而實際上卻能更好地實現電路的功能。 隨著科技發展,現在印刷線路板的製作技術已經有了很大的發展;除了單面板、雙面板外,還有多面板,已經大量運用到日常生活、工業生產、國防建設、航天事業等許多領域。 在上面介紹的四種形式的電路圖中,電原理圖是最常用也是最重要的,能夠看懂原理圖,也就基本掌握了電路的原理,繪製方框圖,設計裝配圖、印板圖這都比較容易了。掌握了原理圖,進行電器的維修、設計,也是十分方便的。因此,關鍵是掌握原理圖。
繪製規則
PROTEL、Protel DXP,Pads、Pcad、Orcad、powerlogic,allegro,Mentor,powerpcb、AutoCAD、CAXA等等
電流=電壓/電阻 字母表達式為I=U/R(即歐姆定律)變形:R=U/I U=IR
電阻=電壓/電流
電路圖 實例電路圖的畫法規則:1.電路圖的信號處理流程方向;2.連線導線;3.電源線與地線電路圖的識圖方法與步驟。
電路的識別包括正確電路和錯誤電路的判斷,串聯電路和並聯電路的判斷。錯誤電路包括缺少電路中必有的元件(必有的元件有電源、用電器、開關、導線)、不能形成電流通路、電路出現開路或短路。判斷電路的連線通常用電流流向法。既若電流順序通過每個用電器而不分流,則用電器是串聯;若電流通過用電器時前、後分岔,即,通過每個用電器的電流都是總電流的一部分,則這些用電器是並聯。在判斷電路連線時,通常會出現用一根導線把電路兩點間連線起來的情況,在國中階段可以忽略導線的電阻,所以可以把一根導線連線起來的兩點看成一點,所以有時用“節點”的方法來判斷電路的連線是很方便的。
電路圖符號從電源開始,在電源正極標一個A,負極標一個B。然後從正極開始,沿導線走,遇到第一個用電器時在它與正極延伸出的那根電線的那頭再標一個A,而在另一頭標一個C(因為在負極標過了B,所以換一個字母,但如果用電器另一頭是直接與負極相連線的,就跟據前面所述的方法標上由負極開始的B)在標了C以後繼續走,如遇到下一個用電器就再換......記住,換用另外的字母的前提是那一頭不是與負極導線連線的。這樣,等你標完了字母后,如果所有的用電器兩邊的字母都不同,則整個電路為串聯; 如果有幾個用電器的兩邊字母相同的話,那么這幾個用電器就為並聯 。
實物連線圖就跟據你所畫的電路圖來連線,注意別連串線了。
電路連線的方法為:1.連線電路前,先要畫好電路圖。2.把電路元件按電路圖相應的位置擺好。3.電路的連線要按照一定的順序進行。4.連線並聯電路時,可按“先乾後支”的順序進行,即先連好乾路,再接好各支路,然後把各支路並列到電路共同的兩個端點上,或按“先支後乾”的順序連線。連線電路時要注意以下幾點:1.電路連線的過程中,開關應該是斷開的。2.每處接線必須接牢,防止虛接。3.先接好用電器,開關等元件,最後接電源。4.連線後要認真檢查,確認無誤後,才閉合開關。5.閉合開關後,如果出現不正常情況,應立即斷開電路,仔細檢查,排除故障。
注意
1.元件分布要均勻,不要畫在拐角處。
2.整個電路最好呈長方形,導線要橫平豎直,有稜有角。
3.按照一定順序,有字母的,標出相應的字母。
單元電路
識圖
單元電路是指某一級控制器電路,或某一級放大器電路,或某一個振盪器電路、變頻器電路等,它是能夠完成某一電路功能的最小電路單位。從廣義角度上講,一個積體電路的套用電路也是一個單元電路 。
單元電路圖是學習整機電子電路工作原理過程中,首先遇到具有完整功能的電路圖,這一電路圖概念的提出完全是為了方便電路工作原理分析之需要。
功能
單元電路圖具有下列一些功能:
①單元電路圖主要用來講述電路的工作原理。
②它能夠完整地表達某一級電路的結構和工作原理,有時還全部標出電路中各元器件的參數,如標稱阻值、標稱容量和三極體型號等。
③它對深入理解電路的工作原理和記憶電路的結構、組成很有幫助。
特點
單元電路圖具有下列一些特點:
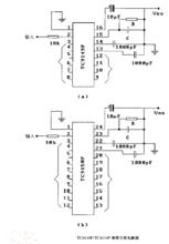
①單元電路圖主要是為了分析某個單元電路工作原理的方便而單獨將這部分電路畫出的電路,所以在圖中已省去了與該單元電路無關的其他元器件和有關的連線、符號,這樣單元電路圖就顯得比較簡潔、清楚,識圖時沒有其他電路的干擾。單元電路圖中對電源、輸入端和輸出端已經加以簡化,如圖1-6所示。 來源:輸配電設備網
電路圖中,用+V表示直流工作電壓(其中正號表示採用正極性直流電壓給電路供電,地端接電源的負極);Vi表示輸入信號,是這一單元電路所要放大或處理的信號;VO表示輸出信號,是經過這一單元電路放大或處理後的信號。通過單元電路圖中的這樣標註可方便地找出電源端、輸入端和輸出端,而在實際電路中,這三個端點的電路均與整機電路中的其他電路相連,沒有+V、Vi、VO的標註,給初學者識圖造成了一定的困難。
例如:見到Vi可以知道信號是通過電容C2加到三極體VT1基極的;見到VO可以知道信號是從三極體VT1集電極輸出的,這相當於在電路圖中標出了放大器的輸入端和輸出端,無疑大大方便了電路工作原理的分析。
②單元電路圖採用習慣畫法,一看就明白,例如元器件採用習慣畫法,各元器件之間採用最短的連線,而在實際的整機電路圖中,由於受電路中其他單元電路中元器件的制約,有關元器件畫得比較亂,有的在畫法上不是常見的畫法,有的個別元器件畫得與該單元電路相距較遠,這樣電路中的連線很長且彎彎曲曲,造成識圖和電路工作原理理解的不便。
③單元電路圖只出現在講解電路工作原理的書刊中,實用電路圖中是不出現的。對單元電路的學習是學好電子電路工作原理的關鍵。只有掌握了單元電路的工作原理,才能去分析整機電路。
操作流程
連線實物圖
1、如果是串聯電路,則按一定的次序從電源的正極向電源的負極連線,遇到什麼就連什麼,直到完成;
2、如果是並聯電路,可以採取分路完成的方法——將電路分解成幾條路,然後一條一條完成連線;
3、應該注意 :
a、導線必須接在元件的兩個接線柱上,
b、不能形成交叉線不得已繞道連線
C、嚴格按照電路圖中各元件的順序連線實物圖。
畫對應電路圖
1、如果是串聯電路,則按一定的次序從電源的正極向電源的負極畫出,遇到什麼就畫什麼,直到完成;
2、如果是並聯電路,可以採取分路完成的方法——將電路分解成幾條路,然後一條一條完成連線;如果是並聯電路,還要注意相交且相連的點要用明顯的黑點描出 。
3.畫好電路圖應注意的事項:
A必須用電路符號表示元件,不能用實物圖形
B整個電路圖畫成方框型
C按照實物圖元件擺放順序畫電路圖
D養成隨時將各元件用字母表示的好習慣
E注意連線處不要形成開路,節點要點好!
常用電路設計軟體簡介
隨著計算機在國內的逐漸普及,EDA(ElectronicDesignAutomatic,電路設計自動化)軟體在電路行業的套用也越來越廣泛。這些軟體包括電路設計與仿真工具、PCB設計軟體、IC設計軟體、PLD設計工具及其它EDA軟體,這裡主要對原理圖和PCB圖設計工具進行介紹。當然了,很多EDA軟體已經涵蓋了所有功能甚至更多功能。
設計軟體
從Protel到Altium
只要是搞電子的,就都知道PROTEL ,就像只要用電腦就知道WINDOWS作業系統一樣,這是因為它的很多操作習慣已經紮根於電子人的心裡了。PROTEL是PORTEL公司(現在的Altium公司)在20世紀80年代末推出的電路行業的CAD軟體,它當之無愧地排在眾多EDA軟體的前面,是電路設計者的首選軟體。它較早在國內使用,普及率也最高,幾乎所有的電路公司都要用到它。
從最初DOS環境下的PCB設計工具到現在功能強大的AltiumDesigner,Altium公司推出了眾多不同的版本,據我所知的用的比較多的版本有以下幾種:
PROTEL99SE:儘管是很早的版本了,但很多的公司還在用,我們就在用,甚至有些公司還只認這個版本的檔案。快10年過去了,同志們,知道習慣的力量了吧!
PROTEL2004SP4:2002年,Altium發布了PRTELDXP,除了一些發燒友們早早就開始嘗試之外,還有一些人則還是抱著PROTEL99SE不肯放,一些人甚至直到現在。不過畢竟還是有很多新的功能吸引了新用戶,在不得不換版本的時候,可能好多人就直接用了當時的最新版本PROTEL2004了,加之後來的版本不再以PROTEL命名了,好多人就把這個版本作為個PRETEL紀念之作了,在打開PROTEL99SE無法打開的新的類型的檔案時,就都用這個第二階段經典版本了。
AltiumDesigner6.8:2005年,Altium正式發布了AltiumDesigner6.0,從此,PROTEL的時代結束了。直到2007年,發布了AltiumDesigner6.8,是目前的最新版本,相信好多人還沒怎么去用,不過也應該有很多人去搶先嘗下鮮了。據稱,該軟體集成了電子產品一體化開發所需的所有的技術和功能。為電子工程師和設計師提供了一款統一的套用。其中包括板極系統設計、FPGA級系統設計、基於FPGA和分立處理器的嵌入式軟體開發、PCB版圖、編輯和製造。並集成成了現代設計數據管理功能。以前發布的P-CAD等工具到2006年後也逐步都集成到AltiumDesigner中。不過本人倒不是特別贊同這種做法,電路設計用主要也就是用到原理圖與PCB的設計。其餘的雜七雜八的功能看了也心煩。而且畢竟還有更加專業的工具OrCAD和CADENCE
OrCAD和CADENCE
ORCAD是由ORCAD公司於20世紀80年代末推出的EDA軟體。好多人對它也並不陌生,號稱是畫電路原理圖最好用的工具,不過由於軟體使用了軟體狗防盜版,因此它在國內並不普及,知名度也比不上PROTEL。
同樣的,也有據稱是最好用的PCB工具,那就是CADENCE的Allegro,本人也用過,也認為的確是好用。
不過,還有更好的訊息,那就是後來CADENCE把ORCAD收購了,可謂是強強聯合啊,再後來,ORCAD和ALLEGO也可以進行互動設計了。對於用戶來說,這無非是一件好事。因此有好多人就用ORCAD(後來叫DesignEntryCIS)進行原理圖設計,用ALLEGO進行PCB版圖設計,做到最佳搭檔。好多教材也是這樣介紹的。
當然了,ORCAD和ALLEGO畢竟不是親兄弟,能不能做到最好的搭檔,也許還要有個磨合期,況且ORCAD也有原來的親兄弟PCB工具ORCADLAYOUT。ALLEGO也有原來的親兄弟原理圖設計工具DesignEntryHDL。甚至也有人用ORCAD畫原理圖,生成網路表後,用PRETEL畫PCB。為了顧及許多人的使用習慣,CADENCE公司還是把所有的工具(當讓不包括PRETEL了)都整合到一個集成環境中了。用戶想用哪個就用哪個。就本人而言,還是覺得ORCAD和ALLEGO可以成為最佳拍檔。不過現在嗎,我們公司也好,好多大公司也好,用的是DesignEntryHDL和ALLEGO,也許是因為他們還有專門的工程管理器,與其他的仿真等工具銜接的也較好,互動的也比較好,也許就是因為他們是親兄弟……不過我開始學DesignEntryHDL時,感覺真是不符合我的習慣,也許是PROTEL的操作習慣先入為主吧,但DesignEntryCIS給我的感覺卻很是不錯,雖然沒怎么多用過。不過還好,學完DesignEntryHDL後,慢慢還是習慣了那種操作習慣。
時至今日,CADENCE將這些工具統一稱之為CadenceAllegro系統互連設計平台,其中主要包括:DesignEntryCIS(ORCAD)原理圖設計工具、DesignEntryHDL原理圖設計工具、AllegroPCBEditor印製電路板設計工具(上面簡稱的ALLEGRO)、AllegroAMSSimulator仿真工具、AllegroPCBSI信號完整性分析工具等。更值得一提的是,CADENCE在高速信號仿真上做的更好,眾所周知,隨著電路板卡的信號頻率越來越高,體積越來越小等等因素,導致電路板並不是所有連線正確就可以正常工作的。因此信號完整性分析也就越來越顯得非常的必要。CADENCE就提供了很多這樣的工具,比如PCBEditor中的約束管理器等等,可以很大程度上幫助用戶考慮到信號的完整性。關於版本本人用的是AllegroSPB15.2,不過AllegroSPB16.x已經上市。
還有一點我想提一下,那就是Cadence公司不僅提供CadenceAllegro系統互連設計平台,還提供IC設計工具,我想不久的將來,IC設計也會是電子工程師必修的一課,就像現在做PCB板很普遍一樣,將來做IC我想也會普遍,比如現在中國大陸就有中芯國際等公司就可以承攬這樣的項目,只不過對於普通的用戶來說,可能還要有一段時間周期而已,加之台灣局面的改善,晶片製造業更是可以看好,因此掌握那么一兩款晶片設計軟體也是有必要的我想。
PADS/PowerPCB
雖然PADSPower出現得較晚 ,還不被廣大用戶所了解,但是由於它不但延續了PADS的“功能強大,操作簡便”的特點,而且有很大的改進,因此有可能被廣大電子電路設計者所接受。可能是因為和PCB板製造聯繫較為緊密的緣故吧,大約從PowerPCB5.0開始,慢慢地得到流行。因此,對於PowerPCB,不少人都是曉得的。對於PADS和PowerPCB的一些叫法,我想可以這樣理解,就是不同的版本叫法有些不一致而已。原來的PADS系列包括PowerLogic(原理圖工具)、PowerPCB(PCB工具)、HyperLynx(信號分析工具)等主要工具。而目前的用的較多的最新的版本PADS2007包括DxDesigner(項目管理)、PADSLogic(原理圖工具)、PADSLayout(PCB工具)、HyperLynx(信號分析工具)等主要工具。發展至今,無論是從原理圖設計,還是PCB設計,還是高速信號分析,還是整體的項目管理等等,PADS確實已經成了一款功能全面而且強大的EDA軟體了。

