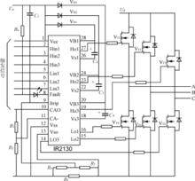
概述
逆變電路根據直流側儲能元件形式的不同,可劃分為電壓型逆變電路和電流型逆變電路。電流型逆變器給並聯負載供電,故又稱並聯諧振逆變器。電壓型逆變器給串聯負載供電,故又稱串聯諧振逆變器。
簡介
逆變電路是與整流電路(Rectifier)相對應,把直流電變成交流電稱為逆變。當交流側接在電網上,即交流側接有電源時,稱為有源逆變;當交流側直接和負載連結時,稱為無源逆變。
逆變電路的套用非常廣泛。在已有的各種電源中,蓄電池、乾電池、太陽能電池等都是直流電源,當需要這些電源向交流負載供電時,就需要逆變電路。另外,交流電機調速用變頻器、不間斷電源、感應加熱電源等電力電子裝置使用非常廣泛,其電路的核心部分都是逆變電路。它的基本作用是在控制電路的控制下將中間直流電路輸出的直流電源轉換為頻率和電壓都任意可調的交流電源。
將直流電能變換為交流電能的變換電路。可用於構成各種交流電源,在工業中得到廣泛套用。生產中最常見的交流電源是由發電廠供電的公共電網(中國採用線電壓方均根值為380V,頻率為50Hz供電制)。由公共電網向交流負載供電是最普通的供電方式。但隨著生產的發展,相當多的用電設備對電源質量和參數有特殊要求,以至難於由公共電網直接供電。為了滿足這些要求,歷史上曾經有過電動機-發電機組和離子器件逆變電路。但由於它們的技術經濟指標均不如用電力電子器件(如晶閘管等)組成的逆變電路,因而已經或正在被後者所取代。
工作原理
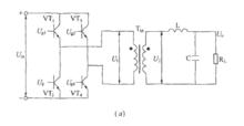
橋式逆變電路的開關狀態由加於其控制極的電壓信號決定,橋式電路的PN端加入直流電壓Ud,A、B端接向負載。當T1、T4打開而T2、T3關合時,u0=Ud;相反,當T1、T4關合而T2、T3打開時,u0=-Ud。於是當橋中各臂以頻率 f(由控制極電壓信號重複頻率決定)輪番通斷時,輸出電壓u0將成為交變方波,其幅值為Ud。重複頻率為f如圖2所示,其基波可表示為把幅值為Ud的矩形波uo展開成傅立葉級數得:uo=4Ud/π (sinwt+1/3 sin3wt+1/5 sin5wt+...)由式可見,控制信號頻率f可以決定輸出端頻率,改變直流電源電壓Ud可以改變基波幅值,從而實現逆變的目的。
單向全橋式逆變電路分類
逆變電路為了滿足不同用電設備對交流電源性能參數的不同要求,已發展了多種逆變電路,並大致可按以下方式分類。①按輸出電能的去向分,可分為有源逆變電路和無源逆變電路。前者輸出的電能返回公共交流電網,後者輸出的電能直接輸向用電設備。
②按直流電源性質可分為由電壓型直流電源供電的電壓型逆變電路和由電流型直流電源供電的電流型逆變電路。③按主電路的器件分,可分為:由具有自關斷能力的全控型器件組成的全控型逆變電路;由無關斷能力的半控型器件(如普通晶閘管)組成的半控型逆變電路。半控型逆變電路必須利用換流電壓以關斷退出導通的器件。若換流電壓取自逆變負載端,稱為負載換流式逆變電路。這種電路僅適用於容性負載;對於非容性負載,換流電壓必須由附設的專門換流電路產生,稱自換流式逆變電路。
④按電流波形分,可分為正弦逆變電路和非正弦逆變電路。前者開關器件中的電流為正弦波,其開關損耗較小,宜工作於較高頻率。後者開關器件電流為非正弦波,因其開關損耗較大,故工作頻率較正弦逆變電路低。
⑤按輸出相數可分為單相逆變電路和多相逆變電路。
常見問題
1.換流方式有4種:
(1)器件換流:利用全控器件的自關斷能力進行換流.全控型器件採用此換流方式。
(2)電網換流:由電網提供換流電壓,只要把負的電網電壓加在欲換流的器件上即可。
(3)負載換流:由負載提供換流電壓,當負載為電容性負載即負載電流超前於負載電壓時,可實現負載換流。
(4)強迫換流:設定附加換流電路,給欲關斷的晶閘管強迫施加反向電壓換流稱為強迫換流.通常是利用附加電容上的能量實現,也稱電容換流。
註:晶閘管電路不能採用器件換流,根據電路形式的不同採用以上3種方式。
2.無源逆變電路和有源逆變電路的不同主要是:有源逆變電路的交流側接電網,即交流側接有電源.而無源逆變電路的交流側直接和負載聯接。
3.按照逆變電路直流測電源性質分類,直流側是電壓源的稱為電壓型逆變電路,直流側是電流源的逆變電路稱為電流型逆變電路。

