電流型逆變電路 | 電流型逆變電路 | 電流型逆變電路 |
電流型逆變電路 | 電流型逆變電路 |
實際上理想直流電流源並不多見,一般是在逆變電路直流側串聯一個大電感,因為大電感中的電流脈動很小,因此可近似看成直流電流源。
電流型逆變電路有以下主要特點:
1) 直流側串聯有大電感,相當於電流源。直流側電流基本無脈動,直流迴路呈現高阻抗。
2) 電路中開關器件的作用僅是改變直流甩流的流通路徑,因此交流側輸出電流為矩形波,並且與負載阻抗角無關。而交流側輸出電壓波形和相位則因負載阻抗情況的不同而不同。
3) 當交流側為阻感負載時需要提供無功功率,直流側電感起緩衝無功能量的作用。因為反饋無功能量時直流電流並不反向。
電流型逆變電路中,採用半控型器件的電路仍套用較多,就其換流方式而言,有的採用負載換流,有的採用強迫換流。
1、
1) 電路分析
基本工作方式是120°導電方式-每個臂一周期內導電120°,每個時刻上下橋臂組各有一個臂導通,換流方式為橫向換流
2) 波形分析
輸出電流波形和負載性質無關,正負脈衝各120°的矩形波。
輸出電流和三相橋整流帶大電感負載時的交流電流波形相同,諧波分析表達式也相同。
輸出線電壓波形和負載性質有關,大體為正弦波。
輸出交流電流的基波有效值。
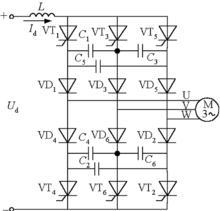
2、串聯二極體式晶閘管逆變電路
主要用於中大功率交流電動機調速系統。
是電流型三相橋式逆變電路。
各橋臂的晶閘管和二極體串聯使用。
120°導電工作方式,輸出波形和圖5-14的波形大體相同。
強迫換流方式,電容C1~C6為換流電容。
*換流過程分析
電容器所充電壓的規律:
對於共陽極晶閘管,它與導通晶閘管相連一端極性為正,另一端為負,不與導通晶閘管相連的電容器電壓為零。
等效換流電容概念:
* 分析從VT1向VT3換流時,圖5-16中的C13就是圖5-14中的C3與C5串聯後再與C1並聯的等效電容。
分析從VT1向VT3換流的過程:
假設換流前VT1和VT2通,C13電壓UC0左正右負。如圖5-16a。
換流階段分為恆流放電和二極體換流兩個階段。
t1時刻觸發VT3導通,VT1被施以反壓而關斷。
Id從VT1換到VT3,C13通過VD1、U相負載、W相負載、VD2、VT2、直流電源和VT3放電,放電電流恆為Id,故稱恆流放電階段。如圖5-16b。
uC13下降到零之前,VT1承受反壓,反壓時間大於tq就能保證關斷
t2時刻uC13降到零,之後C13反向充電。忽略負載電阻壓降,則二極體VD3導通,電流為iV,VD1電流為iU=Id-iV,VD1和VD3同時通,進入二極體換流階段。
隨著C13電壓增高,充電電流漸小,iV漸大,t3時刻iU減到零,iV=Id,VD1承受反壓而關斷,二極體換流階段結束。
t3以後,VT2、VT3穩定導通階段。
*波形分析
電感負載時,uC13、iU、iV及uC1、uC3、uC5波形。
uC1的波形和uC13完全相同,從UC0降為-UC0 。
C3和C5是串聯後再和C1並聯的,電壓變化的幅度是C1的一半。
uC3從零變到-UC0,uC5從UC0變到零。
這些電壓恰好符合相隔120°後從VT3到VT5換流時的要求

電流型逆變電路
電流型逆變電路
電流型逆變電路
電流型逆變電路 