逆變電路輸出電壓調節
正文
例如,為了防止交流電動機磁路飽和,用於變頻調速的電源輸出電壓需要與工作頻率同步調節,以保持U/f值為常數(其中U 為電源輸出基波電壓方均根值,f為工作頻率)。為了適應不同工件和工藝規範的需要,用於感應加熱的電源輸出功率需要在一定範圍內連續可調(相當於電源輸出電壓可調)。為了在電網和負載波動條件下維持輸出電壓恆定,各種恆壓電源(如不停電電源等)必須具備輸出電壓快速調節的功能等等。截至20世紀80年代,已發展了多種調壓方式以適應不同場合的要求,主要有直流端調壓和逆變器內部調壓兩類。
直流端調壓 逆變輸出電壓的調節由直流電壓為可調來實現。這時逆變器僅具有變頻功能,而直流側則具有可控整流的功能(見相控整流電路和直流變換電路)。該功能可由以下電路結構實現:①相控整流電路;②不控整流電路加直流斬波電路;③斬控整流電路;④交流調壓電路加不控整流電路。較常用的是前兩種。
逆變器內部調壓 直流端採用不控整流電路。直流電壓不變,逆變輸出電壓的調節在逆變器內部實現。這時逆變器兼具變頻和調壓兩種功能。這種調壓方式較之直流端調壓具有主電路結構簡單、電網側功率因數高、電壓調節動態回響快等優點,因而得到更多的套用。
逆變電路內部調壓功能以調壓範圍和線性度等工作指標來衡量。但由於在調壓過程中也會影響逆變輸出電壓的諧波含量,而諧波含量的高低對逆變器出端濾波器容量、體積和重量、整機效率、輸出功率都有影響,因此在評價各種調壓方式時,除了考慮上述調壓功能之外,還要兼顧諧波含量的影響。
常見的逆變器內部調壓方式有以下兩種。
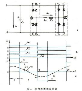
①橋內移相調壓方式:圖1a為電壓型單相逆變電路(見自換流式電壓型逆變電路)。
各橋臂用自關斷元件的通用符號表示,其控制極脈衝分布狀態如圖1b。由圖可見,ug1和ug4、ug2和ug3保持相位互補關係, 但 ug3和ug2分別引前於ug1和ug4某一電角度θ,該角度在0°~180°範圍內連續可調。圖1a中虛線框A內兩臂稱為基準臂,B內兩臂則稱為移相臂。改變移相臂對基準臂的相位差θ即可改變輸出電壓波形,從而改變輸出電壓基波方均根值
。對輸出電壓進行分析,可得 
可表示為 
②正弦脈寬調製(SPWM)調壓方式:仍以單相電壓型逆變電路為例(圖2a),
為簡單計,各橋臂仍用自關斷元件(如GTO、 GTR和Power MOSFET等,若採用普通晶閘管則需附加換流電路),顯然,主電路結構與圖1完全相同,脈寬調製(英文縮寫 PWM)控制方式是高頻電力電子電路常用的控制方式。在逆變電路的範圍內,它可視為頻控方式與斬控方式的結合,其基本思路是使電路中可控元件以遠高於逆變器輸出頻率 f 的載波頻率 fc開關工作,而可控元件在每一載波周期 (Tc=1/fc)中的占空比D(D=τ/Tc,τ為元件導通時間,即控制極脈衝寬度)則受控於控制信號ug的幅值,因此所謂正弦波脈寬調製(英文縮寫SPWM)是指在一個逆變周期T(T=1/f)中,脈寬τ隨時間按正弦規律變化,即 
是控制信號幅值。圖2b為門極脈衝的形成方式,其脈寬τ由載波信號uc(三角波)和調製信號ug(正弦波)的交點決定。圖2a橋左側虛線框A的導電臂稱為頻控臂(含T1和T4),由調製頻率f控制;虛線框B的臂(含T2和T3)稱為斬控臂,由載波頻率fc控制。逆變橋輸出電壓u0的波形如圖2c。由圖可見,u0的脈衝個數由比值fc/f決定,u0的脈寬隨時間按正弦變化,τ(t)值則取決於比值
/Ucm,Ucm為載波電壓信號幅值。改變
的值即可改變τ(t),從而改變逆變輸出電壓基波方均根值
,實現調壓的目的。 SPWM調壓方式的優點是低次諧波含量低、調壓線性度好,但輸出電壓低,即在同一直流電壓Ud值下,
值比橋內移相調壓方式時低。