定義
晶閘管導通條件為:加正向電壓且門極有觸發電流;其派生器件有:快速晶閘管,雙向晶閘管,逆導晶閘管,光控晶閘管等。它是一種大功率開關型半導體器件,在電路中用文字元號為“V”、“VT”表示(舊標準中用字母“SCR”表示)。
晶閘管(Thyristor)是一種開關元件,能在高電壓、大電流條件下工作,並且其工作過程可以控制、被廣泛套用於可控整流、交流調壓、無觸點電子開關、逆變及變頻等電子電路中,是典型的小電流控制大電流的設備。1957年,美國通用電器公司開發出世界上第一個晶閘管產品,並於1958年使其商業化。
結構

分類
晶閘管按其關斷、導通及控制方式可分為普通晶閘管(SCR)、雙向晶閘管(TRIAC)、逆導晶閘管(RCT)、門極關斷晶閘管(GTO)、BTG晶閘管、溫控晶閘管(TT國外,TTS國內)和光控晶閘管(LTT)等多種。晶閘管按其引腳和極性可分為二極晶閘管、三極晶閘管和四極晶閘管。
晶閘管按其封裝形式可分為金屬封裝晶閘管、塑封晶閘管和陶瓷封裝晶閘管三種類型。其中,金屬封裝晶閘管又分為螺栓形、平板形、圓殼形等多種;塑封晶閘管又分為帶散熱片型和不帶散熱片型兩種。
晶閘管按電流容量可分為大功率晶閘管、中功率晶閘管和小功率晶閘管三種。通常,大功率晶閘管多採用陶瓷封裝,而中、小功率晶閘管則多採用塑封或金屬封裝。
晶閘管按其關斷速度可分為普通晶閘管和快速晶閘管,快速晶閘管包括所有專為快速套用而設計的晶閘管,有常規的快速晶閘管和工作在更高頻率的高頻晶閘管,可分別套用於400HZ和10KHZ以上的斬波或逆變電路中。(備註:高頻不能等同於快速晶閘管)
工作原理
晶閘管在工作過程中,它的陽極(A)和陰極(K)與電源和負載連線,組成晶閘管的主電路,晶閘管的門極G和陰極K與控制晶閘管的裝置連線,組成晶閘管的控制電路。
晶閘管為半控型電力電子器件,它的工作條件如下:
1. 晶閘管承受反向陽極電壓時,不管門極承受何種電壓,晶閘管都處於反向阻斷狀態。
2. 晶閘管承受正向陽極電壓時,僅在門極承受正向電壓的情況下晶閘管才導通。這時晶閘管處於正嚮導通狀態,這就是晶閘管的閘流特性,即可控特性。
3. 晶閘管在導通情況下,只要有一定的正向陽極電壓,不論門極電壓如何,晶閘管保持導通,即晶閘管導通後,門極失去作用。門極只起觸發作用。
4. 晶閘管在導通情況下,當主迴路電壓(或電流)減小到接近於零時,晶閘管關斷。
工作過程
概述
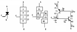
設PNP管和NPN管的集電極電流相應為Ic1和Ic2;發射極電流相應為Ia和Ik;電流放大係數相應為a1=Ic1/Ia和a2=Ic2/Ik,設流過J2結的反相漏電電流為Ic0,
晶閘管的陽極電流等於兩管的集電極電流和漏電流的總和:
Ia=Ic1+Ic2+Ic0或Ia=a1Ia+a2Ik+Ic0
若門極電流為Ig,則晶閘管陰極電流為Ik=Ia+Ig
從而可以得出晶閘管陽極電流為:I=(Ic0+Iga2)/(1-(a1+a2))(1—1)式
矽PNP管和矽NPN管相應的電流放大係數a1和a2隨其發射極電流的改變而急劇變化如圖3所示。
當晶閘管承受正向陽極電壓,而門極未受電壓的情況下,式(1—1)中,Ig=0,(a1+a2)很小,故晶閘管的陽極電流Ia≈Ic0晶閘管處於正向阻斷狀態。當晶閘管在正向陽極電壓下,從門極G流入電流Ig,由於足夠大的Ig流經NPN管的發射結,從而提高其電流放大係數a2,產生足夠大的極電極電流Ic2流過PNP管的發射結,並提高了PNP管的電流放大係數a1,產生更大的極電極電流Ic1流經NPN管的發射結。這樣強烈的正反饋過程迅速進行。從圖3,當a1和a2隨發射極電流增加而(a1+a2)≈1時,式(1—1)中的分母1-(a1+a2)≈0,因此提高了晶閘管的陽極電流Ia.這時,流過晶閘管的電流完全由主迴路的電壓和迴路電阻決定。晶閘管已處於正嚮導通狀態。
式(1—1)中,在晶閘管導通後,1-(a1+a2)≈0,即使此時門極電流Ig=0,晶閘管仍能保持原來的陽極電流Ia而繼續導通。晶閘管在導通後,門極已失去作用。
在晶閘管導通後,如果不斷的減小電源電壓或增大迴路電阻,使陽極電流Ia減小到維持電流IH以下時,由於a1和a1迅速下降,當1-(a1+a2)≈0時,晶閘管恢復阻斷狀態。
特性
特性曲線當陽極電壓上升到某一數值時,晶閘管突然由阻斷狀態轉化為導通狀態,簡稱通態。陽極這時的電壓稱為斷態不重複峰值電壓(UDSM),或稱正向轉折電壓(UBO)。
導通後,元件中流過較大的電流,其值主要由限流電阻(使用時由負載)決定。在減小陽極電源電壓或增加負載電阻時,陽極電流隨之減小,當陽極電流小於維持電流IH時,晶閘管便從導通狀態轉化為阻斷狀態。由圖可看出,當晶閘管控制極流過正向電流Ig時,晶閘管的正向轉折電壓降低,Ig越大,轉折電壓越小,當Ig足夠大時,晶閘管正向轉折電壓很小,一加上正向陽極電壓,晶閘管就導通。實際規定,當晶閘管元件陽極與陰極之間加上6V直流電壓時,能使元件導通的控制極最小電流(電壓)稱為觸發電流(電壓)。
在晶閘管陽極與陰極間加上反向電壓時,開始晶閘管處於反向阻斷狀態,只有很小的反向漏電流流過。當反向電壓增大到某一數值時,反向漏電流急劇增大,這時,所對應的電壓稱為反向不重複峰值電壓(URSM),或稱反向轉折(擊穿)電壓(UBR)。
可見,晶閘管的反向伏安特性與二極體反向特性類似。
晶閘管的開通和關斷的動態過程的物理過程較為複雜,圖2.5簡單地給出了晶閘管開通和關斷過程的電壓與電流波形。
圖中開通過程描述的是晶閘管門極在坐標原點時刻開始受到理想階躍觸發電流觸發的情況;而關斷過程描述的是對已導通的晶閘管,在外電路所施加的電壓在某一時刻突然由正向變為反向的情況(如圖中點劃線波形)。
開通過程

由於晶閘管內部的正反饋過程以及外電路電感的限制,晶閘管受到觸發後,其陽極電流只能逐漸上升。從門極觸發電流上升到額定值的10%開始,到陽極電流上升到穩態值的10%(對於阻性負載相當於陽極電壓降到額定值的90%),這段時間稱為觸發延遲時間td。陽極電流從10%上升到穩態值的90%所需要的時間(對於阻性負載相當於陽極電壓由90%降到10%)稱為上升時間tr,開通時間ton定義為兩者之和,即ton=td+tr
通常晶閘管的開通時間與觸發脈衝的上升時間,脈衝峰值以及加在晶閘管兩極之間的正向電壓有關。
關斷過程
處於導通狀態的晶閘管當外加電壓突然由正向變為反向時,由於外電路電感的存在,其陽極電流在衰減時存在過渡過程。陽極電流將逐步衰減到零,並在反方向流過反向恢復電流,經過最大值IRM後,再反方向衰減。同時,在恢復電流快速衰減時,由於外電路電感的作用,會在晶閘管兩端引起反向的尖峰電壓URRM。從正向電流降為零,到反向恢復電流衰減至接近於零的時間,就是晶閘管的反向阻斷恢復時間trr。
反向恢復過程結束後,由於載流子複合過程比較慢,晶閘管要恢復其對反向電壓的阻斷能力還需要一段時間,這叫做反向阻斷恢復時間tgr。在反向阻斷恢復時間內如果重新對晶閘管施加正向電壓,晶閘管會重新正嚮導通,而不受門極電流控制而導通。所以在實際套用中,需對晶閘管施加足夠長時間的反壓,使晶閘管充分恢復其對正向電壓的阻斷能力,電路才能可靠工作。晶閘管的電路換向關斷時間toff定義為trr與tgr之和,即
toff=trr+tgr
除了開通時間ton、關斷時間toff及觸發電流IGT外,本文比較關注的晶閘管的其它主要參數包括:
斷態(反向)重複峰值電壓UDRM(URRM):是在門極斷路而結溫為額定值時,允許重複加在器件上的正向(反向)峰值電壓。通常取晶閘管的UDRM和URRM中較小的標值作為該器件的額定電壓。
通態平均電流IT(AV):國際規定通態平均電流為晶閘管在環境溫度為40℃和規定的冷卻狀態下,穩定結溫不超過額定結溫時所允許流過的最大工頻正弦半波電流的平均值。這也是標稱其額定電流的參數。
維持電流IH:是指晶閘管維持導通所必需的最小電流,一般為幾十到幾百毫安。
IH與結溫有關,結溫越高,則IH越小。
擎住電流IL:是晶閘管剛從斷態轉入通態並移除觸發信號後,能維持導通所需的最小電流。對同一晶閘管來說,通常IL約為IH的2~4倍。
浪涌電流ITSM:浪涌電流是指由於電路異常情況引起的使結溫超過額定結溫的不重複性最大正向過載電流。
斷態電壓臨界上升率du/dt:是指在額定結溫、門極開路的情況下,不能使晶閘管從斷態到通態轉換的外加電壓最大上升率。
通態電流臨界上升率di/dt:指在規定條件下,晶閘管能承受的最大通態電流上升率。如果di/dt過大,在晶閘管剛開通時會有很大的電流集中在門極附近的小區域內,從而造成局部過熱而使晶閘管損壞。
觸發技術
晶閘管觸發電路的作用是產生符合要求的門極觸發脈衝,使得晶閘管在需要時正常開通。晶閘管觸發電路必須滿足以下幾點要求:
①觸發脈衝的寬度應足夠寬使得晶閘管可靠導通;②觸發脈衝應有足夠的幅度,對一些溫度較低的場合,脈衝電流的幅度應增大為器件最大觸發電流的3~5倍,脈衝的陡度也需要增加,一般需達1~2A/μs;③所提供的觸發脈衝應不超過晶閘管門極的電壓、電流和功率定額,且在門極伏安特性的可靠觸發區域之內;④應有良好的抗干擾能力、溫度穩定性及與主電路的電氣隔離;⑤觸發脈衝型式應有助於晶閘管元件的導通時間趨於一致。在高電壓大電流晶閘管串聯電路中,要求串聯的元件同一時刻導通,宜採用強觸發的形式。
晶閘管觸發方式主要有三種:
①電磁觸發方式,將低電位觸發信號經脈衝變壓器隔離後送到高電位晶閘管門極。這種觸發方式成本較低,技術比較成熟。但要解決多路脈衝變壓器的輸出一致問題,同時觸發時的電磁干擾較大。②直接光觸發方式,將觸發脈衝信號轉變為光脈衝,直接觸發高位光控晶閘管。這種觸發方式只適用於光控晶閘管,且該種晶閘管的成本較高,不適宜採用;③間接光觸發方式,利用光纖通信的方法,將觸發電脈衝信號轉化為光脈衝信號,經處理後耦合到光電接受迴路,把光信號轉化為電信號。既可以克服電磁干擾,又可以採用普通晶閘管,降低了成本。
晶閘管串聯技術
當需要耐壓很高的開關時,單個晶閘管的耐壓有限,單個晶閘管無法滿足耐壓需求,這時就需要將多個晶閘管串聯起來使用,從而得到滿足條件的開關。
在器件的套用中,由於各個元件的靜態伏安特性和動態參數不同,因此將引起各元件間電壓分配不均勻而導致發生損壞器件的事故。影響串聯運行電壓分配不均勻的因素主要有以下幾個:
1、靜態伏安特性對靜態均壓的影響。不同元件的伏安特性差異較大,串聯使用時會使電壓分配不均衡。同時,半導體器件的伏安特性容易受溫度的影響,不同的結溫也會使均壓性能受到影響。
2、關斷電荷和開通時間等動態特性對動態均壓的影響。晶閘管串聯運行,延遲時間不同,門極觸發脈衝的大小不同,都會導致閥片的開通適度不同。閥片的開通速度不同,會引起動態電壓的不均衡。同時關斷時間的差異也會造成各晶閘管不同時關斷的現象。關斷電荷少,則易關斷,關斷時間也短,先關斷的元件必然承受最高的動態電壓。
晶閘管串聯技術的根本目的的是保證動、靜態特性不同的晶閘管在串聯後能夠安全穩定運行且都得到充分的利用。這就涉及到串聯晶閘管的元件保護、動態和靜態均壓、觸發一致性、反向恢復過電壓的抑制、開通關斷緩衝等一系列問題。
主要參數
為了正確選用晶閘管元件,必須要了解它的主要參數,一般在產品的目錄上都給出了參數的平均值或極限值,產品合格證上標有元件的實測數據。 (1)斷態重複峰值電壓UDRM 在控制極斷路和晶閘管正向阻斷的條件下,可以重複加在晶閘管兩端的正向峰值電壓,其數值比正向轉折電壓小100V。 (2)反向重複峰值電壓URRM 在控制極斷路時,可以重複加在晶閘管元件上的反向峰值電壓,此電壓數值規定比反向擊穿電壓小100V。 通常把UDRM與URRM中較小的一個數值標作器件型號上的額定電壓。由於瞬時過電壓也會使晶閘管遭到破壞,因而在選用的時候,額定電壓一個應該為正常工作峰值電壓的2~3倍,作為安全係數。 (3)額定通態平均電流(額定正向平均電流)IT 在環境溫度不大於40oC和標準散熱即全導通的條件下,晶閘管元件可以連續通過的工頻正弦半波電流(在一個周期內)的平均值,稱為額定通態平均電流IT,簡稱額定電流。 (4)維持電流IH在規定的環境溫度和控制極斷路的條件下,維持元件繼續導通的最小電流稱為維持電流IH。一般為幾十毫安~一百多毫安,其數值與元件的溫度成反比,在120攝氏度時維持電流約為25攝氏度時的一半。當晶閘管的正向電流小於這個電流時,晶閘管將自動關斷。
晶閘管的選用
(1)選擇晶閘管的類型:晶閘管有多種類型,應根據套用電路的具體要求合理選用。若用於交直流電壓控制、可控整流、交流調壓、逆變電源、開關電源保護電路等,可選用普通單向晶閘管。
若用於交流開關、交流調壓、交流電動機線性調速、燈具線性調光及固態繼電器、固態接觸器等電路中,應選用雙向晶閘管。
若用於交流電動機變頻調速、斬波器、逆變電源及各種電子開關電路等,可選用門極關斷晶閘管。
若用於鋸齒波發生器、長時間延時器、過電壓保護器及大功率電晶體觸發電路等,可選用BTG晶閘管。
若用於電磁灶、電子鎮流器、超音波電路、超導磁能儲存系統及開關電源等電路,可選用逆導晶閘管。
若用於光電耦合器、光探測器、光報警器、光計數器、光電邏輯電路及自動生產線的運行監控電路,可選用光控晶閘管。
2.選擇晶閘管的主要參數:晶閘管的主要參數應根據套用電路的具體要求而定。
所選晶閘管應留有一定的功率裕量,其額定峰值電壓和額定電流(通態平均電流)均應高於受控電路的最大工作電壓和最大工作電流1.5~2倍。
晶閘管的正向壓降、門極觸發電流及觸發電壓等參數應符合套用電路(指門極的控制電路)的各項要求,不能偏高或偏低,否則會影響晶閘管的正常工作。
單向檢測

觸發能力檢測:對於小功率(工作電流為5A以下)的普通晶閘管,可用萬用表R×1檔測量。測量時黑表筆接陽極A,紅表筆接陰極K,此時錶針不動,顯示阻值為無窮大(∞)。用鑷子或導線將晶閘管的陽極A與門極短路(見圖2),相當於給G極加上正向觸發電壓,此時若電阻值為幾歐姆至幾十歐姆(具體阻值根據晶閘管的型號不同會有所差異),則表明晶閘管因正向觸發而導通。再斷開A極與G極的連線(A、K極上的表筆不動,只將G極的觸發電壓斷掉)。若錶針示值仍保持在幾歐姆至幾十歐姆的位置不動,則說明此晶閘管的觸發性能良好。
特殊的晶閘管

從外表上看,雙向晶閘管和普通晶閘管很相似,也有三個電極。但是,它除了其中一個電極G仍叫做控制極外,另外兩個電極通常卻不再叫做陽極和陰極,而統稱為主電極Tl和T2。它的符號也和普通晶閘管不同,是把兩個晶閘管反接在一起畫成的,如圖2所示。它的型號,在我國一般用“3CTS”或“KS”表示;國外的資料也有用“TRIAC”來表示的。
從內部結構來看,雙向晶閘管是一種N—P—N—P—N型五層結構的半導體器件,見圖3(a)。為了便於說明問題,我們不妨把圖3(a)看成是由左右兩部分組合而成的,如圖3(b)。這樣一來,原來的雙向晶閘管就被分解成兩個P—N—P—N型結構的單向晶閘管了。如果把左邊從下往上看的p1—N1—P2—N2部分叫做正向的話,那么右邊從下往上看的N3—P1—N1—P2部分就成為反向,它們之間正好是一正一反地並聯在一起。我們把這種聯接叫做反向並聯。因此,從電路功能上可以把它等效成圖3(c),也就是說,一個雙向晶閘管在電路中的作用是和兩隻普通晶閘

雙向晶閘管不象普通晶閘管那樣,必須在陽極和陰極之間加上正向電壓,管子才能導通。對雙向晶閘管來說,無所謂陽極和陰極。它的任何一個主電極,對圖3(b)中的兩個晶閘管管子來講,對一個管子是陽極,對另一個管子就是陰極,反過來也一樣。因此,雙向晶閘管無論主電極加上的是正向或是反向電壓,它都能被觸發導通。不僅如此,雙向晶閘管還有一個重要的特點,這就是:不管觸發信號的極性如何,也就是不管所加的觸發信號電壓UG對T1是正向還是反向,雙向晶閘管都能被觸發導通。雙向晶閘管的這個特點是普通晶閘管所沒有的。
快速晶閘管
普通晶閘管不能在較高的頻率下工作。因為器件的導通或關斷需要一定時間,同時陽極電壓上升速度太快時,會使元件誤導通;陽極電流上升速度太快時,會燒毀元件。人們在製造工藝和結構上採取了一些改進措施,做出了能適應於高頻套用的晶閘管,我們將它稱為快速晶閘管。它具有以下幾個特點。

導通的晶閘管,當切斷正向電流時。並不能馬上“關斷”,這時如立即加上正向電壓,它還會繼續導通。從切斷正向電流直到控制極恢復控制能力需要的時間,叫做關斷時間。用t0仟表示。
晶閘管的關斷過程,實際上是儲存載流子的消失過程。為了加速這種消失過程,製造快速晶閘管時採用了摻金工藝,把金摻到矽中減少基區少數載流子的壽命。矽中摻金量越多,t0仟越小,但摻金量過多會影響元件的其它性能。
二、導通速度快.能耐較高的電流上升率(dI/dt)
控制極觸發導通的晶閘管。總是在靠近控制極的陰極區域首先導通,然後逐漸向外擴展,直到整個面積導通。大面積的晶閘管需要50~100微秒以上才能全面積導通。初始導通面積小時,必須限制初始電流的上升速度,否則將發生局部過熱現象,影響元件的性能,甚至燒壞。高頻工作時這種現象更為嚴重。為此,仿造了積體電路的方法,在晶閘管同一矽片上做出一個放大觸發信號用的小晶閘管。控制極觸發小晶閘管後,小晶閘管的初始導通電流將橫向經過矽片流向主晶閘管陰極,觸發主晶閘管。從而實際強觸發,加速了元件的導通,提高了耐電流上升率的能力。

晶閘管是由三個P—N結組成的。每個結相當於一個電容器。結電壓急劇變化時,就有很大的位移電流流過元件,它等效於控制極觸發電流的作用。可能使晶閘管誤導通。這就是普通晶閘管不能耐高電壓上升率的原因。
為了有效防止上述誤導通現象發生,快速晶閘管採取了短路發射結結構。把陰極和控制極按一定幾何形狀短路。這樣一來,即使電壓上升率較高,晶閘管的電流放大係數仍幾乎為零,不致使晶閘管誤導通。只是在電壓上升率進一步提高,結電容位移電流進一步增大,在短路點上產生電壓降足夠大時,晶閘管才能導通。
具有短路發射結結構的晶閘管,用控制極電流觸發時,控制極電流首先也是從短路點流向陰極。只是當控制極電流足夠大,在短路點電阻上的電壓降足夠大,PN結正偏導通電流時,才同沒有短路發射結的元件一樣,可被觸發導通。因此,快速晶閘管的抗干擾能力較好。
快速晶閘管的生產和套用都進展很快。目前,已有了電流幾百安培、耐壓1千餘伏,關斷時間僅為20微妙的大功率快速晶閘管,同時還做出了最高工作頻率可達幾十千赫茲供高頻逆變用的元件。其產品廣泛套用於大功率直流開關、大功率中頻感應加熱電源、超音波電源、雷射電源、雷達調製器及直流電動車輛調速等領域。
逆導晶閘管
以往的城市電車和捷運機車為了便於調速採用直流供電,用直流開關動作增加或減小電路電阻,改變電路電流來控制車輛的速度。但它有不能平滑起動和加速。開關體積大、壽命短,而且低速運行時耗電大(減速時消耗在啟動電阻上)等缺點。自有了逆導晶閘管,採用了逆導晶閘管控制、調節車速,不僅克服了上述缺點,而且還降低了功耗,提高了機車可靠性。

目前已經能生產出耐壓達到1500~2500V正向電流達400A。吸收電流達150A,關斷時間小於30微秒的逆導晶閘管。
可關斷晶閘管GTO
(GateTurn-OffThyristor)亦稱門控晶閘管。其主要特點為,當門極加負向觸發信號時晶閘管能自行關斷。
前已述及,普通晶閘管(SCR)靠門極正信號觸發之後,撤掉信號亦能維持通態。欲使之關斷,必須切斷電源,使正向電流低於維持電流IH,或施以反向電壓強迫關斷。這就需要增加換向電路,不僅使設備的體積重量增大,而且會降低效率,產生波形失真和噪聲。可關斷晶閘管克服了上述缺陷,它既保留了普通晶閘管耐壓高、電流大等優點,以具有自關斷能力,使用方便,是理想的高壓、大電流開關器件。GTO的容量及使用壽命均超過巨型電晶體(GTR),只是工作頻率比GTR低。目前,GTO已達到3000A、4500V的容量。大功率可關斷晶閘管已廣泛用於斬波調速、變頻調速、逆變電源等領域,顯示出強大的生命力。

儘管GTO與SCR的觸發導通原理相同,但二者的關斷原理及關斷方式截然不同。這是由於普通晶閘管在導通之後即處於深度飽和狀態,而GTO在導通後只能達到臨界飽和,所以GTO門極上加負向觸發信號即可關斷。GTO的一個重要參數就是關斷增益,βoff,它等於陽極最大可關斷電流IATM與門極最大負向電流IGM之比,有公式
βoff=IATM/IGM
βoff一般為幾倍至幾十倍。βoff值愈大,說明門極電流對陽極電流的控制能力愈強。很顯然,βoff與昌盛的hFE參數頗有相似之處。
下面分別介紹利用萬用表判定GTO電極、檢查GTO的觸發能力和關斷能力、估測關斷增益βoff的方法。
判定GTO的電極
將萬用表撥至R×1檔,測量任意兩腳間的電阻,僅當黑表筆接G極,紅表筆接K極時,電阻呈低阻值,對其它情況電阻值均為無窮大。由此可迅速判定G、K極,剩下的就是A極。(此處指的模擬表,電子式萬用表紅表筆與電池正極相連,模擬表紅表筆與電池負極相連)
光控晶閘管
光控晶閘管(LightTriggeredThyristor——LTT),又稱光觸發晶閘管。國內也稱GK型光開關管,是一種光敏器件。
1.光控晶閘管的結構
通常晶閘管有三個電極:控制極G、陽極A和陰極K。而光控晶閘管由於其控制信號來自光的照射,沒有必要再引出控制極,所以只有兩個電極(陽極A和陰極K)。但它的結構與普通可控矽一樣,是由四層PNPN器件構成。
從外形上看,光控晶閘管亦有受光視窗,還有兩條管腳和殼體,酷似光電二極體。
2.光控晶閘管的工作原理
當在光控晶閘管的陽極加上正向電壓,陰極加上負向電壓時,控晶閘管可以等效成的電路。
可推算出下式:
Ia=Il/[1-(a1+a2)]
式中,Il為光電二極體的光電流;Ia為光控晶閘管陽極電流,即光控晶閘管的輸出電流;a1、a2分別為BGl、BG2的電流放大係數。
由上式可知,Ia與Il成正比,即當光電二極體的光電流增大時,光控晶閘管的輸出電流也相應增大,同時Il的增大,使BGl、BG2的電流放大係數a1、a2也增大。當al與a2之和接近l時,光控晶閘管的Ia達到最大,即完全導通。能使光控晶閘管導通的最小光照度,稱其為導通光照度。光控晶閘管與普通晶閘管一樣,一經觸發,即成通導狀態。只要有足夠強度的光源照射一下管子的受光視窗,它就立即成為通導狀態,而後即使撤離光源也能維持導通,除非加在陽極和陰極之間的電壓為零或反相,才能關閉。
3.光控晶閘管的特性
為了使光控晶閘管能在微弱的光照下觸發導通,因此必須使光控晶閘管在極小的控制電流下能可靠地導通。這樣光控晶閘管受到了高溫和耐壓的限制,在目前的條件下,不可能與普通晶閘管一樣做成大功率的。
光控晶閘管除了觸發信號不同以外,其它特性基本與普通晶閘管是相同的,因此在使用時可按照普通晶閘管選擇,只要注意它是光控這個特點就行了。光控晶閘管對光源的波長有一定的要求,即有選擇性。波長在0.8——0.9um的紅外線及波長在1um左右的雷射,都是光控晶閘管較為理想的光源。
使用注意事項
選用可控矽的額定電壓時,應參考實際工作條件下的峰值電壓的大小,並留出一定的餘量。1、選用可控矽的額定電流時,除了考慮通過元件的平均電流外,還應注意正常工作時導通角的大小、散熱通風條件等因素。在工作中還應注意管殼溫度不超過相應電流下的允許值。
2、使用可控矽之前,應該用萬用表檢查可控矽是否良好。發現有短路或斷路現象時,應立即更換。
3、嚴禁用兆歐表(即搖表)檢查元件的絕緣情況。
4、電流為5A以上的可控矽要裝散熱器,並且保證所規定的冷卻條件。為保證散熱器與可控矽管心接觸良好,它們之間應塗上一薄層有機矽油或矽脂,以幫於良好的散熱。
5、按規定對主電路中的可控矽採用過壓及過流保護裝置。
6、要防止可控矽控制極的正向過載和反向擊穿。
損壞原因判別
當晶閘管損壞後需要檢查分析其原因時,可把管芯從冷卻套中取出,打開芯盒再取出晶片,觀察其損壞後的痕跡,以判斷是何原因。下面介紹幾種常見現象分析。1、電壓擊穿。晶閘管因不能承受電壓而損壞,其晶片中有一個光潔的小孔,有時需用擴大鏡才能看見。其原因可能是管子本身耐壓下降或被電路斷開時產生的高電壓擊穿。
2、電流損壞。電流損壞的痕跡特徵是晶片被燒成一個凹坑,且粗糙,其位置在遠離控制極上。
3、電流上升率損壞。其痕跡與電流損壞相同,而其位置在控制極附近或就在控制極上。
4、邊緣損壞。他發生在晶片外圓倒角處,有細小光潔小孔。用放大鏡可看到倒角面上有細細金屬物劃痕。這是製造廠家安裝不慎所造成的。它導致電壓擊穿。
主要用途
普通晶閘管最基本的用途就是可控整流。大家熟悉的二極體整流電路屬於不可控整流電路。如果把二極體換成晶閘管,就可以構成可控整流電路、逆變、電機調速、電機勵磁、無觸點開關及自動控制等方面。現在我畫一個最簡單的單相半波可控整流電路〔圖4(a)〕。在正弦交流電壓U2的正半周期間,如果VS的控制極沒有輸入觸發脈衝Ug,VS仍然不能導通,只有在U2處於正半周,在控制極外加觸發脈衝Ug時,晶閘管被觸發導通。現在,畫出它的波形圖〔圖4(c)及(d)〕,可以看到,只有在觸發脈衝Ug到來時,負載RL上才有電壓UL輸出(波形圖上陰影部分)。Ug到來得早,晶閘管導通的時間就早;Ug到來得晚,晶閘管導通的時間就晚。通過改變控制極上觸發脈衝Ug到來的時間,就可以調節負載上輸出電壓的平均值UL(陰影部分的面積大小)。在電工技術中,常把交流電的半個周期定為180°,稱為電角度。這樣,在U2的每個正半周,從零值開始到觸發脈衝到來瞬間所經歷的電角度稱為控制角α;在每個正半周內晶閘管導通的電角度叫導通角θ。很明顯,α和θ都是用來表示晶閘管在承受正向電壓的半個周期的導通或阻斷範圍的。通過改變控制角α或導通角θ,改變負載上脈衝直流電壓的平均值UL,實現了可控整流。晶閘管
晶體閘流管(英語:Thyristor),簡稱晶閘管,指的是具有四層交錯P、N層的半導體裝置。最早出現與主要的一種是矽控整流器(SiliconControlledRectifier,SCR),中國大陸通常簡稱可控矽,又稱半導體控制整流器,是一種具有三個PN結的功率型半導體器件,為第一代半導體電力電子器件的代表。晶閘管的特點是具有可控的單嚮導電,即與一般的二極體相比,可以對導通電流進行控制。晶閘管具有以小電流(電壓)控制大電流(電壓)作用,並體積小、輕、功耗低、效率高、開關迅速等優點,廣泛用於無觸點開關、可控整流、逆變、調光、調壓、調速等方面。
發展歷史
半導體的出現成為20世紀現代物理學其中一項最重大的突破,標誌著電子技術的誕生。而由於不同領域的實際需要,促使半導體器件自此分別向兩個分支快速發展,其中一個分支即是以積體電路為代表的微電子器件,特點為小功率、集成化,作為信息的檢出、傳送和處理的工具;而另一類就是電力電子器件,特點為大功率、快速化。1955年,美國通用電氣公司研發了世界上第一個以矽單晶為半導體整流材料的矽整流器(SR),1957年又開發了全球首個用於功率轉換和控制的可控矽整流器(SCR)。由於它們具有體積小、重量輕、效率高、壽命長的優勢,尤其是SCR能以微小的電流控制較大的功率,令半導體電力電子器件成功從弱電控制領域進入了強電控制領域、大功率控制領域。在整流器的套用上,晶閘管迅速取代了水銀整流器(引燃管),實現整流器的固體化、靜止化和無觸點化,並獲得巨大的節能效果。從1960年代開始,由普通晶閘管相繼衍生出了快速晶閘管、光控晶閘管、不對稱晶閘管及雙向晶閘管等各種特性的晶閘管,形成一個龐大的晶閘管家族。晶閘管在套用中有效率高、控制特性好、壽命長、體積小、功能強等優點,其能承受的電壓和電流容量是目前電力電子器件中最高的,而且工作可靠。因晶閘管的上述優點,國外對晶閘管在脈衝功率源領域內套用的研究做了大量的工作,很多脈衝功率能源模組已經使用晶閘管作為主開關。而國內的大功率晶閘管主要套用在高壓直流輸電的工頻環境下,其工頻工作條件下的技術參數指標不足以準確反映其在脈衝電源這種高電壓、大電流、高陡度的環境下的使用情況,對其在脈衝脈衝功率電源領域中的套用研究很少,尚處於試驗探索階段。
在大功率半導體開關器件中,晶閘管是具有最高耐壓容量與最大電流容量的器件。國內外主要製作的大功率晶閘管都是套用在高壓直流輸電中。所製造出的大功率晶閘管,最大直徑可達6英寸,單閥片耐壓值最高可達11KV,的通流能力最高可達4500A。在該領域比較領先的有瑞士的ABB以及國內的株洲南車時代。
為提高晶閘管的通流能力、開通速度、di/dt承受能力,國外在普通晶閘管的基礎上研製出了兩種新型的晶閘管:門極關斷晶閘管GTO以及集成門極換流晶閘管IGCT。這兩種器件都已經在國外投入實際使用。其中GTO的單片耐壓可達4.5kV,工況下通流能力可達4kA,而目前研製出的在電力系統中使用的IGCT的最高耐壓可達10kV,通流能力可達6.5kA。
針對脈衝功率電源中套用的晶閘管,國內還沒有廠家在這方面進行研究,在國際上具有領先技術的是瑞士ABB公司。他們針對脈衝功率電源用大功率晶閘管進行了十數年的研究。目前採用的較成熟的器件為GTO,其直徑為3.5英寸,單片耐壓為4.5KV,通常3個閥片串聯工作。可以承受的電流峰值為120kA/90us,電流上升率di/dt最高可承受3.5KA/us。門極可承受觸發電流最大值為800A,觸發電流上升率di/dt最大為400A/us。其最新研製出的IGCT擁有更好的性能,其直徑為3.5英寸,單閥片耐壓值也是4.5kV。最大通流能力已經可以達到180kA/30us,最高可承受電流上升率di/dt為20kA/us。門極可承受觸發電流最大值為2000A,觸發電流上升率di/dt最大為1000A/us。但是此種開關所能承受的反向電壓較低,因此還只能在特定的脈衝電源中使用。
但晶閘管本身存在兩個制約其繼續發展的重要因素。一是控制功能上的欠缺,普通的晶閘管屬於半控型器件,通過門極(控制極)只能控制其開通而不能控制其關斷,導通後控制極即不再起作用,要關斷必須切斷電源,即令流過晶閘管的正向電流小於維持電流。由於晶閘管的關斷不可控的特性,必須另外配以由電感、電容及輔助開關器件等組成的強迫換流電路,從而使裝置體積增大,成本增加,而且系統更為複雜、可靠性降低。二是因為此類器件立足於分立元件結構,開通損耗大,工作頻率難以提高,限制了其套用範圍。1970年代末,隨著可關斷晶閘管(GTO)日趨成熟,成功克服了普通晶閘管的缺陷,標誌著電力電子器件已經從半控型器件發展到全控型器件。

