焊接圖 是焊接件進行加工時所用的圖樣。應能清晰地表示出各焊接件的相互位置,焊接形式、焊接要求以及焊接尺寸等。
焊接是在工業中廣泛使用的一種連線方式,它是通過加熱或加壓,或兩者並用,也可能用填充材料,使工件達到結合的方法。通常有熔焊、壓焊和釺焊三種。

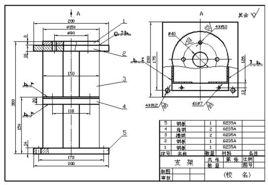
焊接圖是焊接件進行加工時所用的圖樣。應能清晰地表示出各焊接件的相互位置,焊接形式、焊接要求以及焊接尺寸等。
焊接圖 是焊接件進行加工時所用的圖樣。應能清晰地表示出各焊接件的相互位置,焊接形式、焊接要求以及焊接尺寸等。
焊接是在工業中廣泛使用的一種連線方式,它是通過加熱或加壓,或兩者並用,也可能用填充材料,使工件達到結合的方法。通常有熔焊、壓焊和釺焊三種。
焊接,,也稱作熔接、鎔接,是一種以加熱、高溫或者高壓的方式接合金屬或其他熱塑性材料如塑膠的製造工藝及技術。 焊接通過下列三種途徑達成接合的目的: 1、熔...
發展歷史 金屬焊接 塑膠焊接 大事記 注意事項R鋼的焊接CCT圖2.2.415Mn VN鋼的焊接CCT圖2.2.518Mn MoNb鋼的焊接CCT圖2.2.614Mn
內容介紹 作品目錄鑄鐵遇到有些鑄造缺陷時通常可採用焊接修復。20世紀70年代以來鑄鐵焊接技術已得到較廣泛的套用,焊接材料也已形成系列產品。焊接方法視鑄件的材質、大小、厚薄...
介紹 鑄鐵焊接步驟 注意事項《焊接工藝簡明手冊》是由徐峰所著的一本書籍之一,於2009年上海科學技術出版社出版。
編輯推薦 內容簡介 目錄焊接:被焊工件的材質(同種或者異種),通過加熱、加壓,或兩者並用,用或不用填充材料,使工件的材質達到原子間結合而形成永久性連線的工藝過程。焊接套用廣泛,...
發展歷史 焊接分類 焊接接頭 技術特點 展望雷射焊接技術是藉助雷射束產生的熱量使塑膠接觸面熔化,進而將熱塑性片材、薄膜或模塑零部件粘結在一起的技術。它最早出現在20世紀70年代,但是由於費用昂貴,...
雷射焊接技術 最新發展 結論 利弊分析 焊接設備焊接應力(welding stress) 被焊工件內,由焊接引起的內應力稱為焊接應力。根據焊接應力產生時期的不同,可把焊接應力分為焊接瞬時應力和焊接殘餘...
基本簡介 影響 焊接變形高頻焊接,它是利用高頻電流所產生的集膚效應和相鄰效應,將鋼板和其它金屬材料對接起來的新型焊接工藝。高頻焊接技術的出現和成熟,它是直縫焊管(ERW)生產的...
基本介紹 基本原理 工作原理 使用維護 主要因素