介紹
正交信號,也稱為覆信號,被用於數位訊號處理的很多領域,比如:數字通信系統、雷達系統、無線電測向中對到達時間差異的處理、相關脈衝測量系統、天線波束形成的套用、信號邊帶調製器等等。實際表示複數變數使用實部和虛部兩個分量。正交信號也一樣,必須用實部和虛部兩路信號來表示它,兩路信號傳輸會帶來麻煩,實際信號的傳輸總是用實信號,而在信號處理中則用覆信號。(實部和虛部的稱謂是傳統的叫法,在我們日常套用中一直被延用。在通信工程中分別用同相和正交相表示。)
信號公式
理想情況下,
在實際的波形設計中,應使信號間的互相關儘量小,同時考慮到單個波形的性能問題,自相關性能也要很好,所以我們波形設計的準則就是自相關性能好,互相關儘量小。在一定場合還要考慮信號的都卜勒容忍性 。
簡單點講:
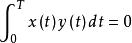
若信號x(t)與y(t)在[0-T]內,有:
正交信號則稱x(t),y(t)在[0-T]內正交。
通俗點講:正交是針對波形而言的,如果兩個波形在一段時間內內積為零,則他們在這段時間內正交。
好處
由於對相位的確定,使coherentdetection成為可能;對於數字通信,在基帶處理帶通信號,可以是有效頻寬減少一半,進而對於AD的採樣率要求,FFT的處理能力等都有改善,比如在OFDM系統中transmitter中在基帶完成的IFFTblock等。

