簡介
隨著現代科學技術的飛速發展,電子、電力電子、電氣設備套用越來越廣泛,它們在運行中產生的高密度、寬頻譜的電磁信號充滿整個空間,形成複雜的電磁環境。複雜的電磁環境要求電子設備及電源具有更高的電磁兼容性。於是抑制電磁干擾的技術也越來越受到重視。接地、禁止和濾波是抑制電磁干擾的三大措施,下面主要介紹在電源中使用的EMI濾波器及其基本原理和正確套用方法。
作用
電子設備的供電電源,如220V/50Hz交流電網或115V/400Hz交流發電機,都存在各式各樣的EMI噪聲,其中人為的EMI干擾源,如各種雷達、導航、通信等設備的無線電發射信號,會在電源線上和電子設備的連線電纜上感應出電磁干擾信號,電動鏇轉機械和點火系統,會在感性負載電路內產生瞬態過程和輻射噪聲干擾;還有自然干擾源,比如雷電放電現象和宇宙中天電干擾噪聲,前者的持續時間短但能量很大,後者的頻率範圍很寬。另外電子電路元器件本身工作時也會產生熱噪聲等。這些電磁干擾噪聲,通過輻射和傳導耦合的方式,會影響在此環境中運行的各種電子設備的正常工作。 另一方面,電子設備在工作時也會產生各種各樣的電磁干擾噪聲。比如數字電路是採用脈衝信號(方波)來表示邏輯關係的,對其脈衝波形進行付里葉分析可知,其諧波頻譜範圍很寬。另外在數字電路中還有多種重複頻率的脈衝串,這些脈衝串包含的諧波更豐富,頻譜更寬,產生的電磁干擾噪聲也更複雜。
各類穩壓電源本身也是一種電磁干擾源。線上性穩壓電源中,因整流而形成的單向脈動電流也會引起電磁干擾;開關電源具有體積小,效率高的優點,在現代電子設備中套用越來越廣泛,但是因為它在功率變換時處於開關狀態,本身就是很強的EMI噪聲源,其產生的EMI噪聲既有很寬的頻率範圍,又有很高的強度。這些電磁干擾噪聲也同樣通過輻射和傳導的方式污染電磁環境,從而影響其它電子設備的正常工作。
對電子設備來說,當EMI噪聲影響到模擬電路時,會使信號傳輸的信噪比變壞,嚴重時會使要傳輸的信號被EMI噪聲所淹沒,而無法進行處理。當EMI噪聲影響到數字電路時,會引起邏輯關係出錯,導致錯誤的結果。
對於電源設備來說,其內部除了功率變換電路以外,還有驅動電路、控制電路、保護電路、輸入輸出電平檢測電路等,電路相當複雜。這些電路主要由通用或專用積體電路構成,當受電磁干擾而發生誤動作時,會使電源停止工作,導致電子設備無法正常工作。採用電網噪聲濾波器可有效地防止電源因外來電磁噪聲干擾而產生誤動作。
另外,從電源輸入端進入的EMI噪聲,其一部分可出現在電源的輸出端,它在電源的負載電路中會產生感應電壓,成為電路產生誤動作或干擾電路中傳輸信號的原因。這些問題同樣也可用噪聲濾波器來加以防止。
在電源設備中採用噪聲濾波器的作用如下:
(1)防止外來電磁噪聲干擾電源設備本身控制電路的工作;
(2)防止外來電磁噪聲干擾電源的負載的工作;
(3)抑制電源設備本身產生的EMI;
(4)抑制由其它設備產生而經過電源傳播的EMI。
開關電源本身在工作時以及電子設備處於開關工作狀態時,都會在電源設備的輸入端出現終端噪聲,產生輻射及傳導干擾,也會進入交流電網干擾其它的電子設備,所以必須採取有效措施加以抑制。在抑制EMI噪聲的輻射干擾方面,電磁禁止是最好的方式。而在抑制EMI噪聲的傳導干擾方面,採用EMI濾波器是很有效的手段,當然應配合良好的接地措施。
在國際上各個國家都實行了嚴格的電磁噪聲限制規則,如美國有FCC,德國有FTZ,VDE等標準。如電子設備不滿足噪聲限制規則,則產品就不能出售和使用。由於上述種種原因,在電源設備中必須要設計使用滿足要求的電網噪聲濾波器。
類型
圖1 電磁干擾信號示意圖圖在對電磁干擾噪聲採取抑制措施時,主要應考慮抑制共模噪聲,因為共模噪聲在全頻域特別在高頻域占主要部分,而在低頻域差模噪聲占比例較大,所以應根據EMI噪聲的這個特點來選擇適當的EMI濾波器。
電源用噪聲濾波器按形狀可分為一體化式和分立式。一體化式是將電感線圈、電容器等封裝在金屬或塑膠外殼中;分立式是在印製板上安裝電感線圈、電容器等,構成抑制噪聲濾波器。到底採用哪種形式要根據成本、特性、安裝空間等來確定。一體化式成本高,特性較好,安裝靈活;分立式成本較低,但禁止不好,可自由分配在印製板上。
基本結構
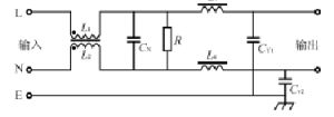
圖2 電源濾波器的基本電路圖單相交流電網噪聲濾波器的基本結構如圖2所示。它是由集中參數元件組成的四端無源網路,主要使用的元件是共模電感線圈L1、L2,差模電感L3、L4,以及共模電容CY1、CY2和差模電容器CX。若將此濾波器網路放在電源的輸入端,則L1與CY1及L2與CY2分別構成交流進線上兩對獨立連線埠之間的低通濾波器,可衰減交流進線上存在的共模干擾噪聲,阻止它們進入電源設備。共模電感線圈用來衰減交流進線上的共模噪聲,其中L1和L2一般是在閉合磁路的鐵氧體磁芯上同向卷繞相同匝數,接入電路後在L1、L2兩個線圈內交流電流產生的磁通相互抵消,不致使磁芯引起磁通飽和,又使這兩個線圈的電感值在共模狀態下較大,且保持不變。
差模電感線圈L3、L4與差模電容器CX構成交流進線獨立連線埠間的一個低通濾波器,用來抑制交流進線上的差模干擾噪聲,防止電源設備受其干擾。
圖2所示的電源噪聲濾波器是無源網路,它具有雙向抑制性能。將它插入在交流電網與電源之間,相當於這二者的EMI噪聲之間加上一個阻斷屏障,這樣一個簡單的無源濾波器起到了雙向抑制噪聲的作用,從而在各種電子設備中獲得了廣泛套用。
主要設計原則
共模電感線圈使用的磁芯有環形、E形和U形等,材料一般採用鐵氧體,環形磁芯適用於大電流小電感量,它的磁路比E形和U形長,沒有間隙,用較少的圈數可獲得較大的電感量,由於這些特點它具有較佳的頻率特性。而E形磁芯的線圈泄漏磁通小,故當電感漏磁有可能影響其它電路或其它電路與共模電感有磁耦合,而不能獲得所需要的噪聲衰減效果時應考慮採用E形磁芯作成共模電感。 差模電感線圈一般採用金屬粉壓磁芯,由於粉壓磁芯適用頻率範圍較低,在幾十kHz~幾MHz,其直流重疊特性好,在大電流套用時電感量也不會大幅下降,最適合作為差模電感。差模電感線圈一般採用金屬粉壓磁芯,由於粉壓磁芯適用頻率範圍較低,在幾十kHz~幾MHz,其直流重疊特性好,在大電流套用時電感量也不會大幅下降,最適合作為差模電感。
圖2中,電源噪聲濾波器使用二種電容器,CX、CY1和CY2,它們在濾波器中的作用不同,還有不同的安全等級要求,因此其性能參數直接與濾波器的安全性能有關。
差模電容CX接在交流電進線兩端,它上面除加有額定交流電壓以外,還會疊加交流進線之間存在的各種EMI峰值電壓。所以該電容器的耐壓及耐瞬態峰值電壓的性能要求較高,同時要求該電容器失效後,不能危及後面電路及人身安全。CX電容器的安全等級又分為X1和X2兩類,X1類適用於一般場合,X2類適用於會出現高的噪聲峰值電壓的套用場合。
共模電容CY接在交流電進線與機殼地之間,要求它們在電氣和機械性能上,應有足夠大的安全餘量,萬一它們發生擊穿短路,將使設備機殼帶上危險的交流電,如設備的絕緣或接地保護失效,可能使操作人員遭受電擊,甚至危及人身安全。因此對CY電容器的容量要進行限制,使其在額定頻率的電壓下漏電流小於安全規範值。另外還要求其應有足夠的耐壓及耐瞬態高峰值電壓的餘量,並且萬一發生電壓擊穿它應處於開路狀態,而不會使設備機殼帶電。
綜上所述,在設計和選擇電網噪聲濾波器時,因為它們工作在高電壓、大電流、惡劣的電磁干擾環境中,首先必須考慮所用電感器和電容器的安全性能。對於電感線圈,其磁芯、繞線的材料,絕緣材料和絕緣距離、線圈溫升等都應予重視。對於電容器,其電容種類、耐壓、安全等級、容量、漏電流等都應優先考慮,特別要求選擇經過國際安全機構安全認證的產品。

