隔離措施
驅動電路為什麼要採取 隔離措施
安規問題,驅動電路副邊與主電路有耦合關係,而驅動原邊是與控制電路連在一起, 主電路是一次電路,控制電路是 ELV電路, 一次電路和ELV電路之間要做加強 絕緣,實現絕緣要求一般就採取 變壓器光耦等隔離措施。
特點
①驅動電路應保證器件的充分導通和可靠關斷以減低器件的導通和開關損耗。
②實現與主電路的電隔離。
③具有較強的抗干擾能力,目的是防止器件在各種外擾下的誤開關。
④具有可靠的保護能力,當主電路或驅動電路自身出現故障時(如過電流和驅動電路欠電壓等),驅動電路應迅速封鎖輸出正向驅動信號並正確關斷器件以保障器件的安全。
分類
按照驅動電路加在電力電子器件控制端和公共端之間信號的性質,可以將電力電子器件分為電流驅動型和電壓驅動型兩類。晶閘管是半控型器件,一般其驅動電路成為觸發電路,下面分別分析晶閘管的觸發電路,GTO、GTR、電力MOSFET和IGBT的驅動電路.
晶閘管觸發電路
晶閘管的觸發電路晶閘管的觸發電路的工作原理如下:
1由V1、V2構成的脈衝放大環節和脈衝變壓器TM和附屬電路構成的脈衝輸出環節兩部分組成。
2當V1、V2導通時,通過脈衝變壓器向晶閘管的門極和陰極之間輸出觸發脈衝。
3VD1和R3是為了V1、V2由導通變為截止時脈衝變壓器TM釋放其儲存的能量而設的。
4為了獲得觸發脈衝波形中的強脈衝部分,還需適當附加其它電路環節。
晶閘管的觸發電路特點:觸發脈衝寬度要保證晶閘管可靠導通,有足夠的幅值也不能超過晶閘管門級的電壓、電流和功率定額等參數。
GTO驅動電路
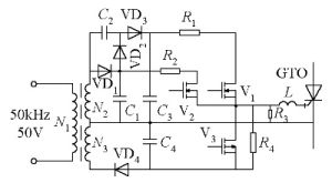
GTO驅動電路GTO的開通控制與普通晶閘管相似,右圖為典型的直接耦合式GTO驅動電路,其工作原理可分析如下:
1電路的電源由高頻電源經二極體整流後提供,VD1和C1提供+5V電壓,VD2、VD3、C2、C3構成倍壓整流電路提供+15V電壓,VD4和C4提供-15V電壓。
2V1開通時,輸出正強脈衝;V2開通時,輸出正脈衝平頂部分;
3V2關斷而V3開通時輸出負脈衝;V3關斷後R3和R4提供門極負偏壓。
GTO驅動電路的特點:觸發脈衝前沿的幅值和陡度要足夠,在整個導通期間都施加正門極電流。避免電路內部的相互干擾和寄生振盪,可得到較陡的脈衝前沿;缺點是功耗大,效率較低。
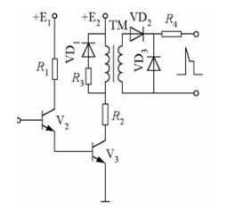
GTR驅動電路
GTR驅動電路右圖為GTR的一種驅動電路,其包括電氣隔離和電晶體放大電路兩大部分,本電路的特點是:當負載較輕時,如果V5的發射極電流全部注入V,會使V過飽和,關斷時退飽和時間延長。但是VD2和VD3構成貝克鉗位電路可避免上述情況的發生。
開通的基極驅動電流應使其處於準飽和導通狀態,使之不進入放大區和深飽和區。
關斷時,施加一定的負基極電流有利於減小關斷時間和關斷損耗,關斷後同樣應在基射極之間施加一定幅值(6V左右)的負偏。
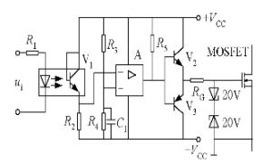
MOSFET管驅動電路
MOSFET管驅動電路右圖給出了電力MOSFET管的一種驅動電路,也包括電氣隔離和電晶體放大電路兩部分。當無輸入信號時高速放大器A輸出負電平,V3導通輸出負驅動電壓。當有輸入信號時A輸出正電平,V2導通輸出正驅動電壓。跟雙極性電晶體相比,一般認為使MOS管導通不需要電流,只要GS電壓高於一定的值,就可以了。這個很容易做到,但是,我們還需要速度。
在MOS管的結構中可以看到,在GS,GD之間存在寄生電容,而MOS管的驅動,實際上就是對電容的充放電。對電容的充電需要一個電流,因為對電容充電瞬間可以把電容看成短路,所以瞬間電流會比較大。選擇/設計MOS管驅動時第一要注意的是可提供瞬間短路電流的大小。第二注意的是,普遍用於高端驅動NMOS,導通時需要是柵極電壓大於源極電壓。而高端驅動的MOS管導通時源極電壓與漏極電壓(VCC)相同,所以這時柵極電壓要比VCC大4V或10V。如果在同一個系統里,要得到比VCC大的電壓,就要專門的升壓電路了。很多馬達驅動器都集成了電荷泵,要注意的是應該選擇合適的外接電容,以得到足夠的短路電流去驅動MOS管。
使電力MOSFET開通的柵源極間驅動電壓一般取10~15V,使IGBT開通的柵射極間驅動電壓一般取15~20V。
關斷時施加一定幅值的負驅動電壓(一般取-5~-15V)有利於減小關斷時間和關斷損耗。
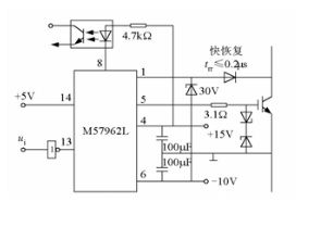
IGBT驅動電路
IGBT驅動電路IGBT的驅動多採用專用的混合集成驅動器,例如三菱公司的M579系列、富士公司的EXB系列等。由於IGBT的開關特性和安全工作區隨著柵極驅動電路的變化而變化,因而驅動電路性能不好常常導致器件損壞,IGBT對驅動電路有許多特殊的要求:
①驅動電壓脈衝的上升率和下降率要充分大。
②IGBT導通後,柵極驅動電路提供給IGBT的驅動電壓和電流要有足夠的幅度。瞬時過載時,柵極驅動電路提供的驅動功率要足以保證IGBT不退出飽和區而損壞。③IGBT的柵極驅動電路提供給IGBT的正向驅動電壓十VGE要取合適的值,特別是具有短路工作過程的設備中使用IGBT時,其正向驅動電壓更應選擇所需要的最小值。
④IGBT的關斷過程中,柵一射極間施加的負偏壓有利於IGBT的快速關斷,但也不宜取的過大。(一般取-10V)
⑤在大電感負載的情況下,過快的開關反而是有害的,大電感負載在IGBT的快速開通和關斷時,會產生高頻且幅值很高而寬度很窄的尖峰電壓Ldi/dt,該尖峰不易吸收,容易造成器件損壞。
⑥由於IGBT多用於高壓場合,所以驅動電路應與整個控制電路在電位上嚴格隔離,一般採用高速光耦合隔離或變壓器耦合隔離。
⑦IGBT的柵極驅動電路應儘可能地簡單、實用,應具有IGBT的完整保護功能,很強的抗干擾能力,且輸出阻抗儘可能地低。
⑧驅動電路的柵極配線走向應與主電流線儘可能遠,同時驅動電路到IGBT模組柵一射引線應儘可能的短,採用雙絞線或同軸電纜禁止線,並從柵極直接接到被驅動IGBT的柵一射極。
⑨同一電力電子設備中,使用多個不同電位的IGBT的時候,一定要使用光隔離器,解決電位隔離的問題。

