IGBT驅動電路簡介
IGBT(insulatedGateBipolarTransistor),絕緣柵雙極型電晶體,是由BJT(雙極型三極體)和MOS(絕緣柵型場效應管)組成的複合全控型電壓驅動式功率半導體器件,兼有MOSFET的高輸入阻抗和GTR的低導通壓降兩方面的優點。GTR飽和壓降低,載流密度大,但驅動電流較大;MOSFET驅動功率很小,開關速度快,但導通壓降大,載流密度小。IGBT綜合了以上兩種器件的優點,驅動功率小而飽和壓降低。非常適合套用於直流電壓為600V及以上的變流系統如交流電機、變頻器、開關電源、照明電路、牽引傳動等領域。
| IGBT |
圖1所示為一個N溝道增強型絕緣柵雙極電晶體結構,N+區稱為源區,附於其上的電極稱為源極。N+區稱為漏區。器件的控制區為柵區,附於其上的電極稱為柵極。溝道在緊靠柵區邊界形成。在漏、源之間的P型區(包括P+和P一區)(溝道在該區域形成),稱為亞溝道區(Subchannelregion)。而在漏區另一側的P+區稱為漏注入區(Draininjector),它是IGBT特有的功能區,與漏區和亞溝道區一起形成PNP雙極電晶體,起發射極的作用,向漏極注入空穴,進行導電調製,以降低器件的通態電壓。附於漏注入區上的電極稱為漏極IGBT的開關作用是通過加正向柵極電壓形成溝道,給PNP電晶體提供基極電流,使IGBT導通。反之,加反向門極電壓消除溝道,切斷基極電流,使IGBT關斷。IGBT模組的驅動方法和MOSFET基本相同,只需控制輸入極N一溝道MOSFET,所以具有高輸入阻抗特性。當MOSFET的溝道形成後,從P+基極注入到N一層的空穴(少子),對N一層進行電導調製,減小N一層的電阻,使IGBT在高電壓時,也具有低的通態電壓。
種類
絕緣柵雙極型電晶體(IGBT)在今天的電力電子領域中已經得到廣泛的套用,在實際使用中除IGBT自身外,IGBT 驅動器的作用對整個換流系統來說同樣至關重要。驅動器的選擇及輸出功率的計算決定了換流系統的可靠性。驅動器功率不足或選擇錯誤可能會直接導致 IGBT 和驅動器損壞。以下總結了一些關於IGBT驅動器輸出性能的計算方法以供選型時參考。
IGBT 的開關特性主要取決於IGBT的門極電荷及內部和外部的電阻。圖1是IGBT 門極電容分布示意圖,其中CGE 是柵極-發射極電容、CCE 是集電極-發射極電容、CGC 是柵極-集電極電容或稱米勒電容(Miller Capacitor)。門極輸入電容Cies 由CGE 和CGC 來表示,它是計算IGBT 驅動器電路所需輸出功率的關鍵參數。該電容幾乎不受溫度影響,但與IGBT集電極-發射極電壓VCE 的電壓有密切聯繫。在IGBT數據手冊中給出的電容Cies 的值,在實際電路套用中不是一個特別有用的參數,因為它是通過電橋測得的,在測量電路中,加在集電極上C 的電壓一般只有25V(有些廠家為10V),在這種測量條件下,所測得的結電容要比VCE=600V 時要大一些(如圖2)。由於門極的測量電壓太低(VGE=0V )而不是門極的門檻電壓,在實際開關中存在的米勒效應(Miller 效應)在測量中也沒有被包括在內,在實際使用中的門極電容Cin值要比IGBT 數據手冊中給出的電容Cies 值大很多。因此,在IGBT數據手冊中給出的電容Cies值在實際套用中僅僅只能作為一個參考值使用。
確定IGBT 的門極電荷
圖一對於設計一個驅動器來說,最重要的參數是門極電荷QG(門極電壓差時的IGBT 門極總電荷),如果在IGBT 數據手冊中能夠找到這個參數,那么我們就可以運用公式計算出:
門極驅動能量 E = QG · UGE = QG · [ VG(on) - VG(off) ]
門極驅動功率 PG = E · fSW = QG · [ VG(on) - VG(off) ] · fSW
驅動器總功率 P = PG + PS(驅動器的功耗)
平均輸出電流 IoutAV = PG / ΔUGE = QG · fSW
最高開關頻率 fSW max. = IoutAV(mA) / QG(μC)
峰值電流IG MAX = ΔUGE / RG min = [ VG(on) - VG(off) ] / RG min
其中的 RG min = RG extern + RG intern
圖2fsw max. : 最高開關頻率IoutAV :單路的平均電流QG : 門極電壓差時的 IGBT門極總電荷RG extern : IGBT 外部的門極電阻RG intern : IGBT 晶片內部的門極電阻但是實際上在很多情況下,數據手冊中這個門極電荷參數沒有給出,門極電壓在上升過程中的充電過程也沒有描述。
這時候最好是按照 IEC 60747-9-2001 - Semiconductor devices -
Discrete devices - Part 9: Insulated-gate bipolar transistors (IGBTs)
所給出的測試方法測量出開通能量E,然後再計算出QG。
E = ∫IG · ΔUGE · dt= QG · ΔUGE
這種方法雖然準確但太繁瑣,一般情況下我們可以簡單地利用IGBT數據手
冊中所給出的輸入電容Cies值近似地估算出門極電荷:
如果IGBT數據表給出的Cies的條件為VCE = 25 V, VGE = 0 V, f= 1 MHz,那么可以近似的認為Cin=4.5Cies,
門極電荷 QG ≈ ΔUGE · Cies · 4.5 = [ VG(on) - VG(off) ] · Cies · 4.5
Cies : IGBT的輸入電容(Cies 可從IGBT 手冊中找到)
如果IGBT數據表給出的Cies的條件為VCE = 10 V, VGE = 0 V, f= 1 MHz,那么可以近似的認為Cin=2.2Cies,
門極電荷 QG ≈ ΔUGE · Cies · 2.2 = [ VG(on) - VG(off) ] · Cies · 2.2
Cies : IGBT的輸入電容(Cies 可從IGBT 手冊中找到)
如果IGBT數據手冊中已經給出了正象限的門極電荷曲線,那么只用Cies 近似計算負象限的門極電荷會更接近實際值:
門極電荷 QG ≈ QG(on) + ΔUGE · Cies · 4.5 = QG(on) + [ 0 - VG(off) ] · Cies · 4.5
-- 適用於Cies 的測試條件為 VCE = 25 V, VGE = 0 V, f= 1 MHz 的IGBT
門極電荷 QG ≈ QG(on) + ΔUGE · Cies · 2.2 = QG(on) + [ 0 - VG(off) ] · Cies · 2.2
-- 適用於Cies 的測試條件為 VCE = 10 V, VGE = 0 V, f= 1 MHz 的IGBT
當為各個套用選擇IGBT驅動器時,必須考慮下列細節:
· 驅動器必須能夠提供所需的門極平均電流IoutAV 及門極驅動功率PG。驅動器的最大平均輸出電流必須大於計算值。
· 驅動器的輸出峰值電流IoutPEAK 必須大於等於計算得到的最大峰值電流。
· 驅動器的最大輸出門極電容量必須能夠提供所需的門極電荷以對IGBT 的門極充放電。在POWER-SEM 驅動器的數據表中,給出了每脈衝的最大輸出電荷,該值在選擇驅動器時必須要考慮。
另外在IGBT驅動器選擇中還應該注意的參數包括絕緣電壓Visol IO 和dv/dt 能力。
公式
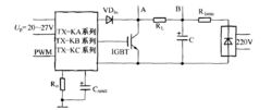
IGBT驅動電路Rlimit =10~100Ω,C=10~470μF,Creset=10nF.
柵極電阻
一、柵極電阻Rg的作用
1、消除柵極振盪
絕緣柵器件(IGBT、MOSFET)的柵射(或柵源)極之間是容性結構,柵極迴路的寄生電感又是不可避免的,如果沒有柵極電阻,那柵極迴路在驅動器驅動脈衝的激勵下要產生很強的振盪,因此必須串聯一個電阻加以迅速衰減。
2、轉移驅動器的功率損耗
電容電感都是無功元件,如果沒有柵極電阻,驅動功率就將絕大部分消耗在驅動器內部的輸出管上,使其溫度上升很多。
3、調節功率開關器件的通斷速度
柵極電阻小,開關器件通斷快,開關損耗小;反之則慢,同時開關損耗大。但驅動速度過快將使開關器件的電壓和電流變化率大大提高,從而產生較大的干擾,嚴重的將使整個裝置無法工作,因此必須統籌兼顧。
二、柵極電阻的選取
1、柵極電阻阻值的確定
各種不同的考慮下,柵極電阻的選取會有很大的差異。初試可如下選取:
| IGBT額定電流(A) | 50 | 100 | 200 | 300 | 600 | 800 | 1000 | 1500 |
| Rg阻值範圍(Ω) | 10~20 | 5.6~10 | 3.9~7.5 | 3~5.6 | 1.6~3 | 1.3~2.2 | 1~2 | 0.8~1.5 |
不同品牌的IGBT模組可能有各自的特定要求,可在其參數手冊的推薦值附近調試。
2、柵極電阻功率的確定
柵極電阻的功率由IGBT柵極驅動的功率決定,一般來說柵極電阻的總功率應至少是柵極驅動功率的2倍。
IGBT柵極驅動功率 P=FUQ,其中:
F 為工作頻率;
U 為驅動輸出電壓的峰峰值;
Q 為柵極電荷,可參考IGBT模組參數手冊。
例如,常見IGBT驅動器(如TX-KA101)輸出正電壓15V,負電壓-9V,則U=24V,
假設 F=10KHz,Q=2.8uC
可計算出 P=0.67w ,柵極電阻應選取2W電阻,或2個1W電阻並聯。
三、設定柵極電阻的其他注意事項
1、儘量減小柵極迴路的電感阻抗,具體的措施有:
a)驅動器靠近IGBT減小引線長度;
b) 驅動的柵射極引線絞合,並且不要用過粗的線;
c) 線路板上的 2 根驅動線的距離儘量靠近;
d) 柵極電阻使用無感電阻;
e) 如果是有感電阻,可以用幾個並聯以減小電感。
2、IGBT 開通和關斷選取不同的柵極電阻
通常為達到更好的驅動效果,IGBT開通和關斷可以採取不同的驅動速度,分別選取 Rgon和Rgoff(也稱 Rg+ 和 Rg- )往往是很必要的。
IGBT驅動器有些是開通和關斷分別輸出控制,只要分別接上Rgon和Rgoff就可以了。
有些驅動器只有一個輸出端,這就要在原來的Rg 上再並聯一個電阻和二極體的串聯網路,用以調節2個方向的驅動速度。
3、在IGBT的柵射極間接上Rge=10-100K 電阻,防止在未接驅動引線的情況下,偶然加主電高壓,通過米勒電容燒毀IGBT。所以用戶最好再在IGBT的柵射極或MOSFET柵源間加裝Rge。
要求
對於大功率IGBT,選擇驅動電路基於以下的參數要求:器件關斷偏置、門極電荷、耐固性和電源情況等。門極電路的正偏壓VGE負偏壓-VGE和門極電阻RG的大小,對IGBT的通態壓降、開關時間、開關損耗、承受短路能力以及dv/dt電流等參數有不同程度的影響。門極驅動條件與器件特性的關係見表1。柵極正電壓 的變化對IGBT的開通特性、負載短路能力和dVcE/dt電流有較大影響,而門極負偏壓則對關斷特性的影響比較大。在門極電路的設計中,還要注意開通特性、負載短路能力和由dVcE/dt 電流引起的誤觸發等問題(見表1)。
表1 IGBT門極驅動條件與器件特性的關係
驅動電路圖由於IGBT的開關特性和安全工作區隨著柵極驅動電路的變化而變化,因而驅動電路性能的好壞將直接影響IGBT能否正常工作。為使IGBT能可靠工作。IGBT對其驅動電路提出了以下要求。
1)向IGBT提供適當的正向柵壓。並且在IGBT導通後。柵極驅動電路提供給IGBT的驅動電壓和電流要有足夠的幅度,使IGBT的功率輸出級總處於飽和狀態。瞬時過載時,柵極驅動電路提供的驅動功率要足以保證IGBT不退出飽和區。IGBT導通後的管壓降與所加柵源電壓有關,在漏源電流一定的情況下,VGE越高,VDS儺就越低,器件的導通損耗就越小,這有利於充分發揮管子的工作能力。但是, VGE並非越高越好,一般不允許超過20 V,原因是一旦發生過流或短路,柵壓越高,則電流幅值越高,IGBT損壞的可能性就越大。通常,綜合考慮取+15 V為宜。
2)能向IGBT提供足夠的反向柵壓。在IGBT關斷期間,由於電路中其他部分的工作,會在柵極電路中產生一些高頻振盪信號,這些信號輕則會使本該截止的IGBT處於微通狀態,增加管子的功耗。重則將使調壓電路處於短路直通狀態。因此,最好給處於截止狀態的IGBT加一反向柵壓(幅值一般為5~15 V),使IGBT在柵極出現開關噪聲時仍能可靠截止。
3)具有柵極電壓限幅電路,保護柵極不被擊穿。IGBT柵極極限電壓一般為+20 V,驅動信號超出此範圍就可能破壞柵極。
4)由於IGBT多用於高壓場合。要求有足夠的輸入、輸出電隔離能力。所以驅動電路應與整個控制電路在電位上嚴格隔離,一般採用高速光耦合隔離或變壓器耦合隔離。
5)IGBT的柵極驅動電路應儘可能的簡單、實用。應具有IGBT的完整保護功能,很強的抗干擾能力,且輸出阻抗應儘可能的低。

