鋰電池保護電路
由兩個場效應管和專用保護集成塊S--8232組成,過充電控制管FET2和過放電控制管FET1串聯於電路,由保護IC監視電池電壓並進行控制,當電池電壓上升至4.2V時,過充電保護管FET2截止,停止充電。為防止誤動作,一般在外電路加有延時電容。當電池處於放電狀態下,電池電壓降至2.55V時,過放電控制管FET1截止,停止向負載供電。過電流保護是在當負載上有較大電流流過時,控制FET1使其截止,停止向負載放電,目的是為了保護電池和場效應管。過電流檢測是利用場效應管的導通電阻作為檢測電阻,監視它的電壓降,當電壓降超過設定值時就停止放電。在電路中一般還加有延時電路,以區分浪涌電流和短路電流。該電路功能完善,性能可靠,但專業性強,且專用集成塊不易購買,業餘愛好者不易仿製。
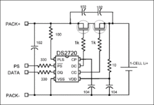
因為Li+電池過充或過放可能會導致爆炸並造成人員傷害,所以使用這類電池時,安全是主要關心的問題。因此,商用鋰離子電池組通常包括象DS2720這樣的保護電路(圖7)。DS2720提供了可充電Li+電池所需的所有保護功能,如:在充電時保護電池、防止電路過流、通過限制電池的放電電壓延長電池壽命。
電路圖
保護電路電路如左圖所示
KV保護電路圖
KV保護電路圖 