原理介紹
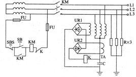
三相電流平衡時,沒有零序電流,不平衡時產生零序電流,零序保護就是用零序互感器採集零序電流,當零序電流超過一定值(綜合保護中設定),綜合保護接觸器吸合,斷開電路。
零序電流互感器內穿過三根相線矢量。正常情況下,三根線的向量和為零,零序電流互感器無零序電流。當人體觸電或者其他漏電情況下:三根線的向量和不為零,零序電流互感器有零序電流,一旦達到設定值,則保護動作跳閘。
工作原理
零序一段
①躲過下一段線路出口處單相或者兩相接地短路時候出現的最大零序電流。
②躲開斷路器三相觸頭不同期合閘時候所出現的最大零序電流。
兩者比較取最大。
零序二段
與下一段線路的一段配合,即是躲過下段線路的第一段保護範圍末端接地短路時,通過本保護裝置的最大零序電流。
零序二段的靈敏係數要大於1.5,不滿足的話要與下一段線路的二段配合,時限再抬高一個等級。
零序三段
①與下一段線路的三段配合;
②躲開下一段線路出口處相間短路時所出現的最大不平衡電流。
兩者比較取最大。零序三段的靈敏係數要大於2(近後備);靈敏係數要大於1.5(遠後備)。
關係
兩者區別
兩者的區別主要在於採用的電氣量不同,接地距離保護是利用短路電壓和電流的比值,即測量阻抗的變化來區分系統的故障與正常運行狀態。而零序保護利用的是接地故障時產生的零序電流分量。這是兩者在原理上的最主要區別。但是,兩者從保護的配合上來看,都是屬於階段式的保護,即都需要各保護區的上下級配合。再一點,從保護的性能來分析。應該說,在不發生單相接地時,零序電流分量是不會出現的,所以零序電流保護具有較低的靈敏性。但在上下級的配合時,限時零序電流速斷保護(零序II段)的靈敏性可能不滿足要求,這時可採用接地距離保護。這也就是說接地距離保護的靈敏性高於零序電流保護(可以看到,距離保護利用了短路時的兩個電氣量,自然比單一的電流保護要靈敏)。所以保護的配備上,一般距離保護作為了主保護,那么電流保護都是作為後備保護的,即線上路發生故障時,首先距離保護動作,零序保護作為後備可能動作。
兩者聯繫
接地距離保護與零序電流保護配合才能構成完整的接地保護。接地距離保護的最大優點是瞬時段的保護範圍固定,不受系統運行方式變化影響。接地距離三段保護難以反映高阻抗接地故障。零序電流保護則以保護高電阻故障為主要任務。
注意問題
(1)當電流迴路斷線時,可能造成保護誤動作。這是一般較靈敏的保護的共同弱點,需要在運行中注意防止。就斷線機率而言,它比距離保護電壓迴路斷線的機率要小得多。如果確有必要,還可以利用相鄰電流互感器零序電流閉鎖的方法防止這種誤動作。
(2)當電力系統出現不對稱運行時,也要出現零序電流,例如變壓器三相參數不同所引起的不對稱運行,單相重合閘過程中的兩相運行,三相重合閘和手動合閘時的三相斷路器不同期,母線倒閘操作時斷路器與隔離開關並聯過程或斷路器正常環並運行情況下,由於隔離開關或斷路器接觸電阻三相不一致而出現零序環流,以及空投變壓器時產生的不平衡勵磁涌流,特別是在空投變壓器所在母線有中性點接地變壓器在運行中的情況下,可能出現較長時間的不平衡勵磁涌流和直流分量等等,都可能使零序電流保護啟動。
(3)地理位置靠近的平行線路,當其中一條線路故障時,可能引起另一條線路出現感應零序電流,造成反方向側零序方向繼電器誤動作。如確有此可能時,可以改用負序方向繼電器,來防止上述方向繼電器誤判斷。
(4)由於零序方向繼電器交流迴路平時沒有零序電流和零序電壓,迴路斷線不易被發現;當繼電器零序電壓取自電壓互感器開口三角側時,也不易用較直觀的模擬方法檢查其方向的正確性,因此較容易因交流迴路有問題而使得在電網故障時造成保護拒絕動作和誤動作。

