過流保護簡介
和所有電力系統一樣,為保護電氣設備和人員安全,光伏系統也必須配備如斷路器或保險絲這樣的過電流保護裝置。它們種類繁多,規格完備。設計使用過流保護時必須確保直流器件的額定電流滿足系統工作條件,尤其是要滿足太陽能電池的最大輸出電流。不同的過流器適用於不同的系統設計和額定功率,這裡不再贅述,但一個總的設計原則是:布線時應使用高熔斷電阻絲或適合的斷路器來將電流限制在電路中任意一點的導電瓶頸以下,以避免過載或短路。蓄電池的過流保護裝置應安裝在儘可能近的地方,以避免電路打火引燃從蓄電池中泄出的氫氣。每個串聯太陽能電池電路都應配備獨立的過流保護設備。
所有的電氣設備和供電線路都必須有可靠的過流保護。過流保護包括短路保護、過負荷保護(過載保護)和斷相保護等。
要使過電流保護裝置起到應有的保護作用,應合理選擇熔絲的額定電流,選擇並調整繼電器的動作值。
過流保護裝置
半導體器件體積小、熱容量小,特別像晶閘管這類高電壓、大電流的功率器件,結溫必須受到嚴格的控制,否則將遭徹底損壞。
使用快速熔斷器是過流保護的一種方法,它有幾種不同的接法,如圖12—49所示。圖(a)為快速熔斷器與晶閘管相串聯的接法;圖(b)表示快速熔斷器接在交流側;圖(c)所示表示快速熔斷器接在直流側,這種接法只能保護負載故障情況,當晶閘管本身短路時無法起保護作用。
快速熔斷器的接法快速熔斷器有RLS、RL3、RTK等型號,選擇快速熔斷器的原則是:熔斷器的額定電壓應大於電路上正常工作電壓;熔斷器的額定電流應略大於晶閘管的額定電流;熔斷器的電流參數是有效值,而晶閘管的額定電流是平均值,對於正弦半波I =1.57I。下圖所示是RLS系列快速熔斷器參數。
RLS系列快速熔斷器參數除了快速熔斷器之外,還有其他的過電流保護方法,如過電流繼電器、過負荷繼電器、直流快速斷路器等。過電流繼電器常和門極斷開裝置安裝在一起,動作快,經1~2ms就可以使斷路器跳閘,其信號由交流側的流互感器取得。當換相故障時,有可能使斷路器動作,而快速熔斷器並不燒壞。過負荷繼電器是熱動型繼電器,安裝在交流側進線端,進行晶閘管過負荷的保護。直流快速斷路器習慣稱為快速開關,它應先於快速熔斷器和晶閘管的動作,以避免經常更換快速熔斷器而降低運行費用。
過流保護原則
過流保護可作為本線路保護拒動時的近後備保護,同時作為下一級線路保護拒動時的遠後備保護,也作為過負荷時的保護。它不僅能保護本線路全長,而且能保護相鄰線路全長。
整定原則
為保證正常情況下過流保護不啟動,過流保護啟動值必須大於該線路的最大負荷電流I;同時還必須考慮在外部故障切除後系統電壓恢復期間,負荷(電動機)的自啟動電流(該電流一般大於正常電流)作用下,過流保護能夠正確返回,其返回電流應大於負荷自啟動電流。一般考慮後一‘種情況,所以有
I=(K·K/K)I
式中 K——可靠係數,一般取1.15~1.25;
K——自啟動係數,一般大於1;
K——電流繼電器的返回係數,一般取0.85~0.95。
K越小,過流保護的啟動值就越大,其靈敏性就越差,這就是為什麼要求過電流繼電器具有較高的返回係數的原因。
過流保護動作時問則比下級線路的電流速斷保護的時間延長一個時間階梯△t,即t=t+△t。
靈敏度校驗
當過流保護作為本線路的主保護時,應採用最小方式下本線路末端兩相短路時的電流I進行校驗,要求K≥1.3~1.5,即
K= I/I
式中 I——電路中保護電器的過流保護整定值。
反時限過流保護
反時限過流保護的出口動作時間與過電流的倍數有關,短路電流越大,動作時間越快。在整定反時限過電流保護的動作時限時應指出某一動作電流倍數(通常為10倍)時的動作時限。為保證動作的選擇性,反時限過電流保護時限整定也應按照“階梯原則”來確定,即上下級線路的反時限過電流保護在保護配合點k點發生短路時的時限級差為Δt=0.7,如圖所示。
反時限過流保護過流保護電路
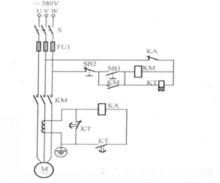
1.採用一隻電流互感器的電動機過流保護電路
圖1 採用一隻電流互感器的電動機過流保護電路採用一隻電流互感器的電動機過流保護電路如圖1所示。它採用一隻電流互感器來感應電流,在三相電動機電流超過正常工作電流時,繼電器達到吸合電流而吸合,切斷控制迴路電源,使主電路斷電,從而保護電動機過流時斷開電源。
由於電動機起動時電流很大,所以電路將時間繼電器KT的動斷觸點先短接電流互感器,在電動機起動完畢後,時間繼電器動作,其延時斷開的動斷觸點打開,延時閉合的動合觸點閉合,把繼電器接人電流互感器電路中。
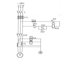
2.採用兩隻電流互感器的電動機過流保護電路
採用兩隻電流互感器的電動機過流保護電路如圖2所示。
圖2 採用兩隻電流互感器的電動機過流保護電路在電動機的控制迴路中,常採用熱繼電器對電動機進行過載保護,對於容量較大的電動機,如果沒有合適的熱繼電器,可以用電流互感器變流,將熱繼電器接在其二次側進行保護。熱繼電器的動作電流一般整定為電動機額定電流通過電流互感器變比換算後的電流值。在室溫35℃,過載為125%時,熱繼電器在20min內動作;過載為600%~1000%時,熱繼電器瞬時動作。
圖3電動機雙閘刀過流保護電路3.電動機雙閘刀過流保護電路
電動機雙閘刀過流保護電路如圖3所示。起動時先合上起動閘刀開關,其熔絲的額定電流按電動機額定電流的1.5~2.5倍選
套用舉例
已知一電源變壓器初級電壓220V,次級電壓16V,次級電流1.5A, 次級異常時的初級電流約350mA,10分鐘之內應進入保護狀態,變壓器工作環境溫度-10~40 ℃,正常工作時溫升15~20 ℃, PTC熱敏電阻器靠近變壓器安裝,請選定一PTC熱敏電阻器用於初級保護。
1.確定最大工作電壓
已知變壓器工作電壓220V,考慮電源波動的因素,最大工作電壓應達到220V×(1+20%)=264V
PTC熱敏電阻器的最大工作電壓選265V。
2.確定不動作電流
經計算和實際測量,變壓器正常工作時初級電流125mA,考慮到PTC熱敏電阻的安裝位置的環境溫最高可達60 ℃,可確定不動作電流在60 ℃時應為130~140mA。
3.確定動作電流
考慮到PTC熱敏電阻器的安裝位置的環境溫度最低可達到-10 ℃或25℃, 可確定動作電流在 -10 ℃或25℃時應為340~350mA,動作時間約5分鐘。
4.確定額定零功率電阻R25
PTC熱敏電阻器串聯在初級中,產生的電壓降應儘量小,PTC熱敏電阻器自身的發熱功率也應儘量小,一般PTC熱敏電阻器的壓降應小於總電源的1%,R25經計算:220V × 1% ÷0.125A=17.6 Ω
5.確定最大電流
經實際測量,變壓器次級短路時, 初級電流可達到500mA, 如果考慮到初級線圈發生部分短路時有更大的電流通過,PTC熱敏電阻器的最大電流確定在1A以上。
6.確定居里溫度和外形尺寸
考慮到PTC熱敏電阻器的安裝位置的環境溫最高可達60 ℃, 選擇居里溫度時在此基礎上增加40 ℃, 居里溫度為100 ℃,但考慮到低成本, 以及PTC熱敏電阻器未安裝在變壓器線包內, 其較高的表面溫度不會對變壓器產生不良作用,故居里溫度可選擇120 ℃,這樣PTC熱敏電阻器的直徑可減小一檔,成本可以下降。
7.確定PTC熱敏電阻器型號
根據以上要求,查閱我們公司的規格表,選定MZ11-10P15RH265
即:最大工作電壓265V, 額定零功率電阻值15Ω± 25%,不動作電流140 mA,動作電流350 mA,最大電流1.2A,居里溫度120 ℃,最大尺寸為11.0mm。

