簡介
變結構控制的研究始於 20 世紀 50 年代,前蘇聯學者 Emelyanov 等提出了變結構控制概念。隨後 Utkin,Itkis 等學者總結並發展了滑模變結構控制理論,奠定了滑模變結構控制的理論基礎。20 世紀 80 年代以來,隨著確定切換函式的系統性方法的出現和微分幾何理論的發展,變結構控制開始了新的發展階段。近二十年來,隨著計算機技術和大功率電子開關器件的發展,變結構控制的實現變得越來越容易,因此該方法受到了國內外控制界的廣泛重視,現已成為自動控制領域的重要設計方法,並在工程套用中得到了推廣套用。
變結構控制是指系統狀態達到切換函式值,系統從一個結構自動地切換到另一個確定的結構(結構是一組數學方程描述的模型)。從本質上講它具有開關切換特性,是一種控制系統的設計方法,適用於線性及非線性系統,包括控制系統的調節,跟蹤,自適應及不確定等系統。它具有一些優良特性,尤其是對加給系統的攝動和干擾有良好的自適應性。
分類
圖1 變結構控制器分類圖圖 1對變結構控制作了大致的分類,變結構控制可分為兩大類:
一類是不具有滑動模態的變結構控制,如Bang-Bang 控制、輸出反饋變結構控制、多輸入繼電控制等。這一類控制只能稱為變結構控制,雖然控制器可根據反饋量改變系統的結構使系統穩定於平衡位置,但系統不存在一個可滑動的面。
另一類是具有滑動模態(簡稱為滑模或滑模面)的變結構控制。這一類控制可稱為滑模變結構控制或滑模控制,它的控制分為兩個步驟:首先是系統從初始狀態趨近於併到達滑模面,接著系統在滑模面上滑動併到達平衡位置。
變結構控制器都有一個切換面,如 x1,x2或者 x1+5x2,而具有滑動模態的切換面才稱為滑模面。
變結構控制設計
變結構控制的特點就在於控制量的非線性切換。這樣的切換控制需要兩方面的 設 計 :
變結構控制一 是 選 擇 切 換 面 , 如 全 狀 態 滑 模 變 結 構 的 切 換 面 一 般 是 ,部分狀態滑模變結構的切換面只是一部分狀態反饋的線性組合,而非滑模變結構的切換面一般是某一個狀態反饋;
變結構控制
變結構控制二是切換控制律,它一般表示為 ,其中 K(x)為切換項增益,f (s(x))為切換控制器,常用的切換控制器有理想繼電器、滯環繼電器等。 是最常用的切換控制律。
全狀態滑模面設計
滑模面的設計是滑模變結構控制的核心問題。滑模面設計的好壞決定系統的性能,它同時還關係到系統的穩定性和抖振的大小。滑模面的設計方法較多,具有代表性的方法有基於降階的滑模面設計、基於線性矩陣不等式(LMI)的滑模面設計、時變滑模面設計等。
非滑模變結構切換面設計
圖2 滯環繼電器補償控制非滑模變結構切換面的設計具有更強的靈活性,同時也需要利用多種手段來分析它們。學者 Boiko、Huang、Oliveira、Plestan 提出了多種切換面設計方法,也考慮了切換面與系統的穩定關係。
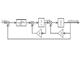
圖3 多輸入繼電器控制
變結構控制
變結構控制圖 2、圖3列出了 Boiko 提出的兩種控制方法。Boiko 採用描述函式(DF)法和 LPRS 法分析它們的穩定性。圖 2控制器將系統輸出作為切換面,Boiko 利用 DF 法分析滯環繼電器和 W(jω)的幅相頻率特性。若無法得到期望的性能,則設計補償環節 ,調節 W(jω) 的幅相頻率特性的分布。圖 3將系統輸出 y(t)及其導數y'(t)作為控制器的兩個切換面,通過改變兩繼電器增益,可使其描述函式在第二象限鏇轉,從而改善系統控制精度。
切換控制器設計
切換控制器關係到系統魯棒性和抖振特性。常用的切換控制器類型有理想繼電器、飽和函式、滯環繼電器、2-SMC等。
(1) 理想繼電器是最常用的切換控制器,系統狀態一旦穿越切換面,理想繼電器就輸出反向控制量,因此具有很好的魯棒性,但它容易受到噪聲的影響,且易引入較快的抖振頻率。
(2) 飽和函式抑制抖振的效果明顯,但它可能使滑模控制失去魯棒性。
(3)滯環繼電器使切換控制器變得相對遲鈍,增大了切換面寬度,降低了控制精度,但通過改變遲滯量可調節抖振幅度和頻率。
(4)2-SMC 具有多個控制參數,通過改變這些參數可更加靈活地調節控制器的魯棒性和抖振特性,抖振頻率既能降低也能提高。
變結構控制的抖振問題
抖振的產生
當變結構控制到達切換面後,通過控制作用在兩個結構間的切換,使系統保持在滑模面或平衡點附近。由於開關器件的時滯和被控對象慣性等因素的影響,系統狀態到達滑模面或平衡點後,不是保持在它們上面,而是在滑模面附近做來回的穿越運動或圍繞平衡點周期性運動。這種現象稱為變結構抖振。變結構抖振實質上是一種非線性自激振盪,因此,抖振本質上是由變結構的非線性造成的。
抖振的危害
變結構系統中的抖振問題是變結構控制一個致命的缺點,會給控制系統帶來十分有害的後果,比如:
(1) 影響系統動態性能,還可能破壞系統滑動模態的運行條件,從而系統出現超調過大、過渡過程增一長、甚至出現不穩定狀態;
(2) 平衡點附近的抖動,會使系統的靜態指標降低,產生靜態誤差;
(3) 給系統帶來機械磨損,增加能量的消耗;
(4) 高頻抖振可能激發系統未建模部分的強烈振盪,成為振源,從而使系統無法實現。
時域上的抖振抑制
學者們將抖振抑制基本手段與先進控制算法結合,在時域上提出了很多有效的抖振抑制方法,主要採用減小切換項增益、柔化控制信號、增大切換面寬度等手段。時域上的抖振抑制方法有干擾觀測法、模糊控制方法、低切換增益方法、扇形區域法、能量約束法和二階變結構控制等。
頻域分析方法
變結構控制引起的抖振是其工程套用的最大障礙,當抖振頻率接近於諧振頻率則易引發系統共振;當抖振頻率過快則可能損壞開關器件。因此,抖振頻率是問題的關鍵。若在設計變結構控制系統時就能預計抖振的頻率,並能調節該頻率,就能使抖振頻率避開某些危險頻段,從而避免共振和器件損壞。通用的頻域分析方法有諧波平衡法、DF 法、時變傳遞函式分析法和 Volterra級數法。
DF 法基於非線性環節的頻域回響基波分量近似分析,是分析非線性系統的重要手段,其有效性和準確度主要取決於非線性環節輸出周期函式中的高次諧波分量通過線性部分後被衰減的程度。而控制系統通常具有較好的低通高阻特性,因此,DF 法分析變結構控制應能得到較高的精度。

