工作原理
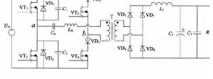
直流開關電源原理圖1、交流電源輸入經整流濾波成直流。
2、通過高頻PWM(脈衝寬度調製)信號控制開關管,將那個直流加到開關變壓器初級上。
3、開關變壓器次級感應出高頻電壓,經整流濾波供給負載。
4、輸出部分通過一定的電路反饋給控制電路,控制PWM占空比,以達到穩定輸出的目的。
交流電源輸入時一般要經過厄流圈一類的東西,過濾掉電網上的干擾,同時也過濾掉電源對電網的干擾。
在功率相同時,開關頻率越高,開關變壓器的體積就越小,但對開關管的要求就越高。
開關變壓器的次級可以有多個繞組或一個繞組有多個抽頭,以得到需要的輸出。
一般還應該增加一些保護電路,比如空載、短路等保護,否則可能會燒毀開關電源。
電源組成
直以及主電路從交流電網輸入、直流輸出的全過程:
1、輸入濾波器:其作用是將電網存在的雜波過濾,同時也阻礙本機產生的雜波反饋到公共電網。
2、整流與濾波:將電網交流電源直接整流為較平滑的直流電,以供下一級變換。
3、逆變:將整流後的直流電變為高頻交流電,這是高頻開關電源的核心部分,頻率越高,體積、重量與輸出功率之比越小。
4、輸出整流與濾波:根據負載需要,提供穩定可靠的直流電源。
電源分類
高頻開關直流電源
直流開關電源面板說明及面板示意圖套用特點
1、降低孔隙率,晶核的形成速度大於成長速度,促使晶核細化。2、改善結合力,使鈍化膜擊穿,有利於基體與鍍層之間牢固的結合。3、改善覆蓋能力和分散能力,高的陰極負電位使普通電鍍中鈍化的部位也能沉積,減緩形態複雜零件的突出部位由於沉積離子過度消耗而帶來的“燒焦”“樹枝狀”沉積的缺陷,對於獲得一個給定特性鍍層(如顏色、無孔隙等)的厚度可減少到原來1/3~1/2,節省原材料。
4、降低鍍層的內應力,改善晶格缺陷、雜質、空洞、瘤子等,容易得到無裂紋的鍍層,減少添加劑。
5、有利於獲得成份穩定的合金鍍層。
6、改善陽極的溶解,不需陽極活化劑。
7、改進鍍層的機械物理性能,如提高密度降低表面電阻和體電阻,提高韌性、耐磨性、抗蝕性而且可以控制鍍層硬度。

