介紹
熔斷器構件主權項
1.一種熔斷器,包括:基板;設定在該基板上的一對引線端子;用於焊接的中間層,其形成在至少一個所述引線端子的除該對引線端子的彼此相對的面的部分之外的一表面上;以及熔斷元件,其由可熔斷構件構成,並通過該中間層焊接在該對引線端子上從而跨接該對引線端子。

熔斷器構件一種熔斷器具有在基板上設定的一對引線端子,在至少一個引線端子的表面上形成的用於焊接的中間層,以及一熔斷元件。 該熔斷元件通過該中間層焊接到該對引線端子上,從而跨接該對引線端子。 此外,該中間層形成在至少一個所述引線端子的除其彼此相對的面之外的表面上。
熔斷器構件③用於切換電路的電器,如轉換開關、主令電器等。 ⑤用於保護電路的電器,如熔斷器、斷路器、避雷器等。 (3)保護電器用於保護電路及用電設備的電器,如熔斷器...
分類2.3.10 FV 避雷器 2.3.11 FU 熔斷器 2.3.12 KM 交流...配套設備:(1)隔離開關、斷路器或跌落式熔斷器等設備。(2)串聯電抗器。(3)操作過電壓保護用避雷器。(4)單台電容器保護用熔斷器。(5)放電器和...
總則 2.1 術語 2.2 符號 2.3 代號 4.1 接線方式是何原因?如何處理?04357.採用熔斷器保護的小容量配電變壓器運行...
內容簡介 目錄信息圖書目錄1 總則2 高壓設備工作的基本要求3 保證安全的組織措施4 保證安全的技術措施…… ...
作業棚、建造生活設施,或堆放構件、架具、材料及其它雜物等。第3.1.2條...或熔斷器。。第4.1.9條 接地裝置的設定應考慮土壤乾燥或凍結等季節變化...
內容簡介 相關規範線路,以及採用有延燒性護套的絕緣導線敷設在可燃或難燒建築構件上時,都應採取...電流不應大於線路長期允許負載電流。如採用熔斷器作過載保護時,熔斷器熔體...過載導致安全隱患 。過載保護的實現在通信電源領域通常用空氣開關和熔斷器...
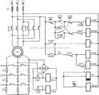
簡介 發生過載的主要原因 過載保護的必要性 過載保護的實現 雙速電機與過載保護,適當進行綠化布置。 (四)材料堆放 1、建築材料、構件、料具必須按...
內容簡介 《配電線路作業技術與安全1000問》以中、低壓配電網為主,並適當向高壓配電網延伸,比較系統、全面地介紹了配電線路...
內容簡介 目錄 前言