概述
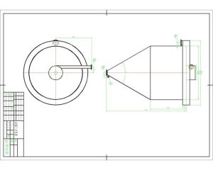
濃縮斗示意圖濃縮斗在選礦中主要用途是:(1)磨礦前原礦漿的濃縮脫水.(2)搖床作業前的礦漿分級箱溢流的濃縮和脫泥。重選、浮選、磁選產品或煤泥脫水.(3)離心機、皮帶溜槽等選別作業給礦前的濃縮脫水。濃縮斗的沉砂濃度可達60~65%.
目前生產中使用的濃縮斗規格有多種。但常用的是ф2000和ф3000毫米兩種。其最大給料粒度為2~0毫米。用於脫泥時其分離粒度一般為0.074毫米或0.037毫米。
濃縮斗結構簡單,不耗動力,在一定程度上能起到貯礦、濃縮和脫泥的作用。但其沉澱面積小,脫泥效率較低,配置高差損失較大。一般只適於選礦產品的初步脫水,其溢流送往下步作業有時需再次脫水。
濃縮斗用作脫水設備時,其面積可按給礦中固體量計算。處理1.5~0毫米粒級時,生產能力為48~52噸/(米2·日);處理0.074~0毫米粒級時,生產能力為4.5~6噸/(米2·日).
濃縮斗用於脫泥時,上升液流速度υa應小於臨界顆粒的沉降末速V0即:
式中W0———溢流量,m3/s;
A———所需要的濃縮斗面積,m2;
K———面積係數,一般為0.65~0.75,直徑小的取低值;
υ0———溢流中允許帶走的最大顆粒的自由沉降末速,m/s,由試驗實測,或用斯托克斯公
式近似計算。
濃縮斗所需面積與直徑的關係:
式中D———濃縮斗直徑,m.
