概述
渦流探傷儀是一種基於渦流檢測原理來探測鋼鐵棒材、板材是否存在裂紋、氣孔等缺陷的設備,它具有抑制干擾信號、拾取有用信息的功能,該儀器由振盪器、探頭線圈、信號檢波裝置、測量比較電路、信號處理報警顯示及電源等幾部分組成,主要用於金屬材料的無損探傷。
渦流探傷儀是無損探傷儀中,最受器械行業歡迎的一款儀器,具有的高實用性,高性比價的優點,得到了廣大工程套用者的喜愛。
圖1.多通道渦流探傷儀工作原理
渦流檢測是許多NDT(無損檢測)方法之一,它套用“電磁學”基本理論作為導體檢測的基礎。渦流的產生源於一種叫做電磁感應的現象。當將交流電施加到導體,例如銅導線上時,磁場將在導體內和環繞導體的空間內產生磁場。渦流就是感應產生的電流,它在一個環路中流動。之所以叫做“渦流”,是因為它與液體或氣體環繞障礙物在環路中流動的形式是一樣的。如果將一個導體放入該變化的磁場中,渦流將在那個導體中產生,而渦流也會產生自己的磁場,該磁場隨著交流電流上升而擴張,隨著交流電流減小而消隱。因此當導體表面或近表面出現缺陷或測量金屬材料的一些性質發生變化時,將影響到渦流的強度和分布,從而我們就可以通過一起來檢測渦流的變化情況,進而可以間接的知道導體內部缺陷的存在及金屬性能是否發生了變化。
影響渦流場的因素有很多,諸如探頭線圈與被測材料的耦合程度,材料的形狀和尺寸、電導率、導磁率、以及缺陷等等。因此,利用渦流原理可以解決金屬材料探傷、測厚、分選等問題,如:裂縫、缺陷檢查;材料厚度測量;塗層厚度測量;材料的傳導性測量等。
渦流檢測的優越性主要包括:
(1)對小裂紋和其它缺陷的敏感性;(2)檢測表面和近表面缺陷速度快,靈敏度高;(3)檢驗結果是即時性的;(4)設備接口性好;(5)僅需要作很少的準備工作;(6)測試探頭不需要接觸被測物;(7)可檢查形狀尺寸複雜的導體。
硬體組成
正弦波振盪器
渦流探傷儀
渦流探傷儀
渦流探傷儀
渦流探傷儀正弦波振盪器以正反饋放大器構成的自激振盪器為基礎(如圖2所示),它主要由放大器和正反饋網路組成,且要滿足產生自激振盪的幅度和相位平衡條件:幅度平衡條件指反饋信號的幅度應等於原輸入信號的幅度,即 , ;相位平衡條件指正反饋信號與輸入信號的相位相同,即它們之間的相位差應滿足: ,其中。為產生某一確定頻率的正弦波,還需具有選頻網路,選頻網路可使信號中不滿足自激振盪條件的頻率受到抑制。
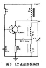
圖2.弦波振盪器框圖變壓器反饋式LC正弦波振盪器(如圖3所示)的放大電路以三極體BGl(3DG201)為核心組成,變壓器的三個線圈N1、N2、N3分別繞在同一鐵心上,N1為原邊繞組,N2、N3為副邊繞組。N1作為三極體的集電極負載,N2、N3作為三極體的發射極負載,用來實現正反饋,即將輸出信號在N2、N3中感生的交流電壓自放大器的發射極通過隔直電容C1回送輸入端:同時N2、N3與可變電容C3組成LC並聯諧振迴路作為選頻網路。
渦流探傷儀
渦流探傷儀
渦流探傷儀
渦流探傷儀
渦流探傷儀
渦流探傷儀
渦流探傷儀
渦流探傷儀
渦流探傷儀
渦流探傷儀
渦流探傷儀該振盪器的自激振盪起始於電壓、電流的瞬時波動或衝擊,例如在接通電源的瞬間,電路中各部分都將產生一個非正弦波衝擊信號,它們包含豐富的頻率,其中必有LC諧振迴路所決定的頻率 。由於 滿足白激振盪條件,諧振迴路對 呈現的電阻值最大,放大器的電壓放大倍數A也就最大,且 · 值最大,這有利於起振;而對於以外的其它頻率不滿足自激條件,Lc並聯諧振迴路的等效阻抗都比較小,或者呈電感性( )、或者呈電容性( ),也就比較小,不利於起振,而使它們逐漸衰減消失。經過“放大-正反饋-放大”的循環過程, 諧波的幅度迅速增加,振盪逐漸建立起來,經變壓器耦合,在輸出端得到頻率為 的正弦波。
圖3.LC正弦波振盪器探頭線圈
探頭線圈是由激勵線圈和測量線圈組成的變壓器耦合式互感電路,兩個線圈以一個磁芯為核心採用緊密耦合方式繞制,其中激勵線圈和測量線圈的匝數比為3:1,而被測試件金屬塊相當於很多個匝數為1的線圈重疊而成。正弦波振盪器提供激勵信號,其輸出端直接與激勵線圈相連,激勵線圈用作高頻正弦信號激勵源,通以高頻正弦信號就會產生交變磁場(一次磁場)。測量線圈用來檢測通過其中的磁通量變化,以此來確定試件表面缺陷引起的磁場變化。一次磁場通過測量線圈時會在其中產生交變的感生電動勢,而且還會在金屬塊中感生出交變的渦流,該渦流同樣也會在周圍空間形成交變磁場(二次磁場)並在測量線圈中產生感應電動勢。因此通過測量線圈的磁場是由激勵磁場和渦流磁場迭加得到的合成磁場。當探頭在被測試件表面上(或一定距離處)划過時,由於被測試件和探頭都具有高磁導率,磁通主要集中在探頭和被測試件接觸點的主磁路內;忽略漏磁通時,可認為主磁路內處處都有相同的磁通。假定激勵信號振幅不變,探頭線圈和金屬塊之間的距離也保持恆定,則渦流及渦流磁場的強度與分布就由金屬塊的材質決定,即合成磁場受金屬塊的電導率、磁導率、裂紋等因素的影響。
探頭和被測試件的磁導率都遠大於空氣的磁導率,故被測試件表面沒有缺陷(氣隙)時,則可認為磁路中的磁感應強度均勻分布、處處不變(因磁路各處材質均勻、磁場強度不變);當被檢測材料表面有缺陷或裂紋存在時,探頭接觸到的氣隙發生變化,磁路的磁導率不再處處均勻,此時磁路內的磁導率變小,而磁場強度不變,則磁感應強度變小、通過此磁路及測量線圈的磁通量變小,進而影響測量線圈的電特性。根據互感原理,在其它參數並未發生變化的情況下,會使測量線圈的感應電動勢幅值變小;同理,探頭在運動過程中由氣隙再返回原來狀況的過程中,通過磁路的磁通量又會恢復變大,測量線圈的感應電動勢幅值也就會相應變大。因此,只要檢驗出代表磁通量發生變化的電特性參數(電動勢),就能間接取得金屬塊的裂紋及分布等相關信息,這正是利用渦流方法對金屬進行探傷檢測的基本原理。
檢波電路
為了發現測量線圈的感生電動勢變化,借鑑了收音機的檢波原理,從而利用檢波電路把測量線圈中的高頻信號包絡線檢測出來。一般用於檢波的理想器件是點接觸型半導體二極體。根據輸入信號的大小,檢波二極體工作在其特性曲線的線性區(直線部分)或非線性區(彎曲部分),前者用於大信號檢波,後者用於小信號檢波。由於來自測量線圈的輸入信號幅度較大,要求二極體工作線上性區大信號檢波,這與整流過程一樣,都是利用二極體的單嚮導電性,其工作原理如圖4所示,上圖中輸入信號F為測量線圈的感生電動勢,電阻R1為負載,C1為一小容值電容。檢波過程如下圖所示:在輸入信號的前1/4周期內,電動勢F對電容C1充電,由於C1容值很小,充電時間常數很小,C1的充電電壓很快跟隨別直變化,從而使R1兩端的電壓逐漸升高,直到達到峰值電壓;在第二個1/4周期內,電動勢F的電壓開始減小,而電容C1為儲能元件,C1轉而開始放電而對電阻R1充電,使得電阻R1兩端的電壓並不跟隨F而變小,而是發生圖中粗線軌跡所示的慢減小,直到這條軌跡再次與電動勢F的電壓軌跡相遇、F的電壓高於C1兩端的電壓時,F再次對C1充電,從而使電阻R1兩端的電壓再次升高;如此周而復始,則從電阻R1兩端檢出了如下圖所示的電壓波形。可見,輸入信號的頻率越高,電容C1的放電時間就越短,則電阻R1兩端的輸出電壓就越逼近於電動勢F的電壓峰值。因此把電阻R1兩端的電壓提取出來,就得到了電動勢F的電壓幅值包絡線的近似圖形,於是就檢出了所需要的測試信號。
圖4.極管檢波電路原理測量比較電路
渦流探傷儀
渦流探傷儀測量比較電路用來判斷從二極體檢波電路取得的包絡線是否帶有表明被測試件表面有、無缺陷的電信號,它主要由三極體BG2、穩壓管DZ、精密變阻器Rvar和運放LM324組成。三極體BG2起低放作用,電阻R1、R2分別為其基極、集電極的偏置電阻。電容C1為10 的大電容,C2為0.01 的小電容。由於大電容的時間常數很大,對於高頻信號近似於斷路,對於低頻信號相當於短路;而小電容時間常數小,對於低頻信號相當於斷路,對於高頻信號相當於短路。而該電路的輸入信號包絡線波形為低頻信號,因此該信號能通過電容C1送到三極體BG2的基極,而輸入信號中有高頻成分(噪聲)則會通過小電容C2接地,使C2起到禁止信號高頻分量的作用。當探頭線圈檢測到被測試件表面有氣隙時,測量線圈輸出的交流信號幅值會減小;該信號經檢波後得到一個向下彎曲的電壓曲線,其彎曲部分就代表了探測到試件缺陷對渦流的影響;此時三極體BG2基極輸入電壓減小、集電極輸出電壓增大。輸入的包絡線信號經BG2放大後輸出的波形形狀更為明顯,由集電極輸出並送入比較器電路。
報警電路
報警電路用來對測量比較電路的輸出信號進行處理,使其由單一的電信號轉化為易於讓人察覺的聲、光等信號,從而實現報告檢測結果的目的。一般而言,測量比較電路的輸出電平可直接驅動發光二極體亮、滅,但由於探頭線圈相對被測試件表面的划動速度很快,因此偶爾有缺陷時二極體的亮、滅改變只是瞬間動作,有時很難直接用肉眼觀測到其變化,故要考慮此輸出信號以顯著形式表現出來。測量比較電路輸出的低電平是有用信號,其寬度不定,但該電平總有一個“高一低一高”的跳變過程。根據這一特性,採用由集成555定時器組成的單穩態觸發器構成報警電路,該電路的輸入、輸出不依賴於輸入電平的具體狀態,而僅與“高-低”或“低-高”的跳變觸發及其本身的電路特性有關,因此可以很好解決顯示報警信號的問題。
套用領域
(1)軸承外圈、軸承內圈、齒輪坯、環型金屬零件、汽車零部件;
(2)銅管、鋼管、不鏽鋼管、焊接管、鋁塑管、鋼絲、雙層管、銅包鋁、銅包鋼、鋁絲金屬棒材等生產線線上及離線上的無損探傷;
(3)石油套管、抽油桿、空心軸等無損探傷;
(4)冷凝器管、空調器管、汽車油管等檢測;
(5)適合於各種金屬管棒線材的無損探傷。

