簡介
液壓泵把機械能轉換成液體的壓力能,液壓控制閥和液壓輔件控制液壓介質的壓力、流量和流動方向,將液壓泵輸出的壓力能傳給執行元件,執行元件將液體壓力能轉換為機械能,以完成要求的動作。
組成元件
1)動力元件,即液壓泵,其職能是將原動機的機械能轉換為液體的壓力動能(表現為壓力、流量),其作用是為液壓系統提供壓力油,是系統的動力源。
2)執行元件,指液壓缸或液壓馬達,其職能是將液壓能轉換為機械能而對外做功,液壓缸可驅動工作機構實現往復直線運動(或擺動),液壓馬達可完成迴轉運動。
3)控制元件,指各種閥利用這些元件可以控制和調節液壓系統中液體的壓力、流量和方向等,以保證執行元件能按照人們預期的要求進行工作。
4)輔助元件,包括油箱、濾油器、管路及接頭、冷卻器、壓力表等。它們的作用是提供必要的條件使系統正常工作並便於監測控制。
5)工作介質,即傳動液體,通常稱液壓油。液壓系統就是通過工作介質實現運動和動力傳遞的,另外液壓油還可以對液壓元件中相互運動的零件起潤滑作用。
工作原理
原理圖圖為簡單磨床的液壓傳動系統的組成和工作原理。電動機帶動液壓泵從油箱吸油,液壓泵把電動機的機械能轉換為液體的壓力能。液壓介質通過管道經節流閥和換向和閥進入液壓缸左腔,推動活塞帶動工作檯右移,液壓缸右腔排出的液壓介質經換向閥流回油箱。換向閥換向之後液壓介質進入液壓缸右腔,使活塞左移,推動工作檯反向移動。改變節流閥的開口可調節液壓缸的運動速度。液壓系統的壓力可通過溢流閥調節。在繪製液壓系統圖時,為了簡化起見都採用規定的符號代表液壓元件,這種符號稱為職能符號。
基本迴路
綜述
由有關液壓元件組成,用來完成特定功能的典型油路。任何一個液壓傳動系統都是由幾個基本迴路組成的,每一基本迴路都具有一定的控制功能。幾個基本迴路組合在一起,可按一定要求對執行元件的運動方向、工作壓力和運動速度進行控制。根據控制功能不同,基本迴路分為壓力控制迴路、速度控制迴路和方向控制迴路。
壓力控制迴路
用壓力控制閥(見液壓控制閥)來控制整個系統或局部範圍壓力的迴路。根據功能不同,壓力控制迴路又可分為調壓、變壓、卸壓和穩壓 4種迴路。
①調壓迴路:這種迴路用溢流閥來調定液壓源的最高恆定壓力,圖中的溢流閥就起這一作用。當壓力大於溢流閥的設定壓力時,溢流閥開口就加大,以降低液壓泵的輸出壓力,維持系統壓力基本恆定。
②變壓迴路:用以改變系統局部範圍的壓力,如在迴路上接一個減壓閥則可使減壓閥以後的壓力降低;接一個升壓器,則可使升壓器以後的壓力高於液壓源壓力。
③卸壓迴路:在系統不要壓力或只要低壓時,通過卸壓迴路使系統壓力降為零壓或低壓。
④穩壓迴路:用以減小或吸收系統中局部範圍內產生的壓力波動,保持系統壓力穩定,例如在迴路中採用蓄能器。
速度控制迴路
通過控制介質的流量來控制執行元件運動速度的迴路。按功能不同分為調速迴路和同步迴路。
①調速迴路:用來控制單個執行元件的運動速度,可以用節流閥或調速閥來控制流量,如圖中的節流閥就起這一作用。節流閥控制液壓泵進入液壓缸的流量(多餘流量通過溢流閥流回油箱),從而控制液壓缸的運動速度,這種形式稱為節流調速。也可用改變液壓泵輸出流量來調速,稱為容積調速。
②同步迴路:控制兩個或兩個以上執行元件同步運行的迴路,例如採用把兩個執行元件剛性連線的方法,以保證同步;用節流閥或調速閥分別調節兩個執行元件的流量使之相等,以保證同步;把液壓缸的管路串聯,以保證進入兩液壓缸的流量相同,從而使兩液壓缸同步。
方向控制迴路
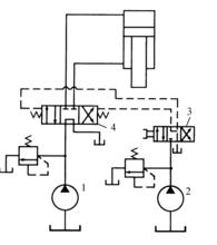
圖一在液壓系統中, 起控制執行元件的起動、停止及換向作用的迴路, 稱方向控制迴路。方向控制迴路有換向迴路和鎖緊迴路。關於機動—液動換向迴路的控制方式和換向精度等問題, 在磨床液壓系統中敘述。
圖1所示為手動轉閥(先導閥) 控制液動換向閥的換向迴路。迴路中用輔助泵2提供低壓控制油, 通過手動先導閥3(三位四通轉閥) 來控制液動換向閥4的閥芯移動, 實現主油路的換向, 當轉閥3在右位時, 控制油進入液動閥4的左端, 右端的油液經轉閥回油箱, 使液動換向閥4左位接入工件, 活塞下移。當轉閥3切換至左位時, 即控制油使液動換向閥4換向, 活塞向上退回。當轉閥3中位時, 液動換向閥4兩端的控制油通油箱, 在彈簧力的作用下, 其閥芯回復到中位、主泵1卸荷。這種換向迴路, 常用於大型壓機上。
在液動換向閥的換向迴路或電液動換向閥的換向迴路中, 控制油液除了用輔助泵供給外, 在一般的系統中也可以把控制油路直接接入主油路。但是, 當主閥採用M 型或H 型中位機能時, 必須在迴路中設定背壓閥, 保證控制油液有一定的壓力, 以控制換向閥閥芯的移動。 在工具機夾具、油壓機和起重機等不需要自動換向的場合, 常常採用手動換向閥來進行換向。
為了使工作部件能在任意位置上停留, 以及在停止工作時, 防止在受力的情況下發生移動, 可以採用鎖緊迴路。
圖2採用O 型或M 型機能的三位換向閥, 當閥芯處於中位時, 液壓缸的進、出口都被封閉, 可以將活塞鎖緊, 這種鎖緊迴路由於受到滑閥泄漏的影響, 鎖緊效果較差。
圖2是採用液控單向閥的鎖緊迴路。在液壓缸的進、回油路中都串接液控單向閥(又稱液壓鎖), 活塞可以在行程的任何位置鎖緊。其鎖緊精度只受液壓缸內少量的內泄漏影響,因此,鎖緊精度較高。採用液控單向閥的鎖緊迴路, 換向閥的中位機能應使液控單向閥的控制油液卸壓(換向閥採用H 型或Y 型), 此時, 液控單向閥便立即關閉, 活塞停止運動。假如採用O 型機能, 在換向閥中位時, 由於液控單向閥的控制腔壓力油被閉死而不能使其立即關閉 。
輔助裝置
油箱,蓄能器,濾油器,熱交換器,管件等,對系統的動態性能,穩定性能,工作壽命,噪聲等都有直接影響。

