氫氣的主要理化性能
氫氣的相對原子質量最輕,為1.008,按質量計在地殼中只占1%左右。氫氣是一種無色、無嗅、無味、無毒的可燃性氣體,在標準狀態下其密度僅相當於同體積空氣1/14.5(或6.96%),所以用氫氣作發電機的冷卻介質時,其通風損耗可減少到空氣冷卻時通風損耗的6.96%,從而可使溫升減少,發電效率提高。
在氣體中,氫氣的導熱能力最好,其導熱係數是空氣的6.69倍;氫氣具有很大的擴散速度,在距離漏點0.25m處氫氣基本上已完全擴散。因此用氫氣代替空氣作發電機的冷卻介質時,一方面可提高絕緣材料本身的導熱能力,另一方面也能提高絕緣層間隙中的導熱能力,從而提高發電機的冷卻效果。
另外,氫氣的表面散熱係數大,是空氣的1.5倍。表面散熱係數越大,在相同溫差下所散發的熱量越多,這有利於降低表面溫度差,提高冷卻效果。
氫氣常溫下化學性質不太活潑,主要是在標準狀態下,氫分子的離解能很高,為436kJ/mol。在高溫、光照及催化劑存在的條件下,氫氣是一種非常好的還原劑,它能將許多高價氧化物還原為低價氧化物甚至金屬。
用氫氣作發電機的冷卻介質時,也有一定的缺點,就是氫氣與空氣或氧氣容易形成爆炸性氣體,所以使用時要特別注意安全。
系統構成
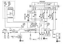
氫冷卻方式的汽輪發電機要求建立專用的供氣系統。該系統應具備以下功能:給發電機充以氫氣和空氣;進行這兩種氣體的置換,補漏氣;自動監視和保持氫的額定壓力和純度。具體地說,氫冷發電機的氫氣系統主要由氣體分配系統,氣體淨化系統,測量、控制和信號系統及安全消防系統組成,如圖1所示。
圖1氣體分配系統
(1)氫氣分配系統。氫氣分配系統主要由制氫系統、儲氫系統、閥門和管路組成。氫冷發電機的氫氣來自廠內制氫站。為了使制氫站在故障或正常檢修時仍能正常供氫,必須備有足夠儲氫罐。全部儲氫罐的有效容積應能滿足10天運行的補氫量和置換最大機組一次用氫量的需要。儲氫罐向現場供氫時一般都採用兩根母管同時供氫又互相備用的雙管供氫方式。這樣既可以減少操作量,又可防止備用管腐蝕。
(2)空氣分配系統。氫冷發電機正常時不允許空氣作為冷卻介質,但在氣體置換或風壓試驗時可用空氣為冷卻介質。因此,系統中應安裝壓縮空氣系統,以保證有可靠的壓縮空氣來源。使用前,壓縮空氣應先經空氣乾燥器乾燥後方可進入系統。發電機充空氣後應將系統與氫管路隔絕開,防止氫氣漏人機內與空氣形成爆炸性氣體而發生事故。
氣體淨化系統
氣體淨化系統中的主要設備有氫氣乾燥器和空氣乾燥器。
(1)氫氣乾燥器。在運行過程中,氫氣吸收進入機內的濕氣會發生強烈的潮濕現象。氫氣受潮對設備的危害較大,因此氫氣系統加了氫乾燥器。氫乾燥器利用發電機風扇前後的壓差作為動力進行循環,除去氫氣中的水分。目前,常用的氫乾燥器有半導體式和吸附式兩種。
(2)空氣乾燥器。為了避免將水分帶入機內,壓縮空氣進入機內前須進行乾燥處理。目前主要採用添加吸附劑的循環乾燥器進行除濕。
氫氣的置換及使用注意事項
在發電機氣體置換時,首要考慮的問題是氫氣的爆炸問題。為避免氫氣與氧氣直接接觸,一般採取通過中間介質的間接置換或真空置換方式進行。間接置換方式在電力系統套用廣泛,它用性能穩定的CO氣體或N作為中間介質,以達到把機內的氫氣換為空氣、或者把空氣換為氫氣的目的。下面介紹以氮氣作為中間介質置換時的監督。
(1)發電機充氫時的監督。用氮氣排出空氣時在氮氣母管的取樣門取樣,分析氮氣和含氧量,當氮氣純度達95%以上,含氧量小於2%時開始充氫,氫氣純度達96%以上時,充氫合格。
(2)發電機排氫時的監督。用氮氣置換氫氣時在氫母管的取樣門取樣,分析氮氣純度,當其達97%以上、氮氣中含氫量小於3%時,排氫結束。由於發電機不允許氮氣長時間運行,因此需用壓縮空氣排出發電機內的氮氣,當機內空氣含量大於90%時,充空氣結束。
發電機的氣體置換是一項非常重要的操作,它關係到設備和人身的安全。在監督中應安排2名有經驗的化驗員進行分析,並且需要進行平行試驗以保證分析的準確性。
發電機漏氫問題
氫氣是最輕的氣體,它有很強的滲透性和擴散性,因此在充滿氫氣的容器中很容易造成泄漏。
1、發電機的漏氫途徑
(1)機殼內的氫氣通過機上的漏泄點漏到機殼外的空氣中,稱為外漏。由於其擴散速度快,一般危險性較小。
(2)由於密封系統的平衡閥性能不好,使氫側油竄人空側而被空側回油帶入主油箱,在主油箱內形成爆炸氣體,這屬於內漏。運行中應定期分析主油箱排煙機的含氫量,發現氣體含量增大時應及時查找原因並消除。
(3)在水一氫一氫式發電機中,定子繞組的內冷水壓低於機內氫壓。當冷卻系統嚴密性遭到破壞時,氫氣就會進人定子繞組,這也是內漏。此時通過分析發電機內冷水箱的含氫量可發現此類漏氫情況。
2、發電機找漏
目前電廠中普遍採用的氫氣找漏的方法主要有肥皂水找漏和儀器找漏兩種。
(1)肥皂水找漏。它是一種簡單易行、效果良好的方法,主要用於停機後的找漏。在可能泄漏處塗上肥皂水,若漏氣將產生肥皂泡。
(2)微量氫測定儀找漏。運行中常採用微量氫測定儀進行找漏。根據表計指示的氫氣濃度,能大致地判斷出漏氫的嚴重程度。
微量氫檢測儀主要是由氣敏電阻組成,它是一種由氧化亞錫構成的多微孔狀物質,當遇到還原性氣體(如氫氣)時,半導體的電導率增加,阻值下降。發出的信號放大後指示出來。微量氫檢測儀是電力系統常用的檢測儀器,它的測定結果的準確性將直接影響設備和人身的安全。因此,在使用時應嚴格按說明書操作並按要求定期進行靈敏度和準確性檢定。

