氫冷發電機密封油系統

氫冷發電機密封油系統

氫冷發電機密封油系統傳統的密封油系統由於轉動設備多,存在檢修維護費用高,運行不可靠等弊端,在分析造成這些弊端的基礎上介紹了一種新的密封油供油方式,這種新的供油方式改進系統變動小、投資少、收益明顯。 大型氫冷發電機組為了防止氫氣向外泄漏或空氣、潮氣漏入發電機,應對發電機氫冷系統進行密封,特別是發電機兩端大軸穿出機殼處必須採用可靠的軸密封裝置。 新的供油方式充分利用原有密封油系統,不需增加設備,只對系統稍加改動,在原有的Ⅲ射油器的基礎上進行改進即可。

氫冷發電機密封油系統氫冷發電機密封油系統
傳統的密封油系統由於轉動設備多,存在檢修維護費用高,運行不可靠等弊端,在分析造成這些弊端的基礎上介紹了一種新的密封油供油方式,這種新的供油方式改進系統變動小、投資少、收益明顯。

介紹

氫冷發電機密封油系統氫冷發電機密封油系統
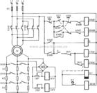
發電機運行時導線和鐵心存在發熱損耗、勵磁損耗和軸承的摩擦損耗,這些損耗轉化為熱量,使發電機靜子和轉子等部件發熱。為了排走這些熱量維持發電機的正常運行,必須設定發電機的冷卻設備。目前多數大型機組採用水、氫、氫冷卻系統。大型氫冷發電機組為了防止氫氣向外泄漏或空氣、潮氣漏入發電機,應對發電機氫冷系統進行密封,特別是發電機兩端大軸穿出機殼處必須採用可靠的軸密封裝置。目前國產200MW氫冷發電機大多採用油密封裝置,其密封瓦大多採用結構簡單、密封性能好、安全可靠的雙流環式結構,即在密封瓦上通有2路密封油,一路是氫氣側,一路是空氣側,2側油流在瓦中央狹窄處,形成2個環形油密封,並各自成為1個相對獨立的油循環系統。

針對上述問題,經多方反覆論證試驗,提出了一種新的供油方式,利用1個液力噴射泵同時供給空、氫側2路油源,正常運行時,無需開啟空、氫側密封油泵,這樣不僅減少了檢修維護工作量,提高了運行的可靠性,也可以避免因密封油泵損壞造成的停機事故。

結論

新的供油方式充分利用原有密封油系統,不需增加設備,只對系統稍加改動,在原有的Ⅲ射油器的基礎上進行改進即可。改進後的Ⅲ射油器可同時滿足氫側、空側供油的需要,在能量轉換過程中,不需要任何轉動機器,工作相當可靠。射油器噴嘴喉部直徑的最終尺寸在試驗時確定。當工作油壓力為1.96MPa時,射油器出口油量大約為255L/min,出口油壓不得低於0.686~0.735MPa。

相關詞條

相關搜尋

熱門詞條

聯絡我們