簡介
杭州電化集團杭州電化集團有限公司建於1936年,公司位於錢塘江南岸的杭州高新技術產業開發區,是全國大企業集團競爭力500強之一,浙江省省級高新技術企業,高新產品產值率超過50%。
公司是國內最早從事氯醚樹脂生產的企業之一。產品主要有用於防腐塗料生產的氯醚樹脂MP25及用於油墨生產的MP45.2008年5月,由國家環保總局牽頭,中國塗料工業協會、青島海洋化工研究院、氯化橡膠生產企業以及國內綠化聚烯烴生產企業參加的《氯化橡膠和相關的替代品在塗料行業的套用評估》會議在青島召開。會議確認了四氯化碳溶劑法氯化橡膠在2009年全面停止生產。並通過了相關替代品的技術評估。氯醚樹脂、水相法氯化橡膠、高氯化聚乙烯等產品完全可以替代溶劑法氯化橡膠。其中氯醚樹脂MP25為重防腐塗料樹脂氯化橡膠的最佳替代品。
2009年底公司將從風景秀麗的錢塘江畔整體搬遷到位於蕭山東北部的環杭州灣產業帶先進制造業基地——臨江工業園區,搬遷項目總用地面積58萬平方米,總投資25億元,分兩期建設“年產30萬噸離子膜燒鹼、20萬噸聚氯乙烯、5萬噸電子化學品、4萬噸氯醚樹脂、10萬噸過氧化氫及其他系列精細化學品”項目。項目建成後,工藝技術、裝置達到世界一流、國內領先的水平。公司還將部分土地留作二期項目開發,歡迎各界朋友前來參觀、洽談,共同為社會創造新財富。
優勢分析
公司位於錢塘江南岸的杭州高新技術產業開發區,是全國大企業集團競爭力500強之一,國家級高新技術企業,浙江省創新型試點企業,建有省級技術中心和省級重點中試基地,高新產品產值率超過50%。
杭州電化集團有限公司是母公司,下設中外合資企業兩家,控參股企業十一家。公司主要產品:燒鹼、聚氯乙烯、鹽酸、液氯、次氯酸鈉、氯醚樹脂、高純電子級化學產品系列,高級紡織助劑系列、化學試劑系列,氫氣、氧氣、氮氣以及紅綠生源保健品系列等。
公司將整體搬遷到位於蕭山東北部的環杭州灣產業帶先進制造業基地——臨江工業園區,搬遷項目總用地面積58萬平方米,總投資25億元,分兩期建設“年產30萬噸離子膜燒鹼、20萬噸聚氯乙烯、5萬噸電子化學品、4萬噸氯醚樹脂、10萬噸過氧化氫及其他系列精細化學品”項目。項目建成後,工藝技術、裝置達到世界一流、國內領先的水平。公司還將部分土地留作二期項目開發,歡迎各界朋友前來參觀、洽談,共同為社會創造新財富。
杭州電化集團有限公司是國家一級企業和全國520家重點企業,浙江省‘五個一計畫’、省級技術中心、省級中試基地和區外高新技術企業。公司具有自營進出口自主權,主要生產燒鹼、鹽酸、聚氯乙烯、液氯、氯化石蠟、次氯酸鈉、高純氫氣、氧氣、紡織助劑系列、聚醚系列、塑鋼門窗系列、醫藥中間體和紅綠聲源保健品系列產品。
杭州電化集團有限公司始建於1936年,已有72年的歷史。是全國最早從事氯鹼化工的企業之一。位於錢塘江南岸的杭州高新技術產業開發區,是全國大企業集團競爭力500強之一,杭州市重點企業,浙江省省級高新技術企業,高新產品產值率超過50%。1996年通過ISO認證,現按ISO9000:2000版組織生產。2006年實現銷售收入9.2億元,同比增長6.22%,實現利稅13691萬元,同比增長21.24%。公司以科學發展觀為指導,重視自主創新、人性化管理,實行節能減排、清潔生產,努力向環境友好型、循環節約型經濟模式發展,在現代技術創新傳統產品平台上,根據新興產業的市場需求,提供更多更好的高科技含量的綠色精細產品,竭誠為廣大客戶服務。
公司推進“三個堅持”、“四個講”、“三個到位”的管理文化。“三個堅持”:堅持實事求是的思想路線,堅持求真務實的工作作風,堅持以人為本的管理宗旨;“四個講”:講規則、講計畫、講貢獻、講誠信;“三個到位”:職責到位、計畫到位、評價到位。公司積極倡導“團結、求實、創新”的企業精神,“誠、信、責、效”的經營理念和“顧客滿意,企業興旺,員工幸福”的企業願景為核心內涵的企業文化,凝聚全體員工的力量,構建和諧創業環境。
節能改造方案
一、變頻器工作原理及技術規範1、變頻器原理介紹
變頻器是利用電力半導體器件的通斷作用將工頻電源變換為另一頻率的電能控制裝置。低壓變頻器主要採用交—直—交方式,先把工頻交流電源通過整流器轉換成直流電源,然後再把直流電源轉換成頻率、電壓均可控制的交流電源以供給電動機。變頻器的電路一般由整流、中間直流環節、逆變和控制4個部分組成。整流部分為三相橋式不可控整流器,逆變部分為IGBT三相橋式逆變器,且輸出為PWM波形,中間直流環節為濾波、直流儲能和緩衝無功功率。通過變頻器可以自由調節電機的速度。如圖1為變頻器內的控制電路框圖。
圖1 變頻器內的控制電路框圖2、變頻器技術規範
| 控制 | 控制方法 | 空間電壓矢量控制方式 | |||
| 頻率設定分辯率 | 數字 : 0.01 Hz (100 Hz以下), 0.1 Hz ( 100 Hz以上) 模擬 : 0.05 Hz / 50 Hz, 輸出頻率範圍:0 – 300 Hz | ||||
| 頻率精度 | 數字 : 最大輸出頻率的0.01 % 模擬 : 最大輸出頻率的0.1 % | ||||
| V/F 比率 | 線性, 平方根, 任意 V/F | ||||
| 過載能力 | 額定電流150 % -1 分鐘, 額定電流200% - 0.5 秒。(特性與時間成反比) | ||||
| 轉矩補償 | 手動轉矩補償 (0 - 20 %), 自動轉矩補償 | ||||
| 運行 | 輸入信號 | 運行方式 | 鍵盤/ 端子 /RS485 通訊 | ||
| 頻率設定 | 模擬 : 0 - 10V / 4 - 20 mA /, 子板的另外連線埠(0 - 10V/4 - 20 mA) 數字 : 鍵盤/RS485 通訊 | ||||
| 啟動信號 | 正轉,反轉 | ||||
| 多段速度 | 至多可以設定8個速度 (使用多功能端子) | ||||
| 加減速時間 | 0-6000秒,加減速時間可切換 加減速方式:線性, S型 | ||||
| 緊急停止 | 中斷變頻器的輸出 | ||||
| 寸動 | 慢速運行 | ||||
| 自動運行 | 通過設定的參數自動運行(7段速度) | ||||
| 故障復位 | 當保護功能處於有效狀態時,可以自動復位故障狀態。 | ||||
| 輸出信號 | 運行狀態 | 頻率檢測等級,過載報警,過電壓,欠電壓,變頻器過熱, 運行,停止,恆速,自動程式運行 | |||
| 故障輸出 | 觸點輸出 – 交流250V 1A, 直流30V 1A | ||||
| 模擬輸出 | 從輸出頻率,輸出電流,輸出電壓,直流電壓中選擇 (輸出電壓: 0 - 10V) | ||||
| 運行功能 | 直流制動,頻率限制,跳頻,滑差補償,反轉保護,PID 控制等 | ||||
| 保護功能 | 變頻器保護 | 過電壓,欠電壓, 過電流, 保險絲斷,接地故障, 變頻器過熱, 電機過熱, 缺相,過載保護,外部故障1,2, 通訊錯誤,速度指令丟失, 硬體故障, 選件錯誤等。 | |||
| 變頻器報警 | 堵轉防護,過載報警, 溫度感測器故障。 | ||||
| 瞬間掉電 | 小於15 毫秒:連續運行 大於15 毫秒:允許自動重新啟動 | ||||
| 顯示 | 鍵盤 | 運行信息 | 輸出頻率,輸出電流,輸出電壓,設定頻率,運行速度,直流電壓 | ||
| 錯誤信息 | 當故障保護時的運行狀態, 保存有3個故障歷史信息。 | ||||
| 環境 | 環境溫度 | -10 ℃ ~ 40 ℃ | |||
| 儲存溫度 | -20 ℃ ~ 65 ℃ | ||||
| 環境 濕度 | 最大90 % RH .(不結露) | ||||
| 高度/振動 | 1,000 m 以下,5.9m/秒²(=0.6g)以下 | ||||
| 套用地點 | 無腐蝕氣體、易燃氣體、油霧或粉塵及其它 | ||||
| 冷卻方式 | 強制風冷 | ||||
變頻調速技術的基本原理是根據電機轉速與工作電源輸入頻率成正比的關係:n=60f(1-s)/p,(式中n、f、s、p分別表示轉速、輸入頻率、電機轉差率、電機磁極對數);通過改變電動機工作電源頻率達到改變電機轉速的目的。通過流體力學的基本定律可知:風機、泵類設備均屬平方轉矩負載,其轉速n與流量Q,壓力H以及軸功率P具有如下關係:Q∝n,H∝n2,P∝n3;即,流量與轉速成正比,壓力與轉速的平方成正比,軸功率與轉速的立方成正比。如下圖示為壓力H-流量Q曲線特性圖:風機、泵類在管路特性曲線R1工作時,工況點為A,其流量壓力分別為Q1、H1,此時風機、泵類所需的功率正比於H1與Q1的乘積,即正比於AH1OQ1的面積。由於工藝要求需減小流量到Q2,實際上通過增加管網管阻,使風機、泵類的工作點移到R2上的B點,壓力增大到H2,這時風機、泵類所需的功率正比於H2與Q2的乘積,即正比於BH2OQ2的面積。顯然風機、泵類所需的功率增大了。這種調節方式控制雖然簡單、但功率消耗大,不利於節能,是以高運行成本換取簡單控制方式。
節能分析n1-代表電機在額定轉速運行時的特性;
n2-代表電機降速運行在n2轉速時的特性;
R1-代表風機、泵類管路阻力最小時的阻力特性;
R2-代表風機、泵類管路阻力增大到某一數組時的阻力特性。
若採用變頻調速,風機轉速由n1下降到n2,這時工作點由A點移到C點,流量仍是Q2,壓力由H1降到H3,這時變頻調速後風機所需的功率正比於H3與Q2的乘積,即正比於CH3OQ2的面積,由圖可見功率的減少是明顯的。對於風機、泵類設備採用變頻調速後的節能效果,通常採用以下兩種方式進行計算:若採用變頻調速,風機轉速由n1下降到n2,這時工作點由A點移到C點,流量仍是Q2,壓力由H1降到H3,這時變頻調速後風機所需的功率正比於H3與Q2的乘積,即正比於CH3OQ2的面積,由圖可見功率的減少是明顯的。
貴公司二車間冷水泵電機功率220KW,額定電流407A,運行電流320A,閥門進口開度為50%,出口開度為25%。閥門開度很小,流量為額定流量的25%左右,另外還需要保持水泵一定的揚程,根據現場經驗,變頻器大概運行在35HZ-40HZ左右即可滿足要求,對於風機、泵類設備採用變頻調速後的節能效果,根據風機平方轉矩負載關係式:P/P0=(n/n0)3計算(P0額定轉速n0時的功率;P為轉速n時的功率)。當變頻器運行35HZ時節電率為1-(35/50)3=65%,當變頻器運行在40HZ時節電率為1-(40/50)3=48%,則平均節電率為(65%+48%)/2=56.5%,在除去變頻器本身耗電的3%,即節電率可以達到50%左右。以電費0.5元/度,年運行7000小時計算,每年可節約的電費為1.732*380*320*50%*0.86*0.5*7000=316970元。
三、改造前設備工況
貴公司設備是通過調節閥門的開啟角度的機械調節方法來滿足不同的水流量,這種操作方式的缺點是:(1)電機及風機的轉速高,負荷強度重,電能浪費嚴重;(2)電氣控制直接起動,啟動時電流對電網衝擊大,需要的電源(電網)容量大,功率因素較低;(3)起動時機械衝擊大,設備使用壽命低;(4)電氣保護特性差,當負載出現機械故障時不能瞬間動作保護設備等。採用變頻器可實現大的電動機的軟停、軟起,避免了啟動時的電壓衝擊,減少電動機故障率,延長使用壽命,同時也降低了對電網的容量要求和無功損耗。
四、變頻改造方案
貴公司二車間冷水泵系統為一用一備,變頻控制櫃具有切換功能,可以選擇1#或2#啟動,並且在變頻器出現故障時可選擇1#工頻啟動,以保證生產的連續性。變頻根據壓力信號自動調節電機的轉速。
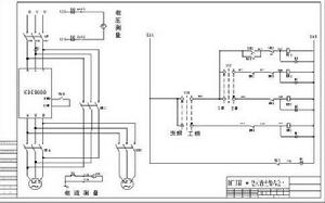
變頻改造方案
變頻櫃控制電氣圖五、總結
採用變頻器控制將有以下諸多優點:
(1)、採用變頻器控制電機的轉速,取消擋板調節,降低了設備的故障率,節電效果顯著;
(2)、採用變頻器控制電機,實現了電機的軟啟動,延長了設備的使用壽命,避免了對電網的衝擊;
(3)、電機將在低於額定轉速的狀態下運行,減少了噪聲對環境的影響;
(4)、具有過載、過壓、過流、欠壓、電源缺相等自動保護功能;
(5)、變頻具有工/變頻切換功能,能夠保證生產的連續性。
實踐證明,變頻改造具有顯著的節電效果,是一種理想的調速控制方式。既提高了設備效率,又滿足了生產工藝要求,並且還大大減少了設備維護、維修費用,另外當採用變頻調速時,由於變頻裝置內的直流電抗器能很好的改善功率因數,也可以為電網節約容量。直接和間接經濟效益十分明顯。
化工裝置
金屬陽極燒鹼及銅排1、金屬陽極燒鹼及銅排
裝置概要:年產7萬噸/年隔膜燒鹼,該套裝置116台,採用的電槽為30-III型,運行電流最高至55KA,採用擴張陽極,改性隔膜,有自己獨特的吸附操作,裝置運行期間各項指標在同行業處於領先水平,可以指導陰極箱吸附、安裝、開車。
2、隔膜鹼蒸發
裝置概要:能力為7萬噸/年隔膜30%燒鹼,該裝置採用三效順流,共5台蒸發器,一台I效,兩台II效,兩台III效(其中一台換熱器為鎳材)以及四川藍光高真空噴射系統。裝置運行期間可根據電解液庫位開三效、三效四體、五效,可以指導安裝、開車。
3、離子膜燒鹼及銅排
裝置概要:兩套2萬噸/年離子膜燒鹼裝置,電槽型號分別為29DN350(2002年投產)和29DD350(1995年投產)裝置,在裝置運行期間一直滿負荷生產,配套的設備和管道完好,可以指導安裝、開車。
4、氯氫處理系統(鈦冷、預冷、透平機、納氏泵氫泵等)
裝置概要:兩套氯氫處理裝置,能力分別配套2萬噸/年燒鹼和10萬噸/年燒鹼。2萬噸/年的裝置採用納氏泵工藝,10萬噸/年的裝置採用透平機工藝,透平機為LLY-3700,錦西化工機械廠生產,一開一備,運行穩定,可以指導安裝、開車,氫泵採用QYJ-950/3.5納氏泵。
5、氯化氫合成爐
裝置概要:現有三合一爐、二合一爐及其配套設備管道,三合一爐共兩台,DN800(31%鹽酸50噸/天)和DN500(31%鹽酸30噸/天),遼陽碳素廠生產,二合一爐共兩台,DN900(31%鹽酸90噸/天)和DN1400(31%鹽酸120噸/天)兩台,配有鹽酸吸收裝置,可以指導安裝、開車。
6、液氯、次鈉裝置
裝置概要:年產5萬噸/年液氯和6萬噸/年次鈉,液氯採用液下泵輸送工藝,次鈉採用間歇生產工藝,可以指導安裝、開車。
7、整流裝置
裝置概要:系7萬噸/年隔膜鹼和兩套2萬噸/年離子膜鹼配套的整流裝置(35KV線路變電),可以指導安裝、開車。
8、電石破碎和濕法乙炔裝置
裝置概要:系5萬噸/電石破碎和濕法乙炔裝置,其中濕法乙炔發生器為一台DN2800和兩台DN2500的乙炔發生器,電石耗處於同行業先進水平,可以指導安裝、開車。
9、熱電裝置
裝置概要:裝置主要設備為3台鍋爐(一台20噸/小時,兩台35噸/小時)和兩套汽輪機、發電機(一套為背壓式汽輪機,3000KW,一套為抽凝式汽輪機,6000KW),可以指導安裝、開車。
10、主變裝置
裝置概要:裝置系由35KV變電的兩台動力主變裝置(5000KVA,35KV/10KV)及多台10KV變壓器,可以指導安裝、開車。
11、氯化石蠟裝置
裝置概要:系3000噸/年熱氯化法氯化石蠟生產裝置,可以指導安裝、調試。
12、3萬噸/年濃固鹼裝置
裝置概要:年產3萬噸/年濃固鹼,其中48%濃鹼折100%鹼1萬噸/年,固鹼2萬噸/年。主體裝置從瑞士貝爾特拉蒙斯公司引進,如降膜蒸發器(三台,一效為不鏽鋼,二效為鎳,三效為鎳)、片鹼機(鎳/不鏽鋼)、空氣預熱器、熔鹽加熱器、燒鹼預熱器(鎳)、熔鹽泵、燃油預熱器、熔鹽泵、燃油高壓泵、點火與燒制系統(可以燒氫氣也可以燒重油)、稱量器等。裝置從1999年底試車成功後一直因公司周邊濃固鹼市場原因停運清洗封存,目前主體進口裝置保存基本完好,可以現場參觀,裝置轉讓後提供資料、圖紙、裝置開停車操作法。
所屬公司
下設參股控股和中外合資8個子公司:杭州電化集團助劑化工有限公司、杭州久新塑膠有限公司、杭州紅綠生源保健品有限公司、杭州格林達化學有限公司、杭州化學試劑有限公司、中日合資杭州日華化學有限公司、杭州電化集團氣體有限公司、中美合資杭州杭達塑膠有限公司、杭州高巨科技有限公司。
