概述
數字式量度繼電器(以下簡稱繼電器),採用32位高性能CPU,實時採樣交流電流、電壓信號,採用真有效值的計算方法,在較寬的頻率範圍內實現了較高精度的測量。集成有多種保護功能,僅需簡單選擇即可實現保護的投入或退出、報警或跳閘;精度高、功耗小、動作快、返回係數高、無抖動。
技術背景
在電力及工業自動化控制系統中,常用各種類型的繼電器套用於需要進行狀態監控的場合,作為保護的閉鎖動作元件或啟動元件。目前,大部分用於此類場合的單功能繼電器都為靜態繼電器,完全採用模擬電路設計,參數設定、整定值設定都採用鏇鈕調節,採用此方式設定精度低、誤差大、保護功能單一,不帶有顯示裝置,用戶無法從繼電器上得知當前各種電參量,且無法組網實現智慧型化網路化。
另有一類為多功能綜合性保護型繼電器,此類型繼電器名稱上為繼電器,其實為多功能繼電保護裝置,此類型的繼電器功能強大,集保護、測量、控制、監測、通訊等多種功能於一體,是高端的電力系統自動化硬體裝置,但在許多要求簡單的套用場合使用此類繼電器則存在使用成本高,功能浪費等缺點。
在此基礎上,設計出了一種數字式量度繼電器。該繼電器是單功能型繼電器的提升或是多功能綜合保護型繼電器的功能拆分、簡化。採用數字電路設計,既能實現各種單功能型繼電器的保護功能,又帶有數顯表的數據顯示功能,實現測量、整定值的可視化,做到定性、定量,還能夠實現產品的智慧型化、網路化。
產品優點
數字式量度繼電器是傳統的電磁、靜態繼電器理想的替代產品。兼具了方便靈活和智慧型的特點,具有保護功能較多,靈敏度高,動作時間整定靈活,過欠模式同機整定,實時測量並顯示當前電參量的值,相當於在智慧型電測儀表的基礎上增加了保護繼電器的功能。當用戶只需要單個保護功能、又要實現網路化、智慧型化時,此產品便能較好地滿足要求。
產品標準
產品符合GB/T 14598量度繼電器的相關標準和GB/T 22264安裝式數字顯示電測量儀表中的相關標準。
產品功能介紹

● LCD液晶顯示,實時顯示各種參數,方便查看。
●保護功能可任意投切,方便使用。
●可任意整定各種保護參數及延時時間。
●故障代碼顯示,方便用戶查找故障。
● 可帶通訊,實現遙測、遙控。
●二次電流輸入,可任意設定變比,顯示一次電流。
通用技術條件
| 技術參數 | 指 標 |
| 通訊 | RS485接口、Modbus-RTU協定 |
| 輔助電源 | AC85~270V/DC100~350V,功耗5VA |
| 安全性 | 工頻耐壓: 電源、電壓、電流輸入迴路之間 AC2kV/1min、50Hz 絕緣電阻:輸入、輸出端對機殼>100MΩ |
| 環境 | 工作溫度:-10℃~+55℃ 儲存溫度:-20℃~+70℃ 相對濕度:5﹪~95﹪不結露 海拔高度:≤2000m |
| 污染等級 | 2級 |
| 防護等級 | IP20 |
| 安裝類別 | III級 |
產品特性
| 功能 產品 | 單相交流電流繼電器 | 三相交流電流繼電器 | 單相交流電壓繼電器 | 三相交流電壓繼電器 | 頻率繼電器 | |
| 功 能 | 二次側1A、5A | √ | √ | |||
| 輸入 | AC100V、220V、380V | √ | √ | √ | ||
| 測量 | 0-10A | √ | √ | |||
| 範圍 | 0.1-1.2Ue | √ | √ | |||
| 20-70Hz | √ | |||||
| 過載 | 持續1.2倍,瞬時10倍/5秒 | √ | √ | |||
| 倍數 | 持續1.2倍,瞬時2倍/1秒 | √ | √ | √ | ||
| 保護 | 起動逾時、欠載、短路 | √ | √ | |||
| 功能 | 過載(定時限、反時限) | √ | √ | |||
| 欠壓、過壓 | √ | √ | ||||
| 欠頻率、過頻率 | √ | |||||
| 不平衡 | √ | √ | ||||
| 斷相 | √ | |||||
| 相序 | √ | |||||
| 繼電器輸出 | 數量 | 3常開或2常開1常閉 | ||||
| 觸點容量 | AC250V 3A或DC30V 3A | |||||
注意事項
1、數字式量度繼電器應安裝於乾燥、清潔、遠離熱源和強電磁場,不受油、污物、灰塵、腐蝕性氣體或其他有害物質侵襲的地方。安裝時要注意檢修方便,有足夠的空間放置有關線、端子排、短接板和其他必要設備。
2、數字式量度繼電器的頻率跟蹤由L1 實現,因此為準確測量各種電參量,請保證L1 上有信號輸入。
3、電壓型繼電器的輸入電壓應不高於產品的額定輸入電壓(100V 或400V)的120%,否則應考慮使用PT;在電壓輸入端須安裝2A 保險絲。
4、電流型繼電器的滿載電流設定IE 應為負載正常額定工作電流值,若此設定值低於負載的正常額定工作電流值,則可能會導致負載無法正常運行;高於負載的正常額定工作電流值,則負載出現故障時本繼電器可能無法正常進行保護。
5、繼電器的返回係數為欠1.05、過0.95。
6、脫扣繼電器一旦發生脫扣動作,在故障排除後,重新起動負載前,需對繼電器進行復位,否則將無法起動負載。
7、電流型繼電器套用於電動機保護時,電機過載保護後(故障顯示為Heat),由於熱累積,需冷卻後方可復位。
8、繼電器在出廠時的各種設定參數採用默認設定(用戶特別要求除外),用戶在實際使用中務必根據實際需要將各種保護功能打開,並對各種參數進行合理設定(額定值設定尤為重要)。
9、電流型繼電器由於採用二次電流輸入,應此在實際使用時,要注意CT 變比的設定,及額定電流的設定(額定電流值為1 次側值,顯示為1 次側值)。
10、電流型繼電器套用於電動機保護時要注意,本繼電器內置電流互感器的過載為2 倍,即輸入10A 飽和,若過載倍數較大,用戶在選擇與之配套的互感器時(xxA/5A),要留有裕量。例額定電流為100A 的電動機,在選擇與本繼電器相配套的互感器時,可選擇200A/5A 的互感器。
11、繼電器提供異步半雙工RS485 通訊接口,採用MODBUS-RTU 協定,各種數據信息均可在通訊線路上傳送。理論上在一條線路上可以同時連線多達128 個網路電力儀表,但實際使用時建議不超過32 個點,每個網路電力儀表均可設定其通訊地址(Addr)。通訊連線建議使用禁止雙絞線,線徑不小於0.5mm2。布線時應使通訊線遠離強電電纜或其他強電場環境。
12、電流型的電流保護分為3 種,定時限、反時限和速斷,其中反時限電流曲線如下圖, K 可任意設定。速斷電流倍率為10 倍。過載保護電流—時間對照表:
過載保護電流—時間對照表及曲線圖
| 可選擇的脫扣曲線等級K | 5 | 10 | 15 | 20 | 25 | 30 | 35 | 40 |
| 脫扣延時(S)誤差±10% | 三相平衡的負載,自冷態始 | |||||||
| 額定值Ie ×1.2 | 125 | 250 | 375 | 500 | 625 | 750 | 875 | 1000 |
| ×1.5 | 80 | 160 | 240 | 320 | 400 | 480 | 560 | 640 |
| ×2 | 45 | 90 | 135 | 180 | 225 | 270 | 315 | 360 |
| ×3 | 20 | 40 | 60 | 80 | 100 | 120 | 140 | 160 |
| ×4 | 11.3 | 22.5 | 33.8 | 45 | 56.3 | 67.5 | 78.8 | 90 |
| ×5 | 7.2 | 14.4 | 21.6 | 28.8 | 36 | 43.2 | 50.4 | 57.6 |
| ×6 | 5 | 10 | 15 | 20 | 25 | 30 | 35 | 40 |
| ×7.2 | 3.5 | 6.9 | 10.4 | 13.9 | 17.4 | 20.8 | 24.3 | 27.8 |
| ×8 | 2.8 | 5.6 | 8.4 | 11.3 | 14.1 | 16.9 | 19.7 | 22.5 |
曲線圖典型套用
電壓型繼電器可用於需要電壓監控(如發電機、變壓器和輸電線的繼電保護等)場合,作為過電壓保護或低電壓閉鎖的動作元件。具有靈敏度高,動作時間快,功耗小、整定方便等特點。
電流型繼電器可用於電流監控(如電動機、變壓器和輸電線的過負荷和短路保護線路中等)場合。
頻率型繼電器可監測電力信號過頻和欠頻情況並進行相應的脫扣操作。主要用於電網安全穩定控制,保護電網安全穩定運行。
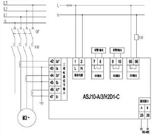
圖1右圖1是一款能夠監視負載的監視繼電器,適用於需要進行電流保護的場合,如電動機、變壓器和輸電線的過負荷和短路保護線路中,隨時監視負載的電流狀況,能對負載的多種故障狀態進行保護,一旦發生故障,能及時將負載從系統中切除,從而起到保護作用。
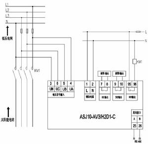
圖2右圖2是一款適用於監視三相饋電主電路的監視繼電器,它連線在饋電網、分散的電源系統和公共電網之間,一旦發現電網故障,產品能將發電系統從公共電網中斷開,從而起到保護作用。
